Salut,
Bougnat-110 a écrit :
(je suis rentré de nuit ce soir....c'est chaud quand même !).
Bah ! Tu avais les phares, et en Auvergne, on ne croise pas grand monde.
Tests réalisés :
- Echange des relais : pas de changement (test au contact clé, comme tu l'a préconisé).
OK, question aussi: As tu un relais ( R117 ) dans le boitier de fusible sous le siège ou pas ?
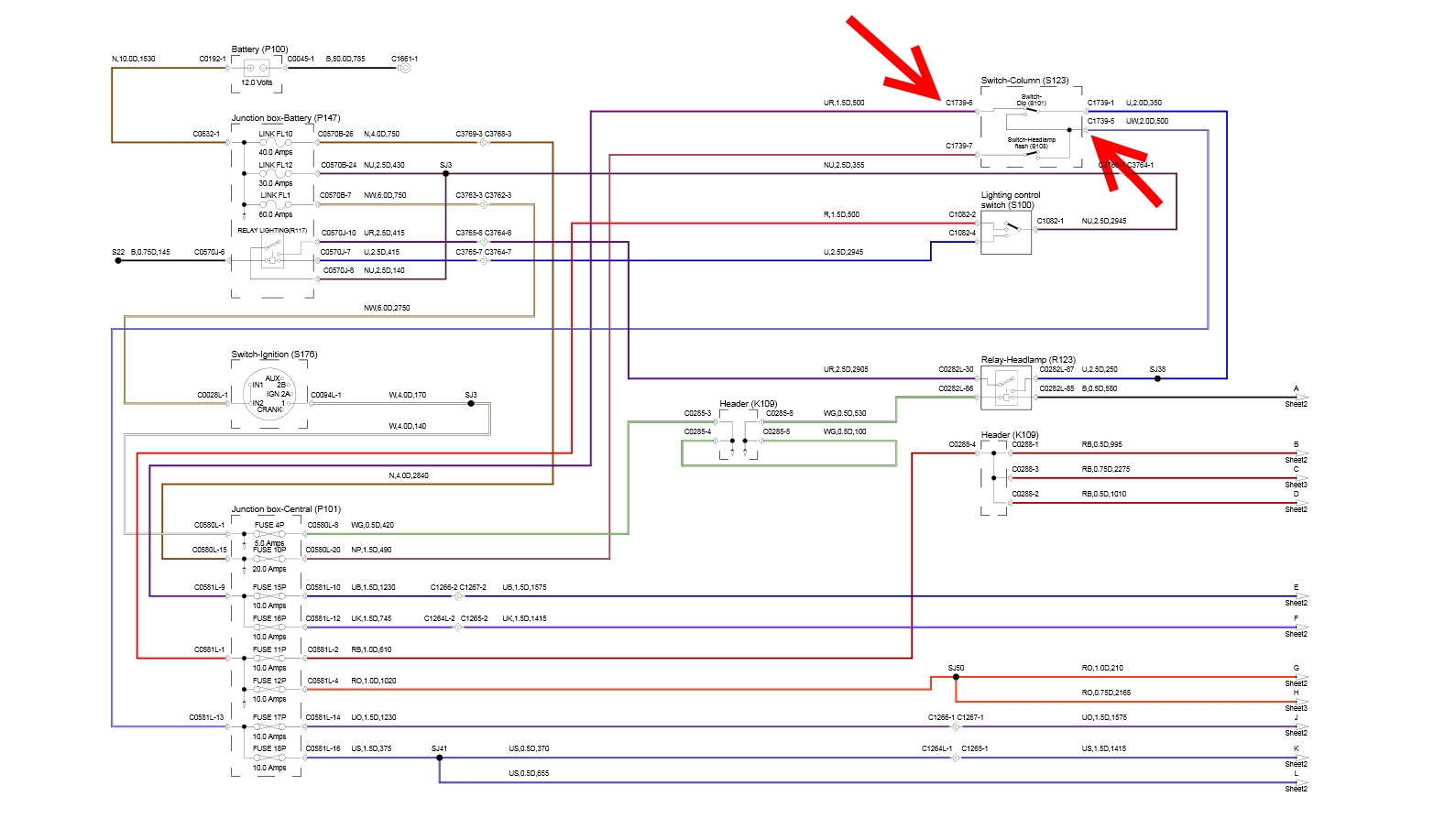
- Sur le relais R123 (enfin, sur son socle) : j'ai bien le 12V après contact (11,6 seulement). J'ai bien le 12V du petit commodo en position "codes". Par contre, je n'ai pas le 12V du grand commodo quand j'actionne le petit commodo en position code (et en laissant le grand commodo en position neutre, c'est à dire codes aussi).
C'est normal, puisque le relais n'est pas en place, ce
+12V va vers le grand commodo, et c'est lui que le relais R123 commute, et qui provient du petit commodo. Le grand commodo réparti ce 12V soit vers les code, soit vers les phares, donc jusque là tout va bien, c'est après que ce situ le problème.
La fiche du grand commodo (fil bleu/liseré blanc) semble bien en place.
OK, bien que je n'aime pas le "semble", c'est un terme a bannir en électricité. Il faut être sûr, en enlevant et en remettant la fiche, ainsi si c'est un problème de serrage ou d'oxydation, on s'en aperçois, sinon on risque de passer à cotè d'un problème.
Là, il faut être sûr que lorsque tu bascules de la position code à phare, avec le levier du grand commodo, que tu es bien le basculement du +12V du fil bleu liseré blanc au fil bleu liseré rouge avec le contact.
J'ai testé le 12V sur le connecteur qui est à la sortie du grand commodo (sous le volant) : pas de 12V non plus, mais je ne suis pas sûr de la mesure.
Là je ne comprend pas la mesure que tu as effectué. Sur le connecteur sur quel numéro de broche ? et de quel coté ? dans quel condition? avec ou sans relais ?

Oui, je sais, je suis un peu ennuyant.
Pour être sûr de cette mesure, avant de remonter plus loin vers les barrettes de fusibles. Fais un relevé en introduisant la pointe de touche de ton multimètre par l'arrière des connecteurs sur leurs sertissages. Assure toi du +12V, puis de la répartition de celui ci sur les deux fils bleus liséré rouge et blanc.
Si ces contrôles ne sont pas OK, alors, tu passeras au démontage les "capots" pour accéder au connecteur.
Je voudrais aller tripoter les connexions du grand commodo, mais comment diable se démonte-t-il ?
je n'arrive pas à enlever le 1/2 capot supérieur des caches en plastique , et par dessous ne je ne comprend pas du tout comment il est fixé.
Le démontage est assez simple, il est possible que le cache supérieur soit géné par le volant pour sortie, mais normalement, on arrive a enlever ce cache sans démonter le volant.
Vois ce thème :
Commodo essuie glace le cache supérieur tient par des vis prenant avec le cache inférieur la colonne de direction en sandwich. Les sept vis, sont accessibles par le dessous de la colonne de direction.
A+