Lucas AS10...?????

Bidouillages électriques, codes d'erreur ECU...

Modérateurs : The Pater, LØLØ

Règles du forum
En naviguant sur le site http://www.landroverfaq.com vous reconnaissez avoir lu ses Conditions d’Utilisation, vous déclarez les comprendre et vous acceptez d’y être lié de manière inconditionnelle. Si tel n'est pas le cas, merci de quitter immédiatement ce site.

Vous pouvez joindre autant d'images que nécessaire à vos messages A LA CONDITION EXPRESSE d'utiliser l'hébergement fourni par le site.

L'administrateur effacera systématiquement tout message contenant des photos hébergées chez Imageschack, Casimage, Wistiti ou tout autre hébergeur tiers sans sommation ni justification.
Alain22
Habitué
Messages : 23
Enregistré le : 15/06/2017 17:32

Lucas AS10...?????

Message non lu par Alain22 »

Bonjour à tous……
Je me présente : Alain département 22 heureux possesseur depuis peu d’un Defender 90 TD5 ….. Millésime 03/2002 173.000km…
J’aimerais avoir vos avis de spécialistes ,que je ne suis pas (encore), sur quelques anomalies concernant ce véhicule, je précise qu’il roule sans problèmes et que ces soucis sont plus liés à l’ECU AS10 Lucas (YWC 106280 03/02) dont il est équipé.
J’ai repéré le fusible -F7- 20A (sous le siège passager) qui était HS, après remplacement, il « reclaque » immédiatement, j’insiste donc pas …. :oops: J’ai toute la doc (téléchargée sur le Net) concernant la « librairie électrique », sur le schéma il semble qu’il n’y ait rien entre le + batterie et l’ECU (entre C0574-2 PN et C1979-25 PN) mis a part ce fusible. Je pense donc avoir une masse en face ou un ECU HS,(ou les deux...!!!!).... j’ai démonté ce boitier et je ne vois aucun « flash » ni coté composants ni coté piste, il me paraît même en bel état…. !!!!!
Les conséquences sont que je ne possède plus l’alarme ni d’anti-démarrage, (c’est pas trop grave) et je n’ai pas non plus le verrouillage centralisé des trois portes dont les trois électro aimants fonctionnent bien individuellement (testés) ; Mon but, serait --éventuellement-- de retrouver un ECU en bon état ou au minimum le verrouillage des trois portes avec la clé, je précise également que je ne possède PAS de télécommande , j’ai seulement une clé (et son double) pour les serrures et le contact.
Si l’un d’entre vous avait la gentillesse de me suggérer une piste, je serais preneur, avant de me lancer dans un suivi, fil à fil…….
Question subsidiaire, j’ai noté qu’on parlait souvent d’une siréne auto-alimentée située au dessus du klaxon aile Gauche, j’ai effectivement des prises qui sont présentes, ce klaxon « alarme » existe-t-il réellement en France… ????? :?:
Dernière précision, pour l’anecdote, et au risque de faire chuter la moyenne d’âge du forum, l’auteur de ces quelques lignes à « presque » l’âge du Defender… !!!!
je dis bien « presque »……. Oupssss !!!! :sm11: :D :D :D
Merci à tous mes lecteurs… !!!!!! toutes vos remarques seront les bienvenues… !!!!!
Cordialement--- Alain22---
Le savoir n'a de valeur que s'il est transmis..... :D
RR VM 1992

Plusieurs thèmes sur ce sujet existent

Message non lu par RR VM 1992 »

Ce sujet a déjà été abordé ici ; exemple :

https://www.landroverfaq.com/viewtopic. ... TD5#p97720

mais il y en a d'autres ; utilise la fonction recherche pour continuer un thème déjà ouvert :wink:
Avatar du membre
LØLØ
Modérateur
Messages : 6210
Enregistré le : 30/07/2006 15:41
Localisation : guainville (28 )
Contact :

Re: Lucas AS10...?????

Message non lu par LØLØ »

Alain22 a écrit : J’ai repéré le fusible -F7- 20A (sous le siège passager) qui était HS, après remplacement, il « reclaque » immédiatement, j’insiste donc pas …. :oops: J’ai toute la doc (téléchargée sur le Net) concernant la « librairie électrique », sur le schéma il semble qu’il n’y ait rien entre le + batterie et l’ECU (entre C0574-2 PN et C1979-25 PN) mis a part ce fusible. Je pense donc avoir une masse en face ou un ECU HS,(ou les deux...!!!!).... j’ai démonté ce boitier et je ne vois aucun « flash » ni coté composants ni coté piste, il me paraît même en bel état…. !!!!!
Salut, bienvenue,
As tu essayé de débrancher le connecteur de l'AS10 et de remettre le fusible 17:
Si il saute c'est le faisceau, si il ne claque pas c'est l'AS10 ou peut-être ce que commande l'AS10. Le plafonnier est-il OK ? Y a t-il une extinction lente et progressive du plafonnier lorsque tu fermes les portes ?
Les conséquences sont que je ne possède plus l’alarme ni d’anti-démarrage, (c’est pas trop grave) et je n’ai pas non plus le verrouillage centralisé des trois portes dont les trois électro aimants fonctionnent bien individuellement (testés) ; Mon but, serait --éventuellement-- de retrouver un ECU en bon état ou au minimum le verrouillage des trois portes avec la clé, je précise également que je ne possède PAS de télécommande , j’ai seulement une clé (et son double) pour les serrures et le contact.
Si l’un d’entre vous avait la gentillesse de me suggérer une piste, je serais preneur, avant de me lancer dans un suivi, fil à fil…….
Probable que l'AS10 est un problème partiel, car le land démarre toujours, ou alors il est en mode Australien c'est à dire que l'alarme a été désactivé, heureusement, sinon le land ne démarrerait pas car il y a un échange de code entre L'AS10 et le calculateur de gestion moteur. Si tu trouves un AS10, il faut le faire appairé avec ton calculateur.
As tu passé ou fait contrôler ton AS10 avec une valise ? A mon avis c'est la première chose a faire, afin d'affiner le diagnostique.
Question subsidiaire, j’ai noté qu’on parlait souvent d’une sirène auto-alimentée située au dessus du klaxon aile Gauche, j’ai effectivement des prises qui sont présentes, ce klaxon « alarme » existe-t-il réellement en France… ????? :?:
Oui,
Dernière précision, pour l’anecdote, et au risque de faire chuter la moyenne d’âge du forum, l’auteur de ces quelques lignes à « presque » l’âge du Defender… !!!!
je dis bien « presque »……. Oupssss !!!! :sm11: :D :D :D
Donc si le land est de 2002 nous sommes en 2017, le presque peut-être interprété en plus ou en moins, donc cela oscille entre 14 ou 16 ans à un an prés. :wink:
A+
2 solutions: la bonne et l'Anglaise
LUCAS: Il n'y a pas de contact où il le faut et il y en a un où il ne faut pas
On ne peut aller loin en amitié, si on n'est pas disposé à se pardonner les uns aux autres les petits défauts.
www.eternal-vehicles.fr
Alain22
Habitué
Messages : 23
Enregistré le : 15/06/2017 17:32

Re: Lucas AS10...?????

Message non lu par Alain22 »

Grand merci à tous. .....
Je vais relire tout ça avec attention et je vous informerais des suites......
Quant à mon âge , je faisais référence à 1948 année de sortie du Defender, je crois.... :D :D :)
MERCI encore, trois avis valent mieux que deux.....!!!! :wink: :wink: :wink:
Alain
Le savoir n'a de valeur que s'il est transmis..... :D
Avatar du membre
LØLØ
Modérateur
Messages : 6210
Enregistré le : 30/07/2006 15:41
Localisation : guainville (28 )
Contact :

Re: Lucas AS10...?????

Message non lu par LØLØ »

Alain22 a écrit : Quant à mon âge , je faisais référence à 1948 année de sortie du Defender, je crois.... :D :D :)
Ah! ah! hi! hi! :mrgreen:
Excusez moi monsieur. :sm6:
Je pensais que tu faisais référence à ton land. Officiellement l'appellation defender date du premier land avec un moteur 200tdi. Avant entre 1983 et 91 ce sont des land Rover 110/90 ou 127. Avant encore les séries I II & III. Mais là on remonte au temps des dinosaures. :wink:
A+
2 solutions: la bonne et l'Anglaise
LUCAS: Il n'y a pas de contact où il le faut et il y en a un où il ne faut pas
On ne peut aller loin en amitié, si on n'est pas disposé à se pardonner les uns aux autres les petits défauts.
www.eternal-vehicles.fr
Alain22
Habitué
Messages : 23
Enregistré le : 15/06/2017 17:32

Re: Lucas AS10...?????

Message non lu par Alain22 »

J'ai oublié de répondre à la question posée. ... :oops:
La lumière des plafonniers fonctionne moteur en marche portes ouvertes, et s'eteignent effectivement , progressivement à la fermeture des portes.....
C'est déjà ça. .....!!!!!! :lol: :lol: :lol:
Autre anomalie constatée mais qui n'a , je pense rien a voir avec l'ECU alarme, mon voyant frein a main "serré " n'est pas signalé au tableau de bord, le contact ''mécanique '' est bon et le fil n'est pas débranché côté frein a main, je vais devoir faire une fois encore une recherche de coupure en suivant ce fil....
Affaire à suivre. .....
Le savoir n'a de valeur que s'il est transmis..... :D
Avatar du membre
LØLØ
Modérateur
Messages : 6210
Enregistré le : 30/07/2006 15:41
Localisation : guainville (28 )
Contact :

Re: Lucas AS10...?????

Message non lu par LØLØ »

Alain22 a écrit : La lumière des plafonniers fonctionne moteur en marche portes ouvertes, et s’éteignent effectivement , progressivement à la fermeture des portes...
Donc le boitier d'alarme n'est pas complétement mort, car c'est lui qui gère cette extinction progressive du plafonnier.
Autre anomalie constatée mais qui n'a , je pense rien a voir avec l'ECU alarme, mon voyant frein a main "serré " n'est pas signalé au tableau de bord, le contact ''mécanique '' est bon et le fil n'est pas débranché côté frein a main, je vais devoir faire une fois encore une recherche de coupure en suivant ce fil....
Au niveau du tableau de bord, cela arrive sur une platine à LED en guise de voyant:
connecteur frein a main voyant.jpg
Identification de la situation des voyants platine démonté:
identification des voyants de TD5.jpg
Les schémas sont simples, mais bon, le simple peut devenir vite compliqué en électricité land, ou parfois, les schémas et les principes sont éloignés de la réalité.
1)
frein a main Schema TD5 2002 01.jpg
2)
frein a main Schema TD5 2002 02.jpg
3)
frein a main Schema TD5 2002 03.jpg
4)Là encore, sur le trajet, il y a un collecteur de raccordement. Et peut-être bien qu'un lien pourrait exister par ce biais là entre les problèmes d'alarme et l'histoire du voyant de frein a main.
frein a main Schema TD5 2002 C0288 04.jpg
Comme par exemple on nous montre que c'est une masse au niveau du capteur qui active l'allumage du voyant. En effectuant des essais, des mesures et un relevé de schéma sur cette platine, il s'avère que c'est un 12V qui valide le voyant de frein à main. Celui ci étant utilisé pour plusieurs situation d'alarme: liquide de frein, frein a main, ABS... il est possible, qu'il y ait des nuances quelque part dans les schémas. Mais là, il y a certainement des subtilités entre, avec ABS et sans ABS. Mais je n'ai pas de TD5, donc je n'ai pas trop creusé l'affaire.
Schéma voyant éteint à +12V.jpg
Dans un premier temps, tu peux relever au niveau du connecteur C0234 de la platine broche 14, si le fait d'activé ou non le frein a main te commute bien la masse cette la broche. Tu vérifies avec le contact mis, qu'en démontant ton bouchon de réservoir de liquide de frein sur le maitre cylindre, que cela valide bien ton voyant, car lorsque tu soulèves le bouchon et que tu attends un peu, cela simule une perte de liquide de frein... Ainsi tu seras sûr du bon fonctionnement de la partie voyant elle même. Il est très très rare que cette platine est un problème, c'est bien plus fiable que des voyants à filament, enfin disons avec le recule que l'on a aujourd'hui.
A+
2 solutions: la bonne et l'Anglaise
LUCAS: Il n'y a pas de contact où il le faut et il y en a un où il ne faut pas
On ne peut aller loin en amitié, si on n'est pas disposé à se pardonner les uns aux autres les petits défauts.
www.eternal-vehicles.fr
Alain22
Habitué
Messages : 23
Enregistré le : 15/06/2017 17:32

Re: Lucas AS10...?????

Message non lu par Alain22 »

Magnifique L0L0...... j'avais pas ces schémas là...... :shock:
Merci de ton aide, demain, je mets la lampe frontale et je vais "fouiller" par là. ....
Je vais ''essayer'' d'éliminer les anomalies les unes après les autres. .....
Je te tiens informé de mes ''trouvailles'' :D :D :D
Alain
Le savoir n'a de valeur que s'il est transmis..... :D
Alain22
Habitué
Messages : 23
Enregistré le : 15/06/2017 17:32

Re: Lucas AS10...?????

Message non lu par Alain22 »

Hello L0L0.....
Après vérification je viens de débrancher les deux connecteurs de l'ECU AS10 et le fusible 30A claque encore..... le côté positif semble être que l'ECU est pas en cause, enfin, je pense.....
J'ai effectivement de chaque côté du fusible un +12V et un -12V donc normal que le fusible claque....
Il me faut maintenant trouver ou est le ''bug''......???? :shock:
Si tu avais une piste, je serais preneur......
Autre mauvaise surprise j'ai un fusible 30A claqué qui correspondrait si j'en crois le dessous du boitier fusible à ''l'ABS''..... !!!!
Comment se sortent ces ''big fusibles''...????? J'essaierai bien de le remplacer si au moins j'arrivais à le sortir...... il y en a six du même style sur des petites barres en cuivre..... faut-il enlever la barre en entier ou pas....?????
Concernant le voyant du frein a main, je cherche encore.....
En résumé j'ai de quoi faire..... :D :D :D :D :D :D :D
A+ et merci de tes éventuelles idées, je suis preneur......
Alain
Le savoir n'a de valeur que s'il est transmis..... :D
Avatar du membre
LØLØ
Modérateur
Messages : 6210
Enregistré le : 30/07/2006 15:41
Localisation : guainville (28 )
Contact :

Re: Lucas AS10...?????

Message non lu par LØLØ »

Alain22 a écrit :.../ fusible 30A claque encore... le côté positif semble être que l'ECU est pas en cause, enfin, je pense...
Salut,
Oui le problème viendrait du faisceau ou d'un organe de liaison entre le porte fusible et l'AS10.
J'ai effectivement de chaque côté du fusible un +12V et un -12V donc normal que le fusible claque....
Là, je vois plutôt un problème de mesure, comment procèdes tu pour effectuer cette mesure ?
Tu fixes le fil noir du moins ou commun du voltmètre à la masse et le fil rouge du plus, tu le mets d'un coté, puis de de l'autre du fusible un -12V ou un timide -12mV qui oscillerait de temps en temps vers le zéro Volt.
Il me faut maintenant trouver ou est le ''bug''.../... piste...
Effectivement cela ne sent pas bon. Vue que d’après le schéma il n'y a rien d'autre entre le fusible 7 du boitier satellite et l'AS10, le claquage peut provenir, soit du connecteur de l'AS10, soit du connecteur (C0574) sous le boitier satellite, soit du fil dont l'isolant serait pincé ou frotté sur de la tôle ou fondu avec d'autre fils.
petit boitier fusible C0574-1 TD5.jpg
Autre mauvaise surprise j'ai un fusible 30A claqué qui correspondrait si j'en crois le dessous du boitier fusible à ''l'ABS''..... !!!!
Comment se sortent ces ''big fusibles''...????? J'essaierai bien de le remplacer si au moins j'arrivais à le sortir...... il y en a six du même style sur des petites barres en cuivre..... faut-il enlever la barre en entier ou pas....?????
Tiens, tiens... Ces gros fusibles sont visés avec deux vis cruciformes de chaque cotè. Il faut enlever les deux vis.
Oxydation petit boitier fusible TD5.jpg
Parfois quand c'est tout beau tout neuf, ou que les dieux de Solihull étaient bien lunés ce jour là, il y a un cache qu'il faut enlever pour sortir l'un des gros fusible LINK.
tableau TD5 passager 00.jpg
Éventuellement tu peux démonter cette boite à fusible et contrôler l'état de la connectique et des fils en dessous. Il y a deux petites vis de 10 ou 8 à défaire. Au préalable, débranche la batterie, on ne sait jamais, il faut être prudent avec l’électricité.
A+
2 solutions: la bonne et l'Anglaise
LUCAS: Il n'y a pas de contact où il le faut et il y en a un où il ne faut pas
On ne peut aller loin en amitié, si on n'est pas disposé à se pardonner les uns aux autres les petits défauts.
www.eternal-vehicles.fr
Alain22
Habitué
Messages : 23
Enregistré le : 15/06/2017 17:32

Re: Lucas AS10...?????

Message non lu par Alain22 »

RE-re Merci L0L0.....
Je vais explorer tes pistes ...... toujours trés instructives..... :idea: :idea:
Le 12V est bien présent sur F7 , mesure prise aux deux bornes du fusibles claqué..... 12V franc....!!!! :oops:
Je penche moi aussi pour une masse (sauvage) entre fusible et connecteur de l'AS10.
Effectivement entre la batterie et l'AS10 il n'y QUE ce fusible et des fils jusqu'au connecteur...?!?!?!.... Je vais envoyer un lilliputien explorer cette forêt de cables..... :wink:
OK également pour le 30A (ABS), je vais le dévisser et le changer (une fois) et je vais voir...... (lui n'à PAS de 12V permanent aux bornes) j'ai peut-être une chance...!!!!! :mrgreen:
Bref........De quoi s'occuper..... sans oublier qu'UN fil c'est pour le linge, DEUX c'est de l'électricité et au dessus de DEUX c'est de l'électronique..... :D :D :D :D
Je t'informe de mes trouvailles dés que j'ai trouvé quelque chose de positif.....
A+ @lain
Le savoir n'a de valeur que s'il est transmis..... :D
Avatar du membre
LØLØ
Modérateur
Messages : 6210
Enregistré le : 30/07/2006 15:41
Localisation : guainville (28 )
Contact :

Re: Lucas AS10...?????

Message non lu par LØLØ »

Alain22 a écrit : OK également pour le 30A (ABS), je vais le dévisser et le changer (une fois) et je vais voir...... (lui n'à PAS de 12V permanent aux bornes) j'ai peut-être une chance...!!!!! :mrgreen:
Salut,
Fais toi un fusible réarmable, car les fusibles à visser, ce n'est plus aussi facile à trouver, ni le même prix. Vois cette inter: Clignotants HS et fusible qui saute
environ 5 euros sans les frais de port:
fusible à lame STC1760.jpg
Un simple disjoncteur de 20A chez le quincaillier du coin sans chercher le moins chère ni a faire de la récupération, il y en a pour 10 euros.
disjoncteur 20A.jpg
Sachant que visiblement, il y a de forte chance, pour que tu sacrifies ton premier fusible pour voir :mrgreen: ... Tu en es déjà a 10 euros... :mrgreen: Donc il faut mieux être sûr d'un total final à 15 euros, là au moins, tu maitrises les coûts globaux, alors que tu n'es pas à l’abri de grillé un paquet de fusibles avant de trouver l'origine du défaut en faisant plusieurs essais. De plus le fusible réarmable, peut-être salvateur par la suite et intégrer la caisse à outil pour les déboires électriques à venir, car Joseph LUCAS, c'est le prince of Darkness, comme on dit dans le métier. :wink:
A+
2 solutions: la bonne et l'Anglaise
LUCAS: Il n'y a pas de contact où il le faut et il y en a un où il ne faut pas
On ne peut aller loin en amitié, si on n'est pas disposé à se pardonner les uns aux autres les petits défauts.
www.eternal-vehicles.fr
Alain22
Habitué
Messages : 23
Enregistré le : 15/06/2017 17:32

Re: Lucas AS10...?????

Message non lu par Alain22 »

Merci pour tes retours d'expérience. ..... trés intéressant et très intéressé. ... :idea:
Je vais préparer un jeu de disjoncteurs , 20 et 30 A je pense que çà va être vite rentabilité :D :D :D
A+ @l@in
PS: je t'informerais des anomalies découvertes et surtout résolues..... enfin j'espère. .. :D
Le savoir n'a de valeur que s'il est transmis..... :D
Alain22
Habitué
Messages : 23
Enregistré le : 15/06/2017 17:32

Re: Lucas AS10...?????

Message non lu par Alain22 »

Hello.....L0L0....
Boitier fusibles satellite "visité".... RAS..... côté face.....
Je vais pousser mes investigations ''sous'' les fusibles si je peux trouver quelque chose de pas catholique ......au cas ou...... :shock:
WP_20170713_002.jpg
Batterie débranchée j'en ai profité pour "dé-huiler" la prise rouge de l'ECU moteur..... quel piége ces remontées (ou descentes) d'huile.....
Question stupide peut-être, mais je la pose quand même, si l'ECU était positionnée verticalement , avec les prises en bas, penses tu que ça limiterait les dégats de ces ''descentes'' d'huile...?????
-------------
Je vais continuer à chercher ou est cette masse qui me cause ce claquage du F7, sur le schéma il y a pourtant pas 36 possibilités. ....
tant que ça ne m'empêche pas de dormir tout va bien..... :D :D :D
A+ @l@in
Le savoir n'a de valeur que s'il est transmis..... :D
Avatar du membre
LØLØ
Modérateur
Messages : 6210
Enregistré le : 30/07/2006 15:41
Localisation : guainville (28 )
Contact :

Re: Lucas AS10...?????

Message non lu par LØLØ »

Alain22 a écrit : Batterie débranchée j'en ai profité pour "dé-huiler" la prise rouge de l'ECU moteur..... quel piége ces remontées (ou descentes) d'huile.....
Question stupide peut-être, mais je la pose quand même, si l'ECU était positionnée verticalement , avec les prises en bas, penses tu que ça limiterait les dégats de ces ''descentes'' d'huile...?
Je pense que c'est la pression d'huile moteur qui pousse l'huile qui provoque cette pseudo capillarité. Le sens de L'ECU ne changera rien à l'affaire. Le seul truc blocant c'est de couper le faisceau des injecteurs et de le ressouder ou d'intercaler un autre connecteur.
Il faudrait vérifier l'intérieur de l'ECU, pour contrôler qu'il n'est pas plein d'huile.
-------------
Je vais continuer à chercher ou est cette masse qui me cause ce claquage du F7, sur le schéma il y a pourtant pas 36 possibilités. ..
Oui, je suis curieux de voir ou de comprendre d'où cela peut provenir.
A+
2 solutions: la bonne et l'Anglaise
LUCAS: Il n'y a pas de contact où il le faut et il y en a un où il ne faut pas
On ne peut aller loin en amitié, si on n'est pas disposé à se pardonner les uns aux autres les petits défauts.
www.eternal-vehicles.fr
Alain22
Habitué
Messages : 23
Enregistré le : 15/06/2017 17:32

Re: Lucas AS10...?????

Message non lu par Alain22 »

Tu seras informé en priorité dés que j'aurais trouvé le pot aux roses.... :D :D :D
A tout hasard as-tu le brochage de la prise rouge de l'ECM , c'est la C0158, je pense.....
et surtout quelles sont les broches concernées par le faisceau des injecteurs.....????
D'après les schémas, je pense que c'est la 1-YP, 22-NB,23-NO,24-YR,25-Y,26-YN et 27-YU.... mais ......??????.........
Si tu as pas c'est pas grave......
Je tenterais bien d'insérer une boite de jonction entre les injecteurs et l'ECM, çà n'empéchera pas l'huile de circuler bien sûr, mais çà pourrait peut-être permettre de la ''stopper et de la stocker" avant qu'elle n'atteigne l'ECM... pourquoi pas.....!!!!!!! :idea:
Merci pour ton soutien. ....
A+ @l@in
Le savoir n'a de valeur que s'il est transmis..... :D
Avatar du membre
LØLØ
Modérateur
Messages : 6210
Enregistré le : 30/07/2006 15:41
Localisation : guainville (28 )
Contact :

Re: Lucas AS10...?????

Message non lu par LØLØ »

Salut,
Vois ce thème pour les brochages : viewtopic.php?p=89782#p89782 à la page 5.
A+
2 solutions: la bonne et l'Anglaise
LUCAS: Il n'y a pas de contact où il le faut et il y en a un où il ne faut pas
On ne peut aller loin en amitié, si on n'est pas disposé à se pardonner les uns aux autres les petits défauts.
www.eternal-vehicles.fr
Alain22
Habitué
Messages : 23
Enregistré le : 15/06/2017 17:32

Re: Lucas AS10...?????

Message non lu par Alain22 »

Merci L0L0.... c'est exactement ça que je voulais .....
Çà confirme mes relevés. ....
Je vais réfléchir à tout ça . ... à mon âge, ça prendra un peu plus de temps....... :D :D :D :D
Bon 14 Juillet......
A+ @l@in
Le savoir n'a de valeur que s'il est transmis..... :D
Alain22
Habitué
Messages : 23
Enregistré le : 15/06/2017 17:32

Re: Lucas AS10...?????

Message non lu par Alain22 »

Bonsoir L0L0....
Je reviens vers toi, ma prise C0061 de l'ECU AS10 vient d'être autopsiée....
--SI--, je dis bien --SI-- comme l'indique le schéma , la broche 25 doit être le +12V, moi, j'ai la masse... :oops: :oops:
Çà ne fait que confirmer mes soupçons de cette mise à la masse "sauvage"... et donc du claquage logique et inévitable du F7 ..... reste à trouver ou est ce 'bug'....
je vais essayer de suivre ce fil d'un bout à l'autre ..... :arrow: :arrow: :arrow: :arrow:
A tout hasard as-tu ''en magasin'' le détail des autres broches de cette prise....
J'ai un fil sur les broches: 1, 3, 5, 7, 9, 10, 14, 16, 17, 20, 25 et l'antenne en 26.
A quoi correspondent ces entrées /sorties ....?????? :?: :?:
Çà urge pas.....j'ai pas trouvé sur le forum, ou mal cherché....... bon week-end. ....merci d'avance :sm6: :sm6: :sm6:
A+ @l@in
Le savoir n'a de valeur que s'il est transmis..... :D
Avatar du membre
LØLØ
Modérateur
Messages : 6210
Enregistré le : 30/07/2006 15:41
Localisation : guainville (28 )
Contact :

Re: Lucas AS10...?????

Message non lu par LØLØ »

Alain22 a écrit : J'ai un fil sur les broches: 1, 3, 5, 7, 9, 10, 14, 16, 17, 20, 25 et l'antenne en 26.
A quoi correspondent ces entrées /sorties ...
Salut,
Oui, d'après les schémas, on arrive à retrouver ses petits. Les broches les plus compliquées à contrôler sont les broches de liaison série entre l'ECU et le boitier d'alarme, il faut soit un scope à mémoire, soit un analyseur, pas évident, et le faire dans les phases de communication donc quelques micro secondes après avoir mis ou enlevé le contact et cela pendant quelques micro seconde voir moins, je ne sais pas à quelle fréquence est cadencée le micro de l'ECU, ni même celui de l'AS10 d'ailleurs.
connecteur C0057 et C0061 TD5 1999.jpg
Je reviens vers toi, ma prise C0061 de l'ECU AS10 vient d'être autopsiée....
--SI--, je dis bien --SI-- comme l'indique le schéma , la broche 25 doit être le +12V, moi, j'ai la masse...
Effectivement, si connecteur C0061 enlevé tu trouves une masse, il y a un gros lézard, je dirais même plus! un varan de Komodo.
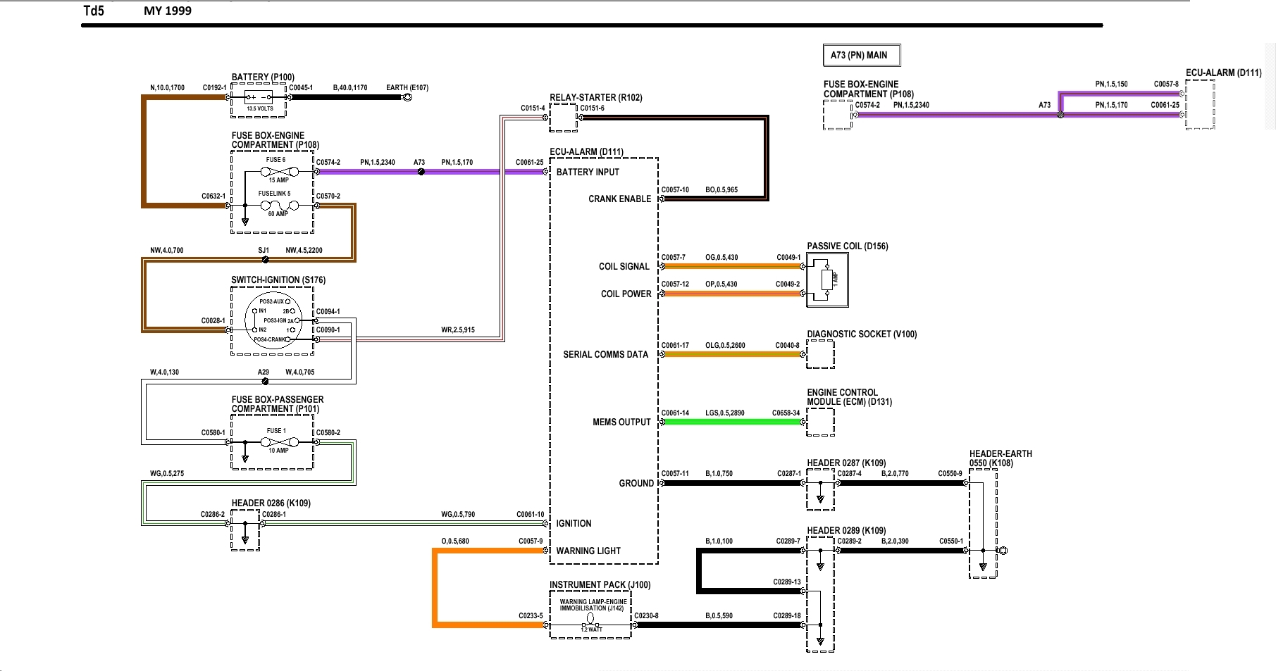
Sur le schéma, on peut voir qu'il y a une épissure repérée A73, dont le détail est rajouté en haut à droite du schéma, on peut voir qu'il arrive sur les deux connecteurs du boitier AS10, sur le connecteur gris C0061 broche 25, mais aussi sur le connecteur vert C0057 broche 8. Sinon, il te reste à dépiauter le faisceau entre l'AS10 et le fusible 6 de 15A du boitier auxiliaire. La question est par quel coté commencer je dirais le plus simple d’accès, avec le risque que la liaison a la masse se déconnecte lors de la manipulation, ensuite est-ce que cette liaison est sur la carrosserie, ou bien de fil à fil fondu, quelques part dans les torons de fils emmaillotés ?
Est ce que tout fonctionne sur le land ?
Schéma AS10 _ defender _ 03.jpg
Donc, pour contrôler la liaison indésirable à la masse, il faut bien enlever les deux connecteurs de l'AS10.
Une autre broche particulière a contrôler c'est la broche 1 de C0061 car au repos elle est a +12V et lorsque tu ouvres une porte, elle passe à la masse puis quand tu refermes la porte, au bout de quelques seconde elle remonte progressivement à 12V pour éteindre les plafonniers. Le plus simple est de la contrôler de visu, avec les plafonniers en ouvrant et fermant une porte.
Le reste des schémas afin éventuellement de pouvoir orienter les recherches.
Schéma de l' AS10 pour defender TD5 de 1999 à 2001.
1)
Schéma AS10 _ defender _ 01.jpg
2)
Schéma AS10 _ defender _ 02.jpg

Bon courage pour tes recherches.
A+
2 solutions: la bonne et l'Anglaise
LUCAS: Il n'y a pas de contact où il le faut et il y en a un où il ne faut pas
On ne peut aller loin en amitié, si on n'est pas disposé à se pardonner les uns aux autres les petits défauts.
www.eternal-vehicles.fr
Répondre

Retourner vers « Electricité • Electronique »