Pb de temporisation essuie glace sur disco 300 TDI

Bidouillages électriques, codes d'erreur ECU...

Modérateurs : LØLØ, The Pater

Règles du forum
En naviguant sur le site http://www.landroverfaq.com vous reconnaissez avoir lu ses Conditions d’Utilisation, vous déclarez les comprendre et vous acceptez d’y être lié de manière inconditionnelle. Si tel n'est pas le cas, merci de quitter immédiatement ce site.

Vous pouvez joindre autant d'images que nécessaire à vos messages A LA CONDITION EXPRESSE d'utiliser l'hébergement fourni par le site.

L'administrateur effacera systématiquement tout message contenant des photos hébergées chez Imageschack, Casimage, Wistiti ou tout autre hébergeur tiers sans sommation ni justification.
Avatar du membre
gb5978
Habitué
Messages : 51
Enregistré le : 22/03/2010 22:54
Localisation : 59670

Pb de temporisation essuie glace sur disco 300 TDI

Message non lu par gb5978 »

Bonjour,
Voici mon pb : la temporisation fonctionne mal, c'est à dire que les essuie-glaces s'arrêtent un peu n'importe comment au lieu de revenir en place. Il faut alors que j'appuie à nouveau sur le commodo pour qu'ils reviennent en place, et je dois doser cet appui si je ne veux pas que ça reparte pour un tour ou que ça s'arrête avant la position initiale.
Bref, un peu galère... :sm4:
Quelqu'un aurait-il une idée pour résoudre ce pb ?
Merci :wink:
Avatar du membre
nomansland
Habitué
Messages : 1745
Enregistré le : 08/12/2006 10:58
Localisation : sud 77

Re: Pb de temporisation essuie glace sur disco 300 TDI

Message non lu par nomansland »

Salut ; c'est sur quel véhicule ?
a+Stef
Avatar du membre
gb5978
Habitué
Messages : 51
Enregistré le : 22/03/2010 22:54
Localisation : 59670

Re: Pb de temporisation essuie glace sur disco 300 TDI

Message non lu par gb5978 »

Salut, Discovery 300 tdi, je l'avais précisé dans le titre :wink:
Avatar du membre
nomansland
Habitué
Messages : 1745
Enregistré le : 08/12/2006 10:58
Localisation : sud 77

Re: Pb de temporisation essuie glace sur disco 300 TDI

Message non lu par nomansland »

gb5978 a écrit :Salut, Discovery 300 tdi, je l'avais précisé dans le titre :wink:

Xcuses ! j'avais lu trop vite !!
Vu que c'est un dixo , il est facile de voire en levant le capot s'il n'y a pas trop de jeu dans la tringlerie , ou l'axe de sortie du moteur desserré ! Si non c'est un problème interne au moteur d'essuie-glace !!
a+stef
Avatar du membre
The Pater
Modérateur
Messages : 13966
Enregistré le : 25/08/2004 8:19
Localisation : 06°27'46"E 45°50'29"N

Re: Pb de temporisation essuie glace sur disco 300 TDI

Message non lu par The Pater »

je suis prêt à parier que c'est le même problème que j'ai eu..... si le moteur est le même que celui des Def.

Lire mon problème : viewtopic.php?f=21&t=2581

A+
Ingénieur :
Personne faisant un travail divinatoire de précision basé sur des informations peu fiables données par des personnes peu qualifiées, voire ignorantes.
=>, magicien, devin, sorcier
Avatar du membre
gb5978
Habitué
Messages : 51
Enregistré le : 22/03/2010 22:54
Localisation : 59670

Re: Pb de temporisation essuie glace sur disco 300 TDI

Message non lu par gb5978 »

Merci, je regarde ça et je vous tiens au courant
Avatar du membre
gb5978
Habitué
Messages : 51
Enregistré le : 22/03/2010 22:54
Localisation : 59670

Re: Pb de temporisation essuie glace sur disco 300 TDI

Message non lu par gb5978 »

Effectivement, ça semble être le même problème...
Je pense commander le contacteur de fin de course. Sinon comment tester le relai de temporisation ?
Avatar du membre
LØLØ
Modérateur
Messages : 6209
Enregistré le : 30/07/2006 15:41
Localisation : guainville (28 )
Contact :

Re: Pb de temporisation essuie glace sur disco 300 TDI

Message non lu par LØLØ »

gb5978 a écrit : Sinon comment tester le relai de temporisation ?
Salut,
Attend, avant de démonter le contact fin de course, fais un shunt sur le support de relais de temporisation, afin d'être sûr que ce ne soit pas le contact repos du relais interne qui soit HS.
shunt temporisation d'essuie glace.jpg
Normalement, la vitesse lente, la vitesse rapide et le retour automatique doivent être opérationnel, mais pas la temporisation et pas le pschitt avec les 4 ou 5 balayages automatique.
Si ce n'est pas le cas, alors c'est le relais de temporisation qui est HS.
Si tu n'as pas le retour automatique, il y a de forte chance que ce soit le contacteur fin de course ou le pion du bouton cassé.
Contrôle les fusibles, il est possible que celui d'un +12V après contact soit grillé vois si tu as d'autre fonction hors service sur le disco.
Mais...
Maintenant si tu as un disco 300 de dernière génération, il est possible que tu aies une unité multi fonction, (MFU).
C205 Disco unité multifonction.jpg
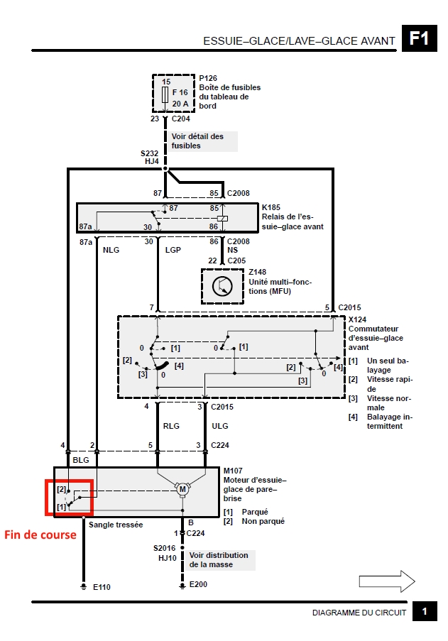
Dans ce cas la temporisation est intégré dans une platine électronique de gestion de la temporisation et d'un tas d'autre chose, dans ce cas, il n'est pas possible d'utiliser un shunt pour le contrôle de la temporisation. Mais tu peux quand même contrôler le relais K185.
schéma essuie-glace disco 300.jpg
schéma essuie-glace disco 300_02.jpg
schéma essuie-glace disco 300_03.jpg
a+
2 solutions: la bonne et l'Anglaise
LUCAS: Il n'y a pas de contact où il le faut et il y en a un où il ne faut pas
On ne peut aller loin en amitié, si on n'est pas disposé à se pardonner les uns aux autres les petits défauts.
www.eternal-vehicles.fr
Avatar du membre
gb5978
Habitué
Messages : 51
Enregistré le : 22/03/2010 22:54
Localisation : 59670

Re: Pb de temporisation essuie glace sur disco 300 TDI

Message non lu par gb5978 »

Je n'y vois pas grand chose... Mon disco est un 300 tdi de décembre 97.
Je suppose que le relai de temporisation devrait se trouver sous le volant, ici quelque part... :
20170722_170950.jpg
Je suppose également que le contact de fin de course devrait se situer dans le compartiment moteur, sous le pare brise, sous cette plaque :
20170722_170856.jpg
Avatar du membre
LØLØ
Modérateur
Messages : 6209
Enregistré le : 30/07/2006 15:41
Localisation : guainville (28 )
Contact :

Re: Pb de temporisation essuie glace sur disco 300 TDI

Message non lu par LØLØ »

gb5978 a écrit : Mon disco est un 300 tdi de décembre 97.
Salut,
Bon ben tu as une unité multi fonctions: Z148 comme sur la photo postée précédemment.
Je suppose que le relai de temporisation devrait se trouver sous le volant, ici quelque part... :
Non, sauf si tu as une conduire anglaise. C'est situé côté gauche me semble-t-il, mais je ne suis pas un pro du Disco.
Je suppose également que le contact de fin de course devrait se situer dans le compartiment moteur, sous le pare brise, sous cette plaque :
Oui, cela doit ressembler à un truc comme ça. Il faut sortir la plaque avec la tringlerie et le moteur qui forme un tout, il y a 6 ou 8 vis et les écrous des axes des bras a démonter. Le fin de course est sous le cache en plastique qui sur le carter de la roue dentée, là ou arrive les deux fils.
DSC_0992.JPG
A+
2 solutions: la bonne et l'Anglaise
LUCAS: Il n'y a pas de contact où il le faut et il y en a un où il ne faut pas
On ne peut aller loin en amitié, si on n'est pas disposé à se pardonner les uns aux autres les petits défauts.
www.eternal-vehicles.fr
Avatar du membre
gb5978
Habitué
Messages : 51
Enregistré le : 22/03/2010 22:54
Localisation : 59670

Re: Pb de temporisation essuie glace sur disco 300 TDI

Message non lu par gb5978 »

Merci pour ces précisions.
Tu vas dire que je vous casse les pieds avec mes questions, mais si c'était l'unité multi fonction qui était en cause, n'y aurait-il pas d'autres organes impactés ?
Avatar du membre
LØLØ
Modérateur
Messages : 6209
Enregistré le : 30/07/2006 15:41
Localisation : guainville (28 )
Contact :

Re: Pb de temporisation essuie glace sur disco 300 TDI

Message non lu par LØLØ »

gb5978 a écrit :Merci pour ces précisions.
Tu vas dire que je vous casse les pieds avec mes questions,

Salut,
Non, car les questions sont la raison d'être de ce forum. :D
mais si c'était l'unité multi fonction qui était en cause, n'y aurait-il pas d'autres organes impactés ?
Oui et non, si c'est la partie concernant uniquement la temporisation d'essuie glace peut-être pas. Maintenant tu peux essayer d'autre fonction pour voir. Genre: pschitt, balayage arrière, dégivrage, plafonnier... bref tout ce qui peut fonctionner avec une temporisation.
Vois la liste, et contrôle.
unité multifonctions (MFU).jpg
A+
NB: l'unité multi fonctions est fixé derrière la platine avec le relais rond que tu as mis en photo.
2 solutions: la bonne et l'Anglaise
LUCAS: Il n'y a pas de contact où il le faut et il y en a un où il ne faut pas
On ne peut aller loin en amitié, si on n'est pas disposé à se pardonner les uns aux autres les petits défauts.
www.eternal-vehicles.fr
Avatar du membre
gb5978
Habitué
Messages : 51
Enregistré le : 22/03/2010 22:54
Localisation : 59670

Re: Pb de temporisation essuie glace sur disco 300 TDI

Message non lu par gb5978 »

LØLØ a écrit :
gb5978 a écrit :Merci pour ces précisions.
Tu vas dire que je vous casse les pieds avec mes questions,

Salut,
Non, car les questions sont la raison d'être de ce forum. :D
mais si c'était l'unité multi fonction qui était en cause, n'y aurait-il pas d'autres organes impactés ?
Oui et non, si c'est la partie concernant uniquement la temporisation d'essuie glace peut-être pas. Maintenant tu peux essayer d'autre fonction pour voir. Genre: pschitt, balayage arrière, dégivrage, plafonnier... bref tout ce qui peut fonctionner avec une temporisation.
Vois la liste, et contrôle.
unité multifonctions (MFU).jpg
A+
Toutes les autres fonctions (que la temporisation) ont l'air d'être OK.

Ceci dit, j'ai testé le MFU selon la procédure que tu m'a donnée : au point n°4, le MFU émet bien les 2 bips au début du test, mais je n'ai pas le temps de tester tous les commutateurs, le MFU sort du mode diagnostic dès le 1er ou 2e commutateur testé...
S'il faut les tester dans l'ordre indiqué, le 1er à tester est "dégivrage du pare brise". Est-ce la même chose que le dégivrage de la lunette AR ?

PS : comment activer le lave phare ? je ne trouve pas le bouton qui le permet... C'est avec le test du MFU que j'ai découvert que la fonction lave phare était possible... :oops: (j'avais bien vu les lave phares mais je ne pensais pas qu'ils étaient fonctionnels...)
Modifié en dernier par gb5978 le 23/07/2017 12:58, modifié 1 fois.
Avatar du membre
gb5978
Habitué
Messages : 51
Enregistré le : 22/03/2010 22:54
Localisation : 59670

Re: Pb de temporisation essuie glace sur disco 300 TDI

Message non lu par gb5978 »

Bon, je pense avoir trouvé le pb...
20170723_124446.jpg
On dirait bien que ça a brulé, et certains fils fondu...
Vous voyez la suite comment ?
Avatar du membre
LØLØ
Modérateur
Messages : 6209
Enregistré le : 30/07/2006 15:41
Localisation : guainville (28 )
Contact :

Re: Pb de temporisation essuie glace sur disco 300 TDI

Message non lu par LØLØ »

Salut,
C'est clairement les contacts du connecteur qui se sont oxydé. Cela provoque une résistance de contact a la liaison des cosses mal femelles. Cette résistance de contact devient chauffante avec le courant, comme un allume cigare et fini par fondre le plastique du connecteur et l'isolant des fils, ce qui provoque des court-circuits ou des coupures de liaison.
gb5978 a écrit : Vous voyez la suite comment ?
Le plus simple, tout couper au plus long, et remplacer les connecteurs male/femelle par des liaisons soudées et isolées, avec de la gaine isolante thermorétractable.
Le moins simple, trouver le connecteur coté faisceau avec 5 ou 10 cm de fil et le ressouder de la même façon que précédemment. Le connecteur male coté essuie-glace à l'air correct, mais tu pourras juger ça plus précisément en séparant les deux si c'est possible.
Tu peux aussi sertir les fils entre eux avec une pince et une cosse de liaison prévue a cette effet.
Le problème de ce connecteur, c'est que la dimension des cosses, sont juste légèrement plus petites que le standard à 6.35, donc on ne peut pas mettre les cosses femelles courantes d'un coté directement dans le connecteur mâle du coté moteur.
Il faut bien appuyer sur la clef ou l'ergot de verrouillage pour les séparer, la séparation peut être difficile avec la fonte du connecteur.
Connecteur mâle coté moteur d'essuie glace:
DSC_0997.JPG
Dans ton malheur, cette panne est réconfortante, car le machin multifonction, voir même le contacteur de fin de course sont plus galère à solutionner.
A+
2 solutions: la bonne et l'Anglaise
LUCAS: Il n'y a pas de contact où il le faut et il y en a un où il ne faut pas
On ne peut aller loin en amitié, si on n'est pas disposé à se pardonner les uns aux autres les petits défauts.
www.eternal-vehicles.fr
Avatar du membre
gb5978
Habitué
Messages : 51
Enregistré le : 22/03/2010 22:54
Localisation : 59670

Re: Pb de temporisation essuie glace sur disco 300 TDI

Message non lu par gb5978 »

Je pense avoir eu de la chance de trouver ce court circuit car en ouvrant le compartiment du moteur d'essuie glace, je cherchais le contacteur de fin de course...
J'ai coupé et branché en direct.
Voici l'état dans lequel étaient les câbles :
20170723_143302.jpg
La mauvaise nouvelle... ça n'a pas résolu mon pb :?
Quelqu'un pourrait-il me dire où se trouve le contacteur de fin de course sur mon 300 tdi de fin 97 ? A moins qu'il n'existe pas et que ce soit le MFU qui gère ça...
Le MFU se trouve-t-il derrière le porte fusibles, à gauche de la colonne de direction ?

Autre question : le court circuit que je viens de trouver est-il susceptible d'avoir un lien avec le fait que j'avais un fusible qui sautait de temps en temps, celui de l'allume cigare (même si en posant la question, je me doute un peu de votre réponse...) :roll:
Avatar du membre
LØLØ
Modérateur
Messages : 6209
Enregistré le : 30/07/2006 15:41
Localisation : guainville (28 )
Contact :

Re: Pb de temporisation essuie glace sur disco 300 TDI

Message non lu par LØLØ »

gb5978 a écrit : Quelqu'un pourrait-il me dire où se trouve le contacteur de fin de course sur mon 300 tdi de fin 97 ?
Salut,
:mrgreen: regarde ta photo, il est dessus.

INTER FIN DE COURSE DISCO 300TDI.jpg
Autre question : le court circuit que je viens de trouver est-il susceptible d'avoir un lien avec le fait que j'avais un fusible qui sautait de temps en temps, celui de l'allume cigare (même si en posant la question, je me doute un peu de votre réponse...) :roll:
Oui, cela pourrait être possible si les fils se touchent dans le faisceau, sur une masse fondu, mais bon a priori il n'y a pas de lien entre les deux fusibles, sinon qu'ils font tous les deux 20A. Vois la comparaison des schémas, l'un dépend du fusible 6 et l'autre du 16
allume cigare et fin de course.png
Le MFU se trouve-t-il derrière le porte fusibles, à gauche de la colonne de direction ?
Oui appartement, c'est cela la photo du descriptif montre un land avec la conduite anglaise, ce qui ma fait dir dans un premier temps qu'il est du coté gauche. Mais c'est bien par rapport à la colonne de direction qu'il faut se fier comme décrit dans une inter précédente.
A+
2 solutions: la bonne et l'Anglaise
LUCAS: Il n'y a pas de contact où il le faut et il y en a un où il ne faut pas
On ne peut aller loin en amitié, si on n'est pas disposé à se pardonner les uns aux autres les petits défauts.
www.eternal-vehicles.fr
Avatar du membre
gb5978
Habitué
Messages : 51
Enregistré le : 22/03/2010 22:54
Localisation : 59670

Re: Pb de temporisation essuie glace sur disco 300 TDI

Message non lu par gb5978 »

Le souci c'est qu'il a l'air d'être serti dedans... :?
20170723_184817.jpg
ça n'a pas l'air d'être le même modèle que vous... ?

Est-ce que je dois faire sauter les sorte de rivets ou bien je suis bon à trouver un autre moteur d'essuie glace ?
Avatar du membre
LØLØ
Modérateur
Messages : 6209
Enregistré le : 30/07/2006 15:41
Localisation : guainville (28 )
Contact :

Re: Pb de temporisation essuie glace sur disco 300 TDI

Message non lu par LØLØ »

gb5978 a écrit :Le souci c'est qu'il a l'air d'être serti dedans... :?
Salut,
Ah? peut-être qu'il est clipsé et qu'il est possible de le glisser d'un coté ou de l'autre pour l'extraire. Est-ce que par transparence, en mettant une lumiere dessus tu ne pourrais pas voir ou deviner ce qui se passe à l’intérieur et évaluer si une lame est cassée ou pas?
20170723_184817.jpg
ça n'a pas l'air d'être le même modèle que vous... ?
Certes, c'est l'occasion de découvrir, car ici c'est une première sur un disco.
Est-ce que je dois faire sauter les sortes de rivets ou bien je suis bon à trouver un autre moteur d'essuie glace ?
Oui, si tu n'arrives pas à le glisser en le soulevant légèrement. Dans ce cas prévois des vis auto foreuses ou des rivets pour refermer.
Est ce que tu peux tester le contacteur avec un ohmmètre, pour diverses positions en faisant tourner légèrement le moteur pour voir si a un moment donné il dé-commute. Car il y a contact tant que le moteur n'est pas en position initiale, et en position initial le contact s'ouvre ce qui interrompt l'alimentation résiduel du moteur.
A+
2 solutions: la bonne et l'Anglaise
LUCAS: Il n'y a pas de contact où il le faut et il y en a un où il ne faut pas
On ne peut aller loin en amitié, si on n'est pas disposé à se pardonner les uns aux autres les petits défauts.
www.eternal-vehicles.fr
Avatar du membre
gb5978
Habitué
Messages : 51
Enregistré le : 22/03/2010 22:54
Localisation : 59670

Re: Pb de temporisation essuie glace sur disco 300 TDI

Message non lu par gb5978 »

Voici ce qu'on a une fois ouvert...
20170724_104436.jpg
Est-ce normal toute cette graisse, même au niveau des contacts du contacteur de fin de course ?
Lolo, tu vois quelque chose d'anormal là-dedans ?
Répondre

Retourner vers « Electricité • Electronique »