Bonjour, le LAND que je viens d'acheter est un vrais purin il y a des câbles de rajoutés de tous les cotés, je voudrais remettre ça au propre et un câble a cramé je voudrais le changer. Es ce que quelqu'un sait comment démonter les cosses du boitier à fusible, j'ai essayé d'enlever les barrettes rouge mais je n'y suis pas arrivé et je n'ai rien voulu casser.
Merci.
démonter cosses sur boitier fusible 200 tdi
Règles du forum
En naviguant sur le site http://www.landroverfaq.com vous reconnaissez avoir lu ses Conditions d’Utilisation, vous déclarez les comprendre et vous acceptez d’y être lié de manière inconditionnelle. Si tel n'est pas le cas, merci de quitter immédiatement ce site.
Vous pouvez joindre autant d'images que nécessaire à vos messages A LA CONDITION EXPRESSE d'utiliser l'hébergement fourni par le site.
L'administrateur effacera systématiquement tout message contenant des photos hébergées chez Imageschack, Casimage, Wistiti ou tout autre hébergeur tiers sans sommation ni justification.
En naviguant sur le site http://www.landroverfaq.com vous reconnaissez avoir lu ses Conditions d’Utilisation, vous déclarez les comprendre et vous acceptez d’y être lié de manière inconditionnelle. Si tel n'est pas le cas, merci de quitter immédiatement ce site.
Vous pouvez joindre autant d'images que nécessaire à vos messages A LA CONDITION EXPRESSE d'utiliser l'hébergement fourni par le site.
L'administrateur effacera systématiquement tout message contenant des photos hébergées chez Imageschack, Casimage, Wistiti ou tout autre hébergeur tiers sans sommation ni justification.
- le gaulois
- Habitué
- Messages : 34
- Enregistré le : 01/11/2014 19:12
démonter cosses sur boitier fusible 200 tdi
Il n'y a que les cons qui ne changent pas d'avis
- LØLØ
- Modérateur
- Messages : 6210
- Enregistré le : 30/07/2006 15:41
- Localisation : guainville (28 )
- Contact :
Re: démonter cosses sur boitier fusible 200 tdi
Salut,
Si tu parles d'un 200 avec un boitier à fusible avec des barrettes rouges, alors il s'agit d'un Disco, heuuu... de 1991
. Oui il faut arriver à tirer sur les barrettes rouges pour libérer les cosses.
Éventuellement si tu n'y arrives pas sans tout cassé (cas si certaine cosses ont chauffées), tu peux déplacer les fils du fusible dont la cosse est cassé sur un autre emplacement du moment que la section des fils est respectée.
Tu coupes les fils de la cosse du support de fusible sains suffisamment long, pour pouvoir y raccordé ceux du support cassé.
A+
Si tu parles d'un 200 avec un boitier à fusible avec des barrettes rouges, alors il s'agit d'un Disco, heuuu... de 1991
Éventuellement si tu n'y arrives pas sans tout cassé (cas si certaine cosses ont chauffées), tu peux déplacer les fils du fusible dont la cosse est cassé sur un autre emplacement du moment que la section des fils est respectée.
Tu coupes les fils de la cosse du support de fusible sains suffisamment long, pour pouvoir y raccordé ceux du support cassé.
A+
2 solutions: la bonne et l'Anglaise
LUCAS: Il n'y a pas de contact où il le faut et il y en a un où il ne faut pas
On ne peut aller loin en amitié, si on n'est pas disposé à se pardonner les uns aux autres les petits défauts.
www.eternal-vehicles.fr
LUCAS: Il n'y a pas de contact où il le faut et il y en a un où il ne faut pas
On ne peut aller loin en amitié, si on n'est pas disposé à se pardonner les uns aux autres les petits défauts.
www.eternal-vehicles.fr
- le gaulois
- Habitué
- Messages : 34
- Enregistré le : 01/11/2014 19:12
Re: démonter cosses sur boitier fusible 200 tdi
Merci Lolo,il me semblait que c'était la seule solution. En fait le circuit électrique est tellement bidouillé de partout et n'importe comment que je vais remplacer certain faisceau vu que j'ai le même en stocke. Sinon je ferais le plus propre possible. L'intérieure est complétement enlevé, il y a une prise sur l’arrière droit sais tu à quoi elle sert.
. J'ai tous les schéma de câblage je pourrais chercher mais par la même occasion si tu le sais sans que cela te fasse perdre du temps je prends sinon je chercherais.
Merci une fois de plus. Et à bientôt j'ai tous le système de chauffage à remplacer et à mon avis je vais pas rire
Merci une fois de plus. Et à bientôt j'ai tous le système de chauffage à remplacer et à mon avis je vais pas rire
Il n'y a que les cons qui ne changent pas d'avis
- LØLØ
- Modérateur
- Messages : 6210
- Enregistré le : 30/07/2006 15:41
- Localisation : guainville (28 )
- Contact :
Re: démonter cosses sur boitier fusible 200 tdi
Salut,
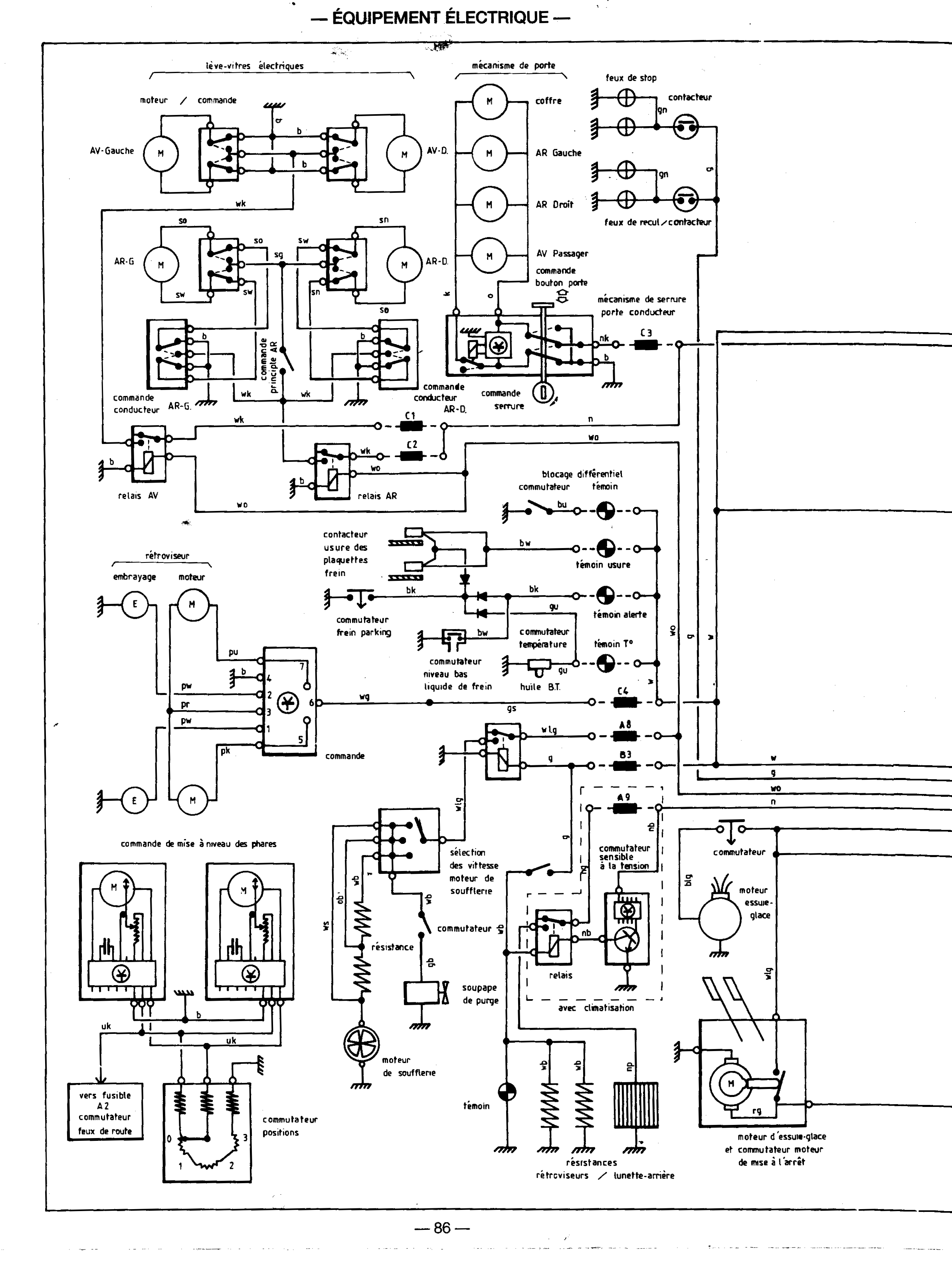
La fiche est probablement le connecteur de la prise remorque 7 broches. Avec dessus les couleurs des fils correspondant aux feux : vert/rouge (clign G); rouge/jaune (anti B); noir (masse); vert/blanc (clign D); rouge /orange (veil D); vert/violet (stop); rouge/noir (veil G).
Souvent pour les disco 200 ils sont relativement plus compliquer à trouver car à l’époque, les supports étaient en papier ou en micro fiches.
Ceux là ne sont pas d'origine land rover, et pas d'une clarté extraordinaire, mais ils présentent l'avantage de tenir sur 2 feuilles. A+
La fiche est probablement le connecteur de la prise remorque 7 broches. Avec dessus les couleurs des fils correspondant aux feux : vert/rouge (clign G); rouge/jaune (anti B); noir (masse); vert/blanc (clign D); rouge /orange (veil D); vert/violet (stop); rouge/noir (veil G).
Tu voulais dire, je n'ai pas tous les...le gaulois a écrit : J'ai tous les schémas de câblage.../... je prends sinon je chercherais.
Souvent pour les disco 200 ils sont relativement plus compliquer à trouver car à l’époque, les supports étaient en papier ou en micro fiches.
Ceux là ne sont pas d'origine land rover, et pas d'une clarté extraordinaire, mais ils présentent l'avantage de tenir sur 2 feuilles. A+
2 solutions: la bonne et l'Anglaise
LUCAS: Il n'y a pas de contact où il le faut et il y en a un où il ne faut pas
On ne peut aller loin en amitié, si on n'est pas disposé à se pardonner les uns aux autres les petits défauts.
www.eternal-vehicles.fr
LUCAS: Il n'y a pas de contact où il le faut et il y en a un où il ne faut pas
On ne peut aller loin en amitié, si on n'est pas disposé à se pardonner les uns aux autres les petits défauts.
www.eternal-vehicles.fr
- le gaulois
- Habitué
- Messages : 34
- Enregistré le : 01/11/2014 19:12
Re: démonter cosses sur boitier fusible 200 tdi
Je me suis absenté un peu. Merci Lolo tu es vraiment une bible, je me doutais que cela ne pouvait être que ça car en fait sur mon autre 200 je ne me souvenais pas d'avoir une prise libre comme celle si. En fait sur celui si, l'ancien proprio a fait un branchement de la prise remorque à la sauvage, ça fonctionne mais c'est crade, je vais le refaire.
Merci.
Cette semaine si tout va bien je change la pompe de gavage, je refais la vidange car le niveau d'huile monte, le niveau d'eau ne bouge pas donc après lecture du postes sur la pompe je la change.
je vérifie la sonde de température et le calorsta car la jauge de température ne monte pratiquement pas en température,une fois que c'est fait je démonte le tableau de bord pour remettre un chauffage d'origine car le chauffage de remplacement qui a été mis peut être à l'origine de mauvais fonctionnement du système de refroidissement, je ferais des photos,
je change le neiman qui a cédé pendant les fêtes.
Merci.
Cette semaine si tout va bien je change la pompe de gavage, je refais la vidange car le niveau d'huile monte, le niveau d'eau ne bouge pas donc après lecture du postes sur la pompe je la change.
je vérifie la sonde de température et le calorsta car la jauge de température ne monte pratiquement pas en température,une fois que c'est fait je démonte le tableau de bord pour remettre un chauffage d'origine car le chauffage de remplacement qui a été mis peut être à l'origine de mauvais fonctionnement du système de refroidissement, je ferais des photos,
je change le neiman qui a cédé pendant les fêtes.
Il n'y a que les cons qui ne changent pas d'avis