Defender : réfection du radiateur de chauffage
Règles du forum
En naviguant sur le site http://www.landroverfaq.com vous reconnaissez avoir lu ses Conditions d’Utilisation, vous déclarez les comprendre et vous acceptez d’y être lié de manière inconditionnelle. Si tel n'est pas le cas, merci de quitter immédiatement ce site.
Vous pouvez joindre autant d'images que nécessaire à vos messages A LA CONDITION EXPRESSE d'utiliser l'hébergement fourni par le site.
L'administrateur effacera systématiquement tout message contenant des photos hébergées chez Imageschack, Casimage, Wistiti ou tout autre hébergeur tiers sans sommation ni justification.
En naviguant sur le site http://www.landroverfaq.com vous reconnaissez avoir lu ses Conditions d’Utilisation, vous déclarez les comprendre et vous acceptez d’y être lié de manière inconditionnelle. Si tel n'est pas le cas, merci de quitter immédiatement ce site.
Vous pouvez joindre autant d'images que nécessaire à vos messages A LA CONDITION EXPRESSE d'utiliser l'hébergement fourni par le site.
L'administrateur effacera systématiquement tout message contenant des photos hébergées chez Imageschack, Casimage, Wistiti ou tout autre hébergeur tiers sans sommation ni justification.
Re: Defender : réfection du radiateur de chauffage
Salut!
Vu l'age du bestiau, je pense que la gaine est usée sur toute sa longueur (usure due plus aux vibrations qu'à l'usage du chauffage).Donc, comme il ne coulisse pas en ligne droite, le cable perd un peu de déplacement à chaque virage.Je pense qu'il y a trop de jeu entre le cable et la gaine et que tu rattrappe ce jeu en tirant sur le cable.
Vu l'age du bestiau, je pense que la gaine est usée sur toute sa longueur (usure due plus aux vibrations qu'à l'usage du chauffage).Donc, comme il ne coulisse pas en ligne droite, le cable perd un peu de déplacement à chaque virage.Je pense qu'il y a trop de jeu entre le cable et la gaine et que tu rattrappe ce jeu en tirant sur le cable.
" Quand le sage montre la lune; l'idiot regarde son doigt "
- nanard833
- Habitué
- Messages : 3989
- Enregistré le : 10/10/2009 20:18
- Localisation : disco 300TDI 431000 bornes
Re: Defender : réfection du radiateur de chauffage
Salut,
cette histoire de course de volet de chauffage me fait penser aux soucis que l'on peut rencontrer avec les changements de vitesse sur un vélo
Au bout d'un certain temps (tous les 2 ans en moyenne, suivant l'usage du vélo), on ne parvient plus à régler l'indexeur correctemment, il faut changer gaine et câble.
Certes, la précision dans le réglage d'un indexeur est plus importante que dans le volet de chauffage d'un Land mais le principe est le même.
Enfin, pas tout à fait
car dans dans ton cas, tu n'as pas un câble, mais un "fils de fer"
qui travaille à la poussée comme à la traction doublant ainsi le jeu potentiel du "fil de fer" dans sa gaine.
Tu vois ce qui te reste à faire
A+
cette histoire de course de volet de chauffage me fait penser aux soucis que l'on peut rencontrer avec les changements de vitesse sur un vélo
Au bout d'un certain temps (tous les 2 ans en moyenne, suivant l'usage du vélo), on ne parvient plus à régler l'indexeur correctemment, il faut changer gaine et câble.
Certes, la précision dans le réglage d'un indexeur est plus importante que dans le volet de chauffage d'un Land mais le principe est le même.
Enfin, pas tout à fait
Tu vois ce qui te reste à faire
A+
Gratter la botte ne soulage guère quand ça démange à l'intérieur (proverbe chinois)
-
acrevindiou
- Habitué
- Messages : 20
- Enregistré le : 26/02/2012 16:46
Re: Defender : réfection du radiateur de chauffage
Bonjour,
Un énorme merci pour celui qui a réalisé ce reportage !!!!
Mon chauffage était complètement bloqué et grippé et tourne depuis hier soir du tonnerre de feu !
Merci !
Alain
Un énorme merci pour celui qui a réalisé ce reportage !!!!
Mon chauffage était complètement bloqué et grippé et tourne depuis hier soir du tonnerre de feu !
Merci !
Alain
- LØLØ
- Modérateur
- Messages : 6208
- Enregistré le : 30/07/2006 15:41
- Localisation : guainville (28 )
- Contact :
Re: Defender : réfection du radiateur de chauffage
Salut,acrevindiou a écrit :Bonjour,
Un énorme merci pour celui qui a réalisé ce reportage !!!!
Alain
Bienvenue.
Ce "reportage" est une belle œuvre collective assez complète qui s’étale dans le temps du 03/2006 au 07/2011. Dans la plus pur ligne de ce que les instigateurs du site souhaitaient:
Cela fait du bien de revoir les fondamentaux...[color=#FF0000]Mauresque[/color] a écrit :landroverfaq.com à pour but – d’une part - de mettre à la disposition des passionnés de véhicules de la marque Land Rover un espace de discussion et d’échanges concernant l’entretien, la réparation, la transformation, l’amélioration et de façon générale toute intervention mécanique, électrique, électronique portant sur un véhicule de la marque et – d’autre part – de favoriser par la synthèse de ses échanges la création d’une base de connaissance mécanique aussi exhaustive que possible sur l’ensemble des véhicule produits par Land Rover depuis les origines de la marque jusqu'à nos jours.
Merci à lui
A+
2 solutions: la bonne et l'Anglaise
LUCAS: Il n'y a pas de contact où il le faut et il y en a un où il ne faut pas
On ne peut aller loin en amitié, si on n'est pas disposé à se pardonner les uns aux autres les petits défauts.
www.eternal-vehicles.fr
LUCAS: Il n'y a pas de contact où il le faut et il y en a un où il ne faut pas
On ne peut aller loin en amitié, si on n'est pas disposé à se pardonner les uns aux autres les petits défauts.
www.eternal-vehicles.fr
-
alain vilet
- Messages : 8
- Enregistré le : 24/06/2011 13:08
Re: Defender : réfection du radiateur de chauffage
Un grand merci à tous.
Le ventilo du chauffage ne tournait plus.
On a suivi les conseils donnés et on a trouvé que le moteur tournait, donc problème à la manette!
La masse était détachée!
Cel remarchez nickel!
Une bonne heure et c'était réglé!
Alain
Le ventilo du chauffage ne tournait plus.
On a suivi les conseils donnés et on a trouvé que le moteur tournait, donc problème à la manette!
La masse était détachée!
Cel remarchez nickel!
Une bonne heure et c'était réglé!
Alain
Re: Defender : réfection du radiateur de chauffage
Je repasse sur le topic et je me rend compte que personne, eh oui PERSONNE!Alexios a écrit :
2/ Comment ça fonctionne ?
Très simplement …Mais encore ?
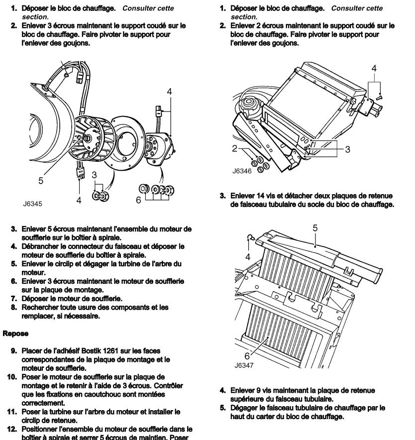
A gauche du bloc d'instruments du tableau de bord, nous avons un boîtier rapporté (attention aux vis, ce truc casse pour moins qu’il faut pour le dire) qui contient deux leviers, celui de gauche régule la température d'air admis (chaud/froid) et celui de droite l'endroit où nous souhaiterions que cet air soit dirigée (vers le pare-brise ou vers les pieds). A droite du block d'instruments on trouve une autre boîte (rapportée aussi, attention aux vis, ce truc casse pour moins qu’il faut pour le dire bis), qui contient un levier qui lui régule la quantité d'air admis, ainsi que les vitesses de pulsation du moteur. Il y a deux vitesses en réalité alors que dans le manuel ils en décrivent trois, à savoirRemarquez l'humour anglais, ils ajoutent qu'il existe même une position de recyclage ... No comment.
- pas d'air pulsée
- air faiblement pulsée
- air puissamment pulsée
Les deux premières fonctions (qualité et quantité), sont contenues dans une boîte qui se trouve dans le compartiment moteur du Land, coté passager s'il s'agit d'un LHD. La troisième (direction) se trouve t'elle derrière le tableau de bord et ne nous concerne pas ici (lisez : ne me posez pas des questions la dessus ...)
A noter, que ce reportage fut effectué sur un Land Rover One Ten de 1989. Il se peut, qu'en fonction des années modèle certaines pièces risquent de ne pas être exactement les mêmes, mais je pense que le principe de fonctionnement et de montage doit rester sensiblement identique. (je ne garantis pas que pour les Td5, un coup de test book ne sera pas nécessaire afin de réinitialiser le système)
Venant de faire un tour dans les entrailles du 130 à la recherche d'un "petit problème électrique" qui m'a gonflé depuis quelques années, je me suis démonté le tableau de bord (enfin raté le pb électrique du père Lucas n'y était pas caché
au bout de dizaines de vis pour tout démonter, rien que 19 pour la tôle du caisson inférieur, on tombe sur un volume creux que l'on aperçoit sur la photo posé par Alexios, où la répartition est simplement faite par deux petits volet que l'on aperçoit qui vienne obstruer les deux trous qui sont sous le tableau de bord. Sur la photo le volet est quasiment en position tout vers le bas, les départs vers le pare brise ne sont jamais occultés. Le système fonctionne sur le principe que la nature est fainéante et que les fluides passent par le chemin le plus facile sans se faire suer à faire des kilomètres . Par contre en position désembuage les volets sont plaqués sur les orifices inférieurs et là l'air n'a d'autre issue que de remonter les gaines et de lécher le parebrise pour faire fondre la glace.
La commande de ces volets se fait à partir du levier de droite du bloc de commande situé à gauche du combiné d'instruments
qui actionne une corde à piano qui reste derrière les compteur et rentre dans le caisson derrière la buse désembuage gauche. Par contre si un jour cette commande casse bonjour la galère, il faut désosser le tableau de bord pour dévisser le serre câble situé sur le volet de gauche à l'intérieur du caisson - LØLØ
- Modérateur
- Messages : 6208
- Enregistré le : 30/07/2006 15:41
- Localisation : guainville (28 )
- Contact :
Re: Defender : réfection du radiateur de chauffage
Salut,Ze Fifi a écrit : Je repasse sur le topic et je me rend compte que personne, eh oui PERSONNE!n'a à ce jour, levé un coin du voile sur le mystère de la répartition du fluide, que dis je, la fraîche bise qui nous rafraîchit lors de la traversé de l'enfer
ou le Sirocco qui sent le sable chaud des grands espaces au cœur du plus rude des hivers!
Ah ? Oui tiens, une des rares fois ou on a abordé le sujet ici, c'était pour supprimer ce système, vois ce thème Defender TD5 & chauffage autonome
Ah ? de quel ordre, est ce c'est résolu ?Venant de faire un tour dans les entrailles du 130 à la recherche d'un "petit problème électrique" qui m'a gonflé depuis quelques années,
Après ça on va nous dire qu'un land n'est pas écologique, biodégradable comme il est ? Pfffde me rendre compte que la biodégradation commençait à grignoter le gros (fichues voitures vertes qui retournent à mère nature toutes seules!) et de visiter les bas fonds du tableau de bord.
Chaud vers le haut, petits clapets fermés. Chaud vers le bas, clapets ouverts, il y a quand même une fuite d'air chaud vers le haut. Le principe a été amélioré a partir du TD5, car dans cette position de départ vers le haut est fermé. A+La commande de ces volets se fait à partir du levier de droite du bloc de commande situé à gauche du combiné d'instrumentsqui actionne une corde à piano qui reste derrière les compteur et rentre dans le caisson derrière la buse désembuage gauche.
2 solutions: la bonne et l'Anglaise
LUCAS: Il n'y a pas de contact où il le faut et il y en a un où il ne faut pas
On ne peut aller loin en amitié, si on n'est pas disposé à se pardonner les uns aux autres les petits défauts.
www.eternal-vehicles.fr
LUCAS: Il n'y a pas de contact où il le faut et il y en a un où il ne faut pas
On ne peut aller loin en amitié, si on n'est pas disposé à se pardonner les uns aux autres les petits défauts.
www.eternal-vehicles.fr
Re: Defender : réfection du radiateur de chauffage
Salut,
Une question : peut-on, sur un def 300 Tdi, remplacer le radiateur sans tomber tout le bloc chauffage ?
Sur les photos de radiateur qu'on trouve sur le net, il ne semble qu'il n'y ait que les deux fixations sur le haut. Si on les dévisse, une extraction "verticale" est-elle possible ?
A+
Une question : peut-on, sur un def 300 Tdi, remplacer le radiateur sans tomber tout le bloc chauffage ?
Sur les photos de radiateur qu'on trouve sur le net, il ne semble qu'il n'y ait que les deux fixations sur le haut. Si on les dévisse, une extraction "verticale" est-elle possible ?
A+
- LØLØ
- Modérateur
- Messages : 6208
- Enregistré le : 30/07/2006 15:41
- Localisation : guainville (28 )
- Contact :
Re: Defender : réfection du radiateur de chauffage
Salut,pascal30 a écrit :Salut,
Une question : peut-on, sur un def 300 Tdi, remplacer le radiateur sans tomber tout le bloc chauffage ?
Sur les photos de radiateur qu'on trouve sur le net, il ne semble qu'il n'y ait que les deux fixations sur le haut.
Si tu regardes bien les photos sur le net tu verras qu'a partir du 300, il y a une dizaine de petites vis cruciformes qui tiennent une plaque de verrouillage. Le problème, c'est d’attraper toutes celles, entre le tablier et le bloc chauffage, avec une pince ou un cruciforme coudé ou une mini clef à cliquet ou... Vois aussi ce thème ou il y a d'autres photos.Commande de soufflerie sur defender. dont une vers la fin en page 2 en vue dessus.
Je ne sais pas de quelle vis tu parles quand tu dis qu'il n'y en a que 2. Il y a 4 vis de treize pour tenir le bloc chauffage les deux du haut, tiennent par des filetages rapportés dans le tablier, les deux du bas ont un écrou dans les pieds du passagers.
Les deux vis du haut: Les deux vis du bas, coté moteur, il y a des rondelles et des écrous.
Si c'est de ces 4 vis là dont tu parles, oui, sans problème, le radiateur de chauffage sort par le haut, il faut enlever les durites, et peut-être même qu'il sortirait sans avoir besoin de les dévisser, à confirmer, mais je serais prêt à parier une bière.Si on les dévisse, une extraction "verticale" est-elle possible ?
A+
2 solutions: la bonne et l'Anglaise
LUCAS: Il n'y a pas de contact où il le faut et il y en a un où il ne faut pas
On ne peut aller loin en amitié, si on n'est pas disposé à se pardonner les uns aux autres les petits défauts.
www.eternal-vehicles.fr
LUCAS: Il n'y a pas de contact où il le faut et il y en a un où il ne faut pas
On ne peut aller loin en amitié, si on n'est pas disposé à se pardonner les uns aux autres les petits défauts.
www.eternal-vehicles.fr
Re: Defender : réfection du radiateur de chauffage
Effectivement, j'ai posté trop vite, c'est confus...
J'ai bien vu qu'il y avait une "plaque de retenue" à enlever sur le haut du radiateur, la dizaine de petites vis dont tu parles. Sur le radiateur lui-même, il reste deux de ces vis (près des raccords pour durites) (les "ronds" verts que j'ai ajoutés sur ta photo). Ce sont celles dont je parle car ce sont les seules fix réellement solidaires du radiateur. La question que je me pose est plus précisément : le radiateur est-il retenu par le bas ?
Encore plus précisément, c'est l'étape 3 du manuel qui me pose problème : J'ai un eberspacher qui a pris la place du reservoir de lave-glace et donc tout un bazar à démonter en plus pour tomber le bloc chauffage, alors j'aimerai bien éviter...
A+
J'ai bien vu qu'il y avait une "plaque de retenue" à enlever sur le haut du radiateur, la dizaine de petites vis dont tu parles. Sur le radiateur lui-même, il reste deux de ces vis (près des raccords pour durites) (les "ronds" verts que j'ai ajoutés sur ta photo). Ce sont celles dont je parle car ce sont les seules fix réellement solidaires du radiateur. La question que je me pose est plus précisément : le radiateur est-il retenu par le bas ?
Encore plus précisément, c'est l'étape 3 du manuel qui me pose problème : J'ai un eberspacher qui a pris la place du reservoir de lave-glace et donc tout un bazar à démonter en plus pour tomber le bloc chauffage, alors j'aimerai bien éviter...
A+
- LØLØ
- Modérateur
- Messages : 6208
- Enregistré le : 30/07/2006 15:41
- Localisation : guainville (28 )
- Contact :
Re: Defender : réfection du radiateur de chauffage
Salut,
Non vers le bas, il n'y a pas de retenue, une fois les petites vis cruciformes enlevées cela sort tout seul par le haut.
A+
Non vers le bas, il n'y a pas de retenue, une fois les petites vis cruciformes enlevées cela sort tout seul par le haut.
A+
2 solutions: la bonne et l'Anglaise
LUCAS: Il n'y a pas de contact où il le faut et il y en a un où il ne faut pas
On ne peut aller loin en amitié, si on n'est pas disposé à se pardonner les uns aux autres les petits défauts.
www.eternal-vehicles.fr
LUCAS: Il n'y a pas de contact où il le faut et il y en a un où il ne faut pas
On ne peut aller loin en amitié, si on n'est pas disposé à se pardonner les uns aux autres les petits défauts.
www.eternal-vehicles.fr
Re: Defender : réfection du radiateur de chauffage
Cool !
Merci bien pour la réponse...
Merci bien pour la réponse...
Re: Defender : réfection du radiateur de chauffage
Bonsoir,
Depuis ce matin, plus de ventilation sur le chauffage de mon Def 300 TDI.
On sent que le chauffage fonctionne au niveau des buses d'aération, mais plus de ventilation.
En démontant le tableau de bord, je vérifie la tension au niveau du variateur de vitesse du ventilo :0V... Sur les deux entrées. La terre est OK.
J'ai vérifié le fusible 20A sur le tableau intérieur. OK
J'ai vérifié les fusibles côté moteur: OK
Je coince un peu.
Si vous avez une idée...
Je poursuis les investigations demain.
Depuis ce matin, plus de ventilation sur le chauffage de mon Def 300 TDI.
On sent que le chauffage fonctionne au niveau des buses d'aération, mais plus de ventilation.
En démontant le tableau de bord, je vérifie la tension au niveau du variateur de vitesse du ventilo :0V... Sur les deux entrées. La terre est OK.
J'ai vérifié le fusible 20A sur le tableau intérieur. OK
J'ai vérifié les fusibles côté moteur: OK
Je coince un peu.
Si vous avez une idée...
Je poursuis les investigations demain.
DEF 110 - 300 TDI - 1998
- LØLØ
- Modérateur
- Messages : 6208
- Enregistré le : 30/07/2006 15:41
- Localisation : guainville (28 )
- Contact :
Re: Defender : réfection du radiateur de chauffage
Salut,sdems a écrit : J'ai vérifié le fusible 20A sur le tableau intérieur. OK
J'ai vérifié les fusibles côté moteur: OK
Je coince un peu.
Si vous avez une idée...
Pour d'autres tests à effectuer, les contrôles, les schémas, beaucoup de chose déjà dans ce thème sur la deuxième page pour les tests : Commande de soufflerie sur defender. Mais ceux >là< dans ce thème tu les as fait ?
Normal, il commute une mise a la masse.En démontant le tableau de bord, je vérifie la tension au niveau du variateur de vitesse du ventilo :0V... Sur les deux entrées. La terre est OK.
Peut-être le moteur que je te souhaite légèrement grippé, dans ce cas en démontant la grille sur le dessus de l'aile, et en passant la main ou a l'aide d'un petit bâton, tu essais de solliciter la roue à aubes, pour la faire tourner, afin de potentiellement le dégripper, le moteur de soufflerie. Vue la description, tu peux faire les tests électrique pour être sûr au niveau du connecteur a trois fils, mais il y a de forte probabilité, que cela soit ça. Dans ce cas comme carbu, dégrippe si possible dans les règles, sachant que l'ouverture du moteur en lui même n'est pas évidente. ou le changement du moteur de ventilateur complet. A+On sent que le chauffage fonctionne au niveau des buses d'aération, mais plus de ventilation.
2 solutions: la bonne et l'Anglaise
LUCAS: Il n'y a pas de contact où il le faut et il y en a un où il ne faut pas
On ne peut aller loin en amitié, si on n'est pas disposé à se pardonner les uns aux autres les petits défauts.
www.eternal-vehicles.fr
LUCAS: Il n'y a pas de contact où il le faut et il y en a un où il ne faut pas
On ne peut aller loin en amitié, si on n'est pas disposé à se pardonner les uns aux autres les petits défauts.
www.eternal-vehicles.fr
Re: Defender : réfection du radiateur de chauffage
Merci beaucoup!
Je m'attelle à la tâche et reviens dès que j'ai avancé.
Je m'attelle à la tâche et reviens dès que j'ai avancé.
DEF 110 - 300 TDI - 1998
Re: Defender : réfection du radiateur de chauffage
Bon bah je ne dois plus être très loin de la triste vérité...
J'ai pu débloquer la roue à aubes à la main. Mais le moteur ne tournait pas plus après cette manip.
J'ai vérifié l'alim au niveau du moteur du ventilateur, j'ai bien 12V qui arrivent.
J'ai mis à la terre directement le second connecteur (sortie du moteur de ventilateur) en connectant uniquement le 12 V. Rien ne se passe.
Ca sent effectivement la mort du moteur du ventilateur de chauffage...
Et je pense que mes amis (et oh combien respectables!) pompiers, anciens propriétaires du véhicule, avaient décidé de shunter les 2 vitesses de ventilation comme le laissent supposer les fils coupés... Au final, je pense devoir changer le moteur du ventilo et donc démonter le bloc chauffage. Cela te paraît juste?
J'ai pu débloquer la roue à aubes à la main. Mais le moteur ne tournait pas plus après cette manip.
J'ai vérifié l'alim au niveau du moteur du ventilateur, j'ai bien 12V qui arrivent.
J'ai mis à la terre directement le second connecteur (sortie du moteur de ventilateur) en connectant uniquement le 12 V. Rien ne se passe.
Ca sent effectivement la mort du moteur du ventilateur de chauffage...
Et je pense que mes amis (et oh combien respectables!) pompiers, anciens propriétaires du véhicule, avaient décidé de shunter les 2 vitesses de ventilation comme le laissent supposer les fils coupés... Au final, je pense devoir changer le moteur du ventilo et donc démonter le bloc chauffage. Cela te paraît juste?
DEF 110 - 300 TDI - 1998
- LØLØ
- Modérateur
- Messages : 6208
- Enregistré le : 30/07/2006 15:41
- Localisation : guainville (28 )
- Contact :
Re: Defender : réfection du radiateur de chauffage
Salut?sdems a écrit :
Au final, je pense devoir changer le moteur du ventilo et donc démonter le bloc chauffage. Cela te paraît juste?
Oui, oui. Cela se fait bien, juste un peu long pour un truc aussi simple, mais rien a voir avec un disco ou un range où, là l'opération est dantesque.
Si tu en achètes un d'occasion test le avant:
A+
2 solutions: la bonne et l'Anglaise
LUCAS: Il n'y a pas de contact où il le faut et il y en a un où il ne faut pas
On ne peut aller loin en amitié, si on n'est pas disposé à se pardonner les uns aux autres les petits défauts.
www.eternal-vehicles.fr
LUCAS: Il n'y a pas de contact où il le faut et il y en a un où il ne faut pas
On ne peut aller loin en amitié, si on n'est pas disposé à se pardonner les uns aux autres les petits défauts.
www.eternal-vehicles.fr
Re: Defender : réfection du radiateur de chauffage
Bonsoir
Merci pour ces conseils.
Motoventilateur changé ce jour tranquille, en 3h environ. J'aurais eu besoin de bras un peu plus longs pour certaines manip, mais ça se fait effectivement bien tout seul, avec patience.
J en ai profité pour raccorder les fils coupés au niveau de la résistance et miracle: La vitesse ventilation lente est à nouveau opérationnelle
également. Pas compris pourquoi cela avait été coupé.
C est quand même plus sympa à conduire sans buée (ou presque...).
Un grand merci à nouveau pour ton aide et ta réactivité.

Merci pour ces conseils.
Motoventilateur changé ce jour tranquille, en 3h environ. J'aurais eu besoin de bras un peu plus longs pour certaines manip, mais ça se fait effectivement bien tout seul, avec patience.
J en ai profité pour raccorder les fils coupés au niveau de la résistance et miracle: La vitesse ventilation lente est à nouveau opérationnelle
également. Pas compris pourquoi cela avait été coupé.
C est quand même plus sympa à conduire sans buée (ou presque...).
Un grand merci à nouveau pour ton aide et ta réactivité.
DEF 110 - 300 TDI - 1998
- LØLØ
- Modérateur
- Messages : 6208
- Enregistré le : 30/07/2006 15:41
- Localisation : guainville (28 )
- Contact :
Re: Defender : réfection du radiateur de chauffage
Salut,sdems a écrit : Pas compris pourquoi cela avait été coupé.
Peut-être qu'ils avaient mis un système de chauffage annexe du genre Webasto, qui nécessite un câblage au niveau du ventilateur. Vois ce thème : WEBASTO et branchement électrique
Peut-être également tu pourrais monter un snow cover, vois ce thème pour de plus amples explications : PB CHAUFFAGE DEFENDER
A+
2 solutions: la bonne et l'Anglaise
LUCAS: Il n'y a pas de contact où il le faut et il y en a un où il ne faut pas
On ne peut aller loin en amitié, si on n'est pas disposé à se pardonner les uns aux autres les petits défauts.
www.eternal-vehicles.fr
LUCAS: Il n'y a pas de contact où il le faut et il y en a un où il ne faut pas
On ne peut aller loin en amitié, si on n'est pas disposé à se pardonner les uns aux autres les petits défauts.
www.eternal-vehicles.fr
Re: Defender : réfection du radiateur de chauffage
Hello les Loulous
Je profite de l’été pour faire une révision complète du bloc chauffage.
Je me suis régalé à relire le fabuleux tuto d’Alexio pour préparer mon opération.
Mais ... il y a toujours un mais ... la clim installée côté passager m’empêche d’accéder aux têtes des deux visses qui maintiennent le bas du bloc chauffage.
Pourquoi LR n’a pas choisi l’option écrou aveugle déjà largement utilisé sur le Def ? Chaipâ, mais ce n’est pas la question du moment.
Comme solution, je ne vois que le découplage de l’échangeur clim du bulkhead et en profitant du mou sur les durites souples de la clim, me faire assez de place pour faufiler une main, celle d’un partenaire, pour défaire l’écrou côté moteur.
J’y sertirai un écrou aveugle avant le remontage ... pour un prochain démontage.
Comment avez vous fait vous ?
à+
Je profite de l’été pour faire une révision complète du bloc chauffage.
Je me suis régalé à relire le fabuleux tuto d’Alexio pour préparer mon opération.
Mais ... il y a toujours un mais ... la clim installée côté passager m’empêche d’accéder aux têtes des deux visses qui maintiennent le bas du bloc chauffage.
Pourquoi LR n’a pas choisi l’option écrou aveugle déjà largement utilisé sur le Def ? Chaipâ, mais ce n’est pas la question du moment.
Comme solution, je ne vois que le découplage de l’échangeur clim du bulkhead et en profitant du mou sur les durites souples de la clim, me faire assez de place pour faufiler une main, celle d’un partenaire, pour défaire l’écrou côté moteur.
J’y sertirai un écrou aveugle avant le remontage ... pour un prochain démontage.
Comment avez vous fait vous ?
à+
-----------------------------
Yves - 110 Td5 SW 2006
Yves - 110 Td5 SW 2006