Problème compteur de vitesse.
Règles du forum
En naviguant sur le site http://www.landroverfaq.com vous reconnaissez avoir lu ses Conditions d’Utilisation, vous déclarez les comprendre et vous acceptez d’y être lié de manière inconditionnelle. Si tel n'est pas le cas, merci de quitter immédiatement ce site.
Vous pouvez joindre autant d'images que nécessaire à vos messages A LA CONDITION EXPRESSE d'utiliser l'hébergement fourni par le site.
L'administrateur effacera systématiquement tout message contenant des photos hébergées chez Imageschack, Casimage, Wistiti ou tout autre hébergeur tiers sans sommation ni justification.
En naviguant sur le site http://www.landroverfaq.com vous reconnaissez avoir lu ses Conditions d’Utilisation, vous déclarez les comprendre et vous acceptez d’y être lié de manière inconditionnelle. Si tel n'est pas le cas, merci de quitter immédiatement ce site.
Vous pouvez joindre autant d'images que nécessaire à vos messages A LA CONDITION EXPRESSE d'utiliser l'hébergement fourni par le site.
L'administrateur effacera systématiquement tout message contenant des photos hébergées chez Imageschack, Casimage, Wistiti ou tout autre hébergeur tiers sans sommation ni justification.
Problème compteur de vitesse.
Le problème :
J'ai un Discovery TD5 de 2002, et depuis quelque temps, j'ai un problème avec le compteur...
En effet, l'aiguille reste au zéro quand je démarre, et ne commence à bouger qu'après au moins 2 kilomètres parcourus.
Ensuite, en général il fonctionne correctement.
A votre avis, quelle serait la première chose à vérifier pour remédier à cet inconvénient ?
Merci de votre collaboration !
J'ai un Discovery TD5 de 2002, et depuis quelque temps, j'ai un problème avec le compteur...
En effet, l'aiguille reste au zéro quand je démarre, et ne commence à bouger qu'après au moins 2 kilomètres parcourus.
Ensuite, en général il fonctionne correctement.
A votre avis, quelle serait la première chose à vérifier pour remédier à cet inconvénient ?
Merci de votre collaboration !
- LØLØ
- Modérateur
- Messages : 6210
- Enregistré le : 30/07/2006 15:41
- Localisation : guainville (28 )
- Contact :
Re: Problème compteur de vitesse.
Salut,
La captation, soit sur la boite de transfert sans ABS, soit sur les capteur ABS si le disco en est muni. Les spécialistes du Disco seront plus loquasse que moi je pense sur le sujet. As tu fait une sortie TT avant de constaté ce phénomène.
A+
La captation, soit sur la boite de transfert sans ABS, soit sur les capteur ABS si le disco en est muni. Les spécialistes du Disco seront plus loquasse que moi je pense sur le sujet. As tu fait une sortie TT avant de constaté ce phénomène.
A+
2 solutions: la bonne et l'Anglaise
LUCAS: Il n'y a pas de contact où il le faut et il y en a un où il ne faut pas
On ne peut aller loin en amitié, si on n'est pas disposé à se pardonner les uns aux autres les petits défauts.
www.eternal-vehicles.fr
LUCAS: Il n'y a pas de contact où il le faut et il y en a un où il ne faut pas
On ne peut aller loin en amitié, si on n'est pas disposé à se pardonner les uns aux autres les petits défauts.
www.eternal-vehicles.fr
Re: Problème compteur de vitesse.
Salut,
Est-ce que l'ABS fonctionne correctement?
Jo
Est-ce que l'ABS fonctionne correctement?
Jo
Re: Problème compteur de vitesse.
Merci de vos réponses.
Je n'ai pas fait de "sortie" avec le véhicule avant de constater ce problème.
Il me semble qu'il est muni d'un ABS par contre.
Quant à savoir si celui-ci fonctionne, je dois avouer que je n'en sais rien. Je n'ai pas d'alerte au tableau de bord si cela peut aider !
Le compteur de vitesse semble se mettre en route au bout de quelques kilomètres, un peu comme s'il fallait que le véhicule chauffe !
Savez-vous où se trouve le fusible qui protège cet instrument ?
Merci de votre collaboration.
Je n'ai pas fait de "sortie" avec le véhicule avant de constater ce problème.
Il me semble qu'il est muni d'un ABS par contre.
Quant à savoir si celui-ci fonctionne, je dois avouer que je n'en sais rien. Je n'ai pas d'alerte au tableau de bord si cela peut aider !
Le compteur de vitesse semble se mettre en route au bout de quelques kilomètres, un peu comme s'il fallait que le véhicule chauffe !
Savez-vous où se trouve le fusible qui protège cet instrument ?
Merci de votre collaboration.
- LØLØ
- Modérateur
- Messages : 6210
- Enregistré le : 30/07/2006 15:41
- Localisation : guainville (28 )
- Contact :
Re: Problème compteur de vitesse.
Salut,
Si ABS alors l'info est prise sur un capteur ABS. Peut-être l'huile ou la graisse dans les moyeux a changer. Vois si ils sont bien en place sur les pivots.
A+
Si ABS alors l'info est prise sur un capteur ABS. Peut-être l'huile ou la graisse dans les moyeux a changer. Vois si ils sont bien en place sur les pivots.
A+
2 solutions: la bonne et l'Anglaise
LUCAS: Il n'y a pas de contact où il le faut et il y en a un où il ne faut pas
On ne peut aller loin en amitié, si on n'est pas disposé à se pardonner les uns aux autres les petits défauts.
www.eternal-vehicles.fr
LUCAS: Il n'y a pas de contact où il le faut et il y en a un où il ne faut pas
On ne peut aller loin en amitié, si on n'est pas disposé à se pardonner les uns aux autres les petits défauts.
www.eternal-vehicles.fr
-
Matdisco27
- Habitué
- Messages : 31
- Enregistré le : 23/05/2018 16:57
Re: Problème compteur de vitesse.
Bonsoir
A tu trouver ton problème de compteur de vitesse car j'ai le même soucis !?
A tu trouver ton problème de compteur de vitesse car j'ai le même soucis !?
Re: Problème compteur de vitesse.
Non, le problème n'est pas résolu !
Il faut toujours que le véhicule soit chaud pour voir démarrer l'indicateur de vitesse. Je pense à de l'humidité, mais où ?
Il faut toujours que le véhicule soit chaud pour voir démarrer l'indicateur de vitesse. Je pense à de l'humidité, mais où ?
-
Matdisco27
- Habitué
- Messages : 31
- Enregistré le : 23/05/2018 16:57
Re: Problème compteur de vitesse.
Tu a vérifier les capteur abs !?
Re: Problème compteur de vitesse.
Non, je n'ai pas vérifié les capteurs ABS, vu que je n'ai pas d'alerte à ce sujet.
Je penche pour de l'humidité dans l'habitacle, qui sécherait sur une dizaine de kilomètres.
Sais-tu quel est le fusible concerné ?
Je penche pour de l'humidité dans l'habitacle, qui sécherait sur une dizaine de kilomètres.
Sais-tu quel est le fusible concerné ?
- LØLØ
- Modérateur
- Messages : 6210
- Enregistré le : 30/07/2006 15:41
- Localisation : guainville (28 )
- Contact :
Re: Problème compteur de vitesse.
Salut,LeBaron88 a écrit : Sais-tu quel est le fusible concerné ?
Les fusibles sont aux nombres de plusieurs;
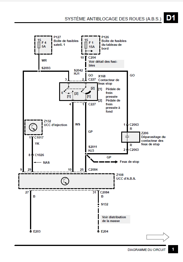
Pour te dire le quel est concerné ? je n'arrive pas a le déterminer sur les schémas de l'ABS du disco. De même que le capteur fournissant l'information vitesse, vue qu'ils vont tous vers le calculateur d'ABS, cela doit être lui qui délivre un signal de vitesse au compteur, mais je n'ai pas trouvé le lien sur entre les deux, par HJ2 peut-être
1) 2) 3) 4) Par contre, il y a une trace là du compteur de vitesse, apparemment connecté au module multi-fonction et là, c'est pas gagné non plus
5) Cependant, cela ouvre des portes d'investigations comme par exemple le collecteur de raccordement HJ2 qui peut avoir pris l'humidité ou un peu d'oxydation.
6) Ensuite, il y a évidement les connecteurs sur la liaison du compteur au vue du schéma, il y en a plusieurs:
7) C221 8 )C209 9) C205 10) C2062 et X241 Le brochage des connecteurs, cela permet d'avoir une idée de leurs dimensions :
10) 11) A+
2 solutions: la bonne et l'Anglaise
LUCAS: Il n'y a pas de contact où il le faut et il y en a un où il ne faut pas
On ne peut aller loin en amitié, si on n'est pas disposé à se pardonner les uns aux autres les petits défauts.
www.eternal-vehicles.fr
LUCAS: Il n'y a pas de contact où il le faut et il y en a un où il ne faut pas
On ne peut aller loin en amitié, si on n'est pas disposé à se pardonner les uns aux autres les petits défauts.
www.eternal-vehicles.fr
-
Matdisco27
- Habitué
- Messages : 31
- Enregistré le : 23/05/2018 16:57
Re: Problème compteur de vitesse.
Merci lolo pour toutes ces informations !!!!!!!!
Re: Problème compteur de vitesse.
Merci Lolo, et meilleurs voeux pour cette nouvelle année !
-
Matdisco27
- Habitué
- Messages : 31
- Enregistré le : 23/05/2018 16:57
Re: Problème compteur de vitesse.
Bonjour
Bon, j'ai regardé un peu toutes les connectiques tous m'a l'air correct j'ai aussi démonter le compteur j'ai tout remis en place. Mais ça m'a l'air pire depuis que j'ai démonter le compteur.
Pffff, j'en ai marre !!!!!!!
Bon, j'ai regardé un peu toutes les connectiques tous m'a l'air correct j'ai aussi démonter le compteur j'ai tout remis en place. Mais ça m'a l'air pire depuis que j'ai démonter le compteur.
Pffff, j'en ai marre !!!!!!!
-
Matdisco27
- Habitué
- Messages : 31
- Enregistré le : 23/05/2018 16:57
Re: Problème compteur de vitesse.
Bonsoir
Pensez-vous que cela peut venir du compteur ? J'ai remarqué aussi que mon bloc ABS fait des bruits de battement comme des battements de cœur moteur arrêté bien sûr, est-ce normal !!??
Pensez-vous que cela peut venir du compteur ? J'ai remarqué aussi que mon bloc ABS fait des bruits de battement comme des battements de cœur moteur arrêté bien sûr, est-ce normal !!??