branchement sonde température LT230 sur Def TD5 1999
Règles du forum
En naviguant sur le site http://www.landroverfaq.com vous reconnaissez avoir lu ses Conditions d’Utilisation, vous déclarez les comprendre et vous acceptez d’y être lié de manière inconditionnelle. Si tel n'est pas le cas, merci de quitter immédiatement ce site.
Vous pouvez joindre autant d'images que nécessaire à vos messages A LA CONDITION EXPRESSE d'utiliser l'hébergement fourni par le site.
L'administrateur effacera systématiquement tout message contenant des photos hébergées chez Imageschack, Casimage, Wistiti ou tout autre hébergeur tiers sans sommation ni justification.
En naviguant sur le site http://www.landroverfaq.com vous reconnaissez avoir lu ses Conditions d’Utilisation, vous déclarez les comprendre et vous acceptez d’y être lié de manière inconditionnelle. Si tel n'est pas le cas, merci de quitter immédiatement ce site.
Vous pouvez joindre autant d'images que nécessaire à vos messages A LA CONDITION EXPRESSE d'utiliser l'hébergement fourni par le site.
L'administrateur effacera systématiquement tout message contenant des photos hébergées chez Imageschack, Casimage, Wistiti ou tout autre hébergeur tiers sans sommation ni justification.
branchement sonde température LT230 sur Def TD5 1999
Bonjour,
Afin de surveiller ma LT230 de mon 110 TD5 1999 fraîchement refaite, j'y ai monté une sonde de température, à l'image de ce que Land Rover a fait de série sur certain disco. En regardant dans le manuel conducteur, je m’aperçoit que le tableau de bord du def est lui aussi équipé d'un voyant qui pourrait me servir pour cet usage : effectivement, le manuel électrique décrit bien le fonctionnement de la sonde et du voyant : Et en regardant le schéma électrique, il y a bien un fil en attente sur lequel je pourrais me brancher pour allumer le voyant, selon le circuit surligné en rose ci-dessous : Mais ma question porte sur la diode cerclée en vert ? A quoi cela peut-il servir ? Je n'arrive pas à comprendre ce qui pourrait se passer lorsque la sonde va se fermer, et faire circuler un courant dans la diode ?
J'ai pas envie de faire fumer le faisceau, alors ça m'embête un peut de faire le test sans avoir compris...
Est-ce que l'un d'entre vous connait l'utilité de cette diode ?
Merci d'avance
Afin de surveiller ma LT230 de mon 110 TD5 1999 fraîchement refaite, j'y ai monté une sonde de température, à l'image de ce que Land Rover a fait de série sur certain disco. En regardant dans le manuel conducteur, je m’aperçoit que le tableau de bord du def est lui aussi équipé d'un voyant qui pourrait me servir pour cet usage : effectivement, le manuel électrique décrit bien le fonctionnement de la sonde et du voyant : Et en regardant le schéma électrique, il y a bien un fil en attente sur lequel je pourrais me brancher pour allumer le voyant, selon le circuit surligné en rose ci-dessous : Mais ma question porte sur la diode cerclée en vert ? A quoi cela peut-il servir ? Je n'arrive pas à comprendre ce qui pourrait se passer lorsque la sonde va se fermer, et faire circuler un courant dans la diode ?
J'ai pas envie de faire fumer le faisceau, alors ça m'embête un peut de faire le test sans avoir compris...
Est-ce que l'un d'entre vous connait l'utilité de cette diode ?
Merci d'avance
- nanard833
- Habitué
- Messages : 3989
- Enregistré le : 10/10/2009 20:18
- Localisation : disco 300TDI 431000 bornes
Re: branchement sonde température LT230 sur Def TD5 1999
Salut,
c'est un classique dans les schémas électriques comprenant des commandes par relais à bobine.
Je pense qu'il s'agit d'une "diode de roue libre" pour limiter les surintensités crées par les bobines (inductance) des relais lors des ruptures de courant brutales ce qui peut endommager des composants électroniques s'ils y en a dans les parages….
A+
c'est un classique dans les schémas électriques comprenant des commandes par relais à bobine.
Je pense qu'il s'agit d'une "diode de roue libre" pour limiter les surintensités crées par les bobines (inductance) des relais lors des ruptures de courant brutales ce qui peut endommager des composants électroniques s'ils y en a dans les parages….
A+
Gratter la botte ne soulage guère quand ça démange à l'intérieur (proverbe chinois)
- LØLØ
- Modérateur
- Messages : 6206
- Enregistré le : 30/07/2006 15:41
- Localisation : guainville (28 )
- Contact :
Re: branchement sonde température LT230 sur Def TD5 1999
Salut,
Comme c'est un voyant d'alarme, il est commun à plusieurs fonction, je pencherai plutôt pour une diode anti retour, permettant la fonction OU en logique à diode. Exemple, souvent tu as un même voyant pour le serrage du frein à main, le niveau de liquide de frein, l'usure des plaquettes etc...
J'avais fait un relevé de schéma de la platine des voyants du TD5 et cela donnait ça, pour le frein à main, solidaire du voyant de niveau de liquide qui en prime est temporisé à la mise en route afin de contrôler son bon fonctionnement. J'ai retrouvé les brochages de C233 ou C236, mais je n'arrive plus a retrouver le détail de C230 ou C234 qui t'aurait été plus utile.
Les diodes évoquées dans ton schéma, sont noyées dans le faisceau, généralement se sont des 1N4003 à 1N4007 camouflées dans des petits tubes noirs, ou des gaines en plastique transparentes.
Sur ce schéma, le voyant de chauffe de la boite apparait, mais pas de diode, et pas de relais non plus.
Il serait activé par une masse, suivant le même principe et schéma que voyant de blocage:
Le capteur est un contact de température prévu pour se commuté en tout ou rien pour une température fixe, suivant le même principe qu'un contacteur de ventilateur électrique de refroidissement moteur.
Au vu du tien sur la 1ère photo, il y a deux plots car deux températures ou bien c'est un contact sec où les deux extrémité sont accessibles ?
A+
Comme c'est un voyant d'alarme, il est commun à plusieurs fonction, je pencherai plutôt pour une diode anti retour, permettant la fonction OU en logique à diode. Exemple, souvent tu as un même voyant pour le serrage du frein à main, le niveau de liquide de frein, l'usure des plaquettes etc...
J'avais fait un relevé de schéma de la platine des voyants du TD5 et cela donnait ça, pour le frein à main, solidaire du voyant de niveau de liquide qui en prime est temporisé à la mise en route afin de contrôler son bon fonctionnement. J'ai retrouvé les brochages de C233 ou C236, mais je n'arrive plus a retrouver le détail de C230 ou C234 qui t'aurait été plus utile.
Au vu du tien sur la 1ère photo, il y a deux plots car deux températures ou bien c'est un contact sec où les deux extrémité sont accessibles ?
A+
2 solutions: la bonne et l'Anglaise
LUCAS: Il n'y a pas de contact où il le faut et il y en a un où il ne faut pas
On ne peut aller loin en amitié, si on n'est pas disposé à se pardonner les uns aux autres les petits défauts.
www.eternal-vehicles.fr
LUCAS: Il n'y a pas de contact où il le faut et il y en a un où il ne faut pas
On ne peut aller loin en amitié, si on n'est pas disposé à se pardonner les uns aux autres les petits défauts.
www.eternal-vehicles.fr
Re: branchement sonde température LT230 sur Def TD5 1999
Salut
Merci pour vos réponses.
Mon Def est en TD5 1999.
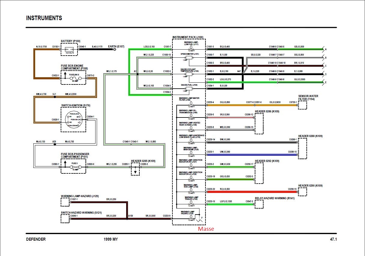
Si j'en crois les manuels électriques en ma possession, mais aussi les documents transmis pas Lolo (la broche C0230-8 est la masse sur le schéma de brochage), la particularité du tableau de bord de 1999 à 2002 est que les témoins, dont celui qui m’intéresse, sont mis à la masse dans le tableau de bord, et commandé par du +12V via les différentes sondes.
Ci-dessous en image :
- TD5 1999 (mon cas) : -TD5 après 2002 : - Par contre le 300TDi 1997 était bien comme le TD5 après 2002. A noter sur le schéma du 300TDi la présence de la fameuses diodes qui me pose question.
Dans ce cas, je comprends très clairement sont fonctionnement pour réaliser une fonction OU, mais dans mon cas (TD5 99), elle est à l'envers pour que ça marche...
J'avoue y perdre un peu mon latin...je crois qu'il va falloir jouer du multimètre pour comprendre tout cela !
a+
Merci pour vos réponses.
Mon Def est en TD5 1999.
Si j'en crois les manuels électriques en ma possession, mais aussi les documents transmis pas Lolo (la broche C0230-8 est la masse sur le schéma de brochage), la particularité du tableau de bord de 1999 à 2002 est que les témoins, dont celui qui m’intéresse, sont mis à la masse dans le tableau de bord, et commandé par du +12V via les différentes sondes.
Ci-dessous en image :
- TD5 1999 (mon cas) : -TD5 après 2002 : - Par contre le 300TDi 1997 était bien comme le TD5 après 2002. A noter sur le schéma du 300TDi la présence de la fameuses diodes qui me pose question.
Dans ce cas, je comprends très clairement sont fonctionnement pour réaliser une fonction OU, mais dans mon cas (TD5 99), elle est à l'envers pour que ça marche...
J'avoue y perdre un peu mon latin...je crois qu'il va falloir jouer du multimètre pour comprendre tout cela !
a+
- LØLØ
- Modérateur
- Messages : 6206
- Enregistré le : 30/07/2006 15:41
- Localisation : guainville (28 )
- Contact :
Re: branchement sonde température LT230 sur Def TD5 1999
Salut,
Attention, méfie toi, parfois les schéma land rover ne sont pas contractuels comme on dit.
Vérifie in situe et par test les niveaux de validation des voyants, il peut y avoir des petites variantes. Les schéma de 2002 sont bon, il me semble que c'est sur celui de 99 a 02 qu'il y a quelque erreur. Cela avait été évoque ici dans un thème.
Dans ce thème peut-être, mais j'ai la flemme de tout relire pour trouver éventuellement où. Problèmes électriques suite inversion batterie Defender Td5.
Et cerise sur le gâteau, tel que le schéma est représenté, si tu sers le frein à main, cela validerait aussi ton voyant de température de transmission, via la diode G126, comics non ?
A creuser tout ça...
A+
Attention, méfie toi, parfois les schéma land rover ne sont pas contractuels comme on dit.
Vérifie in situe et par test les niveaux de validation des voyants, il peut y avoir des petites variantes. Les schéma de 2002 sont bon, il me semble que c'est sur celui de 99 a 02 qu'il y a quelque erreur. Cela avait été évoque ici dans un thème.
Dans ce thème peut-être, mais j'ai la flemme de tout relire pour trouver éventuellement où. Problèmes électriques suite inversion batterie Defender Td5.
Il est possible que cette diode intervienne moteur coupé pour éviter un retour qui pourrait allumer le voyant si tu ne sers pas le frein a main le fil blanc liseré (WY) n'est pas à la masse. Maintenant le fil repérer D serait une masse également, et effectivement il y a quelque chose de pas clair, car je ne vois pas bien comment dans ces conditions le voyant de frein à main peut s'allumer, vue que le switch sur le frein à main commute aussi une masseA noter sur le schéma du 300TDi la présence de la fameuses diodes qui me pose question.
A creuser tout ça...
A+
2 solutions: la bonne et l'Anglaise
LUCAS: Il n'y a pas de contact où il le faut et il y en a un où il ne faut pas
On ne peut aller loin en amitié, si on n'est pas disposé à se pardonner les uns aux autres les petits défauts.
www.eternal-vehicles.fr
LUCAS: Il n'y a pas de contact où il le faut et il y en a un où il ne faut pas
On ne peut aller loin en amitié, si on n'est pas disposé à se pardonner les uns aux autres les petits défauts.
www.eternal-vehicles.fr
Re: branchement sonde température LT230 sur Def TD5 1999
Salut,
Merci LOLO pour tes lumières, ou plutôt tes voyants
Oui, je te rejoins, j'ai des doutes sur le schéma...
Je vais décortiquer le circuit directement sur le Land.
a+
Merci LOLO pour tes lumières, ou plutôt tes voyants
Oui, je te rejoins, j'ai des doutes sur le schéma...
Je vais décortiquer le circuit directement sur le Land.
a+
Re: branchement sonde température LT230 sur Def TD5 1999
Il n'y a que ça à faire, un bon multimètre, du papier, un crayon, une indispensable gomme, de la méthode et surtout de la patiencecasa a écrit : Je vais décortiquer le circuit directement sur le Land.
Pour avoir pas mal décortiqué le mien pour installer mon tableau de bord numérique y a 10 ans...., j'ai toujours trouvé des erreurs dans les schémas pourtant donnés pour le bon modèle. Et des erreurs potentiellement graves si on suit aveuglément le manuel.
Commence déjà par déterminer si ton combiné d'instrumentation est à la masse ou au +12V et ensuite si tes capteurs (contacteurs température, frein à main, blocage transfert,...) sont à retour +12 ou masse.
A partir de là, tu pourras commencer à comprendre enfin peut être !...
L'instrumentation, c'était aussi : 

Re: branchement sonde température LT230 sur Def TD5 1999
bonsoir
je confirme que le schéma est faux et que le temoin s'allume en mettant le fil à la masse....
merci de votre aide.
A plus
je confirme que le schéma est faux et que le temoin s'allume en mettant le fil à la masse....
merci de votre aide.
A plus