Problèmes électriques suite inversion batterie Defender Td5
Règles du forum
En naviguant sur le site http://www.landroverfaq.com vous reconnaissez avoir lu ses Conditions d’Utilisation, vous déclarez les comprendre et vous acceptez d’y être lié de manière inconditionnelle. Si tel n'est pas le cas, merci de quitter immédiatement ce site.
Vous pouvez joindre autant d'images que nécessaire à vos messages A LA CONDITION EXPRESSE d'utiliser l'hébergement fourni par le site.
L'administrateur effacera systématiquement tout message contenant des photos hébergées chez Imageschack, Casimage, Wistiti ou tout autre hébergeur tiers sans sommation ni justification.
En naviguant sur le site http://www.landroverfaq.com vous reconnaissez avoir lu ses Conditions d’Utilisation, vous déclarez les comprendre et vous acceptez d’y être lié de manière inconditionnelle. Si tel n'est pas le cas, merci de quitter immédiatement ce site.
Vous pouvez joindre autant d'images que nécessaire à vos messages A LA CONDITION EXPRESSE d'utiliser l'hébergement fourni par le site.
L'administrateur effacera systématiquement tout message contenant des photos hébergées chez Imageschack, Casimage, Wistiti ou tout autre hébergeur tiers sans sommation ni justification.
- LandLover110
- Habitué
- Messages : 213
- Enregistré le : 18/02/2011 18:27
- Localisation : Amiens
Re: Problèmes électriques suite inversion batterie Defender Td5
Bonjour LØLØ,
Ce matin, j'ai tenté de faire ton test en débranchant le faisceau arrière au niveau du tablier compartiment moteur a droite sous le vase d’expansion :
J'ai débranché successivement les prises suivantes, et je les ai rebranché avant de passer à la suivante : Rien, le moteur tourne toujours, clé retirée. Rien, le moteur tourne toujours, clé retirée, mais j'ai la jauge qui s'affiche sur le tableau de bord Rien non plus ... Rien avec cette prise là.
Je n'ai pas pu accéder aux autres prises, trop difficiles à déconnecter ...
J'ai ensuite retié le fusible F6, comme tu me le demandais ... le moteur s’arrête instantanément !
C'est grave, docteur ?
Merci de continuer ta recherche ; au téléphone avec Volta, on avait bien évoqué ce collecteur, bien mal placé derrière le tableau de bord, (une tannée à dégoter ...) : je sens que je ne vais pas y couper !
A bientôt,
Bien amicalement,
Ce matin, j'ai tenté de faire ton test en débranchant le faisceau arrière au niveau du tablier compartiment moteur a droite sous le vase d’expansion :
J'ai débranché successivement les prises suivantes, et je les ai rebranché avant de passer à la suivante : Rien, le moteur tourne toujours, clé retirée. Rien, le moteur tourne toujours, clé retirée, mais j'ai la jauge qui s'affiche sur le tableau de bord Rien non plus ... Rien avec cette prise là.
Je n'ai pas pu accéder aux autres prises, trop difficiles à déconnecter ...
J'ai ensuite retié le fusible F6, comme tu me le demandais ... le moteur s’arrête instantanément !
C'est grave, docteur ?
Merci de continuer ta recherche ; au téléphone avec Volta, on avait bien évoqué ce collecteur, bien mal placé derrière le tableau de bord, (une tannée à dégoter ...) : je sens que je ne vais pas y couper !
A bientôt,
Bien amicalement,
- LØLØ
- Modérateur
- Messages : 6206
- Enregistré le : 30/07/2006 15:41
- Localisation : guainville (28 )
- Contact :
Re: Problèmes électriques suite inversion batterie Defender Td5
Salut,LandLover110 a écrit : 28/03/2020 17:52 Bonjour LØLØ,
Ce matin, j'ai tenté de faire ton test en débranchant le faisceau arrière au niveau du tablier compartiment moteur a droite sous le vase d’expansion :
J'ai débranché successivement les prises suivantes, et je les ai rebranché avant de passer à la suivante : Rien non plus ...
Ah c'est celui là qui était intéressant a déconnecté, car dessus il y a le branchement des feux stop arrières ( fil vert liseré violet). Donc le faite qu'une fois débranché le phénomène continu, cela veut dire qu'ils ne sont pas en cause et cela élimine les ampoule, la prise de remorque, les douilles, le faisceau châssis... bref plein de possibilités.
Les branchement de C0162 :
Ah!J'ai ensuite retié le fusible F6, comme tu me le demandais ...
le moteur s’arrête instantanément !
Tu enlèves le fusible, le land démarre et s’arrête normalement ?
Oui et non, car pour le moment le land est un porteur sain, mais pour combien de temps ? As tu monté un coupe circuit ?C'est grave, docteur ?
A remarquer que le land étant un bon remède pour luter contre le confinement.... avec Volta, on avait bien évoqué ce collecteur... (une tannée à dégoter ...) : je sens que je ne vais pas y couper !
A+
2 solutions: la bonne et l'Anglaise
LUCAS: Il n'y a pas de contact où il le faut et il y en a un où il ne faut pas
On ne peut aller loin en amitié, si on n'est pas disposé à se pardonner les uns aux autres les petits défauts.
www.eternal-vehicles.fr
LUCAS: Il n'y a pas de contact où il le faut et il y en a un où il ne faut pas
On ne peut aller loin en amitié, si on n'est pas disposé à se pardonner les uns aux autres les petits défauts.
www.eternal-vehicles.fr
- LandLover110
- Habitué
- Messages : 213
- Enregistré le : 18/02/2011 18:27
- Localisation : Amiens
Re: Problèmes électriques suite inversion batterie Defender Td5
Bonjour LØLØ,
Je viens de faire le test moteur tournant, clé retirée du Neiman, en retirant le fusible F6 : le moteur se coupe immédiatement. De même, je ne peux le redémarrer sans le fusible (on entend clairement la pompe se remettre en route lorsque le fusible est réintroduit ...)
J'ai aussi testé l'arrêt du moteur, dans les mêmes conditions (clé retirée) en appuyant sur la pédale de freins, mais cette fois-ci en retirant au préalable les ampoules : le moteur se coupe bien dés que j'écrase la pédale !
J'attends ton retour, mais je crois que je vais devoir démonter tout le tableau de bord, y compris le montant vertical qui supporte la tirette de variation du chauffage ... j'ai déjà déposé la planche de bord, lors du montage du compte-tours, et les collecteurs cachés derrière avaient eu du mal à se repositionner (mais c'était bien avant l'inversion des fils de batterie !). Au cas où je trouverais des fils "cramés", Volta m'a dit de les rabouter et de les isoler avec de la gaine rétractable, car ce type de collecteur ne se trouve pas facilement ... Se pourrait-il que mon problème ne soit dû qu'à un "simple" contact entre fils ?
@+ LandLover 110
Je viens de faire le test moteur tournant, clé retirée du Neiman, en retirant le fusible F6 : le moteur se coupe immédiatement. De même, je ne peux le redémarrer sans le fusible (on entend clairement la pompe se remettre en route lorsque le fusible est réintroduit ...)
J'ai aussi testé l'arrêt du moteur, dans les mêmes conditions (clé retirée) en appuyant sur la pédale de freins, mais cette fois-ci en retirant au préalable les ampoules : le moteur se coupe bien dés que j'écrase la pédale !
J'attends ton retour, mais je crois que je vais devoir démonter tout le tableau de bord, y compris le montant vertical qui supporte la tirette de variation du chauffage ... j'ai déjà déposé la planche de bord, lors du montage du compte-tours, et les collecteurs cachés derrière avaient eu du mal à se repositionner (mais c'était bien avant l'inversion des fils de batterie !). Au cas où je trouverais des fils "cramés", Volta m'a dit de les rabouter et de les isoler avec de la gaine rétractable, car ce type de collecteur ne se trouve pas facilement ... Se pourrait-il que mon problème ne soit dû qu'à un "simple" contact entre fils ?
@+ LandLover 110
Re: Problèmes électriques suite inversion batterie Defender Td5
Philippe: attends deux secondes avant de désosser le tdb...LandLover110 a écrit : 30/03/2020 19:04
J'ai aussi testé l'arrêt du moteur, dans les mêmes conditions (clé retirée) en appuyant sur la pédale de freins, mais cette fois-ci en retirant au préalable les ampoules : le moteur se coupe bien dés que j'écrase la pédale !
J'attends ton retour, mais je crois que je vais devoir démonter tout le tableau de bord
Idée Alakon™©®... as-tu pensé a enlever AUSSI la lampe du 3ème FEU STOP?
Je t'appelle dès que possible...
Autre chose: LØLØ: As-tu une idée de comment fonctionne le relais dimmable pour les codes/phares (ou du moins ce qu'il y a dedans...) qu'il y avait jusqu'au 300Tdi?
encore autre chose et qui n'a rien à voir...: un Australien a mis la main sur les données de ratio concernant le régulateur de vitesse du Td5.... depuis le temps qu'on les cherchait!... on était bien sur la bonne piste! mais lui, les a trouvées!
Mes hobbies: le dressage de puces et la couture sur tôle!
- LandLover110
- Habitué
- Messages : 213
- Enregistré le : 18/02/2011 18:27
- Localisation : Amiens
Re: Problèmes électriques suite inversion batterie Defender Td5
Bonjour Volta,
j'y retourne ...
Bonne journée !
...eh bin non !Idée Alakon™©®... as-tu pensé a enlever AUSSI la lampe du 3ème FEU STOP?
j'y retourne ...
Bonne journée !
- LØLØ
- Modérateur
- Messages : 6206
- Enregistré le : 30/07/2006 15:41
- Localisation : guainville (28 )
- Contact :
Re: Problèmes électriques suite inversion batterie Defender Td5
Salut,LandLover110 a écrit : 30/03/2020 19:04
J'ai aussi testé l'arrêt du moteur, dans les mêmes conditions (clé retirée) en appuyant sur la pédale de freins, mais cette fois-ci en retirant au préalable les ampoules : le moteur se coupe bien dés que j'écrase la pédale !
Là, il serait plus simple de faire la manip en débranchant le connecteur, C0162 le but étant qu'ainsi tous Feux arrière étaient déconnectés, y compris le central comme le rappel Volta, mais aussi le reste du faisceau arrière dont la partie emprisonné dans le châssis.
Oui oui, on avait fais plusieurs topo la dessus dont :Au cas où je trouverais des fils "cramés", Volta m'a dit de les rabouter et de les isoler avec de la gaine rétractable, car ce type de collecteur ne se trouve pas facilement ... Se pourrait-il que mon problème ne soit dû qu'à un "simple" contact entre fils ?
https://www.landroverfaq.com/viewtopic. ... 65#p102465
https://www.landroverfaq.com/viewtopic. ... 736#p89736
Vois ce thème : Probleme de codes , Phares defender 300tdi / TD5 / TD4Volta a écrit : 31/03/2020 4:46
Autre chose: LØLØ: As-tu une idée de comment fonctionne le relais dimmable pour les codes/phares (ou du moins ce qu'il y a dedans...) qu'il y avait jusqu'au 300Tdi?
Ah!encore autre chose et qui n'a rien à voir...: un Australien a mis la main sur les données de ratio concernant le régulateur de vitesse du Td5.... depuis le temps qu'on les cherchait!... on était bien sur la bonne piste! mais lui, les a trouvées!![]()
A+
2 solutions: la bonne et l'Anglaise
LUCAS: Il n'y a pas de contact où il le faut et il y en a un où il ne faut pas
On ne peut aller loin en amitié, si on n'est pas disposé à se pardonner les uns aux autres les petits défauts.
www.eternal-vehicles.fr
LUCAS: Il n'y a pas de contact où il le faut et il y en a un où il ne faut pas
On ne peut aller loin en amitié, si on n'est pas disposé à se pardonner les uns aux autres les petits défauts.
www.eternal-vehicles.fr
- LandLover110
- Habitué
- Messages : 213
- Enregistré le : 18/02/2011 18:27
- Localisation : Amiens
Re: Problèmes électriques suite inversion batterie Defender Td5
Bonjour Volta et LØLØ,
Bon, je viens de finir les tests que chacun m'avait demandé :
1/ test coupure moteur en appuyant sur la pédale de freins, ampoules ET feu arrière central débranchés : le moteur se coupe, clé enlevée, en appuyant sur la pédale.
En complément, contrairement à ce que je supposais avec Volta, brancher le commodo des feux de position, codes ou phares ne coupe pas le moteur (bien que la consommation de courant soit supérieure aux 4,7 volts relevés par Volta, comme vu précédemment), pas plus que de faire un appel de phares seul (cette manipulation peut se faire séparément du branchement du commodo, d'où un circuit d'alimentation séparé ...).
Par contre, je confirme bien que le moteur se coupe aussi bien en appuyant sur la pédale de freins qu'en appuyant sur le commodo des essuie-glaces.
2/ vérification des masses qui arrivent sur l'ECU (prise noire, points 1, 2, 24, 25) : Voilà pour aujourd'hui !
Bonne soirée,
@+ LandLover
Bon, je viens de finir les tests que chacun m'avait demandé :
1/ test coupure moteur en appuyant sur la pédale de freins, ampoules ET feu arrière central débranchés : le moteur se coupe, clé enlevée, en appuyant sur la pédale.
En complément, contrairement à ce que je supposais avec Volta, brancher le commodo des feux de position, codes ou phares ne coupe pas le moteur (bien que la consommation de courant soit supérieure aux 4,7 volts relevés par Volta, comme vu précédemment), pas plus que de faire un appel de phares seul (cette manipulation peut se faire séparément du branchement du commodo, d'où un circuit d'alimentation séparé ...).
Par contre, je confirme bien que le moteur se coupe aussi bien en appuyant sur la pédale de freins qu'en appuyant sur le commodo des essuie-glaces.
2/ vérification des masses qui arrivent sur l'ECU (prise noire, points 1, 2, 24, 25) : Voilà pour aujourd'hui !
Bonne soirée,
@+ LandLover
- LandLover110
- Habitué
- Messages : 213
- Enregistré le : 18/02/2011 18:27
- Localisation : Amiens
Re: Problèmes électriques suite inversion batterie Defender Td5
Euh, j'ai oublié un truc
... la remorque est au cul du Land et elle est toujours branchée !!!
>>> test de la pédale de freins à revoir !
(Désolé, hein, l'électricité, c'est vraiment pas mon truc, mais ça, on s'en doutait !!!)
>>> test de la pédale de freins à revoir !
(Désolé, hein, l'électricité, c'est vraiment pas mon truc, mais ça, on s'en doutait !!!)
- LØLØ
- Modérateur
- Messages : 6206
- Enregistré le : 30/07/2006 15:41
- Localisation : guainville (28 )
- Contact :
Re: Problèmes électriques suite inversion batterie Defender Td5
Salut,
Si tu débranches le connecteur gris du faisceau arrière C0162 sous le vase d'expansion et que tu fais le test, le moteur s’arrête ? Comme la prise de remorque est connectée au faisceau arrière, dans ce cas elle est effectivement dissociée et donc si dans cette configuration le moteur cale lorsque tu appuis sur la pédale, un doute me hante quant à l'hypothèse de la conso sur le + après contact. Non ? Volta tu en penses quoi ?
A+
2 solutions: la bonne et l'Anglaise
LUCAS: Il n'y a pas de contact où il le faut et il y en a un où il ne faut pas
On ne peut aller loin en amitié, si on n'est pas disposé à se pardonner les uns aux autres les petits défauts.
www.eternal-vehicles.fr
LUCAS: Il n'y a pas de contact où il le faut et il y en a un où il ne faut pas
On ne peut aller loin en amitié, si on n'est pas disposé à se pardonner les uns aux autres les petits défauts.
www.eternal-vehicles.fr
- LandLover110
- Habitué
- Messages : 213
- Enregistré le : 18/02/2011 18:27
- Localisation : Amiens
Re: Problèmes électriques suite inversion batterie Defender Td5
Bonjour Volta et LØLØ,
Je viens de faire le test de la pédale de freins avec les ampoules déconnectées ET la prise de remorque débranchée : appuyer sur la pédale n'a pas d'action sur le moteur. Sul le commdo de l'essuie-glace le permet. Afin de vérifier cette information, j'ai fait 3 essais,qui donnent la même conclusion.
Je ferai le test avec le connecteur C 0162 demain, si vous le voulez bien ...
Bonne soirée,
Je viens de faire le test de la pédale de freins avec les ampoules déconnectées ET la prise de remorque débranchée : appuyer sur la pédale n'a pas d'action sur le moteur. Sul le commdo de l'essuie-glace le permet. Afin de vérifier cette information, j'ai fait 3 essais,qui donnent la même conclusion.
Je ferai le test avec le connecteur C 0162 demain, si vous le voulez bien ...
Bonne soirée,
- LandLover110
- Habitué
- Messages : 213
- Enregistré le : 18/02/2011 18:27
- Localisation : Amiens
Re: Problèmes électriques suite inversion batterie Defender Td5
Ps : cliquez sur le Land, c'est le seul qui soit autorisé à rouler en ce moment !
Re: Problèmes électriques suite inversion batterie Defender Td5
A voir avec LØLØ... mais je ne pense plus que ce soit utile...LandLover110 a écrit : 01/04/2020 19:15 Bonjour Volta et LØLØ,
Je viens de faire le test de la pédale de freins avec les ampoules déconnectées ET la prise de remorque débranchée : appuyer sur la pédale n'a pas d'action sur le moteur. Sur le commodo de l'essuie-glace le permet. Afin de vérifier cette information, j'ai fait 3 essais,qui donnent la même conclusion.
Je ferai le test avec le connecteur C 0162 demain, si vous le voulez bien ...
Bonne soirée,
smiley Land Rover.gif
Tiens... essaye avec le commodo des clignos... normalement ça devrait l'éteindre aussi...
Mes hobbies: le dressage de puces et la couture sur tôle!
- LØLØ
- Modérateur
- Messages : 6206
- Enregistré le : 30/07/2006 15:41
- Localisation : guainville (28 )
- Contact :
Re: Problèmes électriques suite inversion batterie Defender Td5
Salut,
Oui car je voudrait être sûr que ce ne soit pas l'information de l'overdrive broche 16 de C0658 via la pédale de frein qui stop le moteur contact coupé.
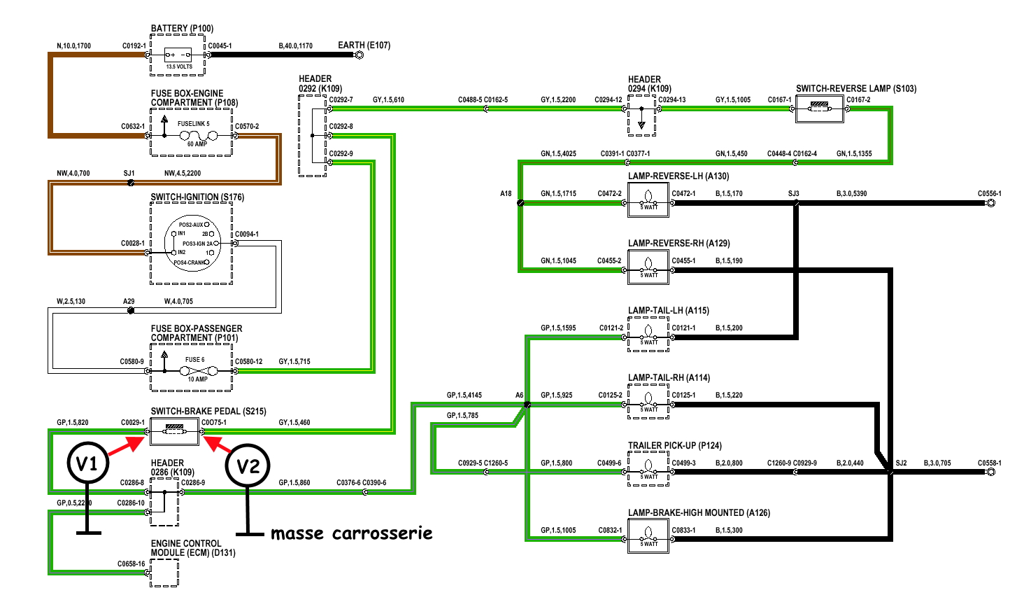
De même peux tu faire la mesure en tension, donc sur voltmètre entre la masse et les 2 cosses du capteur de frein. V1 et V2. Tant que nous y sommes, peux faire le test avec la marche arrière avec le connecteur C 0162 déconnecter et connecté, pour voir si cela stop aussi le moteur ou pas.
Est ce que les clignotants envois une info au calculateur via le boitier d'alarme ?
Tiens... essaye avec le commodo des clignos... normalement ça devrait l'éteindre aussi...![]()
A+
2 solutions: la bonne et l'Anglaise
LUCAS: Il n'y a pas de contact où il le faut et il y en a un où il ne faut pas
On ne peut aller loin en amitié, si on n'est pas disposé à se pardonner les uns aux autres les petits défauts.
www.eternal-vehicles.fr
LUCAS: Il n'y a pas de contact où il le faut et il y en a un où il ne faut pas
On ne peut aller loin en amitié, si on n'est pas disposé à se pardonner les uns aux autres les petits défauts.
www.eternal-vehicles.fr
- LandLover110
- Habitué
- Messages : 213
- Enregistré le : 18/02/2011 18:27
- Localisation : Amiens
Re: Problèmes électriques suite inversion batterie Defender Td5
Bonjour !
De retour de mon jardin, je suis passé par mon Land (j'ai fait 10 m, mais c'est du luxe, par les temps qui courent ... ).
J'ai testé les clignotants pour couper le moteur, clé en dehors du Neiman : pas d'effets sur l'arrêt du moteur. J'ai recommencé, pour confirmation : idem.
Je ne suis pas surpris par le résultat, car j'imagine que le + qui alimente le commodo pour les clignotants est de même origine que celui pour les feux (code, phares) ?
Faut-il essayer avec le warning ? Je verrai demain au besoin, avec les manips préconisées par LØLØ...
@+
De retour de mon jardin, je suis passé par mon Land (j'ai fait 10 m, mais c'est du luxe, par les temps qui courent ... ).
J'ai testé les clignotants pour couper le moteur, clé en dehors du Neiman : pas d'effets sur l'arrêt du moteur. J'ai recommencé, pour confirmation : idem.
Je ne suis pas surpris par le résultat, car j'imagine que le + qui alimente le commodo pour les clignotants est de même origine que celui pour les feux (code, phares) ?
Faut-il essayer avec le warning ? Je verrai demain au besoin, avec les manips préconisées par LØLØ...
@+
- LØLØ
- Modérateur
- Messages : 6206
- Enregistré le : 30/07/2006 15:41
- Localisation : guainville (28 )
- Contact :
Re: Problèmes électriques suite inversion batterie Defender Td5
Salut,LandLover110 a écrit : 02/04/2020 19:20 Faut-il essayer avec le warning ? Je verrai demain au besoin, avec les manips préconisées par LØLØ...
Tu peux mais a mon avis il ne se passera rien, car ils sont alimenté par un +12V permanent. Mais tu peux essayé tout de même.
A+
2 solutions: la bonne et l'Anglaise
LUCAS: Il n'y a pas de contact où il le faut et il y en a un où il ne faut pas
On ne peut aller loin en amitié, si on n'est pas disposé à se pardonner les uns aux autres les petits défauts.
www.eternal-vehicles.fr
LUCAS: Il n'y a pas de contact où il le faut et il y en a un où il ne faut pas
On ne peut aller loin en amitié, si on n'est pas disposé à se pardonner les uns aux autres les petits défauts.
www.eternal-vehicles.fr
- LØLØ
- Modérateur
- Messages : 6206
- Enregistré le : 30/07/2006 15:41
- Localisation : guainville (28 )
- Contact :
Re: Problèmes électriques suite inversion batterie Defender Td5
Salut,
Pour Volta un petit schéma pour illustrer notre conversation téléphonique... Pour mémoire, le principe alimentation du main relais dont l'alim est maintenue via le switch a inertie: Un défaut dans le header ( collecteur de raccordement C0291 ) peut entrainer un auto maintient de la bobine du relais principal qui maintient l'alimentation du calculateur.
A+
Pour Volta un petit schéma pour illustrer notre conversation téléphonique... Pour mémoire, le principe alimentation du main relais dont l'alim est maintenue via le switch a inertie: Un défaut dans le header ( collecteur de raccordement C0291 ) peut entrainer un auto maintient de la bobine du relais principal qui maintient l'alimentation du calculateur.
A+
2 solutions: la bonne et l'Anglaise
LUCAS: Il n'y a pas de contact où il le faut et il y en a un où il ne faut pas
On ne peut aller loin en amitié, si on n'est pas disposé à se pardonner les uns aux autres les petits défauts.
www.eternal-vehicles.fr
LUCAS: Il n'y a pas de contact où il le faut et il y en a un où il ne faut pas
On ne peut aller loin en amitié, si on n'est pas disposé à se pardonner les uns aux autres les petits défauts.
www.eternal-vehicles.fr
- LandLover110
- Habitué
- Messages : 213
- Enregistré le : 18/02/2011 18:27
- Localisation : Amiens
Re: Problèmes électriques suite inversion batterie Defender Td5
Bonjour LØLØ
Je cherche en vain comment accéder à la broche 16 de C0658 : elle a quelle allure, et où se situe-t-elle ?
Dans un de mes derniers messages, javais testé ces deux broches et je les ai débranché avec bien du mal.
S'agit-il de la même broche, la grise, près du bocal de sur-pression du circuit de chauffage : De même, comment accéder aux cosses de la pédale de frein pour faire la mesure en tension ? Est ce coté moteur ou dans l'habitacle, au dessus du pédalier (et comment y accéder ...) ?
Merci de ton aide et à bientôt !
Bien amicalement,
LandLover 110
Je cherche en vain comment accéder à la broche 16 de C0658 : elle a quelle allure, et où se situe-t-elle ?
Dans un de mes derniers messages, javais testé ces deux broches et je les ai débranché avec bien du mal.
S'agit-il de la même broche, la grise, près du bocal de sur-pression du circuit de chauffage : De même, comment accéder aux cosses de la pédale de frein pour faire la mesure en tension ? Est ce coté moteur ou dans l'habitacle, au dessus du pédalier (et comment y accéder ...) ?
Merci de ton aide et à bientôt !
Bien amicalement,
LandLover 110
- LØLØ
- Modérateur
- Messages : 6206
- Enregistré le : 30/07/2006 15:41
- Localisation : guainville (28 )
- Contact :
Re: Problèmes électriques suite inversion batterie Defender Td5
Salut,LandLover110 a écrit : 04/04/2020 18:15 Je cherche en vain comment accéder à la broche 16 de C0658 : elle a quelle allure, et où se situe-t-elle ?
De même, comment accéder aux cosses de la pédale de frein pour faire la mesure en tension ? Est ce coté moteur ou dans l'habitacle, au dessus du pédalier (et comment y accéder ...) ?
C'est relativement simple, dans le compartiment moteur au niveau du maitre cylindre vers la plaque constructeur. tu défais la cosse, et tu mets un petit bout de fil dénudé au deux extimités dedans en veillant a ne pas toucher la carrosserie, car +12V après contact. Mesure coté arrivé du +12V d'abord c'est à dire coté du connecteur C0075, où il y a le fil vert liserè violet qui est connecté . Moteur arrêté sans clef V =
Moteur tournant normalement avec la clef, V=
Moteur tournant sans la clef V=
Enfin si tu peux surveiller se qu'il se passe quand tu appuis sur la pédale de frein pour arrêter le moteur ? Avec le connecteur de tablier gris (C0162) connecté et le connecteur de tablier gris déconnecté. Relève les tensions final dans les deux cas.
Tu confirmes, que si le fil vert liserè violet n'est pas relié au contacteur de frein, alors le moteur ne s'arrête pas, quand tu retires la clef du neiman et que tu appuis sur la pédale ?
Si tu as du mal a défaire le connecteur de tablier gris C0162, c'est que tu n’appuies pas bien au bon endroit. Il y a une clef de verrouillage sur le coté, il faut bien appuyer avec le pouce avant de tirer : Bon confinementDans un de mes derniers messages, javais testé ces deux broches et je les ai débranché avec bien du mal.
A+
2 solutions: la bonne et l'Anglaise
LUCAS: Il n'y a pas de contact où il le faut et il y en a un où il ne faut pas
On ne peut aller loin en amitié, si on n'est pas disposé à se pardonner les uns aux autres les petits défauts.
www.eternal-vehicles.fr
LUCAS: Il n'y a pas de contact où il le faut et il y en a un où il ne faut pas
On ne peut aller loin en amitié, si on n'est pas disposé à se pardonner les uns aux autres les petits défauts.
www.eternal-vehicles.fr
Re: Problèmes électriques suite inversion batterie Defender Td5
Je pense qu'il faut arrêter d'investiguer du côté de la pédale de frein...
Pour rappel, de ce que j'avais pu mesurer à Hiermont, on avait ceci:
170mA du fusible vers l'alternateur moteur en marche et 51mA de l'alternateur vers le fusible moteur tournant en panne...
Ce qui fait que, le courant repart en sens inverse, et va réalimenter toute la partie (+) APC... Je pense qu'il va être judicieux d'une part de refaire quelques vérifs qu'on a oubliées mais aussi de voir certains endroits où on est pas allés...
Notamment cette histoire d'alim des broches 1 de C0230 et 16 de C0233...
Refaire le test en enlevant F7 avant de couper le moteur.
Regarder quelle tension on a, F7 enlevé, sur le jaune/marron venant de l'alternateur moteur tournant.
Refaire un test en enlevant F6, et regarder quelle tension on a sur le vert/jaune venant de l'alternateur moteur tournant...
Vérifier la masse sur 8 de C0230.
Vérifier quelle tension on a sur le 33 de C0658 (alim +APC de l'ECU) dans les 3 cas: contact mis, moteur en marche, et en panne...
Concernant RL100, il existe une tempo à la coupure du contact de 15 secondes... de mémoire, je l'ai fait tester à Philippe...
Si fuite il y a, on peut le savoir en faisant ceci:
Mettre le contact sans moteur ... couper le contact... attendre 15 secondes... normalement on doit entendre "clic" ce qui indique que le relais est "tombé"...
Si il y a auto-maintient du relais, normalement, au bout des 15 secondes on devrait être fixés...
Edit: Je viens de vérifier jusqu'où on peut descendre en tension avant que l'ECU cesse de fonctionner...
pas facile, car le Nano est alimenté avec la même tension que celle de l'ECU, et si j'alimente en 12V externe le Nano par sa prise alim, celle-ci réalimente l'ECU...
Mais l'ECU semble fonctionner encore à 5V...
En revanche: conso= 200mA... D'où l'importance d'aller vérifier la tension qui arrive sur 33 de C0658 "en panne"...
Edit2: Je viens de terminer la rédaction dune procédure de tests....
Il faut qu'on en parle avant que tu l'utilises... histoire de voir si il n'y a pas de bug dedans... LØLØ: si tu vois tu vois un truc louche n'hésite pas!
@Philippe: tu pourras l'imprimer en 2 ou 3 exemplaires si tu veux, 1 que tu peux garder propre, 1 où tu peux mettre des annotations supplémentaires avant de commencer, et 1 sur le chantier pour barrer les lignes au fur et à mesure....
Edit3: Suite à notre conversation téléphonique, je me suis rappelé qu'il y avait un micmac entre la numérotation des fusibles sur le schéma, et celle de l'étiquette de la boîte à fusible...
voir ces discussions:
viewtopic.php?p=90092#p90092
viewtopic.php?&p=90567#p90567
Pour ce qui concerne la procédure de tests, les numéros de fusibles correspondent à la numérotation notée en rouge sur cette vue:
Soit "à l'envers" par rapport des N° de l'étiquette de la boîte à fusibles...
Mes hobbies: le dressage de puces et la couture sur tôle!
- archibal3
- Habitué
- Messages : 109
- Enregistré le : 12/04/2007 12:54
- Localisation : 67 proche strasbourg
Re: Problèmes électriques suite inversion batterie Defender Td5
Bonjour
Je n'ai pas tout relu et je ne sais donc pas si tu as résolu ton problème.
Mais je viens de voir une inter sur FB et j'ai tout de suite pensé à ton problème.
Mais comme tu avais changé l'alternateur, j'ai un doute.
Je n'ai pas tout relu et je ne sais donc pas si tu as résolu ton problème.
Mais je viens de voir une inter sur FB et j'ai tout de suite pensé à ton problème.
Mais comme tu avais changé l'alternateur, j'ai un doute.
Bonjour à tous, si ça peut en aider certains, lorsque j’ai acheté mon 90 TD5 de 2000, il y a 1 an, le moteur ne se stoppait pas avec la clé de contact, il faillait créer un courant de fuite en appuyant sur la pédale de frein et le moteur se mettait enfin à l’arrêt. Après de multiples recherches et 2 garages qui n’ont pas trouvés le problème, j’ai fini par identifier le coupable : le régulateur d’alternateur, vissé sur l’alternateur, une dizaine d’€ pour le changer ! Ceci dit, ça n'a pas été un point pris en compte lors du CT.
tactile inside