Support démontage R380 LT77
Règles du forum
En naviguant sur le site http://www.landroverfaq.com vous reconnaissez avoir lu ses Conditions d’Utilisation, vous déclarez les comprendre et vous acceptez d’y être lié de manière inconditionnelle. Si tel n'est pas le cas, merci de quitter immédiatement ce site.
Vous pouvez joindre autant d'images que nécessaire à vos messages A LA CONDITION EXPRESSE d'utiliser l'hébergement fourni par le site.
L'administrateur effacera systématiquement tout message contenant des photos hébergées chez Imageschack, Casimage, Wistiti ou tout autre hébergeur tiers sans sommation ni justification.
En naviguant sur le site http://www.landroverfaq.com vous reconnaissez avoir lu ses Conditions d’Utilisation, vous déclarez les comprendre et vous acceptez d’y être lié de manière inconditionnelle. Si tel n'est pas le cas, merci de quitter immédiatement ce site.
Vous pouvez joindre autant d'images que nécessaire à vos messages A LA CONDITION EXPRESSE d'utiliser l'hébergement fourni par le site.
L'administrateur effacera systématiquement tout message contenant des photos hébergées chez Imageschack, Casimage, Wistiti ou tout autre hébergeur tiers sans sommation ni justification.
Support démontage R380 LT77
Hello
Dans la RTA est donné le plan d'un support de demontage pour LT77
Quelqu'un saurait il me dire si ce support est identique sur la r380 ?
Dans la RTA est donné le plan d'un support de demontage pour LT77
Quelqu'un saurait il me dire si ce support est identique sur la r380 ?
- The Pater
- Modérateur
- Messages : 13977
- Enregistré le : 25/08/2004 8:19
- Localisation : 06°27'46"E 45°50'29"N
Re: Support démontage R380 LT77
Démonter ou désassembler ?Camembert a écrit : 14/11/2020 17:23 Hello
Dans la RTA est donné le plan d'un support de demontage pour LT77
Quelqu'un saurait il me dire si ce support est identique sur la r380 ?
Ingénieur :
Personne faisant un travail divinatoire de précision basé sur des informations peu fiables données par des personnes peu qualifiées, voire ignorantes.
=>, magicien, devin, sorcier
Personne faisant un travail divinatoire de précision basé sur des informations peu fiables données par des personnes peu qualifiées, voire ignorantes.
=>, magicien, devin, sorcier
Re: Support démontage R380 LT77
Désacoupler du moteur 
-
RR VM 1992
Support démontage R380 LT77
Un truc comme ça ?
Pas compliqué à fabriquer
Pas compliqué à fabriquer
Re: Support démontage R380 LT77
Génial.
Merci m'sieur
Re: Support démontage R380 LT77
- The Pater
- Modérateur
- Messages : 13977
- Enregistré le : 25/08/2004 8:19
- Localisation : 06°27'46"E 45°50'29"N
Re: Support démontage R380 LT77
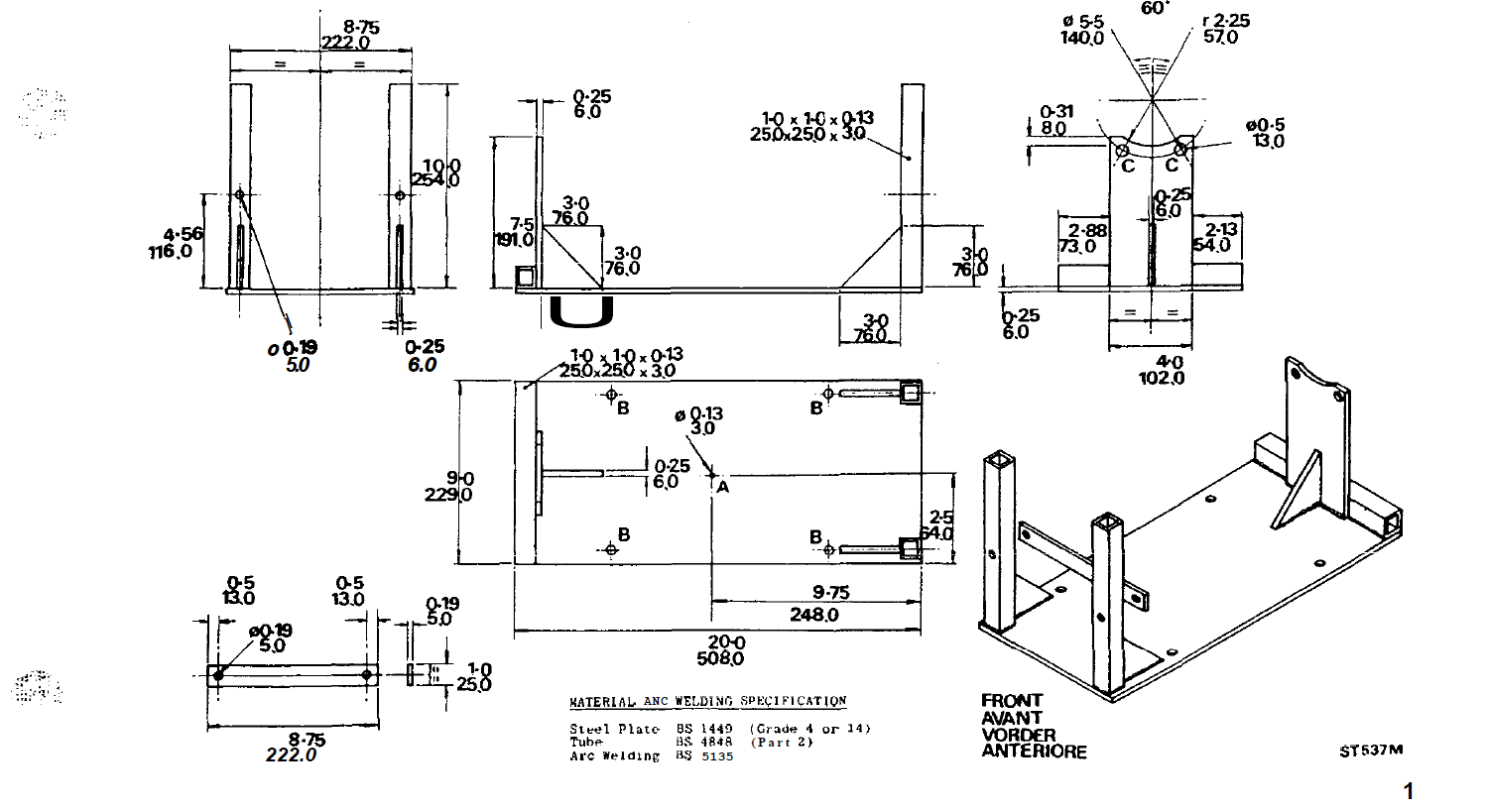
Ce que tu montre concerne la BT seule.
Le support pour BV est différent. Voilà : Voilà pour la LT77 : Le manuel du 300 Tdi donne un support pour la BT et un support pour la BV, avec l'idée que l'on démonte la BT puis la BV du véhicule.
Est-ce que le support de la LT77+BT convient aussi pour la R380+BT ? Peut être mais je ne peux pas confirmer.
A+
Ingénieur :
Personne faisant un travail divinatoire de précision basé sur des informations peu fiables données par des personnes peu qualifiées, voire ignorantes.
=>, magicien, devin, sorcier
Personne faisant un travail divinatoire de précision basé sur des informations peu fiables données par des personnes peu qualifiées, voire ignorantes.
=>, magicien, devin, sorcier
Re: Support démontage R380 LT77
Je vais tenter. Et au besoin j'adapte à grands coups de disqueuse. Le support hein, pas la boiteThe Pater a écrit : 15/11/2020 21:59
Le support pour BV est différent. Voilà :
support R380.png
Voilà pour la LT77 :
Support LT77 avec BT.png
Le manuel du 300 Tdi donne un support pour la BT et un support pour la BV, avec l'idée que l'on démonte la BT puis la BV du véhicule.
Est-ce que le support de la LT77+BT convient aussi pour la R380+BT ? Peut être mais je ne peux pas confirmer.
A+
-
RR VM 1992
Re: Support démontage R380 LT77
Perso selon l'endroit où je bricole j'utilise soit :
- un gros vérin de fosse équipé d'un berceau avec des sangles pour reculer l'ensemble boite et transfert (pour changer mes embrayages),
- soit je pose avec mon pont l'ensemble boite et transfert sur une table élévatrice étroite* mais solide en acier (quand je remplace une boite et/ou un transfert).
*Technique moto pas cher dans les 52 euros là : https://www.amazon.fr/Arebos-Bequielle- ... 310&sr=8-5
Les supports sont facile à modifier pour une stabiliser une boite de Land.
- un gros vérin de fosse équipé d'un berceau avec des sangles pour reculer l'ensemble boite et transfert (pour changer mes embrayages),
- soit je pose avec mon pont l'ensemble boite et transfert sur une table élévatrice étroite* mais solide en acier (quand je remplace une boite et/ou un transfert).
*Technique moto pas cher dans les 52 euros là : https://www.amazon.fr/Arebos-Bequielle- ... 310&sr=8-5
Les supports sont facile à modifier pour une stabiliser une boite de Land.
Re: Support démontage R380 LT77
Sauf que je bosse sur le dos par terre avec le disco sur chandelles.
J'ai sorti la boite au cric de moto avec quelques bastaings pour la caler. Ça a fait le job.
Pour la remettre en place je veux pas me faire chier. Et un support qui donne le bon angle et permet de la tenir dans l'axe, c'est un sacré gain de temps. D'autant que ledit support devrai être fait en une heure de temps et quelques cordons de soudure.
J'ai sorti la boite au cric de moto avec quelques bastaings pour la caler. Ça a fait le job.
Pour la remettre en place je veux pas me faire chier. Et un support qui donne le bon angle et permet de la tenir dans l'axe, c'est un sacré gain de temps. D'autant que ledit support devrai être fait en une heure de temps et quelques cordons de soudure.