Defender TD5 : freins AR insuffisants
Règles du forum
En naviguant sur le site http://www.landroverfaq.com vous reconnaissez avoir lu ses Conditions d’Utilisation, vous déclarez les comprendre et vous acceptez d’y être lié de manière inconditionnelle. Si tel n'est pas le cas, merci de quitter immédiatement ce site.
Vous pouvez joindre autant d'images que nécessaire à vos messages A LA CONDITION EXPRESSE d'utiliser l'hébergement fourni par le site.
L'administrateur effacera systématiquement tout message contenant des photos hébergées chez Imageschack, Casimage, Wistiti ou tout autre hébergeur tiers sans sommation ni justification.
En naviguant sur le site http://www.landroverfaq.com vous reconnaissez avoir lu ses Conditions d’Utilisation, vous déclarez les comprendre et vous acceptez d’y être lié de manière inconditionnelle. Si tel n'est pas le cas, merci de quitter immédiatement ce site.
Vous pouvez joindre autant d'images que nécessaire à vos messages A LA CONDITION EXPRESSE d'utiliser l'hébergement fourni par le site.
L'administrateur effacera systématiquement tout message contenant des photos hébergées chez Imageschack, Casimage, Wistiti ou tout autre hébergeur tiers sans sommation ni justification.
-
tapis
- Habitué
- Messages : 23
- Enregistré le : 06/08/2006 9:29
- Localisation : hautes pyrénées (65)
- Contact :
Defender TD5 : freins AR insuffisants
Salut.
suite à une longue inactivité de mon def td5 (dû à un problème de culasse félée GO dans huile), je me suis retrouvé avec les pistons des étriers grippés.
Je les ai donc dégrippés et ils refonctionnent correctement (pistons entièrement libre), sauf que lorsque j'ai passé le def au banc de freinage, l'AV ok, mais l'AR freinage insuffisant. La dureté et la course de la pédale me semble normale.
J'ai donc repurgé (ar droit, ar gauche, av droit, av gauche), pas d'air dans le circuit, repassage au banc, même verdict voir un chouilla mieux.
J'ai vérifié voir si ça venait pas de la pompe à vide en défaisant la durite arrivant au mastervac, toujours pareil.
Le maître cylindre je pense pas vu que j'ai l'avant qui freine.
D'après vous de quoi cela peut il venir? des répartiteurs? si je ne me trompe pas, il y en a 2 (1 situé au moteur et l'autre sur le pont AR).
Ce pb peut-il venir d'un des répartiteurs? son fonctionnement je ne le connais pas.
suite à une longue inactivité de mon def td5 (dû à un problème de culasse félée GO dans huile), je me suis retrouvé avec les pistons des étriers grippés.
Je les ai donc dégrippés et ils refonctionnent correctement (pistons entièrement libre), sauf que lorsque j'ai passé le def au banc de freinage, l'AV ok, mais l'AR freinage insuffisant. La dureté et la course de la pédale me semble normale.
J'ai donc repurgé (ar droit, ar gauche, av droit, av gauche), pas d'air dans le circuit, repassage au banc, même verdict voir un chouilla mieux.
J'ai vérifié voir si ça venait pas de la pompe à vide en défaisant la durite arrivant au mastervac, toujours pareil.
Le maître cylindre je pense pas vu que j'ai l'avant qui freine.
D'après vous de quoi cela peut il venir? des répartiteurs? si je ne me trompe pas, il y en a 2 (1 situé au moteur et l'autre sur le pont AR).
Ce pb peut-il venir d'un des répartiteurs? son fonctionnement je ne le connais pas.
on m'enlèvera pas de l'idée que la connerie est une forme d'intelligence.
- jean-yves 26
- Habitué
- Messages : 2879
- Enregistré le : 06/11/2004 16:30
- Localisation : valence 26
- The Pater
- Modérateur
- Messages : 13960
- Enregistré le : 25/08/2004 8:19
- Localisation : 06°27'46"E 45°50'29"N
J'ai eu un problème similaire sur ma moto, pour le frein arrière. Une purge, pas de résultats. Démontage des plaquettes pour voir les pistons bouger OK.
En désespoir de cause, j'ai purgé, purgé, purgé et le liquide à été complétement renouvellé (plusieurs fois ?) et enfin la dureté du frein et le freinage sont redevenus corrects.
Mystère. Surtout que je change le liquide tous les deux ans.
Pour revenir à ton 90 Td5 :
Est-il équipé d'ABS ou pas ?
Le freinage à l'arrière est-il insuffisant, mais symétrique ?
As tu bien remis les plaquettes de frein à leur position initiale ?
Ce que je connais bien c'est le freinage du 90 300 Tdi sans ABS. je suppose que c'est la même chose pour le 90 Td5 sans ABS.
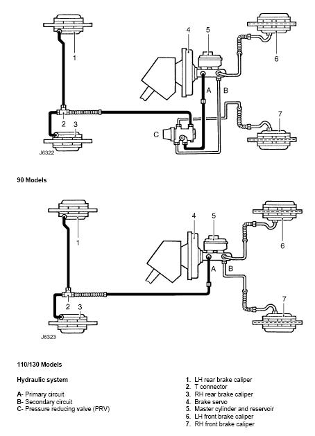
A l'arrière sur le pont le répartiteur n'est qu'un raccord en T. Il ne peut pas être la cause, sauf en cas de fuite de liquide à son niveau.
En remontant le circuit, tu tombes sur sur un système de réduction de pression basé, si j'ai bien compris (jamais démonté), sur un système à inertie. Plus tu déccélères rapidement, plus le système réduit la pression dans le circuit arrière pour éviter de bloquer les roues arrières en cas de fort transfert de charge.
Si ce systeme est la cause des désagréments, voici mon hypothèse :
Tu as eu les pistons d'étrier de grippés : cela peut vouloir dire que le liquide de frein était pollué par de l'eau (tu changes le liquide tous les combiens ?) et que de la corrosion a aussi eu lieu dans le corps du système de réduction de pression. Il a suffit que tu freine un peu fort une fois pour que les pièces mobiles du système bougent, mais ne reviennent pas en place comme il faudrait. Cela laisse le systeme en réduction de pression à l'arrière de façon continue.
Bon, ce n'est qu'une hypothèse.
En remontant encore dans le circuit, tu tombes sur le cylindre émetteur.
Ici, il suffit que la coupelle arrière, comprimant le liquide pour les frein arrière soit détériorée (ou l'alésage du cylindre détérioré par la corrosion), mais que la coupelle comprimant le liquide pour les freins avant soit bonne, pour que tu n'ait plus beaucoup de frein sur l'arrière alors que l'avant freine bien.
Voilà, j'espère que cela te donneras des idées.
A+
En désespoir de cause, j'ai purgé, purgé, purgé et le liquide à été complétement renouvellé (plusieurs fois ?) et enfin la dureté du frein et le freinage sont redevenus corrects.
Mystère. Surtout que je change le liquide tous les deux ans.
Pour revenir à ton 90 Td5 :
Est-il équipé d'ABS ou pas ?
Le freinage à l'arrière est-il insuffisant, mais symétrique ?
As tu bien remis les plaquettes de frein à leur position initiale ?
Ce que je connais bien c'est le freinage du 90 300 Tdi sans ABS. je suppose que c'est la même chose pour le 90 Td5 sans ABS.
A l'arrière sur le pont le répartiteur n'est qu'un raccord en T. Il ne peut pas être la cause, sauf en cas de fuite de liquide à son niveau.
En remontant le circuit, tu tombes sur sur un système de réduction de pression basé, si j'ai bien compris (jamais démonté), sur un système à inertie. Plus tu déccélères rapidement, plus le système réduit la pression dans le circuit arrière pour éviter de bloquer les roues arrières en cas de fort transfert de charge.
Si ce systeme est la cause des désagréments, voici mon hypothèse :
Tu as eu les pistons d'étrier de grippés : cela peut vouloir dire que le liquide de frein était pollué par de l'eau (tu changes le liquide tous les combiens ?) et que de la corrosion a aussi eu lieu dans le corps du système de réduction de pression. Il a suffit que tu freine un peu fort une fois pour que les pièces mobiles du système bougent, mais ne reviennent pas en place comme il faudrait. Cela laisse le systeme en réduction de pression à l'arrière de façon continue.
Bon, ce n'est qu'une hypothèse.
En remontant encore dans le circuit, tu tombes sur le cylindre émetteur.
Ici, il suffit que la coupelle arrière, comprimant le liquide pour les frein arrière soit détériorée (ou l'alésage du cylindre détérioré par la corrosion), mais que la coupelle comprimant le liquide pour les freins avant soit bonne, pour que tu n'ait plus beaucoup de frein sur l'arrière alors que l'avant freine bien.
Voilà, j'espère que cela te donneras des idées.
A+
Ingénieur :
Personne faisant un travail divinatoire de précision basé sur des informations peu fiables données par des personnes peu qualifiées, voire ignorantes.
=>, magicien, devin, sorcier
Personne faisant un travail divinatoire de précision basé sur des informations peu fiables données par des personnes peu qualifiées, voire ignorantes.
=>, magicien, devin, sorcier
Qui parle de CT?jean-yves 26 a écrit :je pense que s'il n'a pas était reçu au CT c'est que le freinage est insufisant à l'arrière d'après les spécificités du véhicule.
alors pourquoi et comment, je ne peux le dire.. plaquettes, liquide de frein, fuite, bulle d'air, répartiteur Hs ?
" Quand le sage montre la lune; l'idiot regarde son doigt "
- jean-yves 26
- Habitué
- Messages : 2879
- Enregistré le : 06/11/2004 16:30
- Localisation : valence 26
dans la précipication j'ai pris banc de freinage pour CT. scuztorero a écrit :Qui parle de CT?jean-yves 26 a écrit :je pense que s'il n'a pas était reçu au CT c'est que le freinage est insufisant à l'arrière d'après les spécificités du véhicule.
alors pourquoi et comment, je ne peux le dire.. plaquettes, liquide de frein, fuite, bulle d'air, répartiteur Hs ?
et/ou un mélange entre un post du temps des série et ici, de toute manière depuis 1948 pas beaucoup de changement au niveau des emmerdes sur les lands.
jean-yves 26
-
tapis
- Habitué
- Messages : 23
- Enregistré le : 06/08/2006 9:29
- Localisation : hautes pyrénées (65)
- Contact :
slt,
il est sans ABS. Le freinage est insuffisant et symétrique sur l'AR. Les plaquettes ont été bien mises. Au niveau du répartiteur en T à l'AR il n'y a pas de fuite.
Où ce trouve t-il ce système de réduction de pression?
J'ai remonté (de visu) le circuit des étriers AR jusqu'au mastervac, et je n'ai vu que le répartiteur en T et celui alimenté par le maître cylindre placé dans le moteur. Ce répartiteur m'alimente l'AR et la roue AV droite.
Le liquide à été changé lors de l'opération de dégrippage.
Présence d'eau? je vois pas comment, puisque c'est normalement hermétique. Comment détecter la présence d'eau dans le liquide?
Je vais rechanger le liquide pour voir.
Le fait d'une trop longue inutilisation pour les freins, la corrosion cumulé eau et sel peut agir sur quels éléments du système de freinage mis à part les pistons des étriers?
Je l'ai amené à un garage qui a sécher pour me donner une solution, mis à part de changer le maître cylindre, répartiteur, et ... la pompe à vide.
il est sans ABS. Le freinage est insuffisant et symétrique sur l'AR. Les plaquettes ont été bien mises. Au niveau du répartiteur en T à l'AR il n'y a pas de fuite.
Où ce trouve t-il ce système de réduction de pression?
J'ai remonté (de visu) le circuit des étriers AR jusqu'au mastervac, et je n'ai vu que le répartiteur en T et celui alimenté par le maître cylindre placé dans le moteur. Ce répartiteur m'alimente l'AR et la roue AV droite.
Le liquide à été changé lors de l'opération de dégrippage.
Présence d'eau? je vois pas comment, puisque c'est normalement hermétique. Comment détecter la présence d'eau dans le liquide?
Je vais rechanger le liquide pour voir.
Le fait d'une trop longue inutilisation pour les freins, la corrosion cumulé eau et sel peut agir sur quels éléments du système de freinage mis à part les pistons des étriers?
Je l'ai amené à un garage qui a sécher pour me donner une solution, mis à part de changer le maître cylindre, répartiteur, et ... la pompe à vide.
on m'enlèvera pas de l'idée que la connerie est une forme d'intelligence.
- Mauresque
- Webmaster
- Messages : 3825
- Enregistré le : 06/05/2004 12:53
- Localisation : Caromb, Vaucluse (84)
- Contact :
Je pense qu'il y a déjà une erreur dans ton identification des différentes pièces du circuit de freinage et sur leur fonction, qui pourrait t'induire en erreur.tapis a écrit :slt,
il est sans ABS. Le freinage est insuffisant et symétrique sur l'AR. Les plaquettes ont été bien mises. Au niveau du répartiteur en T à l'AR il n'y a pas de fuite.
Où ce trouve t-il ce système de réduction de pression?
Ce que tu appelles "répartiteur en T" n'est pas un répartiteur mais simplement un T de dérivation. Il y en a un sur chaque train de roues. Il n'a aucune fonction de régulation, il est juste là pour diviser la ligne de frein unique qui arrive du maitre-cylindre en deux, puisqu'on a deux roues...
Un répartiteur a pour fonction uniquement de répartir la puissance de freinage entre l'avant et l'arrière.
Certains circuits de freinage ont un répartiteur installé après le maitre-cylindre, pour doser de façon prédéterminée ou réglable la répartition de la puissance de freinage avant / arrière, d'autres n'en ont pas.
Dans ce cas c'est le maitre cylindre qui s'occupe de répartir le freinage, c'est le cas de tous les 90" jusqu'au 300TDI, et certainement des TD5 bien que je n'en sois pas 100% sûr. Le rapport de répartition est fixe et calibré une fois pour toutes.
Il y a par contre une soupape de sécurité sur le circuit de freinage d'un Defender : deux lignes partent du maitre-cylindre (une avant, une arrière) et aboutissent sur un boitier situé sur le longeron avant côté passager dans le compartiment moteur. Si la soupape détecte une chute de la pression sur l'une ou l'autre des lignes (donc une rupture de celle-ci) toute la puissance passe sur l'autre, et la fautive est condamnée.
Lors du freinage le lockheed chauffe énormément, si des bulles d'air sont présentes dans le circuit elles chauffent aussi. Et de l'air qui chauffe, ça condense : de l'eau se forme dans le circuit...tapis a écrit :Présence d'eau? je vois pas comment, puisque c'est normalement hermétique.
In a world without walls and fences, who needs Windows and Gates ?
- The Pater
- Modérateur
- Messages : 13960
- Enregistré le : 25/08/2004 8:19
- Localisation : 06°27'46"E 45°50'29"N
le liquide de frein est hydrophile, il absorbe l'eau de l'air. Ton circuit n'est pas totalement hermétique, sinon l'air ne pourrait pas remplacer le vide créé par ll'usure des plaquettes.tapis a écrit : Présence d'eau? je vois pas comment, puisque c'est normalement hermétique. Comment détecter la présence d'eau dans le liquide?
Je vais rechanger le liquide pour voir.
C'est pour cette raison qu'il faut changer le liquide tous les deux ans.
A+
Ingénieur :
Personne faisant un travail divinatoire de précision basé sur des informations peu fiables données par des personnes peu qualifiées, voire ignorantes.
=>, magicien, devin, sorcier
Personne faisant un travail divinatoire de précision basé sur des informations peu fiables données par des personnes peu qualifiées, voire ignorantes.
=>, magicien, devin, sorcier
- Normand 1400
- Habitué
- Messages : 2016
- Enregistré le : 12/01/2006 13:16
- Localisation : Pays de Caux profond
Salut,
Un petit détail, au passage, cité par le Pater :
Reste à savoir si c'est la même chose sur un Td5.
Ce qui veut dire que, même debout sur la pédale, la pression ne monte jamais à l'arrière (cf nos échanges sur le sujet il y a deux ou trois mois avec le Pater).
Tout repose donc sur l'efficacité du contact disques/plaquettes puisque la pression maxi est fixée une fois pour toutes, contrairement à l'avant.
C'est ce tu confirmes, puisqu'il n'y a pas de déséquilibre...
Il se peut que tes plaquettes soient devenues "sèches" ou que le limiteur de pression (s'il s'agit bien de ce montage) se soit légèrement détaré ou corrodé, ce qui est nettement moins probable.
Essaies avec des plaquettes neuves ; ça devrait passer. Saches néanmoins que les valeurs de freinage obtenues à l'arrière sont toujours faibles et que l'efficacité globale du freinage reste toujours ric/rac elle aussi...
Un petit détail, au passage, cité par le Pater :
Sur nos 300, bien que dans la doc les deux montages soient décrits (clapet taré ou clapet inertiel) nous avons un système limitant forfaitairement la pression à l'arrière. Je l'ai déjà ouvert : c'est un clapet taré classique qui limite toujours la pression à une valeur de consigne.En remontant le circuit, tu tombes sur sur un système de réduction de pression basé, si j'ai bien compris (jamais démonté), sur un système à inertie
Reste à savoir si c'est la même chose sur un Td5.
Ce qui veut dire que, même debout sur la pédale, la pression ne monte jamais à l'arrière (cf nos échanges sur le sujet il y a deux ou trois mois avec le Pater).
Tout repose donc sur l'efficacité du contact disques/plaquettes puisque la pression maxi est fixée une fois pour toutes, contrairement à l'avant.
C'est ce tu confirmes, puisqu'il n'y a pas de déséquilibre...
Il se peut que tes plaquettes soient devenues "sèches" ou que le limiteur de pression (s'il s'agit bien de ce montage) se soit légèrement détaré ou corrodé, ce qui est nettement moins probable.
Essaies avec des plaquettes neuves ; ça devrait passer. Saches néanmoins que les valeurs de freinage obtenues à l'arrière sont toujours faibles et que l'efficacité globale du freinage reste toujours ric/rac elle aussi...
- The Pater
- Modérateur
- Messages : 13960
- Enregistré le : 25/08/2004 8:19
- Localisation : 06°27'46"E 45°50'29"N
Cette valeur de consigne doit être extrêment faible pour éviter de bloquer l'arrière en cas de fort transfert de charge.Normand 1400 a écrit : Sur nos 300, bien que dans la doc les deux montages soient décrits (clapet taré ou clapet inertiel) nous avons un système limitant forfaitairement la pression à l'arrière. Je l'ai déjà ouvert : c'est un clapet taré classique qui limite toujours la pression à une valeur de consigne.
De plus cela serait bien dommage de ne pas faire participer plus l'arrière en cas de freinage "doux" avec un véhicule chargé.
Cela va à l'encontre d'un freinage efficace qui fait varier la pression arrière en fonction du transfert de charge..
Mais bon, pourquoi pas. Peut être qu'ils considèrent que le transfert de charge ne sera jamais suffisant pour vraiment délester l'arrière et qu'une simple limitation de pression convient.
Note : pour les 110 et 130, à cause de l'empattement, le transfert de charge est moindre qu'avec le 90 et il n'y a pas de PRV sur ceux-là, sauf si la legislation l'y oblige. Cela irai donc dans le sens d'un limitateur de pression....
Pourrais tu faire un dessin du fonctionnement du PRV puisque tu l'as démonté ?
A+
Ingénieur :
Personne faisant un travail divinatoire de précision basé sur des informations peu fiables données par des personnes peu qualifiées, voire ignorantes.
=>, magicien, devin, sorcier
Personne faisant un travail divinatoire de précision basé sur des informations peu fiables données par des personnes peu qualifiées, voire ignorantes.
=>, magicien, devin, sorcier
- Normand 1400
- Habitué
- Messages : 2016
- Enregistré le : 12/01/2006 13:16
- Localisation : Pays de Caux profond
Tu as raison en effet. Ce qui, d'après mes petits calculs, rend cela admissible, c'est la hauteur du centre de gravité des Land, qui provoque un important délestage de l'arrière quelles que soient les conditions de charge.Cette valeur de consigne doit être extrêment faible pour éviter de bloquer l'arrière en cas de fort transfert de charge.
De plus cela serait bien dommage de ne pas faire participer plus l'arrière en cas de freinage "doux" avec un véhicule chargé.
Cela va à l'encontre d'un freinage efficace qui fait varier la pression arrière en fonction du transfert de charge..
Pour le croquis, je pense que, dans mon fouillis, je dois avoir mieux qu'un minable crobard fait à main levée...
Je regarde ce soir
à +
- disco200tdi
- Habitué
- Messages : 755
- Enregistré le : 16/11/2005 21:30
- Localisation : Meuse
Bonjour à tous, 
Pour comprendre comment fonctionnent les freins sur mon Disco200, j'ai fait un schéma du système.
Il diffère des modèles suivant qui ont été simplifiés.
Toutefois, je pense que le fonctionnement du limiteur doit être proche.


Lorsque l'on freine, la pression déplace le piston du limiteur vers la bille jusqu'à ce dernier vienne en contact.
La bille ferme alors le circuit arrière, limitant la pression de freinage sur l'arrière. La chambre du corps de limiteur est à l'air libre.
Une encoche est faite sous le bouchon d'entrée (en rose sur le schéma).
Pour comprendre comment fonctionnent les freins sur mon Disco200, j'ai fait un schéma du système.
Il diffère des modèles suivant qui ont été simplifiés.
Toutefois, je pense que le fonctionnement du limiteur doit être proche.


Lorsque l'on freine, la pression déplace le piston du limiteur vers la bille jusqu'à ce dernier vienne en contact.
La bille ferme alors le circuit arrière, limitant la pression de freinage sur l'arrière. La chambre du corps de limiteur est à l'air libre.
Une encoche est faite sous le bouchon d'entrée (en rose sur le schéma).
Toujours vert, surtout dans les dévers.
- disco200tdi
- Habitué
- Messages : 755
- Enregistré le : 16/11/2005 21:30
- Localisation : Meuse
Les schémas c'est facile, par contre j'ai un doute:
En effet, lorsque le système est en équilibre (bille en contact avec le piston) et que l'on exerce un effort plus important sur la pédale, le piston sera t il repoussé dans son logement, permettant ainsi d'augmenter la force de freinage sur l'arrière. Jusqu'à un nouvel équilibre de l'ensemble.
La force de freinage à l'arrière étant toujours inférieure à celle de l'avant
Plutôt que de limiteur, ne doit-on pas parler de régulateur.Normand 1400 a écrit : Sur nos 300, bien que dans la doc les deux montages soient décrits (clapet taré ou clapet inertiel) nous avons un système limitant forfaitairement la pression à l'arrière. Je l'ai déjà ouvert : c'est un clapet taré classique qui limite toujours la pression à une valeur de consigne.
Reste à savoir si c'est la même chose sur un Td5.
Ce qui veut dire que, même debout sur la pédale, la pression ne monte jamais à l'arrière (cf nos échanges sur le sujet il y a deux ou trois mois avec le Pater).
Tout repose donc sur l'efficacité du contact disques/plaquettes puisque la pression maxi est fixée une fois pour toutes, contrairement à l'avant.
En effet, lorsque le système est en équilibre (bille en contact avec le piston) et que l'on exerce un effort plus important sur la pédale, le piston sera t il repoussé dans son logement, permettant ainsi d'augmenter la force de freinage sur l'arrière. Jusqu'à un nouvel équilibre de l'ensemble.
La force de freinage à l'arrière étant toujours inférieure à celle de l'avant
Toujours vert, surtout dans les dévers.
- The Pater
- Modérateur
- Messages : 13960
- Enregistré le : 25/08/2004 8:19
- Localisation : 06°27'46"E 45°50'29"N
Y avait qu'à regarder dans mes cours..... OK.
J'ai un peu honte d'avoir toujours cru à un réducteur de pression à inertie.
Sur un Def 300Tdi, en bon français c'est un correcteur by-pass à dérivation.
Oui disco200tdi, pas un limitateur, un correcteur. Sur ton schéma (donc sur le disco), c'est un correcteur sans by-pass.
Note : ta rondelle d'appui, elle est trouée ?
Soit :
Pare : pression entre le maitre cylindre et le correcteur du circuit allant vers l'arrière.
Pars : pression entre le correcteur et les frein arrières
Pav : pression dans le circuit avant
En dessous d'une certaine pression, Pare = Pars.
Par contre, au delà d'une certaine pression, il y a fermeture d'un clapet puis si la pression Pare augmente, ouverture pour laisser la Pars augmenter jusqu'à fermeture du clapet.
Le rapport entre Pare et Pars va dépendre des differences des efforts sur le piston à cause des surfaces d'appui du liquide sur ce piston. Par exemple (sur le schéma de disco200tdi), pour une même pression, la surface du piston au niveau de la bille est plus petit que la surface du piston coté rondelle, donc le piston ira vers la gauche.
Le tarage du gros ressort donnera la pression de fermeture.
Donc après la pression "Y" suffisant pour fermer le clapet, Pare n'égale plus Pars, mais Pars = Y + (Pare -Y)/a.
C'est un correcteur de pente de la courbe Pars = f(Pare).
Sur le Def 300 Tdi, c'est un correcteur by-pass.
Le système prend en compte la Pav.
En cas de défaillance du circuit avant, Pav=0, Pars ne sera plus corrigé en fonction du Pav.
Pars sera égale à Pare quelque soit la pression.
Ce que j'écris est basé sur mes cours, mais je n'ai pas le schéma du correcteur by pass de mon véhicule.
Sinon, les schéma du circuit des DEF 300 Tdi :
A+
J'ai un peu honte d'avoir toujours cru à un réducteur de pression à inertie.
Sur un Def 300Tdi, en bon français c'est un correcteur by-pass à dérivation.
Oui disco200tdi, pas un limitateur, un correcteur. Sur ton schéma (donc sur le disco), c'est un correcteur sans by-pass.
Note : ta rondelle d'appui, elle est trouée ?
Soit :
Pare : pression entre le maitre cylindre et le correcteur du circuit allant vers l'arrière.
Pars : pression entre le correcteur et les frein arrières
Pav : pression dans le circuit avant
En dessous d'une certaine pression, Pare = Pars.
Par contre, au delà d'une certaine pression, il y a fermeture d'un clapet puis si la pression Pare augmente, ouverture pour laisser la Pars augmenter jusqu'à fermeture du clapet.
Le rapport entre Pare et Pars va dépendre des differences des efforts sur le piston à cause des surfaces d'appui du liquide sur ce piston. Par exemple (sur le schéma de disco200tdi), pour une même pression, la surface du piston au niveau de la bille est plus petit que la surface du piston coté rondelle, donc le piston ira vers la gauche.
Le tarage du gros ressort donnera la pression de fermeture.
Donc après la pression "Y" suffisant pour fermer le clapet, Pare n'égale plus Pars, mais Pars = Y + (Pare -Y)/a.
C'est un correcteur de pente de la courbe Pars = f(Pare).
Sur le Def 300 Tdi, c'est un correcteur by-pass.
Le système prend en compte la Pav.
En cas de défaillance du circuit avant, Pav=0, Pars ne sera plus corrigé en fonction du Pav.
Pars sera égale à Pare quelque soit la pression.
Ce que j'écris est basé sur mes cours, mais je n'ai pas le schéma du correcteur by pass de mon véhicule.
Sinon, les schéma du circuit des DEF 300 Tdi :
A+
Modifié en dernier par The Pater le 16/05/2009 17:26, modifié 2 fois.
Ingénieur :
Personne faisant un travail divinatoire de précision basé sur des informations peu fiables données par des personnes peu qualifiées, voire ignorantes.
=>, magicien, devin, sorcier
Personne faisant un travail divinatoire de précision basé sur des informations peu fiables données par des personnes peu qualifiées, voire ignorantes.
=>, magicien, devin, sorcier
Autre petite précision quant à absorption d'eau par le liquide de frein: le réservoir est en plastique or le plastique est tout sauf étanche à la vapeur d'eau... Le lockeed étant très hydrophile, celui-ci pompera la dite vapeur d'eau directement à travers le plastique mais aussi via le col/pas devis/bouchon !!
RR (ab)user
Salut à tous!
J'ai fait une photo du répartiteur du td5.
Le maitre cylindre a 3 sortie.Le répartiteur a deux entrées et deux sorties.
Le frein avant gauche est directement alimenté par le maitre cylindre.Les deux autres tuyauteries qui partent du maitre cylindre viennent se brancher sur la partie inférieure du répartiteur.De là, une tuyauterie part vers l'étrier avant droit et l'autre vers les étriers arrières via le raccord en T.
Pour ce qui est du fonctionnement du répartiteur, aucune idée.Mais peut être qu'avec la photo quelqu'un pourra nous renseigner?

J'ai fait une photo du répartiteur du td5.
Le maitre cylindre a 3 sortie.Le répartiteur a deux entrées et deux sorties.
Le frein avant gauche est directement alimenté par le maitre cylindre.Les deux autres tuyauteries qui partent du maitre cylindre viennent se brancher sur la partie inférieure du répartiteur.De là, une tuyauterie part vers l'étrier avant droit et l'autre vers les étriers arrières via le raccord en T.
Pour ce qui est du fonctionnement du répartiteur, aucune idée.Mais peut être qu'avec la photo quelqu'un pourra nous renseigner?

" Quand le sage montre la lune; l'idiot regarde son doigt "