Tuto installation Rampe éclairage

Bidouillages électriques, codes d'erreur ECU...

Modérateurs : The Pater, LØLØ

Règles du forum
En naviguant sur le site http://www.landroverfaq.com vous reconnaissez avoir lu ses Conditions d’Utilisation, vous déclarez les comprendre et vous acceptez d’y être lié de manière inconditionnelle. Si tel n'est pas le cas, merci de quitter immédiatement ce site.

Vous pouvez joindre autant d'images que nécessaire à vos messages A LA CONDITION EXPRESSE d'utiliser l'hébergement fourni par le site.

L'administrateur effacera systématiquement tout message contenant des photos hébergées chez Imageschack, Casimage, Wistiti ou tout autre hébergeur tiers sans sommation ni justification.
Répondre
Edyh54
Habitué
Messages : 18
Enregistré le : 27/02/2021 21:44

Tuto installation Rampe éclairage

Message non lu par Edyh54 »

Bonjour,

je cherche un tuto détaillant pas à pas, l'installation d'une rampe Led. Si possible sur un def TD5.

D'avance merci de votre aide :)
DEFENDER G4 Edition 110 TD5
RR VM 1992

Re: Tuto installation Rampe éclairage

Message non lu par RR VM 1992 »

Mes compétences sont très limité en ce domaine mais j'avoue avoir accroché un sapin qui pue au rétroviseur de ma belle-mère avec du fil électrique.... :mrgreen:
Rétro.jpg
Sinon, me concernant, pour l'odeur de sapin je préfère en mettre un max dans la benne de mon PU et du coup les phares éclairent plus haut :idea:
sapin-HCPU.jpg
Je laisse maitre LOLO répondre que le LED c'est mauvais car ça balance des fréquences harmoniques dans la radio qui du coup devient inaudible :sm5:
Edyh54
Habitué
Messages : 18
Enregistré le : 27/02/2021 21:44

Re: Tuto installation Rampe éclairage

Message non lu par Edyh54 »

Je ne connais pas ton expertise en Elec, mais tu as l'air de fumer des trucs très qualitatifs :lol:
DEFENDER G4 Edition 110 TD5
RR VM 1992

Re: Tuto installation Rampe éclairage

Message non lu par RR VM 1992 »

Oui tu as raison le sapin c'est dangereux pour la conduite...

Pour poursuivre sur ce sujet en matière de "trucs dangereux par homologués" il y a d'horribles schémas qui circulent sur les forums 4x4 ; exemple :
schéma électrique Branchement LEDS.jpg
Comme dit plus haut LOLO est le plus compétent ici en matière de schémas électriques pour nos DEF avec pas mal de conseils avisés sur le sujet ; exemple :

viewtopic.php?f=21&t=1710&p=94793&hilit ... ail#p94793

viewtopic.php?p=19868#p19868

viewtopic.php?f=21&t=5436&p=79664&hilit ... ail#p79664

Personnellement j'ai suivi ses conseils et tout mis sur une seconde batterie (Phare, douche, pompe GO additionnelle, webasto, frigo...) vu la sensibilité extrême des circuits électriques TD4 et TD5 :

viewtopic.php?f=21&t=5404&p=79212&hilit ... ail#p79212
Avatar du membre
Largo Winch
Habitué
Messages : 80
Enregistré le : 19/12/2015 14:22
Localisation : Au sud

Re: Tuto installation Rampe éclairage

Message non lu par Largo Winch »

Bonjour à tous
J'ai monté sur mon DEF TD4, des feux à LED dits "de jour" qui s'allument lorsque j'actionne les feux de position.
Il y a un interrupteur au tableau de bord qui permet de ne pas associer les feux à LED aux feux de position.

De la même façon, j'ai monté une barre de LED et des feux ronds longue portée sur la galerie.
Ces feux à LED s'allument lorsque j'actionne les feux de route. Un interrupteur au tableau de bord permet de ne pas allumer les feux à LED et de rester en feux de route normaux.

Pour ce faire, j'ai installé une seconde batterie Optima Jaune dans le logement sous le siège conducteur à côté de la batterie d'origine.
J'ai également installé un coupleur répartiteur entre les deux batteries.

Tous les instruments nouveaux sont reliés à la seconde batterie.
Un fil part de la seconde batterie (avec un fusible 40 A) vers le dessous du tableau de bord dans la boite à gants en passant sous la moquette.

Dans l'espace sous le tableau de bord en face du passager ( la boite à gants), il y a les trois relais qui commandent :
  • les feux de jour (pilotés par la commande des feux de position)
    la rampe de LED et les feux Longue Portée pilotés par la commande des feux de route.
J'ai pris la commande du relais "Rampe à LED sur le +12 V qui est alimenté lorsque que l'on est en feu de route et la commande du relais "feux de jour" sur le +12 V qui est alimenté lorsque l'on est en feu de position (dans le phare droit).
Les fils sont passés à travers le tablier dans les passe fils en caoutchouc prévus à cet effet.

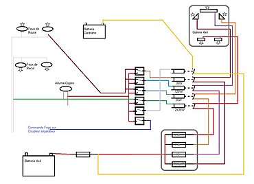
Le schéma pour les trois montages (feux de jour pris sur le fil des feux de position, rampe à lED et Longue portée sur le fil des feux de route.
Image

Le tableau de bord avec les trois interrupteurs au dessous de la boite à gants (en fait le coffre en face du passager sous le tableau de bord)
Image

La récupération du fil 12 V des feux de position dans le phare droit
Image

Le retour de la commande 12V issues du phare droit, vers le tablier pour passer à l'intérieur de l'habitacle vers le relais
Image

Le passage des fils dans le tablier vers le logement sous le tableau de bord en face du passager (noter le fil blanc qui sert de messager pour une prochaine fois)
Image

La face avant avec les feux (on voit la rampe et les longue portée sur le toit)
Image

C'est un peu long à monter proprement mais ça fonctionne depuis plusieurs années sans aucun problème.
Bon courage.
A bientôt
Il faut toujours favoriser ce que l'on est pas en mesure d'empêcher !!! :sm6:
Edyh54
Habitué
Messages : 18
Enregistré le : 27/02/2021 21:44

Re: Tuto installation Rampe éclairage

Message non lu par Edyh54 »

Merci pour tes liens, c'est très clair.

Néanmoins, je pense que la chasse au fil violet n'est pas ma quête. Je pense partir de la batterie avec un montage relai fusible et remonter dans le bloc moteur puis jusqu'à la rampe led.

Je en sais pas si je peux cheminer facilement depuis la batterie jusqu'au bloc moteur ?
DEFENDER G4 Edition 110 TD5
Avatar du membre
Largo Winch
Habitué
Messages : 80
Enregistré le : 19/12/2015 14:22
Localisation : Au sud

Re: Tuto installation Rampe éclairage

Message non lu par Largo Winch »

:D :D
Il faudra malgré tout une commande pour allumer la rampe à LED, donc un bouton supplémentaire à mettre au tableau de bord.
L'avantage de se brancher sur les fils des feux de route (respectivement des feux de position) pour commander le relais en rajoutant un interrupteur avec une petite led rouge comme sur la photo, c'est que l'on utilise les commandes initiales du DEF et que l'on peut désactiver ou pas les feux additionnels (en cas de contrôle technique par exemple).

A bientôt
Bon courage.
Il faut toujours favoriser ce que l'on est pas en mesure d'empêcher !!! :sm6:
Avatar du membre
Escanogat
Habitué
Messages : 473
Enregistré le : 01/08/2015 13:11

Re: Tuto installation Rampe éclairage

Message non lu par Escanogat »

Sans vouloir jouer les rabats joie, les barres Led ne doivent pas pouvoir être commandées depuis le poste de conduite. Elles doivent êtres assimilées à des feux de travail. Donc soyez vigilants quant à la discrétion et position des diverses commandes (interrupteurs ou autre ) de vos barres Led. Certains centres de contrôle technique ne pourraient pas vous faire de cadeau.
Edyh54
Habitué
Messages : 18
Enregistré le : 27/02/2021 21:44

Re: Tuto installation Rampe éclairage

Message non lu par Edyh54 »

Largo Winch a écrit : 12/04/2021 18:21 Bonjour à tous
J'ai monté sur mon DEF TD4, des feux à LED dits "de jour" qui s'allument lorsque j'actionne les feux de position.
Il y a un interrupteur au tableau de bord qui permet de ne pas associer les feux à LED aux feux de position.
...................................
C'est un peu long à monter proprement mais ça fonctionne depuis plusieurs années sans aucun problème.
Bon courage.
A bientôt
Merci pour ce tuto précis :) Idéalement, j'ai de la place sur le panneau de commande du TD5, j'aurai aimé mettre un inter et commandé la barre depuis ce bouton. Il faut que je creuse le passage des fils.
DEFENDER G4 Edition 110 TD5
Avatar du membre
Largo Winch
Habitué
Messages : 80
Enregistré le : 19/12/2015 14:22
Localisation : Au sud

Re: Tuto installation Rampe éclairage

Message non lu par Largo Winch »

Dans ce cas, il faut juste que le fil dit de commande soit branché sur le +12 permanent avec l'inter au tableau de bord et ça fonctionne.
Le reste du schéma est le même.

Bon courage.
Il faut toujours favoriser ce que l'on est pas en mesure d'empêcher !!! :sm6:
Répondre

Retourner vers « Electricité • Electronique »