De l'utilité d'une pompe de gavage

Tout ce qui touche à l'alimentation en carburant, réservoir, pompe à essence...

Modérateurs : The Pater, LØLØ

Règles du forum
En naviguant sur le site http://www.landroverfaq.com vous reconnaissez avoir lu ses Conditions d’Utilisation, vous déclarez les comprendre et vous acceptez d’y être lié de manière inconditionnelle. Si tel n'est pas le cas, merci de quitter immédiatement ce site.

Vous pouvez joindre autant d'images que nécessaire à vos messages A LA CONDITION EXPRESSE d'utiliser l'hébergement fourni par le site.

L'administrateur effacera systématiquement tout message contenant des photos hébergées chez Imageschack, Casimage, Wistiti ou tout autre hébergeur tiers sans sommation ni justification.
Avatar du membre
Arnø
Habitué
Messages : 173
Enregistré le : 23/08/2014 7:21
Localisation : Nord

Re: De l'utilité d'une pompe de gavage

Message non lu par Arnø »

Salut,

Je poste ici car il y a eu des précédents.
Suite au changement de ma pompe de gavage, j'ai démonté celle d'origine pour voir ce qui ne fonctionnait plus.
pompe démontée
pompe démontée
Là je me suis fait peur en découvrant ce qui posait problème.
Mauresque a écrit :Sur nos pompes de gavage, ce qui est à craindre c'est la rupture de la membrane et pas la détérioration du système qui l'actionne
Et bien dans mon cas la membrane était en bon état mais c'est justement le système qui actionne celle-ci qui s'est détérioré.
tige cassée à la base
tige cassée à la base
La tige n'étant plus reliée au doigt, aucun pompage posssible...

Même si j'entendais un petit bout de métal se balader dans la pompe, ma crainte était que ce morceau de métal qui se coince dans le doigt soit parti "se balader" du côté de l'arbre à cames. J'ai donc ouvert la pompe à la disqueuse.
P1020734.JPG
J'ai ainsi pu extraire ce morceau qui est normalement fixé au bout de la tige.
tige reconstituée
tige reconstituée
Fort heureusement, sa conception en forme de disque l'empêche de passer par l'espace sous le doigt et de sortir de la pompe.

Bref, je ne sais pas depuis combien de temps ça traîne comme ça mais sans doute depuis que j'ai acheté le disco car avec la nouvelle pompe de gavage j'ai vraiment l'impression qu'il a plus de reprise qu'avant.

A+
Arnø
« On ne règle pas un problème en utilisant le système de pensée qui l'a engendré »
Montauban
Habitué
Messages : 127
Enregistré le : 25/11/2010 12:01

Re: De l'utilité d'une pompe de gavage

Message non lu par Montauban »

Suite à une rupture de ma courroie de distri, j'ai fait pas mal de réparation sur mon land 90 2.5 TD de 1988 (soupapes, culbuteurs, joints culasse)... Je suis en phase de remontage et le moteur ne démarre pas.

Déja le levier de la pompe de fonctionne pas et tourner le vilebrequin, n'améliore rien.

J'ai sorti la pompe et j'arrive à avoir une petite résistance sur le levier mais quasiment pas d'aspiration coté IN, ce qui ne me semble pas normal.
Je suis aussi surpris car la pompe fonctionnait bien avant la rupture de la courroie de distri alors pourquoi aurait elle laché en même temps ?
J'ai ouvert pour regarder la membrane et choses semblent dans l'ordre (pas perçée et dépression)

A ma connaissance, sur le land 2.5 TD la pompe de gavage est le seul "instrument" qui permette de faire circuler le GO > filtre + pompe à injection.

J'ai remonté la pompe et petite résistance. Si je pompe, je suppose que je dois voir du gasoil sortir du OUT de la pompe de gavage. En fait je pose cette question car je ne sais pas ou il y a un clapet anti-retour ?

Combien de fois doit on pomper, 10, 100, 1000 fois ?

Merci de vos suggestions.

Cdt
Modifié en dernier par Montauban le 14/01/2018 16:55, modifié 1 fois.
phelippeau patrice
Habitué
Messages : 181
Enregistré le : 21/09/2012 19:30
Localisation : Charente maritime

Re: De l'utilité d'une pompe de gavage

Message non lu par phelippeau patrice »

salut
arette d'ouvrir des post partout
lit les réponses :?:
disco 200 tdi >270mkns
Avatar du membre
nanard833
Habitué
Messages : 3989
Enregistré le : 10/10/2009 20:18
Localisation : disco 300TDI 431000 bornes

Re: De l'utilité d'une pompe de gavage

Message non lu par nanard833 »

Montauban a écrit :Suite à une rupture de ma courroie de distri, j'ai fait pas mal de réparation sur mon land 90 2.5 TD de 1988 (soupapes, culbuteurs, joints culasse)... Je suis en phase de démontage et le moteur ne démarre.
Montauban a écrit :Je suis aussi surpris car la pompe fonctionnait bien avant la rupture de la courroie de distri alors pourquoi aurait elle laché en même temps

bon une idée comme ça, vu que t'as remplacé les culbuteurs (tiges tordues en même temps?)que ton moulin ne démarre pas(distri décalée malgré bon calage au remontage)t'aurais peut-être un peu le même problème que "coulisse" avait eu en son temps:le téton de positionnement de l'AAC avait été sectionné sans casse de courroie du coup la distri s'est décalée (l'AAC en fait) dans son cas, ça avait bloqué l'AAC et tordu les tiges de culbu...c'est ici que ça s'est passé

et comme l'AAC actionne aussi la pompe de gavage, elle n'est plus actionnée au bon moment....

après, une pompe de gavage à membrane telle que les nôtres doivent être essayées remplies de gazole pour vraiment vérifier leur état car si elles sont vides (désamorcées), l'air étant compressible, il est difficile de se faire une idée sur l'aspiration effective de la pompe

peut-être un peu tiré par les cheveux mon histoire car toi tu as pété la courroie...mais nos lands sont malicieux :mrgreen: :wink:

Bon courage

A+
Gratter la botte ne soulage guère quand ça démange à l'intérieur (proverbe chinois)
Montauban
Habitué
Messages : 127
Enregistré le : 25/11/2010 12:01

Re: De l'utilité d'une pompe de gavage

Message non lu par Montauban »

phelippeau patrice a écrit :salut
arette d'ouvrir des post partout
lit les réponses :?:
Bonjour,
J'avais effectivement commencé le sujet en continuité de mon sujet sur la rupture de la courroie de distri. En faisant une recherche sur la pompe de gavage pour mieux comprendre son fonctionnement, j'ai vu qu'il existait un sujet spécifique, d'ou mes questions ici.
Je ne pense pas avoir posé des questions auxquelles des réponses m'avaient déjà été apportées et je lis 100% des réponses.

Cdt
Montauban
Habitué
Messages : 127
Enregistré le : 25/11/2010 12:01

Re: De l'utilité d'une pompe de gavage

Message non lu par Montauban »

nanard833 a écrit : peut-être un peu tiré par les cheveux mon histoire car toi tu as pété la courroie...mais nos lands sont malicieux :mrgreen: :wink:
A+
Bonjour Nanard et merci pour ta réponse,
J'espère juste ne pas en être là. A ce stade, je veux d'abord m'assurer que la pompe fonctionne, ne serait-ce que manuellement d'abord.
nanard833 a écrit : après, une pompe de gavage à membrane telle que les nôtres doivent être essayées remplies de gazole pour vraiment vérifier leur état car si elles sont vides (désamorcées), l'air étant compressible, il est difficile de se faire une idée sur l'aspiration effective de la pompe.
Merci cette info, qui peut être très utile.
Est ce que tu sais ou se trouve des anti-retours sur le début du circuit réservoir > pompe gavage IN > pompe gavage OUT > Filtre à huile ?

Je veux juste tester au bon endroit.

Merci encore et A+,

MTB
Avatar du membre
nanard833
Habitué
Messages : 3989
Enregistré le : 10/10/2009 20:18
Localisation : disco 300TDI 431000 bornes

Re: De l'utilité d'une pompe de gavage

Message non lu par nanard833 »

Montauban a écrit :Est ce que tu sais ou se trouve des anti-retours sur le début du circuit réservoir > pompe gavage IN > pompe gavage OUT
non pas entendu parlé de système anti retour dans un sens ou dans l'autre
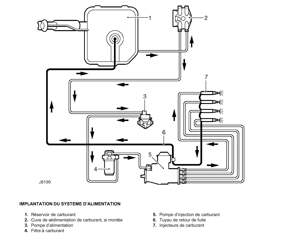
circuit%20de%20gasoil.jpg
A+
Gratter la botte ne soulage guère quand ça démange à l'intérieur (proverbe chinois)
Montauban
Habitué
Messages : 127
Enregistré le : 25/11/2010 12:01

Re: De l'utilité d'une pompe de gavage

Message non lu par Montauban »

Merci pour ce schéma Nanard.

J'ai amorcé en sortie de filtre avec une poire d'amorçage et aussi controlé la pompe de gavage et cela fonctionne. Le GO gicle bien en actionnant le levier.

Je reprends mon sujet initiale car le pbm est maintenant au niveau de la pompe à injection.

Merci
Avatar du membre
le gaulois
Habitué
Messages : 34
Enregistré le : 01/11/2014 19:12

Re: De l'utilité d'une pompe de gavage

Message non lu par le gaulois »

C'est un vieux disco 200 que je viens d'acheter. J'ai fait la vidange, au contrôle du niveau après quelque km l'huile était noire et le niveau était plus haut que ce que je l'avais remplis, le disco avait perdu de sa patate.
J'avais lu ce poste, j'ai tous de suite compris que la pompe avait lâchè, je l'ai changé, le niveau n'a pas bougé l'huile est toujours claire même après quelques km et le disco a retrouvé sa patate.
Il n'y a que les cons qui ne changent pas d'avis 8)
Avatar du membre
reivax22
Habitué
Messages : 28
Enregistré le : 26/10/2007 21:04
Localisation : BZH

Re: De l'utilité d'une pompe de gavage

Message non lu par reivax22 »

Je découvre ce sujet
J'ai un bruit à la pompe injection (disco 300tdi)
https://www.youtube.com/watch?v=Hr11KivQDb4


la vidéo n'est pas de moi mais c'est exactement le même bruit , d'après les dires de l'auteur , pompe de gavage en fin de vie.

j'ai commandé une nouvelle pompe de gavage , dès que je la remplace je vous fais un retour

:wink:
Disco TD5 & 300tdi
Avatar du membre
gil13
Habitué
Messages : 86
Enregistré le : 25/10/2007 22:45
Localisation : BOUC BEL AIR

Re: De l'utilité d'une pompe de gavage

Message non lu par gil13 »

Bonjour les amis ,

DEF 130 TD5 /2000 /230000Km : à la mise du contact je percevais jusqu'à présent le bruit de la pompe BP dans le réservoir
Depuis qlq temps plus rien ?
Le DEF démarre cependant au quart de tour, au delà de 80/90km/h çà "broute" et ne va pas au delà
Je suspecte donc la pompe immergée dans le réservoir (ou sa connectique )
A priori le relais est Ok (je vais le changer )

Vu les Km, J'attends une pompe pour la remplacer par le dessus ( par une trappe que je vais ouvrir sur le plancher de la benne - qlq l'aurait déjà fait sur un 130 ?)
MAIS je suis étonné de constater que le DEF démarre qd même et roule quasi normalement jusqu'à une certaine vitesse

Question de béotien :roll: : Un TD5 peut il donc fonctionner sans cette pompe (mal certes) ?
Autres idées lumineuses comme vous en avez l'habitude ?
RR VM 1992

Re: De l'utilité d'une pompe de gavage

Message non lu par RR VM 1992 »

gil13 a écrit : 09/09/2020 13:26 .../...
Question de béotien :roll: : Un TD5 peut il donc fonctionner sans cette pompe (mal certes) ?
Autres idées lumineuses comme vous en avez l'habitude ?
Faut limiter les excursions en pleine nature tant qu'il ne sera pas fiabiliser :wink:

Mais peut-on fiabiliser un TD5 ?
Avatar du membre
gil13
Habitué
Messages : 86
Enregistré le : 25/10/2007 22:45
Localisation : BOUC BEL AIR

Re: De l'utilité d'une pompe de gavage

Message non lu par gil13 »

Bjr,
Oui loin de moi l'idée de continuer à fonctionner comme çà, je trouve seulement étrange que le TD5 puisse démarrer et rouler sans cette pompe
Avatar du membre
gil13
Habitué
Messages : 86
Enregistré le : 25/10/2007 22:45
Localisation : BOUC BEL AIR

Re: De l'utilité d'une pompe de gavage

Message non lu par gil13 »

Suite et fin .....
Pour diagnostiquer le Pb, j'ai ouvert une trappe dans le plancher de la benne de mon DEF130
Je joints un plan si cela peut être utile (DEF TD5 Double Cab Benne ) J'ai vu assez large pour être à l'aise Les nervures du plancher(en vert sur le schéma) ont été préservées
IMG_0410.JPG
Schema
Schema
J'ai donc pu tester la pompe en l'alimentant en direct avec une batterie = OK
J'ai testé la ligne venant du Relais JAUNE sous le siège passager (White/Purple) = Ok
Fusible 20Amp de ce compartiment = Ok
Ligne Relais Jaune au connecteur noir du compartiment moteur (Purple/White) = Rien ? En shuntant cette ligne, la pompe tournait en continu ?? :roll:

A partir de là, j'étais plutôt perplexe Après moultes recherches sur le site dans les sujets "Démarrage impossible du Td5" et "Problèmes électriques Td5" très complets (Merci LOLO), je me suis aperçu qu'il existait un autre Relais (vert celui-là - relais principal ) dans l'habitacle !!

Remplacement du relais "Vert" = Tout OK :D

Morale de l'histoire : si j'avais approfondi avant de chercher, je serais sans doute aller directement à ce relais persuadé que le relais jaune était le seul qui concernait la pompe de gavage Pas grave, j'ai appris des trucs et j'ai maintenant une trappe, çà peut servir pour la prochaine fois
Je reste néanmoins étonné que le DEF démarrait normalement et roulait quasi normal jusqu'à 80km/h sauf dans les cotes ...

Qui aurait la référence exacte de la DOC "Shémas électriques " correspondant à mon véhicule DEF 130 TD5 année 2000 YA 188240 car j'ai des brides de docs mais ne correspondant pas tout à fait au mien ce qui ne facilite pas la recherche de pannse électriques (je cherche juste la Ref - pas la doc :wink: ) Merci à tous
paul59
Messages : 4
Enregistré le : 20/06/2019 9:04

Re: De l'utilité d'une pompe de gavage

Message non lu par paul59 »

Bonjour,
j'ai lu avec attention tout ce qui pouvait l'être sur le sujet de l'alimentation en gasoil des 300 tdi et je voulais juste savoir si une bonne âme pouvait me confirmer que c'était bien galère de trouver le point de contact entre la pompe de gavage et l'arbre à came... je suis en rade depuis 4 jours suite à un stationnement en pente de mon disco, réservoir pas bien rempli et plus moyen de faire arriver du gasoil dans le filtre... je vais essayer de le pousser sinon nouvelle pompe de gavage... merci d'avance !
Avatar du membre
The Pater
Modérateur
Messages : 13981
Enregistré le : 25/08/2004 8:19
Localisation : 06°27'46"E 45°50'29"N

Re: De l'utilité d'une pompe de gavage

Message non lu par The Pater »

paul59 a écrit : 24/01/2022 9:31 j'ai lu avec attention tout ce qui pouvait l'être sur le sujet de l'alimentation en gasoil des 300 tdi et je voulais juste savoir si une bonne âme pouvait me confirmer que c'était bien galère de trouver le point de contact entre la pompe de gavage et l'arbre à came
Dans ce cas tu n'as pas tout lu.

C'est un sujet récurrent.

La pompe de gavage est toujours en contact avec l'arbre.
Mais le levier manuel n'est efficace que si le doigt de la pompe en contact avec l'arbre à came se trouve entre les deux cames.

Il faut tourner le moteur par petits paliers (petites rotations angulaires) jusqu'à ce que le levier ne bouge plus dans le vide.

Je te conseille de faire tourner le moteur par la vis de poulie de vilebrequin avec une clef à cliquet.


Notes :

1) Il n'y a pas besoin de pompe de gavage pour démarrer s'il y a du carburant dans la pompe à injection. Tu peux remplir la pompe avec une seringue par l'orifice de purge du filtre et en dévissant la vis banjo de retour de carburant de la pompe à injection. Tu remplis jusqu'à ce que du carburant sort coté retour.

2) Avec un réservoir contenant assez de carburant et une batterie bien chargée, tu es capable en insistant sur le démarreur (pas en continu, pas plus de dix secondes à chaque fois), de faire démarrer si la pompe de gavage fonctionne bien.

A+
Ingénieur :
Personne faisant un travail divinatoire de précision basé sur des informations peu fiables données par des personnes peu qualifiées, voire ignorantes.
=>, magicien, devin, sorcier
paul59
Messages : 4
Enregistré le : 20/06/2019 9:04

Re: De l'utilité d'une pompe de gavage

Message non lu par paul59 »

merci beaucoup Pater pour cette réponse rapide et précise, je vais me mettre en ordre de marche pour explorer ces pistes. rien ne sort pour l'instant par la vis de purge de mon filtre le quart de mon réservoir est rempli et ma batterie est neuve et le véhicule est stationné dans une pente légère, de plus mon bouchon de réservoir essence de dépannage n'est pas bien étanche.
paul59
Messages : 4
Enregistré le : 20/06/2019 9:04

Re: De l'utilité d'une pompe de gavage

Message non lu par paul59 »

eh bien merci Pater, ça a fonctionné en injectant du carburant dans le filtre à gasoil à l'aide d'une seringue comme conseillé et en ayant préalablement remis 20l dans le réservoir.
oscar von
Messages : 8
Enregistré le : 16/01/2008 15:38
Localisation : st julien de ratz (38)

Re: De l'utilité d'une pompe de gavage

Message non lu par oscar von »

Bonjour à tous,
Petite question idiote est ce normal que le levier de réamorçage bouge quand le moteur tourne ?
Et j’ai un bruit régulier au niveau du réservoir, tic tic tic….je ne crois pas qu’il y ait de pompe dans un réservoir de 200 tdi , si? On dirait que c’est au niveau du retour de go.
Merci
Avatar du membre
The Pater
Modérateur
Messages : 13981
Enregistré le : 25/08/2004 8:19
Localisation : 06°27'46"E 45°50'29"N

Re: De l'utilité d'une pompe de gavage

Message non lu par The Pater »

oscar von a écrit : 24/01/2023 18:36 Petite question idiote est ce normal que le levier de réamorçage bouge quand le moteur tourne ?
Ce n'est pas normal. Enfin, il peut y avoir un très petit mouvement due aux vibrations, mais en aucun cas il ne suit la came de l'arbre à cames.

je ne crois pas qu’il y ait de pompe dans un réservoir de 200 tdi , si? On dirait que c’est au niveau du retour de go.
Merci
Il n'y a pas de pompe dans le réservoir.

A+
Ingénieur :
Personne faisant un travail divinatoire de précision basé sur des informations peu fiables données par des personnes peu qualifiées, voire ignorantes.
=>, magicien, devin, sorcier
Répondre

Retourner vers « Alimentation »