Discovery II : modulateur ABS hors service
Règles du forum
En naviguant sur le site http://www.landroverfaq.com vous reconnaissez avoir lu ses Conditions d’Utilisation, vous déclarez les comprendre et vous acceptez d’y être lié de manière inconditionnelle. Si tel n'est pas le cas, merci de quitter immédiatement ce site.
Vous pouvez joindre autant d'images que nécessaire à vos messages A LA CONDITION EXPRESSE d'utiliser l'hébergement fourni par le site.
L'administrateur effacera systématiquement tout message contenant des photos hébergées chez Imageschack, Casimage, Wistiti ou tout autre hébergeur tiers sans sommation ni justification.
En naviguant sur le site http://www.landroverfaq.com vous reconnaissez avoir lu ses Conditions d’Utilisation, vous déclarez les comprendre et vous acceptez d’y être lié de manière inconditionnelle. Si tel n'est pas le cas, merci de quitter immédiatement ce site.
Vous pouvez joindre autant d'images que nécessaire à vos messages A LA CONDITION EXPRESSE d'utiliser l'hébergement fourni par le site.
L'administrateur effacera systématiquement tout message contenant des photos hébergées chez Imageschack, Casimage, Wistiti ou tout autre hébergeur tiers sans sommation ni justification.
- Normand 1400
- Habitué
- Messages : 2049
- Enregistré le : 12/01/2006 13:16
- Localisation : Pays de Caux profond
Re: Discovery II : modulateur ABS hors service
Pascal,
ma remarque s’adressait à ceux qui ont fait état d’un problème de corrosion des navettes… Car il aurait été intéressant de savoir où se situait la corrosion et si, surtout, elle concernait les deux navettes, car c’est bien ce que la mesure des différentes résistances traduit.
Car c’est quand même surprenant que les deux navettes soient grippées au même moment…
Laurent,
attends un peu avant de t’y coller
!
Vu tes conditions de travail, il y a plus cool à tenter avant…
En effet, comme on ne disposera sans doute d’aucune info exploitable, une manip peut néanmoins être tentée avant d’envisager des démontages fastidieux.
Toujours d’après la seule photo dont on dispose reproduite ci-dessous, on peut supposer :
Puis, en maintenant l’embout dans cette position, demander à une autre personne d’appuyer sur la pédale de freins : en principe, la tige devrait repousser l’embout vers le bas.
En lâchant les freins, l’embout doit reprendre sa place contre le bouchon.
Répéter la manip plusieurs fois sur chaque navette en essayant d’apprécier si le mouvement des tiges de poussée s’adoucit — et/ou s’amplifie — ou pas.
Avec un peu de bol, tu risques de dégripper un peu les pièces.
Si tu veux varier les plaisirs, tu peux aussi tenter autre chose, sachant qu’en cas d’essais non concluants, ça va alourdir l’ambiance car ce sera signe qu’un autre défaut traîne toujours dans le système…
Après avoir remplacé le bloc navettes par une résistance de 3 000 Ω raccordée exactement comme l’était le bloc, tu :
Bien sûr, tu vas rouler à l’ancienne, autrement dit sans ABS, car il faut que la résistance du circuit navettes tombe à 1 000 Ω pour que le système prenne la main en cas de freinage brutal.
Mais comme ton ABS était déjà out...
ma remarque s’adressait à ceux qui ont fait état d’un problème de corrosion des navettes… Car il aurait été intéressant de savoir où se situait la corrosion et si, surtout, elle concernait les deux navettes, car c’est bien ce que la mesure des différentes résistances traduit.
Car c’est quand même surprenant que les deux navettes soient grippées au même moment…
Laurent,
attends un peu avant de t’y coller
Vu tes conditions de travail, il y a plus cool à tenter avant…
En effet, comme on ne disposera sans doute d’aucune info exploitable, une manip peut néanmoins être tentée avant d’envisager des démontages fastidieux.
Toujours d’après la seule photo dont on dispose reproduite ci-dessous, on peut supposer :
- que la coiffe métallique du contacteur de navette est en contact avec le bouchon portant l’empreinte Allen (je ne pense pas qu’elle rentre dans l’empreinte Allen, mais tu peux facilement le vérifier) ;
- qu’au repos (pas d’action sur la pédale de freins) la tige de poussée ne dépasse pas du bouchon.
Pédale au repos, il faut essayer de repousser l’embout à fond avec un doigt. Sans doute pas simple, mais probablement possible...
Puis, en maintenant l’embout dans cette position, demander à une autre personne d’appuyer sur la pédale de freins : en principe, la tige devrait repousser l’embout vers le bas.
En lâchant les freins, l’embout doit reprendre sa place contre le bouchon.
Répéter la manip plusieurs fois sur chaque navette en essayant d’apprécier si le mouvement des tiges de poussée s’adoucit — et/ou s’amplifie — ou pas.
Avec un peu de bol, tu risques de dégripper un peu les pièces.
Si tu veux varier les plaisirs, tu peux aussi tenter autre chose, sachant qu’en cas d’essais non concluants, ça va alourdir l’ambiance car ce sera signe qu’un autre défaut traîne toujours dans le système…
Après avoir remplacé le bloc navettes par une résistance de 3 000 Ω raccordée exactement comme l’était le bloc, tu :
- reprends la descente infernale avec le HDC enclenché. Cette fonction ne peut en effet s’activer que lorsque la pédale de freins n’est pas actionnée, autrement dit si la résistance est bien de 3 000 Ω. Comme ce sera le cas, en principe, la fonction doit répondre normalement ;
- roules normalement après l'essai du HDC et tu regardes si le code de défaut au capteur est réapparu.
Bien sûr, tu vas rouler à l’ancienne, autrement dit sans ABS, car il faut que la résistance du circuit navettes tombe à 1 000 Ω pour que le système prenne la main en cas de freinage brutal.
Mais comme ton ABS était déjà out...
Modifié en dernier par Normand 1400 le 29/11/2023 17:44, modifié 1 fois.
Re: Discovery II : modulateur ABS hors service
Moteur tournant, et toutes les connectiques en place ?Pédale au repos, il faut essayer de repousser l’embout à fond avec un doigt. Sans doute pas simple, mais probablement possible...
Puis, en maintenant l’embout dans cette position, demander à une autre personne d’appuyer sur la pédale de freins : en principe, la tige devrait repousser l’embout vers le bas.
En lâchant les freins, l’embout doit reprendre sa place contre le bouchon.
Répéter la manip plusieurs fois sur chaque navette en essayant d’apprécier si le mouvement des tiges de poussée s’adoucit — et/ou s’amplifie — ou pas.
Amicalement Laurent
- Normand 1400
- Habitué
- Messages : 2049
- Enregistré le : 12/01/2006 13:16
- Localisation : Pays de Caux profond
Re: Discovery II : modulateur ABS hors service
laudisco a écrit :Moteur tournant, et toutes les connectiques en place ?
Non, non, il s'agit d'un simple test hydraulique...
Donc :
- tu ne connectes rien électriquement ;
- l'assistance du Mastervac (poumon pneumatique amplificateur de l'effort à la pédale) ne sert à rien, au contraire, d'où le moteur arrêté.
- disco2magoliv
- Habitué
- Messages : 608
- Enregistré le : 01/05/2010 16:50
- Localisation : 06420 dans le sud mais loin de la foule
- Contact :
Re: Discovery II : modulateur ABS hors service
J'avais capté,Normand 1400 a écrit : 29/11/2023 16:12 ma remarque s’adressait à ceux qui ont fait état d’un problème de corrosion des navettes… Car il aurait été intéressant de savoir où se situait la corrosion et si, surtout, elle concernait les deux navettes, car c’est bien ce que la mesure des différentes résistances traduit.
Mais j'ai remarqué aussi, par rapport au mien que le bloc de Laurent était passablement oxydé extérieurement ......
Un environnement plus hostile ???
Oui, une pourquoi pas.Normand 1400 a écrit : 29/11/2023 16:12 Car c’est quand même surprenant que les deux navettes soient grippées au même moment…![]()
Ciao
Pascal.
Pascal.
- Normand 1400
- Habitué
- Messages : 2049
- Enregistré le : 12/01/2006 13:16
- Localisation : Pays de Caux profond
Re: Discovery II : modulateur ABS hors service
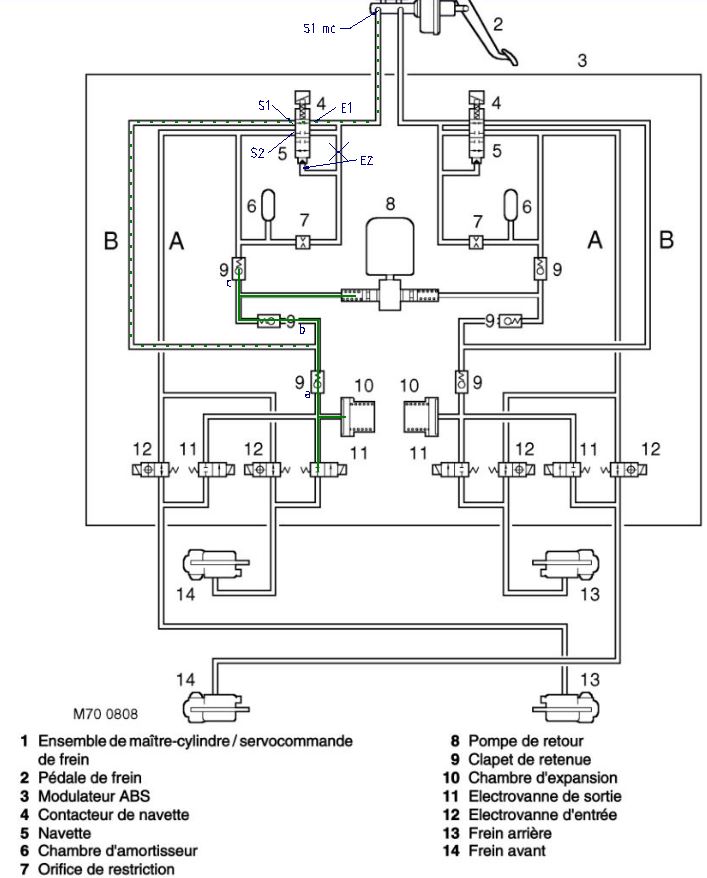
Afin de comprendre quelle pouvait être l’architecture interne des navettes, j’ai analysé le schéma de principe de l’ABS. Lequel m’a causé un souci d’interprétation de la circuiterie desservant ces vannes, plus précisément au niveau du dédoublement du circuit provenant du maître cylindre : j’ai implanté une croix sur la branche dont la représentation ne me semble pas fonctionnelle au regard du fonctionnement du bloc hydraulique d’ABS qui lui, m’est apparu parfaitement cohérent.
Il est probable que la représentation en cause génère une confusion entre l’architecture interne de la vanne et la circuiterie du bloc, d’où l’intérêt de raisonner uniquement à partir des fonctionnalités nécessaires aux différents cas de figure.
Ensuite, j’ai procédé à l’analyse selon les différents cas de figure, en la limitant toutefois à une seule roue afin de ne pas surcharger le schéma.
Cas n°1 : freinage normal.
L’huile doit entrer dans la navette par E1 et ressortir par S2 pour franchir la vanne 12 et se mettre en butée liquide contre les pistons de freins de l’étrier 14.
C’est le circuit A, strictement équivalent dans ce cas à un freinage hydraulique standard.
Noter que la vanne 11 forme également butée, que 11 est en position normalement fermée (le calculateur doit la mettre sous tension pour qu’elle s’ouvre) et que 12 est en position normalement ouverte (le calculateur doit la mettre sous tension pour qu’elle se ferme) .
On s’intéresse maintenant au circuit B, notamment pour examiner ce qui se passe s’il est soumis à la pression délivrée par le maître cylindre, qui passerait alors par S1.
Ce cas de figure est représenté en pointillés.
Dans ce circuit, l’huile se met en butée liquide contre le clapet 9a, mais la pression ouvre 9b et 9 c. L’accumulateur de pression 10 n’est pas chargé. En revanche, le cylindre de pompe peut être mis en pression, ainsi que l’amortisseur 6. Mais l’ajutage 7 ne sert à rien car aucun mouvement de fluide n’est présent dans cette partie du circuit.
On note également que la pression du maître cylindre peut aussi atteindre l’entrée E2 de la vanne ; mais E2 et S2 pourraient communiquer (apparition d’une boucle fermée) sans altérer le fonctionnement du système.
Que S1 et S2 soient passants ne perturbe pas le fonctionnement hydraulique du système.
Cas n°2 : régulation ABS statique.
Noter que la pression continuera à s’élever — si on suppose que le conducteur freine plus fort — via le circuit B, dans toute la partie rouge de la circuiterie.
Par ailleurs, si l’on suppose la liaison E1/S1 et E1/S2 passante, les circuits A et B sont isobares, ce qui n’a aucune incidence sur le fonctionnement hydraulique du système.
Si le glissement de la roue s’intensifie, le calculateur va alors laisser échapper une partie de la pression régnant entre les points 12 et 14 en ouvrant un instant la vanne 11, les clapets 9a, 9b et 9c étant toujours fermés par la pression imposée par le maître cylindre. Une faible quantité de liquide va alors charger l’accumulateur 10, ce qui provoque instantanément une baisse de pression dans le circuit 12, 14 (en jaune sur le schéma).
Noter que la pression du circuit 11, 10 et 9a (en vert) restera toujours très inférieure à celle régnant au-delà du clapet 9a (circuit rouge). Ce clapet et la vanne 11 restant fermés, l’accumulateur 10 conservera le liquide transféré lors de l’ouverture de la vanne 11 — qui représente donc la fraction excédentaire de pression responsable de l’intensification du glissement de la roue — la pression de ce petit circuit restant inférieure à celle du circuit 12, 14.
En d’autres termes, on a maintenant trois niveaux de pression distincts dans le bloc ABS.
Imaginons maintenant que la pression à la roue doive réaugmenter, consécutivement à une amélioration de l’adhérence par exemple.
Le calculateur va commencer par ouvrir la vanne 12 : la pression exercée par le maître cylindre, plus importante que nécessaire puisqu’ayant provoqué auparavant une perte d’adhérence de la roue, va alors augmenter dans la section 12, 14 du circuit.
Si un glissement apparaît de nouveau, le calculateur va une nouvelle fois réduire la pression comme précédemment en actionnant la vanne 11 afin de transférer une partie du liquide dans l’accumulateur 10.
Une difficulté apparaît lorsque la pression à appliquer aux freins de notre roue (14) devient supérieure à la pression résiduelle du circuit A. Le conducteur actionnant toujours les freins, la communication avec le réservoir est toujours interrompue au niveau du maître cylindre : aucun apport supplémentaire de liquide n’est donc possible, sauf si le conducteur décidait de freiner plus fort, ce qu’il n’est généralement pas en état psychologique de faire en situation de freinage d’urgence, du moins d’après les spécialistes du comportement des conducteurs ordinaires.
On voit bien l’intérêt d’étudier d’assez près le fonctionnement de ce système pour bien l’exploiter, car la conclusion exposée supra, bien qu’évidente, n’est manifestement pas applicable ni appliquée par la majorité des conducteurs lorsque les choses commencent à mal tourner : sur un véhicule équipé d’un ABS, la seule chose de censée à faire pour exploiter le remarquable potentiel du système, c’est d’appuyer de toutes ses forces sur la pédale de freins sans rechercher le moindre dosage ni tenir compte des conditions d’adhérence…
De la sorte, on charge en pression tout le bloc hydraulique, ce qui facilite la tâche du calculateur qui aura moins besoin de solliciter la pompe vu qu’il disposera d’une réserve de pression plus « confortable » dans la partie amont du circuit.
D’après ce que j’en ai compris, l’assistance au freinage d’urgence (AFU) a été rendue nécessaire en raison de la mauvaise utilisation de l’ABS par l’immense majorité des conducteurs qui, au lieu de l’augmenter, réduisent leur effort à la pédale dès l’apparition des premières pulsations. Afin de garantir une distance d’arrêt minimale, ce qui est l’objectif de fond d’un freinage d’urgence, le système va alors maintenir la puissance de freinage maximale tant que le conducteur n’aura pas entièrement relâché la pédale de freins…
Pour en revenir à nos moutons, on a donc, d’une part, une pression résiduelle trop faible dans la partie amont du circuit (en gros jusqu’au maître cylindre) et, d’autre part, un volume de liquide stocké par l’accumulateur de pression, mais dont la pression est elle aussi trop faible pour actionner les freins.
La solution consiste donc à réinjecter une partie du liquide contenu dans l’accumulateur dans le circuit A afin d’en réaugmenter la pression.
C’est alors que la pompe intervient.
On passe au cas n°3 : fonctionnement de la pompe en régulation ABS (régulation dynamique).
La doc n’étant pas suffisamment claire à mon goût sur l’architecture d’une pompe, voici un schéma plus parlant montrant une pompe bicylindres et ses clapets d’aspiration/refoulement ainsi que les accumulateurs de pression :
Puis vient le refoulement : 9b se ferme, 9c s’ouvre, 6 et 7 amortissent les pulsations dues à la circulation de l’huile, mais E2 doit s’ouvrir pour laisser l’huile ressortir par S2 afin de lui permettre de rejoindre le circuit A via la vanne 12, qui aura été laissée ouverte par le calculateur. 11 reste évidemment fermée sinon l’huile réalimentera l’accumulateur 10 et la pression dans le circuit actionnant 14 n’augmentera pas.
Noter que la pression pourrait même pouvoir remonter jusqu’à la pédale de freins via le tronçon E1 S1mc et avec elle, les pulsations engendrées par l’action de la pompe. Ce détail est important, car les pulsations informent le conducteur sur l’entrée en fonction effective de la régulation ABS. En d’autres termes, il faudrait, idéalement, que la navette laisse remonter la pression générée par la pompe et ce tant qu’une pression est présente dans S1mc/E1, ce qui est précisément le cas tant que le conducteur maintient un effort — même modéré — sur la pédale.
On voit également que, si E2/S1 restait ouvert, la pression pourrait aussi emprunter le circuit B jusqu’au clapet 9a, contre lequel elle se mettra en butée liquide, ce qui n’aurait aucune incidence sur le fonctionnement hydraulique du bloc.
Cas n°4 : HDC et TC.
Il s’agit de deux cas particuliers propres au Disco ; il me semble néanmoins que cette fonction existe aussi sur certains SUV censés pouvoir évoluer hors route.
La différence fondamentale avec les cas précédents est que le conducteur ne freine pas, ce qui signifie que la communication entre le bloc ABS et le réservoir est cette fois complètement ouverte.
Phase 1 : l’aspiration.
Au passage, on note que la pompe va entièrement vider l’accumulateur 10, ce qui n’a aucun effet sur le fonctionnement hydraulique du bloc.
Phase 2 : le refoulement.
On note que le circuit bleu est isobare. Par contre, il faut absolument interdire toute remontée de pression vers le maître cylindre, car la communication avec le réservoir d’huile est ouverte ; en d’autres termes, lorsque la pompe débite et qu’aucune action n’est exercée par le conducteur sur la pédale de freins, la navette doit nécessairement fermer le circuit de retour réservoir E1 sinon la pression ne pourra pas monter dans le circuit A commandant 14.
On note que s’il faut réguler la pression aux freins pour limiter un glissement (HDC) ou un patinage (TC) le calculateur jouera sur les vannes 12 et 11 afin de réguler la boucle comme dans le cas de l’ABS présenté précédemment.
On remarque aussi que la navette effectue des allers et retours à chaque cycle d’aspiration/refoulement de la pompe.
La conclusion est que les vannes navettes ont été introduites dans le système classique ABS afin de pouvoir proposer les deux fonctions « satellites » que sont le HDC et le TC.
Je laisse les possesseurs de ce type de 4x4 le soin de nous dire si ces fonctions présentent un intérêt en rapport avec les emmerdements auquel ce montage donne apparemment naissance.
On remarque également que pour prévenir le grippage des navettes, une utilisation régulière de la fonction HDC serait sans doute souhaitable.
Et on comprend pourquoi une navette déclarée ouverte en position de freinage normal ne permettra pas au calculateur d’activer la fonction HDC.
Tout cela semblant à peu près cohérent, on en arrive aux fonctionnalités suivantes pour la navette :
à la pression atmosphérique (pression réservoir) E1/S1 et E1/S2 peuvent être passants ;
si la pression augmente à cause d’un effort à la pédale, E1/S1 et E1/S2 peuvent également être passants et E2 peut aussi rester passant ;
mais lorsque E1 est au niveau bas (pression réservoir) et E2 au niveau haut (pression pompe) seule la liaison E2/S2 devra être passante.
Cela ressemble étrangement à une porte logique en électronique.
Il n’y a plus qu’à trouver une navette qui satisfasse ces différents cas de figure et on aura une idée assez précise de l’architecture interne nos pièces mystère!
Voili, voilu, cette première partie est terminée. Avant de continuer sur les navettes et, si le sujet amuse, sur la manière de purger ce labyrinthe, êtes-vous d’accord avec mon analyse ?
Il est probable que la représentation en cause génère une confusion entre l’architecture interne de la vanne et la circuiterie du bloc, d’où l’intérêt de raisonner uniquement à partir des fonctionnalités nécessaires aux différents cas de figure.
Ensuite, j’ai procédé à l’analyse selon les différents cas de figure, en la limitant toutefois à une seule roue afin de ne pas surcharger le schéma.
Cas n°1 : freinage normal.
Classiquement, l’huile est mise en pression au niveau du maître cylindre (sortie S1mc). Noter que, dès cet instant, la communication avec le réservoir de liquide est totalement interrompue.
L’huile doit entrer dans la navette par E1 et ressortir par S2 pour franchir la vanne 12 et se mettre en butée liquide contre les pistons de freins de l’étrier 14.
C’est le circuit A, strictement équivalent dans ce cas à un freinage hydraulique standard.
Noter que la vanne 11 forme également butée, que 11 est en position normalement fermée (le calculateur doit la mettre sous tension pour qu’elle s’ouvre) et que 12 est en position normalement ouverte (le calculateur doit la mettre sous tension pour qu’elle se ferme) .
On s’intéresse maintenant au circuit B, notamment pour examiner ce qui se passe s’il est soumis à la pression délivrée par le maître cylindre, qui passerait alors par S1.
Ce cas de figure est représenté en pointillés.
Dans ce circuit, l’huile se met en butée liquide contre le clapet 9a, mais la pression ouvre 9b et 9 c. L’accumulateur de pression 10 n’est pas chargé. En revanche, le cylindre de pompe peut être mis en pression, ainsi que l’amortisseur 6. Mais l’ajutage 7 ne sert à rien car aucun mouvement de fluide n’est présent dans cette partie du circuit.
On note également que la pression du maître cylindre peut aussi atteindre l’entrée E2 de la vanne ; mais E2 et S2 pourraient communiquer (apparition d’une boucle fermée) sans altérer le fonctionnement du système.
Que S1 et S2 soient passants ne perturbe pas le fonctionnement hydraulique du système.
Cas n°2 : régulation ABS statique.
Elle commence généralement par une limitation, ordonnée par le calculateur, de la pression appliquée à la roue dont le glissement apparaît. Pour ce faire, il ferme la vanne 12 en la mettant sous tension. À partir de ce stade, même si le conducteur intensifiait son effort sur la pédale, la pression ne s’accroîtra plus dans le circuit 12, 14 (en jaune).
Noter que la pression continuera à s’élever — si on suppose que le conducteur freine plus fort — via le circuit B, dans toute la partie rouge de la circuiterie.
Par ailleurs, si l’on suppose la liaison E1/S1 et E1/S2 passante, les circuits A et B sont isobares, ce qui n’a aucune incidence sur le fonctionnement hydraulique du système.
Si le glissement de la roue s’intensifie, le calculateur va alors laisser échapper une partie de la pression régnant entre les points 12 et 14 en ouvrant un instant la vanne 11, les clapets 9a, 9b et 9c étant toujours fermés par la pression imposée par le maître cylindre. Une faible quantité de liquide va alors charger l’accumulateur 10, ce qui provoque instantanément une baisse de pression dans le circuit 12, 14 (en jaune sur le schéma).
Noter que la pression du circuit 11, 10 et 9a (en vert) restera toujours très inférieure à celle régnant au-delà du clapet 9a (circuit rouge). Ce clapet et la vanne 11 restant fermés, l’accumulateur 10 conservera le liquide transféré lors de l’ouverture de la vanne 11 — qui représente donc la fraction excédentaire de pression responsable de l’intensification du glissement de la roue — la pression de ce petit circuit restant inférieure à celle du circuit 12, 14.
En d’autres termes, on a maintenant trois niveaux de pression distincts dans le bloc ABS.
Imaginons maintenant que la pression à la roue doive réaugmenter, consécutivement à une amélioration de l’adhérence par exemple.
Le calculateur va commencer par ouvrir la vanne 12 : la pression exercée par le maître cylindre, plus importante que nécessaire puisqu’ayant provoqué auparavant une perte d’adhérence de la roue, va alors augmenter dans la section 12, 14 du circuit.
Si un glissement apparaît de nouveau, le calculateur va une nouvelle fois réduire la pression comme précédemment en actionnant la vanne 11 afin de transférer une partie du liquide dans l’accumulateur 10.
Une difficulté apparaît lorsque la pression à appliquer aux freins de notre roue (14) devient supérieure à la pression résiduelle du circuit A. Le conducteur actionnant toujours les freins, la communication avec le réservoir est toujours interrompue au niveau du maître cylindre : aucun apport supplémentaire de liquide n’est donc possible, sauf si le conducteur décidait de freiner plus fort, ce qu’il n’est généralement pas en état psychologique de faire en situation de freinage d’urgence, du moins d’après les spécialistes du comportement des conducteurs ordinaires.
On voit bien l’intérêt d’étudier d’assez près le fonctionnement de ce système pour bien l’exploiter, car la conclusion exposée supra, bien qu’évidente, n’est manifestement pas applicable ni appliquée par la majorité des conducteurs lorsque les choses commencent à mal tourner : sur un véhicule équipé d’un ABS, la seule chose de censée à faire pour exploiter le remarquable potentiel du système, c’est d’appuyer de toutes ses forces sur la pédale de freins sans rechercher le moindre dosage ni tenir compte des conditions d’adhérence…
De la sorte, on charge en pression tout le bloc hydraulique, ce qui facilite la tâche du calculateur qui aura moins besoin de solliciter la pompe vu qu’il disposera d’une réserve de pression plus « confortable » dans la partie amont du circuit.
D’après ce que j’en ai compris, l’assistance au freinage d’urgence (AFU) a été rendue nécessaire en raison de la mauvaise utilisation de l’ABS par l’immense majorité des conducteurs qui, au lieu de l’augmenter, réduisent leur effort à la pédale dès l’apparition des premières pulsations. Afin de garantir une distance d’arrêt minimale, ce qui est l’objectif de fond d’un freinage d’urgence, le système va alors maintenir la puissance de freinage maximale tant que le conducteur n’aura pas entièrement relâché la pédale de freins…
Pour en revenir à nos moutons, on a donc, d’une part, une pression résiduelle trop faible dans la partie amont du circuit (en gros jusqu’au maître cylindre) et, d’autre part, un volume de liquide stocké par l’accumulateur de pression, mais dont la pression est elle aussi trop faible pour actionner les freins.
La solution consiste donc à réinjecter une partie du liquide contenu dans l’accumulateur dans le circuit A afin d’en réaugmenter la pression.
C’est alors que la pompe intervient.
On passe au cas n°3 : fonctionnement de la pompe en régulation ABS (régulation dynamique).
La doc n’étant pas suffisamment claire à mon goût sur l’architecture d’une pompe, voici un schéma plus parlant montrant une pompe bicylindres et ses clapets d’aspiration/refoulement ainsi que les accumulateurs de pression :
On commence par l’aspiration : la dépression bute sur la vanne 11 — évidemment fermée afin que la pression du circuit A alimentant notre roue puisse être maintenue — ouvre 9a, et 9b et ferme 9c, soit le circuit vert, ce qui permet à la pompe de prélever du liquide dans l’accumulateur 10. La dépression s’étend également sur le circuit B si S1 est ouvert et pourrait même remonter sans problème jusqu’au maître cylindre si E1 est également ouvert. Par contre, elle ne franchira pas le maître cylindre, car la pédale de frein étant enfoncée, la communication avec le réservoir est toujours interrompue. Quant à E2, son état est indifférent : même en supposant que la dépression passant par le circuit B parvienne à ouvrir 9c, une boucle se fermerait sur le circuit B, ce qui signifierait que la veine liquide resterait de toutes façons immobile. Formulé autrement, si S2/E2 est passant, une boucle se formera sur le circuit A, ce qui n’a aucune incidence sur le fonctionnement hydraulique du système.
Tant que l’accumulateur peut relarguer de l’huile, le système fonctionnera normalement grâce à ses ressources propres.
Puis vient le refoulement : 9b se ferme, 9c s’ouvre, 6 et 7 amortissent les pulsations dues à la circulation de l’huile, mais E2 doit s’ouvrir pour laisser l’huile ressortir par S2 afin de lui permettre de rejoindre le circuit A via la vanne 12, qui aura été laissée ouverte par le calculateur. 11 reste évidemment fermée sinon l’huile réalimentera l’accumulateur 10 et la pression dans le circuit actionnant 14 n’augmentera pas.
Noter que la pression pourrait même pouvoir remonter jusqu’à la pédale de freins via le tronçon E1 S1mc et avec elle, les pulsations engendrées par l’action de la pompe. Ce détail est important, car les pulsations informent le conducteur sur l’entrée en fonction effective de la régulation ABS. En d’autres termes, il faudrait, idéalement, que la navette laisse remonter la pression générée par la pompe et ce tant qu’une pression est présente dans S1mc/E1, ce qui est précisément le cas tant que le conducteur maintient un effort — même modéré — sur la pédale.
On voit également que, si E2/S1 restait ouvert, la pression pourrait aussi emprunter le circuit B jusqu’au clapet 9a, contre lequel elle se mettra en butée liquide, ce qui n’aurait aucune incidence sur le fonctionnement hydraulique du bloc.
Cas n°4 : HDC et TC.
Il s’agit de deux cas particuliers propres au Disco ; il me semble néanmoins que cette fonction existe aussi sur certains SUV censés pouvoir évoluer hors route.
La différence fondamentale avec les cas précédents est que le conducteur ne freine pas, ce qui signifie que la communication entre le bloc ABS et le réservoir est cette fois complètement ouverte.
Phase 1 : l’aspiration.
Cette fois, l’huile doit OBLIGATOIREMENT entrer dans la navette par E1 et ressortir par S1 pour pouvoir emprunter B, qui est l’unique circuit d’aspiration. Ce faisant, la dépression ferme 9c, ouvre 9b et 9a et butte sur 11, ce qui fait qu’aucune circulation n’existera sur ce tronçon. L'huile peut alors entrer dans le cylindre de la pompe.
Au passage, on note que la pompe va entièrement vider l’accumulateur 10, ce qui n’a aucun effet sur le fonctionnement hydraulique du bloc.
Phase 2 : le refoulement.
Lorsque le piston de la pompe comprime l’huile, 9b se ferme, 9c s’ouvre, 6 et 7 amortissent de nouveau la pulsation de la veine liquide. Mais E2 doit impérativement s’ouvrir et S2 devenir passant afin d’alimenter le circuit A afin de mettre 14 en butée liquide via la vanne 12, évidemment en position ouverte.
On note que le circuit bleu est isobare. Par contre, il faut absolument interdire toute remontée de pression vers le maître cylindre, car la communication avec le réservoir d’huile est ouverte ; en d’autres termes, lorsque la pompe débite et qu’aucune action n’est exercée par le conducteur sur la pédale de freins, la navette doit nécessairement fermer le circuit de retour réservoir E1 sinon la pression ne pourra pas monter dans le circuit A commandant 14.
On note que s’il faut réguler la pression aux freins pour limiter un glissement (HDC) ou un patinage (TC) le calculateur jouera sur les vannes 12 et 11 afin de réguler la boucle comme dans le cas de l’ABS présenté précédemment.
On remarque aussi que la navette effectue des allers et retours à chaque cycle d’aspiration/refoulement de la pompe.
La conclusion est que les vannes navettes ont été introduites dans le système classique ABS afin de pouvoir proposer les deux fonctions « satellites » que sont le HDC et le TC.
Je laisse les possesseurs de ce type de 4x4 le soin de nous dire si ces fonctions présentent un intérêt en rapport avec les emmerdements auquel ce montage donne apparemment naissance.
On remarque également que pour prévenir le grippage des navettes, une utilisation régulière de la fonction HDC serait sans doute souhaitable.
Et on comprend pourquoi une navette déclarée ouverte en position de freinage normal ne permettra pas au calculateur d’activer la fonction HDC.
Tout cela semblant à peu près cohérent, on en arrive aux fonctionnalités suivantes pour la navette :
à la pression atmosphérique (pression réservoir) E1/S1 et E1/S2 peuvent être passants ;
si la pression augmente à cause d’un effort à la pédale, E1/S1 et E1/S2 peuvent également être passants et E2 peut aussi rester passant ;
mais lorsque E1 est au niveau bas (pression réservoir) et E2 au niveau haut (pression pompe) seule la liaison E2/S2 devra être passante.
Cela ressemble étrangement à une porte logique en électronique.
Il n’y a plus qu’à trouver une navette qui satisfasse ces différents cas de figure et on aura une idée assez précise de l’architecture interne nos pièces mystère!
Voili, voilu, cette première partie est terminée. Avant de continuer sur les navettes et, si le sujet amuse, sur la manière de purger ce labyrinthe, êtes-vous d’accord avec mon analyse ?
- disco2magoliv
- Habitué
- Messages : 608
- Enregistré le : 01/05/2010 16:50
- Localisation : 06420 dans le sud mais loin de la foule
- Contact :
Re: Discovery II : modulateur ABS hors service
J'ai lu plusieurs fois pour m'éviter le mal de tète
Effectivement de plus en plus de SUV modernes propose ce type de système, en évitant les blocages de différentiel mécanique, pour je suppose des questions de coût.Normand 1400 a écrit : 02/12/2023 7:14 Il s’agit de deux cas particuliers propres au Disco ; il me semble néanmoins que cette fonction existe aussi sur certains SUV censés pouvoir évoluer hors route.
La différence fondamentale avec les cas précédents est que le conducteur ne freine pas, ce qui signifie que la communication entre le bloc ABS et le réservoir est cette fois complètement ouverte.
L’intérêt c'est que même un non initié peut utiliser ce type de véhicule, l'électronique faisant le job à sa place! reste plus qu'a contrôler les trajectoires et on aura la totale (c'est pour demain).Normand 1400 a écrit : 02/12/2023 7:14Je laisse les possesseurs de ce type de 4x4 le soin de nous dire si ces fonctions présentent un intérêt en rapport avec les emmerdements auquel ce montage donne apparemment naissance.
Et aussi que ça fait marcher le bizness
Mais j'aurai bien aimé un petit blocage de dif histoire de participer plus activement.
"Amuse" ça c'est parce-que tu es joueur ! Mais effectivement la purge est un sujet avec un intérêt tout particulier sur ce genre merdier.Normand 1400 a écrit : 02/12/2023 7:14Avant de continuer sur les navettes et, si le sujet amuse, sur la manière de purger ce labyrinthe
Ciao
Pascal.
Pascal.
Re: Discovery II : modulateur ABS hors service
Ne vous inquiétez pas, je vous lis, mais actuellement il fait un peu froid dehors pour mécaniquer, je vous tiens au courant 
Pour le HDC, je l'ais utilisé, et vite abandonné
(c'est peut être pour cela que je ne l'ais vu commencé à merder)
jusqu'à monter la commande de blocage de dif central
(mon disco pouvait en être équipé)
et de la me passer de tout cet attirail électronique,
bien utile pour un débutant en TT,
mais une fois l'expérience acquise,
ben j'ai quand même voulu reprendre "le dessus"
Pour le HDC, je l'ais utilisé, et vite abandonné
(c'est peut être pour cela que je ne l'ais vu commencé à merder)
jusqu'à monter la commande de blocage de dif central
(mon disco pouvait en être équipé)
et de la me passer de tout cet attirail électronique,
bien utile pour un débutant en TT,
mais une fois l'expérience acquise,
ben j'ai quand même voulu reprendre "le dessus"
Amicalement Laurent
Re: Discovery II : modulateur ABS hors service
disco2magoliv a écrit : 03/12/2023 19:13
Effectivement de plus en plus de SUV modernes propose ce type de système, en évitant les blocages de différentiel mécanique, pour je suppose des questions de coût.![]()
L’intérêt c'est que même un non initié peut utiliser ce type de véhicule, l'électronique faisant le job à sa place! reste plus qu'a contrôler les trajectoires et on aura la totale (c'est pour demain).Normand 1400 a écrit : 02/12/2023 7:14Je laisse les possesseurs de ce type de 4x4 le soin de nous dire si ces fonctions présentent un intérêt en rapport avec les emmerdements auquel ce montage donne apparemment naissance.
Et aussi que ça fait marcher le bizness![]()
Mais j'aurai bien aimé un petit blocage de dif histoire de participer plus activement.![]()
Le problème de ce genre de système c'est qu'il s'active quand tu es planté pour te sortir (ou pas) du mauvais pas, là ou un système manuel te permet de choisir une option pour éviter de se planter et un arrêt de progression est souvent le début des embêtements. Et sur les SUV il n'y a pas l'alternative "automatique" où la voiture gère seule les paramètres et une position "manuelle" où tu choisirais d'enclencher le diff central, voire ceux des ponts avant de t'engager dans la difficulté.
- Normand 1400
- Habitué
- Messages : 2049
- Enregistré le : 12/01/2006 13:16
- Localisation : Pays de Caux profond
Re: Discovery II : modulateur ABS hors service
En attendant d’achever mon topo sur les navettes et que ton mal de tête passe, Pascal
, je me permets, puisque tu l’évoques, un petit crochet sur l’utilisation de l’électronique dans le but de transformer le premier blaireau venu en roi du TT.
Je me souviens de nos discussions de grands malades avec Renard Bleu et notamment d’une où nous confrontions nos expériences d’un cas de figure assez rigolo : la descente de pentes très raides … entièrement verglacées.
Nous avions réalisé cette expérience séparément, dans nos régions respectives et ce n’est que par hasard, un soir très tard dans la nuit
, que nous nous sommes retrouvés dans nos conclusions…
Lui était équipé de Weissenfels (de mémoire) et moi de MGR, empruntées pour la circonstance à l’un de nos engins de déneigement.
Dans les deux cas, il s’agissait de chaînes croisées serrées, autrement dit dont le mordant dans la glace épaisse était assez fabuleux, sans compter un guidage latéral hors pair.
Nous n’étions pas niqués du cerveau (enfin presque) au point d’avoir réalisé nos essais dans des torrents verglacés : inutile d’en rajouter une couche avec des marches biaises générant des croisements de ponts de folie…
Non, une belle pente bien régulière avait suffi.
Eh bien la seule configuration ne s’étant pas soldée par une magnifique luge, c’était celle où tous les blocages de différentiels étaient activés : central, ponts AV et AR, vu que nos engins respectifs en sont équipés.
Toutes les autres, notamment le HDC (un de ses potes équipé d’un 4x4 offrant cette fonction s’était joint à la fête) avaient fait foirer l’adhérence quasiment dès le début.
Un examen des 4x4 lors de leur descente révélait que les temps de réponse de l’électronique étaient trop longs : une à deux secondes suffisaient en effet à faire perdre l’adhérence malgré les chaînes. Relater par écrit le détail du phénomène est compliqué mais en gros, dès que le contact avec la glace s’établissait sur un segment de chaîne situé dans l’axe de la progression, la roue concernée commençait à glisser.
Dans la plupart des cas, le dif central étant évidemment bloqué, sa jumelle, « diagonalement » opposée, se retrouvait assez rapidement dans la même configuration : le 4x4 commençait alors à amorcer un mouvement de lacet des plus inquiétants tout en prenant de la vitesse. Pourtant, les quatre chaînes mordaient profondément la glace dès qu’un croisillon était en contact avec le sol (la glace pulvérisée giclait de partout, c’était d’autant plus impressionnant qu’au bout de quelques secondes, les essieux commençaient à « piocher » violemment ce qui, du coup, effaçait presque totalement l’adhérence) mais c’était trop tard : même en première courte, l’engin avait pris trop de vitesse et il fallait débrayer fissa afin de le remettre en ligne et retrouver au moins du pouvoir directionnel avant de partir en tonneaux latéraux.
Ayant, d’un coup, épuisé notre stock de calbuts de rechange
, nous avons mis un certain temps à nous rassembler avant de la tenter avec les trois blocages enclenchés ; nous craignions tout simplement des pertes d’adhérence latérales…
Que nenni : en obligeant les quatre roues à tourner inexorablement à la même vitesse quelle que soit la position des chaînes sur la glace, la transmission interdisait systématiquement les ruptures d’adhérence… Non seulement la vitesse de descente restait stable, mais la stabilité latérale restait parfaite, même en tentant des freinages appuyés ou en donnant quelques coups de volant.
Idem en montée. Pas la moindre faiblesse dans la progression, pas le moindre flou en guidage latéral.
Nous avions également l’expérience d’épingles serrées en fort dévers entièrement verglacées : un usage judicieux des blocages permettait de ne jamais perdre le guidage latéral tout gardant la maîtrise totale des transferts de masse sur les essieux, ce qui permettait de se sortir de tous les pièges habituellement tendus par ce type de configuration.
Alors oui, le maniement des blocages était du genre technique, mais il avait un avantage décisif sur les systèmes électroniques : l’ANTICIPATION.
Car même ultra rapide, l’électronique reste aujourd’hui incapable d’anticiper suffisamment la lecture du terrain. Et notre expérience montre que, dans des conditions extrêmes, un retard d’une poignée de secondes suffit à perdre l’adhérence, ce qui peut avoir des conséquences dramatiques avec un engin frisant les deux tonnes dont le centre de gravité est, de surcroît, haut perché.
De même, lorsqu’on voit l’importance d’asseoir le 4x4 avant de descendre des marches biaises en le stabilisant en jouant sur les réactions de suspension juste avant la grande bascule, ce qui nécessite de solliciter les freins avec une certaine tonicité, il est évident que le HDC reste — et restera, comme tous ses petits camarades — totalement incapable de réaliser une telle manœuvre…
Donc, non, dans l’état actuel des choses, je reste convaincu qu’un 4x4 équipé de différentiels spéciaux et manié par un conducteur maîtrisant totalement sa mécanique restera, et pour un bon moment encore, nettement plus performant qu’un engin bardé d’électronique.
Seules les performances d’ABS restent hors d’atteinte, même d’un conducteur expérimenté, en tous cas lors de conditions d’adhérence relativement élevées.
Mais qui, lui, n’aura que faire de l’AFU.
Allez, je retourne à mes dessins!
Je me souviens de nos discussions de grands malades avec Renard Bleu et notamment d’une où nous confrontions nos expériences d’un cas de figure assez rigolo : la descente de pentes très raides … entièrement verglacées.
Nous avions réalisé cette expérience séparément, dans nos régions respectives et ce n’est que par hasard, un soir très tard dans la nuit
Lui était équipé de Weissenfels (de mémoire) et moi de MGR, empruntées pour la circonstance à l’un de nos engins de déneigement.
Dans les deux cas, il s’agissait de chaînes croisées serrées, autrement dit dont le mordant dans la glace épaisse était assez fabuleux, sans compter un guidage latéral hors pair.
Nous n’étions pas niqués du cerveau (enfin presque) au point d’avoir réalisé nos essais dans des torrents verglacés : inutile d’en rajouter une couche avec des marches biaises générant des croisements de ponts de folie…
Non, une belle pente bien régulière avait suffi.
Eh bien la seule configuration ne s’étant pas soldée par une magnifique luge, c’était celle où tous les blocages de différentiels étaient activés : central, ponts AV et AR, vu que nos engins respectifs en sont équipés.
Toutes les autres, notamment le HDC (un de ses potes équipé d’un 4x4 offrant cette fonction s’était joint à la fête) avaient fait foirer l’adhérence quasiment dès le début.
Un examen des 4x4 lors de leur descente révélait que les temps de réponse de l’électronique étaient trop longs : une à deux secondes suffisaient en effet à faire perdre l’adhérence malgré les chaînes. Relater par écrit le détail du phénomène est compliqué mais en gros, dès que le contact avec la glace s’établissait sur un segment de chaîne situé dans l’axe de la progression, la roue concernée commençait à glisser.
Dans la plupart des cas, le dif central étant évidemment bloqué, sa jumelle, « diagonalement » opposée, se retrouvait assez rapidement dans la même configuration : le 4x4 commençait alors à amorcer un mouvement de lacet des plus inquiétants tout en prenant de la vitesse. Pourtant, les quatre chaînes mordaient profondément la glace dès qu’un croisillon était en contact avec le sol (la glace pulvérisée giclait de partout, c’était d’autant plus impressionnant qu’au bout de quelques secondes, les essieux commençaient à « piocher » violemment ce qui, du coup, effaçait presque totalement l’adhérence) mais c’était trop tard : même en première courte, l’engin avait pris trop de vitesse et il fallait débrayer fissa afin de le remettre en ligne et retrouver au moins du pouvoir directionnel avant de partir en tonneaux latéraux.
Ayant, d’un coup, épuisé notre stock de calbuts de rechange
Que nenni : en obligeant les quatre roues à tourner inexorablement à la même vitesse quelle que soit la position des chaînes sur la glace, la transmission interdisait systématiquement les ruptures d’adhérence… Non seulement la vitesse de descente restait stable, mais la stabilité latérale restait parfaite, même en tentant des freinages appuyés ou en donnant quelques coups de volant.
Idem en montée. Pas la moindre faiblesse dans la progression, pas le moindre flou en guidage latéral.
Nous avions également l’expérience d’épingles serrées en fort dévers entièrement verglacées : un usage judicieux des blocages permettait de ne jamais perdre le guidage latéral tout gardant la maîtrise totale des transferts de masse sur les essieux, ce qui permettait de se sortir de tous les pièges habituellement tendus par ce type de configuration.
Alors oui, le maniement des blocages était du genre technique, mais il avait un avantage décisif sur les systèmes électroniques : l’ANTICIPATION.
Car même ultra rapide, l’électronique reste aujourd’hui incapable d’anticiper suffisamment la lecture du terrain. Et notre expérience montre que, dans des conditions extrêmes, un retard d’une poignée de secondes suffit à perdre l’adhérence, ce qui peut avoir des conséquences dramatiques avec un engin frisant les deux tonnes dont le centre de gravité est, de surcroît, haut perché.
De même, lorsqu’on voit l’importance d’asseoir le 4x4 avant de descendre des marches biaises en le stabilisant en jouant sur les réactions de suspension juste avant la grande bascule, ce qui nécessite de solliciter les freins avec une certaine tonicité, il est évident que le HDC reste — et restera, comme tous ses petits camarades — totalement incapable de réaliser une telle manœuvre…
Donc, non, dans l’état actuel des choses, je reste convaincu qu’un 4x4 équipé de différentiels spéciaux et manié par un conducteur maîtrisant totalement sa mécanique restera, et pour un bon moment encore, nettement plus performant qu’un engin bardé d’électronique.
Seules les performances d’ABS restent hors d’atteinte, même d’un conducteur expérimenté, en tous cas lors de conditions d’adhérence relativement élevées.
Mais qui, lui, n’aura que faire de l’AFU.
Allez, je retourne à mes dessins!
- Normand 1400
- Habitué
- Messages : 2049
- Enregistré le : 12/01/2006 13:16
- Localisation : Pays de Caux profond
Re: Discovery II : modulateur ABS hors service
Après la digression de ce matin, voici quelques idées à propos de l’architecture interne de la navette
...
Afin de faciliter l'analyse, j’ai replacé la vanne dans la position qu’elle occupe sur le 4x4 et repositionné les entrées sorties comme sur les schémas ayant servi à analyser le fonctionnement du bloc hydraulique.
C’est évidemment un schéma de principe : notre vanne comporte deux entrées et deux sorties, le tiroir est du type marteau et en position neutre, un ressort de rappel ferme une sortie (S2 en l’occurrence).
Classiquement, la sensibilité de la vanne dépend du rapport des surfaces actives de chaque face du piston, de l’importance de la fuite entre cylindre et tiroir et du tarage du ressort.
Pour les besoins de la cause, il a été ajouté une tige de poussée traversante reliée au tiroir : celle dont Laurent doit apprécier le déplacement…
Voyons d’abord ce qui se passe lors d’un freinage :
La tige de poussée accompagne le mouvement en sortant un peu plus pour actionner le contacteur situé dans la partie électrique du bloc navettes.
L’entrée E2 est donc totalement fermée mais la fuite est suffisante pour que la pression ressorte par la sortie S2. Ainsi qu’on l’a vu lors de l’analyse du bloc hydraulique, la sortie S1 est à la même pression que S2 (dans ce cas de figure, les circuits A et B sont isobares).
La vitesse de fermeture dépend du rapport des surfaces, de la fuite et de la raideur du ressort : le Nano, même s’il doit être considéré comme un « numériseur lent », nous a néanmoins montré que le déplacement du tiroir prend moins d’une seconde.
Regardons à présent ce qui se passe lorsque la pompe hydraulique de l’ABS entre en action quand les fonctions HDC ou TC sont activées.
Comme on l’a vu précédemment, il faut absolument que l'entrée E1 soit fermée car sinon, la pression fournie par la pompe se perdrait dans le réservoir de liquide de freins :
Toutes les fonctionnalités mises en lumière précédemment sont donc satisfaites.
Il faut bien voir qu’au-delà du principe de fonctionnement cette vanne, les dispositions constructives adoptées peuvent être assez diverses : à l’instar de ce qui se fait sur les compensateurs de freinage, on peut imaginer un petit clapet logé (il faudrait plutôt dire serti) dans un tiroir creux et qui ouvre ou ferme un circuit en fonction de la position occupée par le tiroir principal.
Tout ça pour dire que la vanne n’est pas nécessairement entièrement démontable, ce qui pourrait compromettre toute tentative de réparation.
Mais nous n’en sommes pas là !
Il s’agit d’une vanne assez courante que l’on trouve sur les sites des électroniciens ou des spécialistes de l’automatisme hydraulique ou aéraulique.
Afin de faciliter l'analyse, j’ai replacé la vanne dans la position qu’elle occupe sur le 4x4 et repositionné les entrées sorties comme sur les schémas ayant servi à analyser le fonctionnement du bloc hydraulique.
C’est évidemment un schéma de principe : notre vanne comporte deux entrées et deux sorties, le tiroir est du type marteau et en position neutre, un ressort de rappel ferme une sortie (S2 en l’occurrence).
Classiquement, la sensibilité de la vanne dépend du rapport des surfaces actives de chaque face du piston, de l’importance de la fuite entre cylindre et tiroir et du tarage du ressort.
Pour les besoins de la cause, il a été ajouté une tige de poussée traversante reliée au tiroir : celle dont Laurent doit apprécier le déplacement…
Voyons d’abord ce qui se passe lors d’un freinage :
La pression en provenance du maître cylindre entre par E1. La surface supérieure du tiroir étant plus grande que sa surface inférieure, la pression le repousse vers le bas en comprimant le ressort. Évidemment, le jeu tiroir/cylindre n’est pas si important que sur le dessin sinon les pressions régnant dans les deux chambres s’équilibreraient et le tiroir resterait immobile.
La tige de poussée accompagne le mouvement en sortant un peu plus pour actionner le contacteur situé dans la partie électrique du bloc navettes.
L’entrée E2 est donc totalement fermée mais la fuite est suffisante pour que la pression ressorte par la sortie S2. Ainsi qu’on l’a vu lors de l’analyse du bloc hydraulique, la sortie S1 est à la même pression que S2 (dans ce cas de figure, les circuits A et B sont isobares).
La vitesse de fermeture dépend du rapport des surfaces, de la fuite et de la raideur du ressort : le Nano, même s’il doit être considéré comme un « numériseur lent », nous a néanmoins montré que le déplacement du tiroir prend moins d’une seconde.
Regardons à présent ce qui se passe lorsque la pompe hydraulique de l’ABS entre en action quand les fonctions HDC ou TC sont activées.
Comme on l’a vu précédemment, il faut absolument que l'entrée E1 soit fermée car sinon, la pression fournie par la pompe se perdrait dans le réservoir de liquide de freins :
La porte E1 est déjà naturellement fermée sous l’action du ressort puisque la pression dans le circuit E1/S1mc reliant le maître cylindre au bloc hydraulique ABS est au niveau bas. La pression fournie par la pompe (niveau haut) entrant par E2 plaque alors un peu plus fort le clapet sur son siège : la pression ressort donc uniquement par S2, alimentant le circuit A, seul capable d’actionner les freins de notre roue.
Toutes les fonctionnalités mises en lumière précédemment sont donc satisfaites.
Il faut bien voir qu’au-delà du principe de fonctionnement cette vanne, les dispositions constructives adoptées peuvent être assez diverses : à l’instar de ce qui se fait sur les compensateurs de freinage, on peut imaginer un petit clapet logé (il faudrait plutôt dire serti) dans un tiroir creux et qui ouvre ou ferme un circuit en fonction de la position occupée par le tiroir principal.
Tout ça pour dire que la vanne n’est pas nécessairement entièrement démontable, ce qui pourrait compromettre toute tentative de réparation.
Mais nous n’en sommes pas là !
Modifié en dernier par Normand 1400 le 05/12/2023 6:22, modifié 1 fois.
Re: Discovery II : modulateur ABS hors service
Dans le genre "connerie" électronique sur le TD4, en courtes, le fait de relâcher l'embrayage met en route l'anti calage, et le moteur accélère pendant 30s à 1200 tr/min et du coup lorsque tu est as ras d'une difficulté en montée, mais pire au bord d'un trou, tu prends un grand coup d'élan là où tu veux simplement te mettre en prise pour gérer la descente au frein moteur, et surtout ne pas dérayer sinon on remet à zéro le merdier. A se demander si les ingénieurs qui ont pondu çà ont déjà fait du franchissement avec leur binz.Normand 1400 a écrit : 04/12/2023 12:08
De même, lorsqu’on voit l’importance d’asseoir le 4x4 avant de descendre des marches biaises en le stabilisant en jouant sur les réactions de suspension juste avant la grande bascule, ce qui nécessite de solliciter les freins avec une certaine tonicité, il est évident que le HDC reste — et restera, comme tous ses petits camarades — totalement incapable de réaliser une telle manœuvre…
Donc, non, dans l’état actuel des choses, je reste convaincu qu’un 4x4 équipé de différentiels spéciaux et manié par un conducteur maîtrisant totalement sa mécanique restera, et pour un bon moment encore, nettement plus performant qu’un engin bardé d’électronique.
Re: Discovery II : modulateur ABS hors service
Bonsoir tout le monde,
donc aujourd'hui alignement planétaire:
je suis de repos,
il ne pleut pas,
j'ai quelqu'un pour appuier sur la pédale de frein
ET: dans un des deux côte, le droit(le moins accessible bien sur!)
la tige devant actionner le contact navette ne bouge pas!
j'ai essayé d'y accéder par le haut en démontant les petite trappes, mais non, cela doit se trouver à quelque millimètres de ces trous,
j'en ais profité pour faire des photo de ce qu'il y avait derrière ce trappe, vers nous un petit trou pour le tube vers nous,au fond un petit trou et dans le trou il y ça: Voila pour ce soir...
Je sent qu'il va falloir que je demonte le bloc ABS pour pouvoir le mettre sur l'établi pour tirer la tige bloquée...
donc aujourd'hui alignement planétaire:
je suis de repos,
il ne pleut pas,
j'ai quelqu'un pour appuier sur la pédale de frein
ET: dans un des deux côte, le droit(le moins accessible bien sur!)
la tige devant actionner le contact navette ne bouge pas!
j'ai essayé d'y accéder par le haut en démontant les petite trappes, mais non, cela doit se trouver à quelque millimètres de ces trous,
j'en ais profité pour faire des photo de ce qu'il y avait derrière ce trappe, vers nous un petit trou pour le tube vers nous,au fond un petit trou et dans le trou il y ça: Voila pour ce soir...
Je sent qu'il va falloir que je demonte le bloc ABS pour pouvoir le mettre sur l'établi pour tirer la tige bloquée...
Amicalement Laurent
- Normand 1400
- Habitué
- Messages : 2049
- Enregistré le : 12/01/2006 13:16
- Localisation : Pays de Caux profond
Re: Discovery II : modulateur ABS hors service
Curieux...laudisco a écrit :ET: dans un des deux côte, le droit(le moins accessible bien sur!) la tige devant actionner le contact navette ne bouge pas!
Si une seule navette fonctionne, tu aurais dû avoir 3 000 puis 2 000 Ω lors des mesures de résistance, chaque contacteur qui se déplace court-circuitant une résistance de 1 000 Ω.
Tu as nettement senti l'autre tige de poussée se déplacer?
Pour le reste, ça ressemble à un montage en « cartouches » : vannes et clapets sont arrêtés par des bouchons et l'étanchéité des vannes ou clapets dans leurs alésages est réalisée par des joints toriques. Cette technique permet de minimiser le nombre de perçages dans le bloc hydraulique.
Par contre, on risque de trouver des clapets sertis dans les tiroirs ce qui, généralement, les rend irréparables. Mais d'un autre côté, les tiroirs doivent être montés avec des coupelles hydrauliques classiques, ce qui les rend plus aisément réparables, notamment en cas de léger grippage...
Donc rien n'est perdu!
Vu ce qu'on commence à entrevoir du bouzin, si tu déposes les cartouches, veille à bien les remonter avec de la graisse pour systèmes hydrauliques ; si tu te contentes de laisser le liquide de frein protéger les pièces, une escadrille d'emmerdes s'occupera de ton cas!
Du coup, on risque de devoir s'atteler au sujet « purge ». J'espère qu'on pourra mettre sur le tapis des expériences consistantes car d'après ce que j'ai pu lire partout, il semblerait que les machines à pression — ou à dépression — soient massivement préconisées et ce, sans qu'il soit fait état d'un accompagnement des opérations de purge par actionnement des vannes et tiroirs via l'interface OBD.
Je verrai la chose plus en détail le moment venu, mais il m'a semblé qu'à la condition d'actionner certaines vannes dans un ordre très précis, la purge du bazar uniquement à la pédale de freins était le moyen le plus sûr d'obtenir d'excellents résultats.
En ce qui concerne ce point :
c'est aussi ce que j'ai pensé pendant plusieurs années. Aujourd'hui, au fil de mes recherches sur la régulation algorithmique des ralentis, notamment des moteurs essence, mon point de vue a changé : vu l'évolution des techniques — et des résultats — ces vingt dernières années, j'ai plutôt l'impression que les mecs ne s'en sortent pas.Ze Fifi a écrit : 05/12/2023 0:44Dans le genre "connerie" électronique sur le TD4, en courtes, le fait de relâcher l'embrayage met en route l'anti calage, et le moteur accélère pendant 30s à 1200 tr/min et du coup lorsque tu est as ras d'une difficulté en montée, mais pire au bord d'un trou, tu prends un grand coup d'élan là où tu veux simplement te mettre en prise pour gérer la descente au frein moteur, et surtout ne pas débrayer sinon on remet à zéro le merdier. A se demander si les ingénieurs qui ont pondu çà ont déjà fait du franchissement avec leur binz.
D'où la solution plus bête que méchante qui consiste à faire travailler le moteur sous ralenti accéléré dès que le risque de charge à bas régime devient significatif : il est alors beaucoup plus facile de réguler le moteur qu'à 750 t/mn.
Il m'a même semblé qu'un capteur de pression du liquide d'embrayage informant le calculateur de la manière dont la charge est appliquée au moteur était devenu la règle sur de nombreux véhicules.
Pour le franchissement fin et pour les conducteurs soucieux d'épargner disque et butée d'embrayage, c'est effectivement pas top, mais cela reste une rigolade à côté de la manière dont les boîtes robotisées font souffrir certains organes...
Re: Discovery II : modulateur ABS hors service
Pour la tige oui, oui, je la sent bien bouger, et quand je le repousse, ma fille sent bien la pédale bouger
Sinon, ou trouver "la graisse pour systèmes hydrauliques "?
Aurais tu une marque à me proposer ?
Sinon, ou trouver "la graisse pour systèmes hydrauliques "?
Aurais tu une marque à me proposer ?
Amicalement Laurent
- Normand 1400
- Habitué
- Messages : 2049
- Enregistré le : 12/01/2006 13:16
- Localisation : Pays de Caux profond
Re: Discovery II : modulateur ABS hors service
Pour la graisse, celle-ci, utilisable pour les fluides DOT 3, 4 et 5.1, donne de bons résultats : sur des cylindres de roue de freins à tambour, très exposés à la corrosion, la durée sans oxydation passe de 6 à 7 ans à plus de 20 ans.
Bon, c'est vrai que j'en utilise une seconde, bien noire et bien épaisse, pour garnir l'intérieur des soufflets, mais quand même...
Monter les pièces en considérant que l'huile hydraulique suffira à tout lubrifier est une belle (et très fréquente) connerie, surtout que ce fluide, très hygroscopique, va se gorger d'humidité durant le montage.
Le fait d'avoir ouvert ton bloc a déjà suffi à provoquer une entrée d'humidité dedans. Déjà que le zinzin est probablement sensible à la corrosion...
Tu le sentiras au montage : ainsi lubrifiées, les pièces se placent toutes seules!
La tige immobile, elle était bloquée en position « sortie »?
Celle qui fonctionne bougeait de combien, au pif?
Bon, c'est vrai que j'en utilise une seconde, bien noire et bien épaisse, pour garnir l'intérieur des soufflets, mais quand même...
Monter les pièces en considérant que l'huile hydraulique suffira à tout lubrifier est une belle (et très fréquente) connerie, surtout que ce fluide, très hygroscopique, va se gorger d'humidité durant le montage.
Le fait d'avoir ouvert ton bloc a déjà suffi à provoquer une entrée d'humidité dedans. Déjà que le zinzin est probablement sensible à la corrosion...
Tu le sentiras au montage : ainsi lubrifiées, les pièces se placent toutes seules!
Tu dois pouvoir la trouver chez les revendeurs généralistes de pièces auto ou sur le Net.
La tige immobile, elle était bloquée en position « sortie »?
Celle qui fonctionne bougeait de combien, au pif?
Re: Discovery II : modulateur ABS hors service
je suis de repos Jeudi, je prendrais des mesure, mais celle qui bouge plus d'un centimètre, à vu de pifLa tige immobile, elle était bloquée en position « sortie »?
Celle qui fonctionne bougeait de combien, au pif?
Amicalement Laurent
- Normand 1400
- Habitué
- Messages : 2049
- Enregistré le : 12/01/2006 13:16
- Localisation : Pays de Caux profond
Re: Discovery II : modulateur ABS hors service
Vu l'amplitude, ça veut dire qu'on capte le mouvement d'un tiroir et non d'un clapet. Donc probablement aucun souci pour dégripper le bazar, les pièces étant sans doute faciles d'accès une fois le bloc déposé...laudisco a écrit :celle qui bouge plus d'un centimètre, à vu de pif
La suite jeudi!
Re: Discovery II : modulateur ABS hors service
Des news:
J'ai démonté le bloc, démonté la pièces soit disant grippé voici des photos j'ai fait joué la tige dans le ressort, pas de point dur,
j'ai tout remonté,
mais je n'avais personne pour appuier sur la pédale pour voir si cela refonctionnait...
ce Week end j'ai du monde donc la suite au prochain épisode...
Merci de votre patience
J'ai démonté le bloc, démonté la pièces soit disant grippé voici des photos j'ai fait joué la tige dans le ressort, pas de point dur,
j'ai tout remonté,
mais je n'avais personne pour appuier sur la pédale pour voir si cela refonctionnait...
ce Week end j'ai du monde donc la suite au prochain épisode...
Merci de votre patience
Amicalement Laurent
- disco2magoliv
- Habitué
- Messages : 608
- Enregistré le : 01/05/2010 16:50
- Localisation : 06420 dans le sud mais loin de la foule
- Contact :
Re: Discovery II : modulateur ABS hors service
salut,laudisco a écrit : 16/12/2023 0:38 ce Week end j'ai du monde donc la suite au prochain épisode...
Merci de votre patience
Sacré boulot Laurent.
C'est toi qui bosse, nous on ne fait que lire tes "aventures"..........
Ciao
Pascal.
Pascal.