Questions de novices sur entretien d'un Defender Td5.

Toutes ces choses qu'on ne doit pas négliger pour préserver notre monture

Modérateurs : The Pater, LØLØ

Règles du forum
En naviguant sur le site http://www.landroverfaq.com vous reconnaissez avoir lu ses Conditions d’Utilisation, vous déclarez les comprendre et vous acceptez d’y être lié de manière inconditionnelle. Si tel n'est pas le cas, merci de quitter immédiatement ce site.

Vous pouvez joindre autant d'images que nécessaire à vos messages A LA CONDITION EXPRESSE d'utiliser l'hébergement fourni par le site.

L'administrateur effacera systématiquement tout message contenant des photos hébergées chez Imageschack, Casimage, Wistiti ou tout autre hébergeur tiers sans sommation ni justification.
Avatar du membre
jean-yves 26
Habitué
Messages : 2879
Enregistré le : 06/11/2004 16:30
Localisation : valence 26

Message non lu par jean-yves 26 »

Gabach a écrit :Salut les estivants 8)

Une anecdote en passant, sur les "graissage à vie"
Le camion atelier était hier dans nos murs pour remplacer les roulement de roues avant sur nos VSAV...... Roulements étanches "lubrifiés a vie".. à la vie a la mort..... Morts à 20.000 kms sur les Renault Master 2003 :shock:
et peut-être que l'environnement mécanique du Master fait que...
déport des jantes, equilibrage, etc...
dans mon entreprise, j'ai des roulements graissés à vie qui tournent depuis (pas sur des véhicules mais sur des grosses turbines) disons pour certains 25 ans x 220 jours/an x 7 h/jours soit 38500 heures à environ 600 trs/mn re-soit 1 386 000 000 de tours) :D :D
c'est peut-être un problème de qualité de roulement aussi... :wink:
jean-yves 26
Avatar du membre
torero
Habitué
Messages : 2521
Enregistré le : 26/07/2004 14:49
Localisation : Poulx 30

Message non lu par torero »

Salut!

La longevité des roulements dans l'automobile n'est pas une référence vue que ceux ci sont soumis aux lois des marchés.Quand Renault a besoin de roulement il lance un appel d'offre et retient le moins cher au dépend de la qualité donc de sa longévité.Sur des machines industrielles produites en petite série, c'est tout l'inverse.

J'arrète là pour ne pas piétiner les plates bandes à The Pater. :sm30:
" Quand le sage montre la lune; l'idiot regarde son doigt "
Avatar du membre
The Pater
Modérateur
Messages : 13985
Enregistré le : 25/08/2004 8:19
Localisation : 06°27'46"E 45°50'29"N

Message non lu par The Pater »

Je ne serai pas aussi catégorique que Torero.

Certes les constructeurs automobiles recherchent a gagner le moindre centimes d'euros, mais ils veulent aussi quelque chose de fiable. Ils ne prendront pas obligatoirement le moins cher mais ils choisiront aussi le fournisseur ayant les épaules assez larges pour prendre un rappel sans déposer bilan (out les petits roulementiers) et pouvant faires les études.

Les constructeurs vont même jusqu'à auditer les fournisseurs et leur procedé de fabrication pour trouver des économies à faires. 1 centimes d'euro par roulement sur une Clio, c'est quatres centimes de gagné parClio. Vu qu'il y a 2000 Clio jour, cela donne pour 300 jours : 24 000 Euros de gagné.

Certes, j'ai des exemples où des économies ont été défavorables à la bonne tenue des roulements de roues, mais en général tout se passe bien. La faible durée de service des roulements étant généralement dû à une utilisation hors cahier des charges ou/et les nettoyeurs hautes pression.


Note : Renault est principalement équipé de roulements SNR, filiale de Renault, mais aussi de roulements KOYO.

A+
Ingénieur :
Personne faisant un travail divinatoire de précision basé sur des informations peu fiables données par des personnes peu qualifiées, voire ignorantes.
=>, magicien, devin, sorcier
Avatar du membre
Gabach
Habitué
Messages : 1180
Enregistré le : 20/07/2004 17:12
Localisation : Grands Causses, Pays Templier

Message non lu par Gabach »

Mauresque a écrit :Pour ce qui est de la contenance des bols, de mémoire c'est 0.45 litres, à vérifier toutefois. De toutes façons, tu verses de l'huile dans le bol tant qu'il en prend, quand ça ressort par l'orifice de remplissage c'est que le niveau est bon.
Salut Mau

Est tu sur de toi pour le niveau des bols "par débordement", car si c'est cela, il me faut en premier lieu, en rajouter un peu dans mes bols, car j'ai mis 33 clt, selon la contenance donné par Gérard sur un thème LM.

Par débordement cela serait beaucoup plus simple, nottament pour les niveaux intermédiaires de deux vidanges, puisque le lubrifiant (graisse ET huile) passe a force dans le pont (ou sur la route pour certains :P )

:)
Gabrielle
Habitué
Messages : 1712
Enregistré le : 18/02/2005 12:00
Localisation : Gap 05.

Message non lu par Gabrielle »

Salut,

Si j'ai bien suivi, Gabach, tu cherches à savoir s'il faut remplir les bols jusqu'au debordement par le trou de remplissage?

Si c'est ca, je pense qu'il y en aura trop. Sur mon (pov') Disco 200 Tdi, il y a un tout petit trou qui sert de niveau, avant que ca deborde par le trou de remplissage. Ce niveau, si j'ai bien compris est absent sur les Td5. La contenance est de memoire de 0.35 l par bol. Ceci dit, sur mon disco, il y a une etroite relation entre l'huile qui est dans le pont, celle des bols, et il en va meme jusqu'au roulements au bout de l'arbre. Tout ca pour dire que le niveau, entre 0.33 et 0.35, ca va pas retourner le monde. A mes yeux, il y a de l'huile, c'est deja mieux que quand je l'ai acheté.....

La vrai contenance, a la limite, est indiquée sur le berlingot de graisse qui va bien, non?
Avatar du membre
jean-yves 26
Habitué
Messages : 2879
Enregistré le : 06/11/2004 16:30
Localisation : valence 26

Message non lu par jean-yves 26 »

je suis curieux de connaître statistiquement le nombre de def td5 qui ont fumés leurs bols, par défaut de graissage, (avec les graisses préconisées)

mais bon, comptez pas sur moi pour défendre les berlingots de graisses, j'ai suffisement à faire avec l'egr :D
jean-yves 26
Avatar du membre
Gabach
Habitué
Messages : 1180
Enregistré le : 20/07/2004 17:12
Localisation : Grands Causses, Pays Templier

Message non lu par Gabach »

Gabrielle a écrit :Salut,

Si j'ai bien suivi, Gabach, tu cherches à savoir s'il faut remplir les bols jusqu'au debordement par le trou de remplissage?

Si c'est ca, je pense qu'il y en aura trop. Sur mon (pov') Disco 200 Tdi, il y a un tout petit trou qui sert de niveau, avant que ca deborde par le trou de remplissage. Ce niveau, si j'ai bien compris est absent sur les Td5. La contenance est de memoire de 0.35 l par bol. Ceci dit, sur mon disco, il y a une etroite relation entre l'huile qui est dans le pont, celle des bols, et il en va meme jusqu'au roulements au bout de l'arbre. Tout ca pour dire que le niveau, entre 0.33 et 0.35, ca va pas retourner le monde. A mes yeux, il y a de l'huile, c'est deja mieux que quand je l'ai acheté.....

La vrai contenance, a la limite, est indiquée sur le berlingot de graisse qui va bien, non?
Salut Gabrielle !
Oui ma question est "faut il faire déborder par le trou de remplissage?", comme les autres éléments de transmission quoi (BV, BT, Ponts)!

Ce qui est absent sur les bol de déf depuis les derniers Tdi, c'est la vis de vidange. Pas eu connaissance d'un orifice de niveau, hormis celui de remplissage justement :wink:

Je suis d'accord avec toi, l'huile de pont passe aussi vers les arbres jussqu'au mains meneuse, si cela pouvait lubrifier les roulements, ce serait le top !!!

Le berlingot, jamais regardé de prés puisque justement j'ai rompu avec la graisse pour filer le parfait amour avec l'huile, et de la 85w140 svp 8)


A part qu'il ressemble a une dose recharge de Mir !!!
Gabrielle
Habitué
Messages : 1712
Enregistré le : 18/02/2005 12:00
Localisation : Gap 05.

Message non lu par Gabrielle »

Salut,

On est donc d'accord. Les ponts qui ont donc un trou de vidange ont en fait 3 orifices. Un en bas pour la vidange, un en haut pour remplir, et un tout petit pour le niveau. Il se situe entre les 2 autres, bien sur.

Le doute persiste sur la contenance. Je n'ai pas la RTA sous le coude. Il me semble de memoire que c'est 0.35. Si un autre intervenant peut confirmer ou infirmer.
Avatar du membre
Gabach
Habitué
Messages : 1180
Enregistré le : 20/07/2004 17:12
Localisation : Grands Causses, Pays Templier

Message non lu par Gabach »

En tous cas pas un mot de cette affaire dans le manuel d'atelier :shock: ce qui est logique puisque l'entretien n'est plus prévu, mais me parait un peu léger quand même !
Avatar du membre
Mauresque
Webmaster
Messages : 3825
Enregistré le : 06/05/2004 12:53
Localisation : Caromb, Vaucluse (84)
Contact :

Message non lu par Mauresque »

Désolé de répondre un peu tard, mais le weekend a été long ;)

Les manuels d'atelier récents ne sont pas très locaces sur les contenances ni les procédures à suivre, je me suis donc plongé dans le Worshop Manual Ninety / One Ten de 1987. Pas jeune mais bien fourni ;)

Donc vérification faite dans cet ouvrage, la contenance des bols est bien de 0,35 litres par côté.

Pour ce qui est de la procédure de mise à niveau voilà ce qui nous est dit :
Image
En français dans le texte :

1/ placez le véhicule sur un terrain horizontal et disposez un récipient sous le pivot pour recueillir l'huile usagée

2/ enlevez le bouchon de vidange, laissez couler toute l'huile, nettoyez et reposez le bouchon

3/ enlevez le bouchon de remplissage, et injectez la marque et le grade d'huile recommandée jusqu'à ce qu'elle déborde. Nettoyez et reposez le bouchon, nettoyez les coulures d'huile.
In a world without walls and fences, who needs Windows and Gates ?
Avatar du membre
phy
Habitué
Messages : 464
Enregistré le : 09/10/2004 11:35
Localisation : 29 N

Message non lu par phy »

Gabach a écrit :En tous cas pas un mot de cette affaire dans le manuel d'atelier :shock: ce qui est logique puisque l'entretien n'est plus prévu, mais me parait un peu léger quand même !
Finalement ont se mord la queue, alors entretiens ou pas ? ( perso je dirais oui quand même ) , si oui échéances ? graisse ou huile ?
La je commence sérieusement à être paumé :?
apprenti mécano.
Avatar du membre
Mauresque
Webmaster
Messages : 3825
Enregistré le : 06/05/2004 12:53
Localisation : Caromb, Vaucluse (84)
Contact :

Message non lu par Mauresque »

Moi je dirais vidange en même temps que les ponts, remplissage à la 80w90 ou berlingot LR peu importe.

Mais surtout pour ceux dont l'huile de pont avant se colore, ne laissez pas le spi fautif comme ça : votre niveau de lubrifiant dans la boule ne sera jamais correct.
In a world without walls and fences, who needs Windows and Gates ?
Avatar du membre
Gabach
Habitué
Messages : 1180
Enregistré le : 20/07/2004 17:12
Localisation : Grands Causses, Pays Templier

Message non lu par Gabach »

Phy et Mau

Vu le boulot depuis qu'il n'y a plus le bouchon de vidange, et tant qu'on a les protèges disques, je ferais au mieux tous les deux vidanges de ponts, et encore, s'il ne fait pas trop chaud 8)

Par contre, je vais :
- Compléter le niveau jusqu'à débordement, merçi Mau pour tes "vieilles docs" :wink:
- Contrôler toutes les vidanges le niveau du pont avant et des bols, pour juger de la quantité de transfert d'huile vers le pont....... Parce que commencer a changer de spi sur un 110 de 3 ans d'age, qui ne pert pas la moindre gougoute sous lui, ben ca me broute ! :shock:
Dans mon cas, avoir tranféré des bols vers le pont, un demi berlingot en 80.000 kils, soit une "conso" d'environ 0.2 ml au 100, ben je ne pense pas que cela mérite l'intervention !!!!
Je me permet de parler en moyenne car la coloration de l'huile de pont par la graiise est réelle depuis que l'engin et neuf, dont les spi idem.......
Avatar du membre
The Pater
Modérateur
Messages : 13985
Enregistré le : 25/08/2004 8:19
Localisation : 06°27'46"E 45°50'29"N

Message non lu par The Pater »

Messieurs,

Il semble que la "vieille" doc indique que le bouchon de remplissage et de niveau est le même bouchon.

Sur mon 300 Tdi, il y a trois bouchons :
un de vidange
un de niveau
un de remplissage.

Donc, attention, un bouchon de remplissage peut ou non, selon les versions être un bouchon de niveau ou non.
Alors, tirer comme conclusion que le bouchon de remplissage de graisse LR est aussi un bouchon de "niveau" me paraît être une conclusion hâtive.


A titre d'information, mon bouchon de niveau sur le 300 Tdi se trouve à 3 à 5 mm au dessus d'un plan horizontal passant par l'axe de la transmission.
Grosso modo, le bol est à moitié rempli et la quantité donnée par le manuel est de 0.35 litres.



Gabach,

Pourquoi une 85W140 ?
Ingénieur :
Personne faisant un travail divinatoire de précision basé sur des informations peu fiables données par des personnes peu qualifiées, voire ignorantes.
=>, magicien, devin, sorcier
Avatar du membre
Gabach
Habitué
Messages : 1180
Enregistré le : 20/07/2004 17:12
Localisation : Grands Causses, Pays Templier

Message non lu par Gabach »

Avé Pater 8)

Pourquoi de la 85w140:
http://www.landmania.com/forum/showthre ... ht=Bols+90

Inter numéro 31


Sinon, selon Jca, c'est parce que je n'ai pas trouvé de la EP200 :lol:
Avatar du membre
sebas
Habitué
Messages : 471
Enregistré le : 06/06/2007 14:18
Localisation : 65 bagnères

Message non lu par sebas »

ok salut a tous

torero a ecrit:

(salut à tous!
Pour vidanger les bols de pivot, il faut enlever une des 2 vis de maintien du pivot inférieur.Ensuite souffler par le trou de remplissage et de niveau pour faire sortir la graisse.
Je ne sais pas comment s'effectue l'étanchéité entre les bols de pivots et le carter de différentiel avant, mais il y a un transfert de la graisse vers le différentiel.On a fait cette constatation sur tous les Def td5.Donc je ne conseillerais pas de mettre de l'huile en remplacement.
Au niveau des périodicités, je change tout chaque 20 mille km à part le filtre centrifuge et le filtre à GO à 40 mille km.Le graissage des arbres de transmission tous les 3000 km environ et avant chaque sortie TT.)

aurais tu une petite photo des vis en question mon ami svp?
merci a+
seb
il vaut mieux un qui sait que deux qui cherchent
Avatar du membre
The Pater
Modérateur
Messages : 13985
Enregistré le : 25/08/2004 8:19
Localisation : 06°27'46"E 45°50'29"N

Message non lu par The Pater »

sebas a écrit :Le graissage des arbres de transmission tous les 3000 km environ et avant chaque sortie TT.)
Regraisser après la sortie en TT est la bonne méthode.
Ingénieur :
Personne faisant un travail divinatoire de précision basé sur des informations peu fiables données par des personnes peu qualifiées, voire ignorantes.
=>, magicien, devin, sorcier
vincent 03
Habitué
Messages : 157
Enregistré le : 01/06/2007 20:29
Localisation : Allier

Re: Questions de novices sur entretien d'un Defender Td5.

Message non lu par vincent 03 »

Salut à tous. Je ressors ce sujet car je dois m'occuper de mes carter pivot. j'ai un def 110 300tdi de 1998 qui a 115000. Je sais que les pivots ont été graissé avec les fameux berlingots et soi-disant à vie. mais bon, j'ai des doutes sérieux sur l'éternité de cette graisse. Bref, je compte la changer. N'ayant pas de vis de vidange, quelle est cette fameuse vis de maintient du pivot que l'on doit démonter? Et si je remet juste un nouveau berlingot en plus, que se passerait-il? (ne rigolez pas, je ne suis pas un pro de la mécanique maleureusement :sm1: ). N'empêche, ils font C....R d'avoir viré le bouchon de vidange et la bonne vieille huile de point :evil:
Merci à tous de vos réponses.
Ce n'est pas parce qu'une erreur se répand qu'elle devient vérité. Gandhi.
Avatar du membre
Def e-Duck
Habitué
Messages : 2098
Enregistré le : 24/03/2008 19:22
Localisation : boulogne dieppe

Re: Questions de novices sur entretien d'un Defender Td5.

Message non lu par Def e-Duck »

Concernant le sujet (c'est-à-dire entretien d'un Def Td5), voici ce que j'ai trouvé :

Remplacer l'huile des ponts lors des révisions importantes = ts les 40000 km, mais ne pas hésiter à le faire ts les 20000 si utilisation heavy (poussière++, forte chaleur, boue, traction d'une lourde remorque)

- avec une clé à cliquet carré 1/2, commencer par débloquer le bouchon de remplissage pour mettre l'ensemble à pression atmosphérique
- débloquer le bouchon de vidange
- dévisser complètement le bouchon de vidange et laisser couler l'huile dans un bac (le plus longtemps possible)
- remettre en place le bouchon de vidange, faire le plein d'huile par le trou de remplissage jusqu'à écoulement d'un petit filet; à défaut de pompe pneumatique, utiliser une seringue spéciale pour faciliter ce travail

Huile de pont : huile de transmission monograde 90WEP (recommandée LR) (bien que beaucoup de personnes utilisent plutôt de la 75W90 par simplicité)

Pont AV : 1,70l
Pont AR : 1,70l (D90); 2,25l (D110, 130)
'Dire des idioties, de nos jours où tout le monde réfléchit profondément, c'est le seul moyen de prouver qu'on a une pensée libre et indépendante.' (Boris Vian)
Avatar du membre
The Pater
Modérateur
Messages : 13985
Enregistré le : 25/08/2004 8:19
Localisation : 06°27'46"E 45°50'29"N

Re: Questions de novices sur entretien d'un Defender Td5.

Message non lu par The Pater »

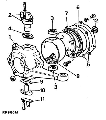
vincent 03 a écrit : N'ayant pas de vis de vidange, quelle est cette fameuse vis de maintient du pivot que l'on doit démonter?
Ce n'est pas une vis, mais deux vis.

Il faut lever le pont pour que le poids du véhicule ne passe pas par le pivot. Ensuite il faut dévisser les deux vis du bas. Ce sont les vis qui fixe la pièce 10 au corps du pivot.
vis pivot.JPG
Et si je remet juste un nouveau berlingot en plus, que se passerait-il?
Trop de lubrifiant = échauffement supplémentaire pouvant être néfaste.

A+
Ingénieur :
Personne faisant un travail divinatoire de précision basé sur des informations peu fiables données par des personnes peu qualifiées, voire ignorantes.
=>, magicien, devin, sorcier
Répondre

Retourner vers « Entretien courant »