Besoin d'une révision électrique complète
Règles du forum
En naviguant sur le site http://www.landroverfaq.com vous reconnaissez avoir lu ses Conditions d’Utilisation, vous déclarez les comprendre et vous acceptez d’y être lié de manière inconditionnelle. Si tel n'est pas le cas, merci de quitter immédiatement ce site.
Vous pouvez joindre autant d'images que nécessaire à vos messages A LA CONDITION EXPRESSE d'utiliser l'hébergement fourni par le site.
L'administrateur effacera systématiquement tout message contenant des photos hébergées chez Imageschack, Casimage, Wistiti ou tout autre hébergeur tiers sans sommation ni justification.
En naviguant sur le site http://www.landroverfaq.com vous reconnaissez avoir lu ses Conditions d’Utilisation, vous déclarez les comprendre et vous acceptez d’y être lié de manière inconditionnelle. Si tel n'est pas le cas, merci de quitter immédiatement ce site.
Vous pouvez joindre autant d'images que nécessaire à vos messages A LA CONDITION EXPRESSE d'utiliser l'hébergement fourni par le site.
L'administrateur effacera systématiquement tout message contenant des photos hébergées chez Imageschack, Casimage, Wistiti ou tout autre hébergeur tiers sans sommation ni justification.
Besoin d'une révision électrique complète
Bonjour à tous,
J'ai un 110 tdi hardtop de 1997 (ancienne ambulance de la sécurité civile) depuis quelques mois. J'ai un certain nombres de détails à régler dessus, et la volonté de l'aménager correctement, donc finalement toute l'élec est concernée.
Tout d'abord, où trouver un schéma électrique du land ?
Et plus en détail, mes soucis :
Sous le siège av droit, tous les cables sont coupés, plus de boitier EGR. N'y avait-il que ce boitier ?
Où brancher le connecteur qui vient du capteur de blocage de différentiel ?
Virer un peu la merdasse (ancienne alarme, antenne, des fils qui trainent et qui sont coupés, etc...)
Et je vais faire les modifs suivantes, si ça vous inspire des remarques, faites le moi savoir :
Seconde batterie
Prise 12V femelle extérieur (pour brancher facilement des appareils dehors). Existe-t-il un standard ?
Ordinateur sous le siège av droit et écran quelque part (besoin de filtre ? je pense que l'alim à découpage du pc filtre suffisamment)
Phare de travail à led à l'arrière
Ventilation et éclairage de l'habitacle à l'arrière -> j'aime pas prendre la masse sur une tôle d'alu peinte. J'ai envie de tirer un vrai câble de masse depuis la batterie. Mais ça va me faire des boucles de masse. Je peux le lier à la caisse en de nombreux points le long de sont parcours. Qu'en pensez vous ?
Et je réfléchis à la possibilité de monter un alternateur supplémentaire de forte puissance à l'emplacement du compresseur de clim pour pouvoir sortir 3 à 4 kw et faire fonctionner une plaque à induction pour la cuisson à l'arrière. Quelqu'un aurait une idée / expérience de gros alternateur qui tient à la place du compresseur de clim ?
Merci pour les avis
Hastrh2o
J'ai un 110 tdi hardtop de 1997 (ancienne ambulance de la sécurité civile) depuis quelques mois. J'ai un certain nombres de détails à régler dessus, et la volonté de l'aménager correctement, donc finalement toute l'élec est concernée.
Tout d'abord, où trouver un schéma électrique du land ?
Et plus en détail, mes soucis :
Sous le siège av droit, tous les cables sont coupés, plus de boitier EGR. N'y avait-il que ce boitier ?
Où brancher le connecteur qui vient du capteur de blocage de différentiel ?
Virer un peu la merdasse (ancienne alarme, antenne, des fils qui trainent et qui sont coupés, etc...)
Et je vais faire les modifs suivantes, si ça vous inspire des remarques, faites le moi savoir :
Seconde batterie
Prise 12V femelle extérieur (pour brancher facilement des appareils dehors). Existe-t-il un standard ?
Ordinateur sous le siège av droit et écran quelque part (besoin de filtre ? je pense que l'alim à découpage du pc filtre suffisamment)
Phare de travail à led à l'arrière
Ventilation et éclairage de l'habitacle à l'arrière -> j'aime pas prendre la masse sur une tôle d'alu peinte. J'ai envie de tirer un vrai câble de masse depuis la batterie. Mais ça va me faire des boucles de masse. Je peux le lier à la caisse en de nombreux points le long de sont parcours. Qu'en pensez vous ?
Et je réfléchis à la possibilité de monter un alternateur supplémentaire de forte puissance à l'emplacement du compresseur de clim pour pouvoir sortir 3 à 4 kw et faire fonctionner une plaque à induction pour la cuisson à l'arrière. Quelqu'un aurait une idée / expérience de gros alternateur qui tient à la place du compresseur de clim ?
Merci pour les avis
Hastrh2o
- The Pater
- Modérateur
- Messages : 13985
- Enregistré le : 25/08/2004 8:19
- Localisation : 06°27'46"E 45°50'29"N
Re: Besoin d'une révision électrique complète
C'est drôle, mais le manuel d'atelier datant de septembre 1997 place le boitier EGR sous le cubix box ou sous le siège central.hastrh2o a écrit : Sous le siège av droit, tous les cables sont coupés, plus de boitier EGR. N'y avait-il que ce boitier ?
Il me semble bien qu'il existe un standard concernant cette prise. Je ne connais pas la norme.Prise 12V femelle extérieur (pour brancher facilement des appareils dehors). Existe-t-il un standard ?
Il faudra que tu en prennes une qui soit étanche. vas chez les accessoiristes de motos.
http://www.equipmoto.fr/accessoire-moto ... -moto.html
Je ne le mettrai pas à cet endroit.....Ordinateur sous le siège av droit
Il faut un endroit aéré mais qui ne puisse se se remplir d'eau en cas de passage à gué.
Pourquoi pas.Ventilation et éclairage de l'habitacle à l'arrière -> j'aime pas prendre la masse sur une tôle d'alu peinte. J'ai envie de tirer un vrai câble de masse depuis la batterie. Mais ça va me faire des boucles de masse. Je peux le lier à la caisse en de nombreux points le long de sont parcours. Qu'en pensez vous ?
Tu peux toujours te bricoler quelque chose, voir un alternateur 24 Volts avec une batterie à décharge lente de 24 Volts.Et je réfléchis à la possibilité de monter un alternateur supplémentaire de forte puissance à l'emplacement du compresseur de clim pour pouvoir sortir 3 à 4 kw et faire fonctionner une plaque à induction pour la cuisson à l'arrière. Quelqu'un aurait une idée / expérience de gros alternateur qui tient à la place du compresseur de clim ?
Tout est faisable.
Mais un alternateur de forte puissance, cela pèse son poids et il faut l'entrainer. Donc tu augmentes la consommation de ton véhicule même quand tu n'utilises pas l'alternateur.
De plus je ne suis pas sûr qu'une plaque à induction puisse résister longtemps aux vibrations.
AMHA, rester simple et chauffer au gaz me semble plus adéquate.
A+
Ingénieur :
Personne faisant un travail divinatoire de précision basé sur des informations peu fiables données par des personnes peu qualifiées, voire ignorantes.
=>, magicien, devin, sorcier
Personne faisant un travail divinatoire de précision basé sur des informations peu fiables données par des personnes peu qualifiées, voire ignorantes.
=>, magicien, devin, sorcier
- Klug
- BOFH
- Messages : 1758
- Enregistré le : 06/05/2004 12:57
- Localisation : Sud Drôme - Nord Ventoux
- Contact :
Re: Besoin d'une révision électrique complète
Attention : si "gaz" en fixe, alors passage à la DRIRE.
All you need is Duct Tape and WD-40. If something moves and shouldn't: duct tape. If it doesn't move and should: use the WD-40.
- The Pater
- Modérateur
- Messages : 13985
- Enregistré le : 25/08/2004 8:19
- Localisation : 06°27'46"E 45°50'29"N
Re: Besoin d'une révision électrique complète
Bouteille gaz ou/et plaque gaz ?Klug a écrit :Attention : si "gaz" en fixe, alors passage à la DRIRE.
Si j'ai plaque gaz et tuyaux à demeure, mais bouteille gaz amovible... DRIRE ou pas ?
A+
Ingénieur :
Personne faisant un travail divinatoire de précision basé sur des informations peu fiables données par des personnes peu qualifiées, voire ignorantes.
=>, magicien, devin, sorcier
Personne faisant un travail divinatoire de précision basé sur des informations peu fiables données par des personnes peu qualifiées, voire ignorantes.
=>, magicien, devin, sorcier
Re: Besoin d'une révision électrique complète
il me semble que la bouteille est TOUJOURS amovible. à moins que tu ne la soudes sur le chassis? 
This manual should be used to find out where the water is leaking from. Due to the nature of the design and construction of the Defender this can prove to fairly difficult. The fact that water moves in seemingly random directions also adds to the problem
- Klug
- BOFH
- Messages : 1758
- Enregistré le : 06/05/2004 12:57
- Localisation : Sud Drôme - Nord Ventoux
- Contact :
Re: Besoin d'une révision électrique complète
DRIRE.The Pater a écrit :Bouteille gaz ou/et plaque gaz ?
Si j'ai plaque gaz et tuyaux à demeure, mais bouteille gaz amovible... DRIRE ou pas ?
Même si c'est peu développé (tarifs des réservoirs et du montage), les installations avec réservoir GPL fixe sont autorisées en France.kebir31 a écrit :il me semble que la bouteille est TOUJOURS amovible. à moins que tu ne la soudes sur le chassis?
Une des questions pour lesquelles les réponses ne semblent pas "claires" par exemple est "l'installation doit-elle être réalisée par un pro ?"...
Un peu pareil qu'une installation GPL pour le moteur : ce n'est plus obligatoire (vu qu'il n'y a plus d'"installateurs certifiés" de toutes façons) mais se pointer en DRIRE, même avec une install 100% aux normes, sans être accompagnés par un installateur ex-certifié, c'est grosse énorme galère en perspective...
All you need is Duct Tape and WD-40. If something moves and shouldn't: duct tape. If it doesn't move and should: use the WD-40.
Re: Besoin d'une révision électrique complète
Bonjour,
Quelque chose dans ce genre :
http://www.discount-marine.com/Prises_1 ... p5418.html
De mémoire, les prises violettes de legrand sont à une norme réservée au 24V. Il faudrait que je vois s'il n'y a pas une norme pour le 12V.
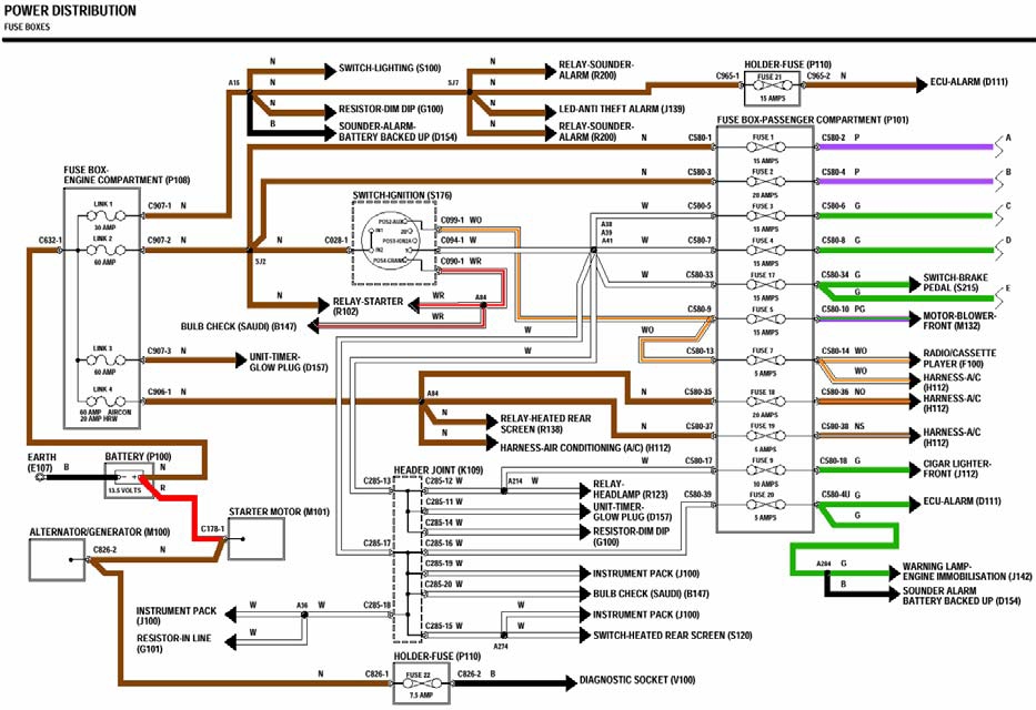
Je reviens à la charge, où trouver le schéma électrique ?
Merci
Hastrh2o
Je crois que le mien a été immatriculé en novembre. Mais sous le cuby box, il n'y a absolument pas de place !! J'ai une trappe qui donne directement sur la BT (et le connecteur débranché !). Par contre sous le passager avd j'ai un caisson. Comme il a été acheté par l'administration, est-ce qu'il serait sorti des chaines de fab plus tôt et qu'il aurait trainé avant d'être immatriculé ?The Pater a écrit : C'est drôle, mais le manuel d'atelier datant de septembre 1997 place le boitier EGR sous le cubix box ou sous le siège central.
J'aime pas les prises allume-cigare. C'est mal foutu, c'est pas fait pour. Je pensais plutôt à des trucs comme sur les campings car ou petits groupes frigos. Mais ils sont peut-être bien en 220V...The Pater a écrit : Il me semble bien qu'il existe un standard concernant cette prise. Je ne connais pas la norme.
Il faudra que tu en prennes une qui soit étanche. vas chez les accessoiristes de motos.
Quelque chose dans ce genre :
http://www.discount-marine.com/Prises_1 ... p5418.html
De mémoire, les prises violettes de legrand sont à une norme réservée au 24V. Il faudrait que je vois s'il n'y a pas une norme pour le 12V.
Qui ne puisse pas se remplir d'eau : c'est sûr. Deux solutions : étanche, ou au dessus de l'eau. Je pense que tu es en train de me dire qu'un endroit qui ne puisse pas se remplir d'eau est nécessairement au dessus de l'eau... C'est bien vrai. Pour l'aération, avec la consommation des cartes itx & Co. même dans une boite fermée, pourvu qu'elle soit au frais, il ne devrait pas y avoir de problèmes. Par contre dans des contrées plus chaudes, c'est un point important.The Pater a écrit : Je ne le mettrai pas à cet endroit.....
Il faut un endroit aéré mais qui ne puisse se remplir d'eau en cas de passage à gué.
Quelle serait la puissance consommée à vide par un alternateur classique ? Ca ne doit quand même pas être énorme. Ce qui m'intéresse avec l'elec c'est de pouvoir faire chauffer sans aucun risque de l'eau très facilement, benne fermée, plusieurs personnes dedans, quand il pleut dehors, qu'il y a plein de vent, qu'il fait froid, etc... comme ces jours ci. La plaque à induction est je pense assez résistante : une tresse de cuivre et un circuit c'est pas trop fragile. Moins qu'une plaque élec classique.The Pater a écrit : Mais un alternateur de forte puissance, cela pèse son poids et il faut l'entrainer. Donc tu augmentes la consommation de ton véhicule même quand tu n'utilises pas l'alternateur.
De plus je ne suis pas sûr qu'une plaque à induction puisse résister longtemps aux vibrations.
AMHA, rester simple et chauffer au gaz me semble plus adéquate.
Je reviens à la charge, où trouver le schéma électrique ?
Merci
Hastrh2o
Re: Besoin d'une révision électrique complète
Le standard en 12v c'est la prise allume cigare... c'est mal foutu, mais si tu achète un accessoire 12v, il aura une prise allume cigare!
Il existe aussi des prises comme les allume cigare mais plus petites, par contre on en voit de moins en moins... et c'est pas beaucoup mieux foutu.
La prise que tu montres, c'est le standard en camping car, mais pour du 220v, elles sont étanches aussi...
En bref, si tu mets autre chose que de l'allume cigare, tu peux prévoir des prises d'avance, pour remplacer la prise allume cigare de ce que tu voudras brancher!
Pour la plaque de cuisson, a mon avis ca consommera beaucoup trop, donc il faudra un alternateur monstreux pour fournir les watts, je me demandes combien ca peut valoir en €, si ca existe seulement! et il faudra une grosse courroie pour l'entrainer...
Bref, un réchaud a gaz ca va très bien, il suffit de prévoir les aérations, une bonne fixation au pire et voila...
Il existe aussi des prises comme les allume cigare mais plus petites, par contre on en voit de moins en moins... et c'est pas beaucoup mieux foutu.
La prise que tu montres, c'est le standard en camping car, mais pour du 220v, elles sont étanches aussi...
En bref, si tu mets autre chose que de l'allume cigare, tu peux prévoir des prises d'avance, pour remplacer la prise allume cigare de ce que tu voudras brancher!
Pour la plaque de cuisson, a mon avis ca consommera beaucoup trop, donc il faudra un alternateur monstreux pour fournir les watts, je me demandes combien ca peut valoir en €, si ca existe seulement! et il faudra une grosse courroie pour l'entrainer...
Bref, un réchaud a gaz ca va très bien, il suffit de prévoir les aérations, une bonne fixation au pire et voila...
Re: Besoin d'une révision électrique complète
Peut être regarder du coté des génératrices des lands FFR, pour les séries elle est énorme mais je ne sais pas sa puissance. On en trouve de temps en temps car beaucoup préfèrent repasser sur une dynamo ou un alternateur classique (car en plus la FFR semble souvent siffler assez fort).
--
François

.
François
.
- Frédéric_Dept79
- Habitué
- Messages : 2396
- Enregistré le : 03/06/2004 16:49
- Localisation : Niort (79) - France
Re: Besoin d'une révision électrique complète
fa a écrit :Peut être regarder du coté des génératrices des lands FFR, pour les séries elle est énorme mais je ne sais pas sa puissance. On en trouve de temps en temps car beaucoup préfèrent repasser sur une dynamo ou un alternateur classique (car en plus la FFR semble souvent siffler assez fort).
Pour les novices, FFR = Fitted For Radio, version militaires nécessitant beaucoup d'ampérage pour alimenter l'équipement de radio communication, donc choix de passer au 24V.
(I was)Always in a Land Rover (1995-2012) Ayé il est parti 
Save the Planet, Kill an Ecologist
Save the Planet, Kill an Ecologist
Re: Besoin d'une révision électrique complète
Avant 1999, le calculateur de l'EGR est sous le cubby qui est lui même rehaussé par des tasseaux de 40 pour laisser la place au calculateur (les fils du faisceau sortent dans la trappe d'accès à la BT), tu as aussi la prise OBD (diagnostic) qui est accessible par l'avant du cubby.
Si le montage n'est pas celui là, alors ton cube a été largement modifié !
Le caisson sous le siège passager est relativement protégé, j'y ai un convertisseur 12-220V dedans avec des prises 220v encastrées en façade du caisson depuis 3 ans, je n'y ai jamais vu d'eau de roulage, par contre je fais gaffe dans les pataugeoires (les +7 du Def aident bien aussi !).
Le PC, je ne l'ai pas mis là, comme je trouvais le cubby un peu trop bas, j'ai fait un coffre de 10cm de haut sous le cubby, articulé (le cubby peut basculer vers l'arrière). Ca me donne assez de place pour y placer le PC (6PC + Ecran tactile biensur
), les merdouilles (lecteur de carte mémoire, hub usb, chargeurs divers et variées) et l'écran quand il est rangé.
Comme ça, plus de bazard dans le cubby. Et le PC ne peut pas être plus en hauteur que ça !
Si le montage n'est pas celui là, alors ton cube a été largement modifié !
Le caisson sous le siège passager est relativement protégé, j'y ai un convertisseur 12-220V dedans avec des prises 220v encastrées en façade du caisson depuis 3 ans, je n'y ai jamais vu d'eau de roulage, par contre je fais gaffe dans les pataugeoires (les +7 du Def aident bien aussi !).
Le PC, je ne l'ai pas mis là, comme je trouvais le cubby un peu trop bas, j'ai fait un coffre de 10cm de haut sous le cubby, articulé (le cubby peut basculer vers l'arrière). Ca me donne assez de place pour y placer le PC (6PC + Ecran tactile biensur
Comme ça, plus de bazard dans le cubby. Et le PC ne peut pas être plus en hauteur que ça !
La boite à outils c'est aussi : LogMyGPS
Re: Besoin d'une révision électrique complète
C'est à voir. Sinon, je pensais aller trouver un alternateur d'utilitaire ou bus, voir un alternateur de petit avion (il me semble que sur les avions de ligne, ils sont en tension et fréquence élevée pour augmenter le rapport puissance/masse. Compte tenu que j'attaque un onduleur en suivant, ça m'irait bien, il me faudrait un petit alternateur de ce genre). Mais c'est pas un monstre que je veux. Juste 4kva. Sur ma ford fiesta, je crois qu'il fait déjà 1kva.françois a écrit :Peut être regarder du coté des génératrices des lands FFR, pour les séries elle est énorme mais je ne sais pas sa puissance. On en trouve de temps en temps car beaucoup préfèrent repasser sur une dynamo ou un alternateur classique (car en plus la FFR semble souvent siffler assez fort).
J'ai mis un fauteuil à la place du cuby box. Et quand je l'ai enlevé, j'ai trouvé un horrible montage avec le siège collé au mastic sur deux tasseaux le tout sur la tôle. Devant une merde pareille, j'ai tiré fort pour virer ça. Donc, tu es en train de me dire que c'est le montage d'origine ??????bisnouk a écrit :Avant 1999, le calculateur de l'EGR est sous le cubby qui est lui même rehaussé par des tasseaux de 40 pour laisser la place au calculateur (les fils du faisceau sortent dans la trappe d'accès à la BT), tu as aussi la prise OBD (diagnostic) qui est accessible par l'avant du cubby.
Si le montage n'est pas celui là, alors ton cube a été largement modifié !
Je comprends du coup pourquoi le faisceau qui vient de la BT est trop court pour aller sous le siège avd. Mais ça n'empêche que j'ai plein de fils coupés sur le siège avd. Donc d'après ce que vous me dites tous, ils ne viennent pas du land d'origine, mais sûrement de l'installation radio girophares & co de son passé d'ambulance. Alors, où brancher le capteur du blocage central ? Nul part ?
Par contre, tu parles de l'ODB : ça existe la dessus ??
Et pour trouver le schéma électrique du land, vous n'avez pas un sentier balisé ?
Merci
Hastrh2o
Re: Besoin d'une révision électrique complète
Oui le montage d'origine du cubby est sur 2 tasseaux vissés sur les 4 écrous prisoniers. Le ECU de l'EGR est vissé sous le cubby et raccordé au faisceau qui traverse la plaque de fermeture de la trappe.hastrh2o a écrit : J'ai mis un fauteuil à la place du cuby box. Et quand je l'ai enlevé, j'ai trouvé un horrible montage avec le siège collé au mastic sur deux tasseaux le tout sur la tôle. Devant une merde pareille, j'ai tiré fort pour virer ça. Donc, tu es en train de me dire que c'est le montage d'origine ??????
Je comprends du coup pourquoi le faisceau qui vient de la BT est trop court pour aller sous le siège avd. Mais ça n'empêche que j'ai plein de fils coupés sur le siège avd. Donc d'après ce que vous me dites tous, ils ne viennent pas du land d'origine, mais sûrement de l'installation radio girophares & co de son passé d'ambulance. Alors, où brancher le capteur du blocage central ? Nul part ?
Par contre, tu parles de l'ODB : ça existe la dessus ??
Et pour trouver le schéma électrique du land, vous n'avez pas un sentier balisé ?
Merci
Hastrh2o
La prise OBD existe mais tu n'as dessus que les tests tension batterie, le PMH, et l'ECU de l'EGR.
Les fils suplémentaires sont, c'est sûr, pour les gyro...
Le capteur du blocage central est sur la BT (contacteur sec) et est raccordé au faisceau qui arrive à la BT/BV (le même que celui qui à la contacteur de marche arrière et le contacteur de frein à main)
La boite à outils c'est aussi : LogMyGPS
Re: Besoin d'une révision électrique complète
Après vérif, les prises legrand hypra violettes sont des 24V (bleu 220 et rouge 380). Pas de 12V. Il n'y a pas vraiment de standard en 12V. Sauf en agriculture, où ils ont des prises "COBO" :Feub a écrit :Le standard en 12v c'est la prise allume cigare... c'est mal foutu, mais si tu achète un accessoire 12v, il aura une prise allume cigare!
Il existe aussi des prises comme les allume cigare mais plus petites, par contre on en voit de moins en moins... et c'est pas beaucoup mieux foutu.
En bref, si tu mets autre chose que de l'allume cigare, tu peux prévoir des prises d'avance, pour remplacer la prise allume cigare de ce que tu voudras brancher!
http://www.notikia.com/fr/electricite/p ... -noir.html
Bon, là l'exemple vient d'un site nautisme, donc les prix sont en fonction, mais sinon chez les revendeurs agricoles, j'ai un client qui m'avait dit que ça ne coutait pas grand chose (5€).
La plupart des choses que je brancherai seront en fixe, donc peu de prises à prévoir. C'est juste pour un ou deux accessoires que je brancherai en extérieur.
Monstrueux, non, on trouve pour les bateaux des alternateurs en 24V / 150 A qui ont une taille réduite et pèsent entre 8 et 13kg d'après ce que j'ai pu glaner. Par contre, il faut faire tourner ça à 3000tr/min mini sinon c'est irrationnel. Donc prévoir une multiplication au niveaux des poulies.Pour la plaque de cuisson, a mon avis ca consommera beaucoup trop, donc il faudra un alternateur monstreux pour fournir les watts, je me demandes combien ca peut valoir en €, si ca existe seulement! et il faudra une grosse courroie pour l'entrainer...
Bref, un réchaud a gaz ca va très bien, il suffit de prévoir les aérations, une bonne fixation au pire et voila...
D'ailleurs, sur ce pdf (http://www-cep.ensmp.fr/english/themes/ ... nnexe5.pdf), ils parlent de 1,5 à 3,5kw consommé par la clim à 3800tr/min. Bon, ça veut pas dire grand chose je vous l'accorde, ce n'est qu'un exemple virtuel mais à mon avis leurs chiffres viennent bien d'une voiture existante. A voir maintenant si la poulie qui entraine la courroie de clim, à 800 tr/min et 3kw consommé, ne va pas glisser. Ca se calcule.
A+
Hastrh2o
Re: Besoin d'une révision électrique complète
Merci pour le bout de schéma Bisnouk, ça m'a motivé pour fouiller et j'ai trouvé ! Toute l'élec est dans le RAVE. Maintenant, je suis paré. Ben j'ai quelques heures de boulot en perspective.
Entre autres choses, j'ai le cligno gauche qui marche, le droit aussi, mais pas les feux de détresse. Quelqu'un aurait-il déjà eu le pb ?
Hastrh2o
Entre autres choses, j'ai le cligno gauche qui marche, le droit aussi, mais pas les feux de détresse. Quelqu'un aurait-il déjà eu le pb ?
Hastrh2o
- LØLØ
- Modérateur
- Messages : 6210
- Enregistré le : 30/07/2006 15:41
- Localisation : guainville (28 )
- Contact :
Re: Besoin d'une révision électrique complète
Salut, le bouton de feu de détresse lui même. Essais avec un autre, mais c´est courant comme pane. Titille le un peu, des fois cela revient, si c´est ça, mais a terme il faudra le changer.hastrh2o a écrit :Merci pour le bout de schéma Bisnouk, ça m'a motivé pour fouiller et j'ai trouvé ! Toute l'élec est dans le RAVE. Maintenant, je suis paré. Ben j'ai quelques heures de boulot en perspective.
Entre autres choses, j'ai le cligno gauche qui marche, le droit aussi, mais pas les feux de détresse. Quelqu'un aurait-il déjà eu le pb ?
Hastrh2o
A+
2 solutions: la bonne et l'Anglaise
LUCAS: Il n'y a pas de contact où il le faut et il y en a un où il ne faut pas
On ne peut aller loin en amitié, si on n'est pas disposé à se pardonner les uns aux autres les petits défauts.
www.eternal-vehicles.fr
LUCAS: Il n'y a pas de contact où il le faut et il y en a un où il ne faut pas
On ne peut aller loin en amitié, si on n'est pas disposé à se pardonner les uns aux autres les petits défauts.
www.eternal-vehicles.fr
Re: Besoin d'une révision électrique complète
Bon, en fait c'était tout con : fusible. Heureusement que je l'ai réparé, j'en ai eu besoin 10km après ! Pour cause de carburant trop froid qui devait commencer à s'épaissir, en rade sur une nationale.LØLØ a écrit : Salut, le bouton de feu de détresse lui même. Essais avec un autre, mais c´est courant comme pane. Titille le un peu, des fois cela revient, si c´est ça, mais a terme il faudra le changer.
Pour le voyant de BT, le connecteur sur la BT n'était pas branché. Les cosses étaient enfouies sous la merde. Maintenant ça fonctionne (pour combien de temps vu l'état des contacts... J'y ai mis de la graisse contact, pourvu que la merde s'y remette et sédimente pour étanchéifier tout ça !).
Le gros faisceau qui pendait était en fait le connecteur allant au boitier EGR qui trainait dehors. Je l'ai refais passer par la paque sous le siège central.
J'ai trouvé le connecteur ODB avec l'allume cigare et la commande de lave glace au centre de (je sais pas comment on appelle ce vide poche géant).
Ca s'éclaircie.
Hastrh2o