bonjour, bonsoir
à partir de l'idée de nanard833

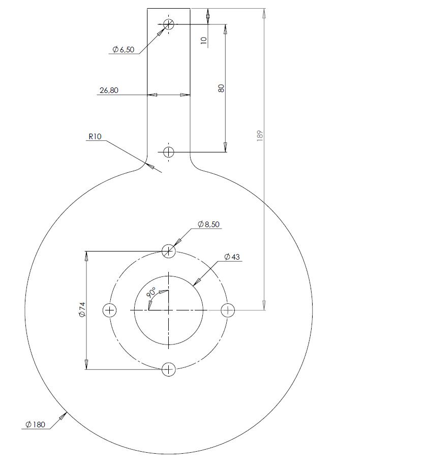
et en prenant en comtpe les dessins côtés de hastrh2o

, je suis allé regarder de plus près le coin "récup / ferraille / ça peut servir un jour ..." du garage et j'ai trouvé des paumelles (diam 10 intérieur) d'un vieux rideau de magasin, et voici la suite ...
un coup de compas et on vérifie que les paumelles et la douille ne se gènent pas
après avoir pointé directement, au travers de la feuille de papier, sur la "mini" table de soudure les 4 axes, on positionne le tout et on fait fondre les baguettes
... respect

pour ceux et celles parmi vous qui savent "bien" souder ! en ce qui me concerne, je "colle/soude"

en me disant qu'à raison de 50 kg/cm2, ça devrait tenir ; pour le moment "l'outil" a reçu un coup de peinture et sèche tranquillement --> je vous dirai bientôt s'il est pleinement opérationnel ! en tout cas, merci pour le partage d'infos

!
en ce qui concerne le deuxième outil requis pour le remplacement de la courroie de distribution, hormis les piges bien entendu, j'ai trouvé sur un site anglais un tuto dans lequel l'extraction de la poulie damper d'un 300tdi et de la poulie de courroie crantée était faite sans problème avec un outil polyvalent appelé "
harmonic balance puller" (voir cliché ci-dessous) dont je n'arrive pas à trouver la traduction en français ...
en cherchant sur des sites anglais de vente par correspondance, j'ai trouvé, entre autres, ces 2 références de la marque Sealey, le Set 18 pièces model N°PS977 ou le Set 46 pièces model N° PS979 qui me semblent appropriés et polyvalent (sur le site justoffbase.co, je crois ...) et à des prix intéressants
question :
- est-ce que l'un d'entre-vous connait ou utilise déjà ce type d'outil ?
- pouvez-vous me recommander qques refs de sites sérieux de vente d'outillage ? (anglais, of course, puisque je n'ai que le nom anglais de cet outil )
au plaisir de vous lire
Tant qu’il se saura mortel, l’homme ne sera pas vraiment décontracté. (Woody Allen)