Problème de charge sur S3 FFR

Bidouillages électriques, codes d'erreur ECU...

Modérateurs : The Pater, LØLØ

Règles du forum
En naviguant sur le site http://www.landroverfaq.com vous reconnaissez avoir lu ses Conditions d’Utilisation, vous déclarez les comprendre et vous acceptez d’y être lié de manière inconditionnelle. Si tel n'est pas le cas, merci de quitter immédiatement ce site.

Vous pouvez joindre autant d'images que nécessaire à vos messages A LA CONDITION EXPRESSE d'utiliser l'hébergement fourni par le site.

L'administrateur effacera systématiquement tout message contenant des photos hébergées chez Imageschack, Casimage, Wistiti ou tout autre hébergeur tiers sans sommation ni justification.
Avatar du membre
LØLØ
Modérateur
Messages : 6210
Enregistré le : 30/07/2006 15:41
Localisation : guainville (28 )
Contact :

Re: Problème de charge sur S3 FFR

Message non lu par LØLØ »

:shock:
Bert a écrit :J'ai mis le fil jaune à la masse sur le boitier à cet endroit, rien ne se passe, mais ô surprise, en mettant le contact, je me suis aperçu que le boitier de la shunt box perdait sa masse (la mise sous contact la court-circuite en quelque sorte - je ne sais si je me fait bien comprendre :oops: )

Pour aller au bout des choses, j'ai mis le fil jaune à la masse mais en direct sur le - batterie cette fois - rien ne se passe... et pour cause...
LIS:
LØLØ a écrit :ne mets pas le fil jaune a la masse lorsque tu as le contact mis.
C'était en rouge en plus, pour le coup que tu aurais grillé le régulateur :sm1: .
A l'arret ce n'est pas grave, mais moteur tournant, il y a un petit 28V qui est produit par le régulateur via la génératrice qui normalement doit provoquer l'extinction de ton voyant quand tout va bien. Car il est situé entre deux 28V a ses bornes donc pas de différence de potentiel et doit s'éteindre quand tout va bien, maintenant, si il y a une sur production ou une sous production il s'allume car cela génère une différence de potentiel par rapport au 24V de la batterie.Donc cette sortie est prévue pour débiter très peu de courant, en la reliant a la masse directement tu lui fait débiter un maximum car il n'y a plus de limitation et une différence de potentiel maximum alors que seulement 3 ou 4 volts suffisent pour commencer a allumer ton voyant. Tu as mis une ampoule 24V-3W; il faudrait retrouver la vrais valeur de ton voyant de charge, je vais chercher mais je ne sais pas si j'ai ça dans mes documents?
Donc, maintenant quand tu mets le fil marron liseré jaune à la masse le pseudo voyant de charge s'allume bien; le fil blanc de l'autre coté du voyant c'est un +24V après contact.
Bert a écrit :Pour ce faire, j'ai vérifié de nouveau si le boitier de la shunt box (au niveau du cercle rouge) était bien à la masse. No problem, la liaison est bonne.
OK
Peux- tu mettre une photo de ton Boitier où est le régulateur?
Il y a sur certain fils des petites bagues jaunes avec un numéro ou une lettre dessus, surtout ne les frotte pas pour voir mieux car c'est pire, les indications ont tendance a s'effacer dés qu'on les touche. Mais essais de les tourner et de les mettre dans le sens visible pour la photo. D'ailleurs, dans la shunt box, il y a sur le fil jaune une bague comme ça, il y a quoi comme indication dessus?
Bert a écrit :J'ai mis le fil jaune à la masse sur le boitier à cet endroit, rien ne se passe, mais ô surprise, en mettant le contact, je me suis aperçu que le boitier de la shunt box perdait sa masse (la mise sous contact la court-circuite en quelque sorte - je ne sais si je me fait bien comprendre :oops: )
Non je vois pas bien, ou alors tu étais en position Ohmmètre entre le boitier et quoi? et la masse n'étant pas vraiment bonne sur le land, il y a un petit courant qui a affolé l'ohmmètre et qui te fais penser que tu as " perdu ta masse". Mais je pense de plus en plus que tu as un problème de masse sur ton cube quelque part. En plus de ton problème de charge et les deux ne sont pas forcement étranger.
Quelques ont été les travaux effectués sur ton land?
Depuis quand date ce problème de charge?
A+
:sm9:
2 solutions: la bonne et l'Anglaise
LUCAS: Il n'y a pas de contact où il le faut et il y en a un où il ne faut pas
On ne peut aller loin en amitié, si on n'est pas disposé à se pardonner les uns aux autres les petits défauts.
www.eternal-vehicles.fr
Bert
Messages : 14
Enregistré le : 19/02/2010 0:04
Localisation : Médoc, 33

Re: Problème de charge sur S3 FFR

Message non lu par Bert »

:D Il était tard hier soir, et je me suis emmêlé les pinceaux en tapant ma réponse... :sm11:
Donc non, j'ai bien mis le marron liséré jaune à la masse (le jaune étant un femelle protégé, je n'ai pas enlevé la protection caoutchouc).
J'ai donc revérifié ce matin, contact mis, en mettant le marron liseré jaune à la masse, le voyant de charge s'illumine. C'est donc une bonne chose.
(la masse est donc bonne à ce niveau)
Je crois avoir lu quelque part que le voyant de charge était en 2 W ? à vérifier.


Ci dessous la photo de mon generator panel : pas toujours facile de lire les repères. Voici ce que j'ai pu trouver :
P1140587 - Copie.JPG

Le land est à la maison depuis 3 mois seulement, je n'ai pas d'historique, et n'ai rien fait dessus. J'en arrive à croire qu'il n'a jamais vraiment chargé... :?

et les galvas sont toujours montés à fond depuis que je l'ai.

Merci !
Avatar du membre
Frédéric_Dept79
Habitué
Messages : 2396
Enregistré le : 03/06/2004 16:49
Localisation : Niort (79) - France

Re: Problème de charge sur S3 FFR

Message non lu par Frédéric_Dept79 »

Pour la masse du véhicule, une truc très simple pour tester est de se servir de cables de demarrage, à minima un entre le - 24V de tes batteries et le bloc moteur (idéalement via un oeil de levage c'est pratique pour accrocher), ensuite pour mettre ceinture bretelles, un autre cable de demarrage entre soit le moteur, soit le - 24V des batteries et le chassis, là tu es sûr d'avoir une masse correcte sur le bloc et sur le chassis. Enfin tu peux aussi mettre un autre cable de demarrage entre le chassis et la caisse.

Perso je ne connais pas le montage en 24V FFR, mais les galva qui partent à fond indiquent un problème franc, soit de connecteurs/fils, soit de masse.

Il y a beaucoup de lecture sur les Forums UK dans les rubriques military.
(I was)Always in a Land Rover (1995-2012) Ayé il est parti :)
Save the Planet, Kill an Ecologist
Bert
Messages : 14
Enregistré le : 19/02/2010 0:04
Localisation : Médoc, 33

Re: Problème de charge sur S3 FFR

Message non lu par Bert »

LØLØ a écrit :D'ailleurs, dans la shunt box, il y a sur le fil jaune une bague comme ça, il y a quoi comme indication dessus
Le cable en question porte le repère E


LØLØ a écrit : Il faut trouver pourquoi les manos sont à fond. La seule explication que je vois, c'est que les sondes ne sont pas bien relier à la masse, car dans le cas du 24V il n'y a pas de régulateur. Donc cela peut vouloir dire que ton bloc moteur, n'est pas bien a la masse. Refais une tresse entre le bloc et le châssis ou contrôle l'existante en la démontant et en grattant les points de fixations et les œillets de la tresse aussi. Vois également la tresse entre le tablier et le châssis. et la tresse de batterie.
J'ai mis le moteur à la masse directement depuis la batterie avec un cable de démarrage (comme indiqué par Frédéric :wink: ).
Rien ne change. Les galvas sont toujours à fond à la mise sous contact.

LØLØ a écrit : Dans quel état est ton câblé d'accélérateur?
Je n'ai aucun cable, juste de la tringlerie, qui fonctionne très bien.



:?: :sm1:
Avatar du membre
LØLØ
Modérateur
Messages : 6210
Enregistré le : 30/07/2006 15:41
Localisation : guainville (28 )
Contact :

Re: Problème de charge sur S3 FFR

Message non lu par LØLØ »

Bert a écrit :
Le cable en question porte le repère E
Salut Bert, apparemment les repères correspondent aux schémas.
Bert a écrit : J'ai mis le fil jaune à la masse sur le boitier à cet endroit, rien ne se passe, mais ô surprise, en mettant le contact, je me suis aperçu que le boitier de la shunt box perdait sa masse (la mise sous contact la court-circuite en quelque sorte - je ne sais si je me fait bien comprendre :oops: )
Je ne vois toujours pas trop ce qui ce passe, est ce que tu as les batteries radio?
Il faudrait que tu refasses la photo de ton générateur panel, car je ne vois pas bien toutes les connections, place l'appareil plus verticalement sur le dessus car les connexions des 3 diodes et et celles du régulateur sont cachées.
Quelque chose me chagrine sur le schéma que je ne comprends pas bien. Par rapport au circuit de masse.
lfig152_2D.gif
P1140587 - Copie.JPG
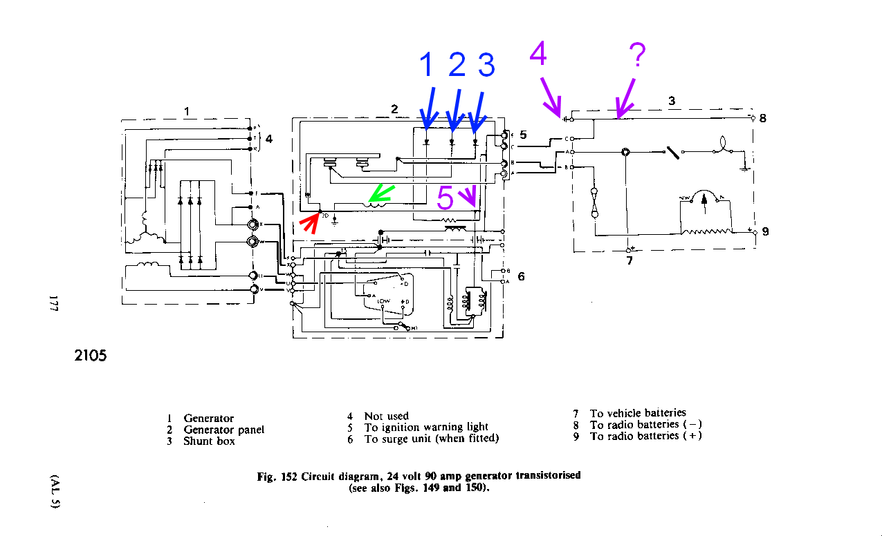
La liaison 2D sur le schéma et dans le boitier est repérée par une flèche rouge. Cette liaison sort de la panel box pour arriver dans la shunt box par la sortie repéré C, de là part une liaison interne à la shunt box, on rejoint la sortie 8 (- radio batteries ) et et et... Le symbole repéré 4 en violet. Donc si le voyant de charge arrive en 5 et que le 5 est relier a la masse au niveau du symbole 4, il ne s'éteindra jamais :( Donc soit il y a une erreur dans le schéma dut à la copie ou autre bizarrerie de la reproduction genre un cheveux sur la photocopieuse, ( la liaison 5, flèche violette info ou intox ?). Ou bien il est prévu une masse différente pour les radios et le véhicule pour un problème de parasite, dans ce cas le symbole 4 est une erreur, ou c'est seulement le boitier du shunt boxe qui est à la masse, mais pas la liaison de C à 8 . D'où ma question concernant les batteries radio.
Les cosses des batteries radio sont où?
Est ce que les batteries du véhicule sont bien a leurs place et pas à la place des batteries radio ?
Peux tu vérifier les connexions du fil E du voyant de charge dans le panel box pour confirmer ou infirmer cette liaison 5. Ou bien la liaison du fil E a la grosse résistance verte (Swamp resistor) dont le symbole est juste sous le 5?
Flèche verte: La bobine de commande du gros relais blanc, elle est alimentée par la diode repéré 1 en bleu sur le schéma si cette diode est morte pas de charge possible. je n'arrive pas a déterminer laquelle c'est sur la photo au cause de l'angle de prise de vue.
Peux tu faire un relevé de tension sur la partie commune des diodes, c'est à dire sur la petite plaque où elles sont toutes les trois boulonnées. Moteur tournant et moteur arrêté Avec Contact et Sans Contact?
V anode tourant =
V anode arret C =
V anode arret SC =
V 2D t =
V 2D C =
V 2D SC =
Peux tu également mesurer moteur tournant la tension sur la borne d'excitation de la génératrice, c'est la connexion F ou borne A du régulateur. Avec les Phares allumés et Sans les Phares.
V exc AP =
V exc SP =

Peux tu refaire une photo de la shunt box en démêlant les gros fils bleu.
J'ai mis le moteur à la masse directement depuis la batterie avec un cable de démarrage (comme indiqué par Frédéric :wink: ).
Rien ne change. Les galvas sont toujours à fond à la mise sous contact.
Bonne idée ton truc du câble Fred, t'as bien fait de ne pas t'abstenir :wink:.
Mais j'en démords pas, il y a un truc bizarre avec les masses.:smileyquisegrattelatête:

Je n'ai aucun câble, juste de la tringlerie, qui fonctionne très bien.
OK! Donc c'est un essence.
Peux tu actionner à la clef le démarreur du land sans démarrer le moteur en coupant l'allumage, en insistant sur le démarreur, dans le noir complet et observer dans le compartiment moteur si rien ne devient rouge: Genre une nappe, une tringlerie, ou... En bref, quelque chose qui serait traversé par le fort courant de démarrage( 300 à 400 A). Bon OK, il faut être 2 ...
Il y a t-il un truc qui rougi ?
As tu la référence exacte du régulateur?
Bon courage.
A+
:sm9:
2 solutions: la bonne et l'Anglaise
LUCAS: Il n'y a pas de contact où il le faut et il y en a un où il ne faut pas
On ne peut aller loin en amitié, si on n'est pas disposé à se pardonner les uns aux autres les petits défauts.
www.eternal-vehicles.fr
Bert
Messages : 14
Enregistré le : 19/02/2010 0:04
Localisation : Médoc, 33

Re: Problème de charge sur S3 FFR

Message non lu par Bert »

LØLØ a écrit : Il faudrait que tu refasses la photo de ton générateur panel, car je ne vois pas bien toutes les connexions, place l'appareil plus verticalement sur le dessus, car les connexions des 3 diodes et et celles du régulateur sont cachées.
La voici. J'espère que tu y vois plus clair
Generator panel origine.JPG
LØLØ a écrit :
Les cosses des batteries radio sont où?
Connections radio
Connections radio
Vue d'ensemble 3 éléments
Vue d'ensemble 3 éléments
Mais comme tu peux le constater, les fils ont été coupés à l'arrache (d'ici à ce que cela ait été fait sans débrancher la batterie... il n'y a qu'un pas :evil: )
Cables coupés
Cables coupés
Pour info, je n'avais que quelques microvolts de tension sur ces cables, que j'ai par ailleurs retirés aujourd'hui, ceux-ci étant sans intérêt pour moi. En plus ça fait de la place dans shunt box 8) )

LØLØ a écrit : Est ce que les batteries du véhicule sont bien a leurs place et pas à la place des batteries radio ?
Non, je ne dispose pas des batteries radio, et les batteries sont bien à leur place, entre les sièges.
Batteries seules
Batteries seules
LØLØ a écrit : Peux tu vérifier les connexions du fil E du voyant de charge dans le panel box pour confirmer ou infirmer cette liaison 5. Ou bien la liaison du fil E a la grosse résistance verte (Swamp resistor) dont le symbole est juste sous le 5?
Pour moi la liaison est bonne.

Au fait, c'est quoi le cylindre gris qui doit agir comme un électro-aimant afin que le contact se fasse avec les deux points situés juste au dessus ?
Generator panel pr contacts.JPG
Est-ce que ces deux points doivent faire contact ? (comme pour des points d'allumage dans un delco ?)
LØLØ a écrit : Flèche verte: La bobine de commande du gros relais blanc, elle est alimentée par la diode repéré 1 en bleu sur le schéma si cette diode est morte pas de charge possible. je n'arrive pas a déterminer laquelle c'est sur la photo au cause de l'angle de prise de vue.
Peux tu faire un relevé de tension sur la partie commune des diodes, c'est a dire sur la petite plaque ou elles sont toutes les trois boulonnées. Moteur tournant et moteur arrêté Avec Contact et Sans Contact?
V anode tourant =
V anode arret C =
V anode arret SC =
V 2D t =
V 2D C =
V 2D SC =
Peux tu également mesurer moteur tournant la tension sur la borne d'excitation de la génératrice, c'est la connexion F ou borne A du régulateur. Avec les Phares allumés et Sans les Phares.
V exc AP =
V exc SP =
Euh alors là, je ne sais pas à quoi correspondent V 2D t et compagnie... désolé :oops:
LØLØ a écrit : Peux tu refaire une photo de la shunt box en démêlant les gros fils bleu.
D'origine :
Shunt box origine
Shunt box origine
et près avoir retiré les fils pour la radio :
Shunt box sans cables radio
Shunt box sans cables radio
Pour le reste, je regarde plus tard...

Merci encore.
Modifié en dernier par Bert le 25/02/2010 18:03, modifié 1 fois.
Bert
Messages : 14
Enregistré le : 19/02/2010 0:04
Localisation : Médoc, 33

Re: Problème de charge sur S3 FFR

Message non lu par Bert »

LØLØ a écrit : As tu la référence exacte du régulateur?

:sm9:
C'est un CAV 6317-31B :roll:
Avatar du membre
Frédéric_Dept79
Habitué
Messages : 2396
Enregistré le : 03/06/2004 16:49
Localisation : Niort (79) - France

Re: Problème de charge sur S3 FFR

Message non lu par Frédéric_Dept79 »

Question sans doute bête, si tu n'as plus les radios, pourquoi ne pas simplifier le montage électrique ?

Peut être faut il garder qque chose pour servir de régulateur de charge (si j'ai bien compris il n'y en a pas d'intégré) mais je pense qu'il doit y a voir pas mal de composants qui servent à la stabilité de la tension fournie au matériel Radio, et également pour l'antiparasitage.

Après je ne connais pas tes motivations ni tes attendus dans la possession de ce type de véhicule, c'est sûr que si tu veux le remettre Genuine faut rien démonter :)
(I was)Always in a Land Rover (1995-2012) Ayé il est parti :)
Save the Planet, Kill an Ecologist
Bert
Messages : 14
Enregistré le : 19/02/2010 0:04
Localisation : Médoc, 33

Re: Problème de charge sur S3 FFR

Message non lu par Bert »

Bonjour,
Je n'ai aucun besoin de la shunt box (je la laisserai pour le look, mais c'est tout).
Alors si simplifier le tout me permettrait d'avoir un système de charge performant... je vote pour. :sm11:
Avatar du membre
LØLØ
Modérateur
Messages : 6210
Enregistré le : 30/07/2006 15:41
Localisation : guainville (28 )
Contact :

Re: Problème de charge sur S3 FFR

Message non lu par LØLØ »

Salut Bert; Frédéric_Dept79; et les autres.
Bon bonne nouvelle la shunt box n'a plus de secret, c'est déjà ça. Un petit montage entre la réalité et le schéma te permettra de mieux comprendre. J'ai repris les couleurs des fils, et rajouté les deux condensateurs antiparasite qui était dans ta box mais pas sur le schéma.
Shunt box et schéma.jpg
Premier point, pour le dégraissage, tu peux enlever le fusible cela déconnectera la partie ampèremètre, sortie radio et C2.
Il y avait, un voyant et un bouton, le plus du voyant est déconnecté OK, mais je vois un plus jaune pris sur l'écrou qui se ballade, il devait certainement alimenter le voyant via le bouton, il faut soit le supprimer, soit l'isoler, d'autant qu'il n'y a pas de fusible dessus.
Question très bête: Est ce que le fil A qui repart vers la batterie après l'écrou avec le petit fil marron liseré jaune est bien connecté à la batterie?.
Est ce que la shunt box a sa tresse de masse ?
LØLØ a écrit : Peux tu vérifier les connexions du fil E du voyant de charge dans le panel box pour confirmer ou infirmer cette liaison 5. Ou bien la liaison du fil E a la grosse résistance verte (Swamp resistor) dont le symbole est juste sous le 5?
Pour moi la liaison est bonne.

:mrgreen: non ce que je voulais savoir, c'est où est connecté le fil E dans le panel box, genre sur le schéma, il y a une flèche 5 violet et j'émets un très gros doute sur cette liaison, car cela voudrait dire que le voyant d'excitation est toujours a la masse ce qui n'est pas possible, donc il y a un defaut ou une erreur sur le schèma que j'aurais voulu lever pour mieux comprendre.
Image
Bert a écrit : Au fait, c'est quoi le cylindre gris qui doit agir comme un électro-aimant afin que le contact se fasse avec les deux points situés juste au dessus ?
LØLØ a écrit :Flèche verte: La bobine de commande du gros relais blanc, elle est alimentée par la diode repéré 1 en bleu sur le schéma si cette diode est morte pas de charge possible. je n'arrive pas a déterminer laquelle c'est sur la photo au cause de l'angle de prise de vue.
C'est rigolo de pas se comprendre :mrgreen: . Oui, c'est ça, c'est un aimant électrique en quelque sorte, et il faudrait s'assurer qu'il soit bien commandé ou alimenter, car sinon pas de charge possible, d'où les mesures. Il est alimenté par la diode repéré 1.
Pour les mesures en voltmètre, tu mets la masse du voltmètre sur une masse fiable, puis avec la pointe de touche rouge tu vas sur les emplacements repérés. Exemple le 2D tu note la tension et pour se repérer on va l'appeler V2D= xx,x volt et avec des conditions de mesures différentse, genre: avec le contact, moteur tournant, moteur arrêté
Donc V2D avec le conctat= xx,x volt. Puis V2D moteur tournant = yy,y volt d'où les abréviations. Oui, je sais c'est chi**t :roll: .
J'essayerai de une analogie entre schéma et panel box, après demain.
Bon courage
A+
:sm9:
2 solutions: la bonne et l'Anglaise
LUCAS: Il n'y a pas de contact où il le faut et il y en a un où il ne faut pas
On ne peut aller loin en amitié, si on n'est pas disposé à se pardonner les uns aux autres les petits défauts.
www.eternal-vehicles.fr
Avatar du membre
LØLØ
Modérateur
Messages : 6210
Enregistré le : 30/07/2006 15:41
Localisation : guainville (28 )
Contact :

Re: Problème de charge sur S3 FFR

Message non lu par LØLØ »

Ha! je pense a un truc, vérifies les câbles et de la génératrice a la panel box, les connecteurs on tendance a se désouder a l'intérieur, il faut les démonter pour voir. Sonde broche à broche en Ohmmètre, car si par exemple la connexion F a un défaut le gros relais ne sera pas alimenté et il n'y aura pas de charge.
A+
2 solutions: la bonne et l'Anglaise
LUCAS: Il n'y a pas de contact où il le faut et il y en a un où il ne faut pas
On ne peut aller loin en amitié, si on n'est pas disposé à se pardonner les uns aux autres les petits défauts.
www.eternal-vehicles.fr
Bert
Messages : 14
Enregistré le : 19/02/2010 0:04
Localisation : Médoc, 33

Re: Problème de charge sur S3 FFR

Message non lu par Bert »

LØLØ a écrit : Premier point, pour le dégraissage, tu peux enlever le fusible cela déconnectera la partie ampèremètre, sortie radio et C2.
OK ,c'est fait
LØLØ a écrit : Il y avait, un voyant et un bouton, le plus du voyant est déconnecté OK, mais je vois un plus jaune pris sur l'écrou qui se ballade, il devait certainement alimenter le voyant via le bouton, il faut soit le supprimer, soit l'isoler, d'autant qu'il n'y a pas de fusible dessus.
Oui, c'est exact, il devait être relié au bouton poussoir qui sert à l'éclairage de l'ampèremètre, mais outre la fait que le bouton était HS, il a été laissé tel quel, et a visiblement fait contact avec la shunt box (trace d'arc) :evil: .
Je l'ai isolé depuis.
LØLØ a écrit : Question très bête: Est ce que le fil A qui repart vers la batterie après l'écrou avec le petit fil marron liseré jaune est bien connecté à la batterie?.
Oui, il va directement au + de la batterie.
LØLØ a écrit :Est ce que la shunt box a sa tresse de masse ?
Oui, et la masse est bonne.
LØLØ a écrit : c'est où il est connecté le fil E dans le panel box Genre sur le schéma il y a une flèche 5 violet et j'émets un très gros doute sur cette liaison, car cela voudrait dire que le voyant d'excitation est toujours a la masse ce qui n'est pas possible, donc il y a un defaut ou une erreur sur le schèma que j'aurais voulu lever pour mieux comprendre.
Ca, je dois encore vérifier, car le schéma, c'est comment dire... quasi du chinois pour moi :)


Pour les mesures prises au voltmètre :

V2D t : 3,90 V environ
V2D C : 33,3 mv
V2D SC : 0,1 mv

Vexc AP : 13,40
Vexc SP 13,13


Voilà... :mrgreen:
Avatar du membre
LØLØ
Modérateur
Messages : 6210
Enregistré le : 30/07/2006 15:41
Localisation : guainville (28 )
Contact :

Re: Problème de charge sur S3 FFR

Message non lu par LØLØ »

Salut Bert, en cherchant sur le net avec la ref de ton régulateur, j'ai trouvé un schéma nettement meilleur. Et quelques renseignement:
Le nouveau schéma du panel générateur:
Schéma generateur panel.JPG
D'autre part il est apparemment normal qu'il n'y avait pas de voyant de charge car le système d'excitation est interne ou dans le panel box, par le biais de la swamp resistor.
Il est également normal que la connexion inutile dans ton cas du voyant de charge passe par la shunt box.
Peux tu remettre cette photo avec une meilleur résolution (1Mo) pour faire l'analogie avec le nouveau schéma afin que tu puisse te repérer entre le schéma et la réalité, ton land va t'apprendre le chinois :mrgreen: .
Image
Essais le réglage en position Low car tu n'as pas les batteries radio.
Peux tu mesurer la tension sur la grosse bobine double a droite sur l'écrou du condensateur, moteur tournant.
V2Dt3,9 V ta génératrice voie une tension d'excitation faible mais existante. Il n'y en a pas moteur sans normal.
A+
2 solutions: la bonne et l'Anglaise
LUCAS: Il n'y a pas de contact où il le faut et il y en a un où il ne faut pas
On ne peut aller loin en amitié, si on n'est pas disposé à se pardonner les uns aux autres les petits défauts.
www.eternal-vehicles.fr
Bert
Messages : 14
Enregistré le : 19/02/2010 0:04
Localisation : Médoc, 33

Re: Problème de charge sur S3 FFR

Message non lu par Bert »

LØLØ a écrit : Peux tu mesurer la tension sur la grosse bobine double a droite sur l'écrou du condensateur, moteur tournant.
:shock: Euh, une jolie petite flèche s'impose !! :mrgreen:
Avatar du membre
LØLØ
Modérateur
Messages : 6210
Enregistré le : 30/07/2006 15:41
Localisation : guainville (28 )
Contact :

Re: Problème de charge sur S3 FFR

Message non lu par LØLØ »

:mrgreen:
P1140587 - Copie.JPG
La où il y a la flèche noire marqué et la masse. :wink:
A+
:sm9:
2 solutions: la bonne et l'Anglaise
LUCAS: Il n'y a pas de contact où il le faut et il y en a un où il ne faut pas
On ne peut aller loin en amitié, si on n'est pas disposé à se pardonner les uns aux autres les petits défauts.
www.eternal-vehicles.fr
Bert
Messages : 14
Enregistré le : 19/02/2010 0:04
Localisation : Médoc, 33

Re: Problème de charge sur S3 FFR

Message non lu par Bert »

LØLØ a écrit : D'autre part il est apparemment normal qu'il n'y avait pas de voyant de charge car le système d'excitation est interne au dans le panel box.
par le biais de la swamp resistor.
Il est également normal que la connexion inutile dans ton cas du voyant de charge passe par la shunt box.
:( Euh oui, sans doute, sauf que depuis, je crois l'avoir trouvé...
LØLØ a écrit : Essais le réglage en position Low car tu n'as pas les batteries radio.
AYé, Je l'ai passé en LOW.
LØLØ a écrit : Peux tu mesurer la tension sur la grosse bobine double a droite sur l'écrou du condensateur, moteur tournant.
3,60V ,moteur tournant
:wink:
Avatar du membre
LØLØ
Modérateur
Messages : 6210
Enregistré le : 30/07/2006 15:41
Localisation : guainville (28 )
Contact :

Re: Problème de charge sur S3 FFR

Message non lu par LØLØ »

Salut, bon il y a un problème.
Avec V2Dt à 3,9V il n'y a pas de quoi commuter le gros relais gris( battery relay) qui est sensé commuté le 28V issu de ta génératrice, mais là avec 3,6V en T4, ce n'ai même pas équivalent a une dynamo de velo la génératrice :( .
Je pense qu'il y a un problème d'excitation.
Il faudrait faire une mesure de l'inducteur mais a partir de la panel box:
D'abord débranche la batterie.
Il faut placer ton multimètre en Ohmmètre, l'ordre de grandeur de la mesure se situe entre 14,5 et 90 Ohms. Si cette mesure est bonne, il y a des chances que ton régulateur soit HS. Car cela veux dire que l'inducteur n'a pas son alimentation fourni par le régulateur. Cette alimentation étant proportionnelle à la demande de courant enfin bref, c'est le boulot du régulateur.
Donc, il faut débrancher la IN LINE PLUG (fil bleu d'un coté et fil jaune de l'autre) à croire que c'était prévu pour les mesures ce petit connecteur noir.
Tu place une pointe de touche de ton Ohmmètre coté fil jaune. L'autre pointe de touche, tu la place sur la borne A du Voltage régulator, je n'arrive pas a la situer sur la photo, mais il est probable qu'il y est plein de fils dessus, vu le nombre de liaison sur ce fil d'après le schéma.
panel box.jpg
Puis là, plus dur, car sa valeur dépend de la position des charbons dans la génératrice. Donc il faut tourner la génératrice avec la poulie (donc détendre la courroie) jusqu'à ce que tu obtienne la plus petite des valeurs possible.
Indique la valeur : R induction= ???
As tu contrôlé la continuité du câble qui va de la génératrice au générateur panel box? Si tu as un doute démonte et regarde a l'intérieur des connecteurs les soudures des deux cotés, voir même tu les titille un peu chacune.
NB: Si tu as un problème avec ton multimètre, mets sa photo en ligne, pour une explication des réglages.
A+
2 solutions: la bonne et l'Anglaise
LUCAS: Il n'y a pas de contact où il le faut et il y en a un où il ne faut pas
On ne peut aller loin en amitié, si on n'est pas disposé à se pardonner les uns aux autres les petits défauts.
www.eternal-vehicles.fr
Bert
Messages : 14
Enregistré le : 19/02/2010 0:04
Localisation : Médoc, 33

Re: Problème de charge sur S3 FFR

Message non lu par Bert »

Bonjour à tous,

Je récapitule :
Génératrice refaite par un pro.
Cable intermédiaire testé. RAS
Toutes les connexions sont bonnes entre la géné, le générator panel, la shunt box et les batteries, mais ca ne charge toujours pas...

Après moultes tergiversation et l'aide d'un ami spécialisé dans l'électricité des moteurs de Mirage F1 et 2000 :sm24: , il apparait que le battery relay dans le generator panel n'était pas excité en cas de demande de charge, en fait, le fil était coupé juste derrière le gros connecteur à visser au cul de la génératrice. (Désolé, pas de photo, et pas question de tout redémonter :mrgreen: , mais c'était vicieux, car il était encore soudé, mais ne tenait que par l'isolant, seule l'âme du câble étant coupée)

Nous avons identifié ce problème en shuntant le battery relay depuis la borne négative de la batterie, (ce qui faisait dire à mon ami que bien qu'en masse négative, le système réagissait comme s'il était initialement destiné à fonctionner en masse positive). AH ! ces anglais :mrgreen:

Et dire que la géné avait été refaite... mais ils ne l'avaient visiblement pas testée...

Bon, j'ai toujours des galvanomètres à m'occuper moi :sm11:
Avatar du membre
LØLØ
Modérateur
Messages : 6210
Enregistré le : 30/07/2006 15:41
Localisation : guainville (28 )
Contact :

Re: Problème de charge sur S3 FFR

Message non lu par LØLØ »

Super, un problème de résolu :D . Mais c'est vache car cela remet en cause la toute première hypothèse et certain professionnel :
LØLØ a écrit : Je pense que dans un premier temps, je ne mettrai pas en cause le travail de réfection de la génératrice, car les électriciens auto ont en général des bancs test.
Au deuxième temps de la valse... :roll:
Pour les galvanomètres, essais de tirer une masse direct entre la batterie et le tableau de bord, cela a marché une fois pourquoi pas deux :roll: .
A+
2 solutions: la bonne et l'Anglaise
LUCAS: Il n'y a pas de contact où il le faut et il y en a un où il ne faut pas
On ne peut aller loin en amitié, si on n'est pas disposé à se pardonner les uns aux autres les petits défauts.
www.eternal-vehicles.fr
Bert
Messages : 14
Enregistré le : 19/02/2010 0:04
Localisation : Médoc, 33

Re: Problème de charge sur S3 FFR

Message non lu par Bert »

Moui, je vais tester de la sorte.

La suite au prochain numéro !
Répondre

Retourner vers « Electricité • Electronique »