Moteur d'essuie glace de def 83/98 voir 07

Bidouillages électriques, codes d'erreur ECU...

Modérateurs : The Pater, LØLØ

Règles du forum
En naviguant sur le site http://www.landroverfaq.com vous reconnaissez avoir lu ses Conditions d’Utilisation, vous déclarez les comprendre et vous acceptez d’y être lié de manière inconditionnelle. Si tel n'est pas le cas, merci de quitter immédiatement ce site.

Vous pouvez joindre autant d'images que nécessaire à vos messages A LA CONDITION EXPRESSE d'utiliser l'hébergement fourni par le site.

L'administrateur effacera systématiquement tout message contenant des photos hébergées chez Imageschack, Casimage, Wistiti ou tout autre hébergeur tiers sans sommation ni justification.
Avatar du membre
LØLØ
Modérateur
Messages : 6209
Enregistré le : 30/07/2006 15:41
Localisation : guainville (28 )
Contact :

Moteur d'essuie glace de def 83/98 voir 07

Message non lu par LØLØ »

MOTEUR D’ESSUIE-GLACE

Salut, juste pour le fun, éventuellement pour aider certain (jidef), et débattre sur le thème du manuel d’atelier contre réalité, ou comment faire simple quand c’est compliqué et vice vers ça.
Illustration du texte extrait du manuel d’atelier par des photos, commentaires et photos complémentaires issu de mes pérégrinations et déboires sur le sujet.
Opération de réparation n° - 84.15.09
le manuel d’atelier a écrit :1. Débrancher la batterie.
OK, tiens ? je ne l’ai pas fait.
le manuel d’atelier a écrit :2. Déposer les bras d’essuie-glace.
Eu, ça non plus… On peut s’en passer, c’est selon.
le manuel d’atelier a écrit :Remarque : Les opérations 3 - 5 couvrent les
conduites à droite uniquement.
OK, on passe au directement au 6.
le manuel d’atelier a écrit :6. Déposer le couvercle de la sangle de limitation d’ouverture de porte, enlever 3 vis et déposer le couvercle du moteur d’essuie-glace. Le cas échéant, débrancher les fiches multibroches d’interrupteur et/ou les fils de haut-parleur.

Traduction de la traduction :? : Enlever le cache plastique de l’arrêtoir de porte.
Enlever les 3 vis du cache misère en bas à gauche sous le volant, le truc qui pend sur la photo.
Effectivement, il y a les trois interrupteurs (anti brouillard ; warning ; éclairage tableau bord),
que l’on peut déconnecter, pour éviter de tirer sur la câblerie ; le haut parleur n’était pas installé au moment de la photo.
1)
Image
le manuel d’atelier a écrit :7. Débrancher la fiche multibroches du moteur d’essuie-glaces.
Effectivement la petite fiche grise à 5 broches en haut de la photo est coriace, une petite pince à bec est le bienvenu pour s’épargner les ongles.
2)
Image
le manuel d’atelier a écrit :8. Débrancher le fil de masse du moteur d’essuie-glace. (Pas applicable aux modèles plus récents)
Ok, encore que…
3)
Image
le manuel d’atelier a écrit :9. Soulever le manchon en caoutchouc et desserrer l’écrou entre le moteur d’essuie-glace et le tube de commande.
Jusque là ça va… Bien que le tube de commande ?
4)
Image
le manuel d’atelier a écrit : 10. Enlever 2 vis et dégager la sangle de retenue du moteur d’essuie-glace.
L’autre vis, c’est celle qui tient la cosse de masse.
5)
Image
le manuel d’atelier a écrit : 11. Desserrer complètement l’écrou du tube.
OK, on fini de desserrer le gros écrou de 19.
6)
Image
le manuel d’atelier a écrit : 12. Dégager le moteur d’essuie-glace et la crémaillère de commande du tube et récupérer l’embase de montage et la cosse de masse.
STOP!!! Lisez d'abord...
le manuel d’atelier a écrit :Repose
:shock:
A partir de là, changement de politique donc.
Non, je ne dégagerai pas la pseudo « crémaillère » avec le moteur, mais je la laisse dessus. Bien que dans le cas de jidef cela pourrait être nécessaire en vue d’une inspection et d’un graissage. Sachant que pour la remise en place, il faut être patient pour remboiter toute la longueur. Il faut un copain compréhensif et compatissant qui titille les axes d’essuie glace pendant que vous poussé sur la « crémaillère » pour la faire passer…
Donc, on retourne le moteur comme sur la photo 6) et on opère in situe :
A l’aide de la petite douille qui va bien (1/4) c’est à dire 25,4mm/4 = 6,35mm. Cela doit-être des restes du temps des séries. A partir du série II en 58-59, ils ont placé ce moteur, le modèle a changé avec les Td5 vers 2001 ou 2002 ?. J’ai pu monter un moteur d’essuie glace de def dans l’ambulance de 69 pour avoir deux vitesses. Il a juste fallu changer le connecteur, car les cosses sont légèrement plus petites sur les vieux modèles. Plus de 40ans d’existence, pour un accessoire automobile pas mal non ? Cela devrait plaire à Gabach :wink:
7)
Image
Voilà ce qu’on y trouve, gras à souhait. Une roue dentée entrainée par une vis sans fin, une biellette. C’est une belle transformation d’un mouvement rotatif en translatif
8 )
Image
Démontage du clip et de la rondelle de maintien de la biellette.
9)
Image
On en est là, on pose délicatement au fur et à mesure les éléments démontés sur une surface propre et sèche.
10)
Image
On dégage délicatement la biellette d’un coté de la roue dentée, de l’autre du patin à œil de la crémaillère.
11)
Image
Extrémité de la crémaillère, c’est cette espèce de filetage qui est tout le long qui entraine un petit pignon en bout d’axe de chaque essuie glace. L’entrainement est alternatif puisque la biellette fait entrer et sortir la crémaillère sur quelques cm.
12)
Image
Il y a de plus en plus de truc dans mon endroit propre et sec.
13)
Image
Ha ! Le beau moteur tout neuf. Mais il n’y a rien dedans ? Et visiblement, il n’y a jamais rien eu vu
l’état de la graisse sur la vis sans fin. Je n’avais pas pensé à ça en l’achetant.Ce ci justifie peut-être une difference de prix d'un revendeur à l'autre :( .

14)
Image

Contacteur dit de fin de course. Il fonctionne comme celui qui commande la lumière du frigo. C'est-à-dire que le contact est établi lorsqu’il n’est pas appuyé. Appelé aussi: interrupteur de stationnement sur le part catalogue.
15)
Image
Démontage du jonc de maintien de l’axe de la poulie d’entrainement.
16)
Image
Avec sa rondelle bien sur.
17)
Image
L’intérieur ou la face cachée de la poulie. On distingue le petit tremplin qui vient appuyer sur le contacteur de fin de course.
18)
Image
Sur la poulie il y a une indication 115°, je ne sais pas trop a quoi cela correspond ? Est-ce l’angle qu’effectuera le montant du balais d’essuie glace entrainé par ce pignon ? Il faudrait prendre un rapporteur et contrôler ça.
19)
Image
Ancien carter moteur
20)
Image
Nouveau carter moteur. On voit la différence de conception du carter en aluminium. La bague, n’est plus dans le même matériau. Les contacteurs d’auto maintient ou de fin de course sont identiques.
21)
Image
Remise en place du pignon avec la rondelle de limitation des frottements. On voit bien le bossage sur le pignon qui va permettre l’appui sur le contacteur de fin de course. On peut remarquer que le bossage est presque à l’opposé de l’axe de la biellette.
22)
Image
Au démontage, l’axe de la biellette était dans cette position là, pour cause lors de l’arrêt des essuies glace non pas en tournant la clef de contact, mais en attendant patiemment l’arrêt en position initial des balais. Cet arrêt est provoqué par l’appuis du bossage sur le contacteur.
23)
Image
Remise en place de la rondelle et du jonc clip de l’axe du pignon. Gras à souhait, on peut voir l’usure sur le clip, c’est une addition de toutes ces petites usures qui rend bruyant ou l’impression de faiblesse du moteur d’essuie glace. Le logement du contacteur de fin course dans le boitier blanc translucide.
24)
Image
Essais de fonctionnement avant de refermer. Mise en place de la biellette à la volée. On peut bien constater que l’arrêt s’effectue toujours au même endroit. Qu’une simple impulsion au levier démarre une rotation. On conçoit le rôle du contacteur d’auto maintien de l’alimentation du moteur et l’importance du positionnement initiale de la poulie lorsqu’on ne démonte pas les essuies glaces ou que l’on ne sort pas complètement la crémaillère pour changer le moteur comme indiqué dans le manuel d’atelier.
25) Miracle de la faq, une première pour moi une explication en film :sm28: .
Petit film
OK, cela fonctionne donc :
Graissage de la piste plastique de guidage longitudinal du patin de crémaillère.
26)
Image
Floc fit le patin de crémaillère en tombant dans sa graisse…
27)
Image
Mise en place du patin blanc solidaire du gros filetage permettant : Positionnement ; et fermeture étanche, le tout par simple coincement. Approche à la main de l’écrou de 19.
28)
Image

Vue de l’ensemble juste avant la fermeture du capot. Clip de la biellette en place. Les deux gaines de câble de commande des volets de chauffages gènent un peu.

29)
Image

Le capot, avec un point de graisse mis là d’origine, pour à mon avis, graisser le bossage emboutie de guidage de la biellette. On peut voir les marques de frottement engendrés par ce frottement sur la biellette photo 28).
30)
Image
Pivot vissé avec contre écrou, permettant d’ajuster le jeu axiale le la vis sans fin de l’arbre moteur. Je ni ai pas touché.
31)
Image
Retour au manuel d’atelier :
le manuel d’atelier a écrit : 13. Engager complètement la crémaillère de commande de moteur d’essuie-glace dans le tube.
OK ça c’est fait…Ou disons que l'on s'est épargné la peine dans le cadre de l'exemple, afin de s'éviter ça.
le manuel d’atelier a écrit :14. Installer l’écrou de maintien du tube de commande, sans le serrer.
On en est là…
le manuel d’atelier a écrit : 15. Poser la sangle de maintien du moteur d’essuie-glace, la cosse de masse et l’embase de montage. Aligner le moteur électrique et serrer les vis de maintien.
Je pense que par « embase de montage », Land Rover à voulu désigner la semelle caoutchouc entre le tablier et le moteur, pour éviter le bruit et donner une certaine souplesse au bridage du moteur contre le tablier. On peut voir sa forme photo 13). Avec le temps, il arrive à se cuire, à se décoller et à tomber. Dans ce cas on peut entendre un bruit lorsqu’on met en route les essuies glaces. J’ai eu le cas sur un land, je l’avais remplacé par un bout de chambre air roulé.
32)
Image
le manuel d’atelier a écrit : 16. Serrer complètement l’écrou du tube et poser le manchon en caoutchouc.
OK, bien que le serrage du tube et le bridage définitif du moteur devront être menés de concert, en veillant à ce qu’il n’y ai pas de contrariété d’un serrage l’autre, en trouvant la position idéale du moteur.
Les fils a ce niveau là non rien à voir avec les schémas électriques constructeur. Les couleurs sont spécifiques à LUCAS.
Le bleu : la masse (vers un charbon).
Le rouge : vitesse lente (vers un charbon).
Le jaune : vitesse rapide (vers le demi charbon).
Pour jouer sur la vitesse de rotation, il y a une largeur de charbon différent: étroit rapide, large lent. Dans le temps ils utilisaient une résistance, comme dans le système de ventilation pour obtenir les deux vitesses.
33)
Image
le manuel d’atelier a écrit : 17. Rebrancher le fil de masse et la fiche multibroches.
Cela devait être lundi matin, le fil de masse à été branché vendredi lors de l’étape 15 du manuel d’atelier.
Alors :
Le fil noir : la masse.
Le fil bleu liseré vert clair : vitesse rapide.
Le fil rouge liseré vert clair : vitesse lente.
Le fil vert ou vert liseré marron à partir du 200, ou blanc liserè vert sur leTD5 et 4): +12V après contact. Permet de continuer d’alimenter le moteur lorsqu’il n’est pas en position initiale et qu’il n’est plus alimenté via le commodo par le fil d’alimentation des vitesses lente ou rapide.
Le fil marron liseré vert clair : c’est celui qui a le parcours le plus étonnant, car il ramène le +12V via la temporisation si il y en a une, ou directement du commodo, afin que le +12V soit ramené, via le fil de la vitesse lente, le temps que le système revienne en position initial.
NB : Les commodos avant 91, sont plus petit, plus simple, plus "bricolable".
34)
Image
le manuel d’atelier a écrit : 18. Poser les balais d’essuie-glace avant de poser le couvercle et la poignée. Reconnecter la batterie et tester le fonctionnement du moteur d’essuie-glace et de sa commande. Si nécessaire, régler la position des balais d’essuie-glace.
Dans le cas présent, les balais et les bras n’ont pas été déposés, car la crémaillère est restée en place.
Mais dans le cas ou la crémaillère est complètement tirée du fourreau, dans ce cas il faut avoir enlevé les bras avec les balais, car les axes des essuies glaces tournent plusieurs tours sur eux même, d’autant plus pour le gauche qui est libéré en dernier. Lorsqu’on laisse en place la crémaillère sur le moteur d’essuie glace pour le sortir, comme préconisé dans l’opération 12, du manuel d’atelier.
le manuel d’atelier a écrit : 19. Poser le couvercle du moteur d’essuie glace et le couvercle de la sangle de limitation d’ouverture de porte.
Avant, rebrancher les connecteurs des interrupteurs : Waring et autre…
Bien voir dans le couvercle ce petit ergot et bien le positionner dans son trou avant de remettre les trois vis de fixations sinon ça énerve.
35)
Image

Connexions d’un commodo de 200tdi, identique pour un 300Tdi sauf la forme et la couleur du connecteur.
Pour les lands antérieurs au 200tdi, il y a une position de moins et un fil de moins dut à l’absence de la position intermittente (fil blanc liseré vert) et pas de carter en alu, c'est tout plastique. Le connecteur n’a que 5 broche.
Le fil vert clair liseré noir, c’est la commande de pompe de lave glace.
On reconnait le fil rouge liseré vert clair (vitesse rapide) ; le bleu liseré vert clair (vitesse lente). S’il manque une vitesse, il est possible que le petit connecteur rond en cuivre soit déconnecté, ou oxydé. Dans ce cas léger coup de pince sur la cosse, et/ou grattage avant la remise en place.
Le fil vert liseré marron sur le 200, vert sur le 300, c’est l’arrivée du +12V
Le fils jaune liseré vert et le fil blanc liseré vert, sont destinés à la position intermittente. Ils partent au relais temporisateur d’essuie glace, la petite boite rouge à droite de la centrale clignotante ; derrière la tôle support des portes fusibles, dans la boite à fusibles principale qui se trouve au centre du tableau de bord, devant le levier de la boite de vitesses qui sont dans les vrais lands. :mrgreen:
Enfin soyons bref comme dirait Balzac des fils…
Le point faible des commodos, c’est la patte de fixation à la colonne de direction. Là ou il y a la vis cruciforme qui permet de serrer la platine support des commodos à la colonne. En effet un serrage à peine fort, casse la patte. C’est fou sur les brocs le nombre de patte cassé vues.


36)
Image

Dans ce sens là, vous me reconnaissez ?
A titre indicatif, un commodo coute 53€ et un moteur d’essuie glace chez le même fournisseur 91€.
C’est un peu galère à démonter, pour deux raisons. Le volant qui peut faire des siennes et être difficile à extraire de la colonne et le petit clip étoilé que l’on a une chance sur deux de casser, à prévoir dans les fournitures si non fourni.
37)
Image

Les principales causes de pannes, connues de mes services, liste non exhaustive :


Usure ou desserrage des pignons des axes de sortie sur lesquels se fixe les bras d’essuie glace : Bruit ; course excessive du balais ; difficulté au démarrage, à l’arrêt, ou avec un pare brise sec. En effet le moteur d’essuie glace n’a pas beaucoup de couple, ou alors le principe même du mécanisme en absorbe beaucoup.
Blocage des axes de sortie, dut à l’oxydation ou au gel : Immobilisation des balais, ou grosses difficultés à la rotation. Conséquences possible : fusible (4) de 10A HS après 91 ou fusible (3/5) avant 91, ca c’est dans le meilleur des cas. Sinon les enroulements du moteur peuvent chauffer et se mettre en court circuit dans ce cas moteur HS, un rembobinage couterait beaucoup plus chère que le prix d’un moteur neuf, donc changement. Éliminer la cause avant le changement simple du moteur, faire une révision et un graissage du système de crémaillère ; dégrippant sur les axes de sortie du tablier.
Court circuit franc sur le fusible des essuies glace : Commodo HS. Celui-ci étant riveté c’est irréparable, ou presque. Un bouton simple entre le fil vert ou (blanc liseré vert sur le td5 )et l’une des sorties lente ou rapide. Dans ce cas plus de lave glace, plus d’arrêt automatique, plus le choix de la vitesse facilement à moins de mettre deux boutons.
Plus de retour en position automatique : Inter fin de course HS (lamelle ou tétouille) ou +12V après contact n’arrive plus au moteur (oxydation connecteur ou fil coupé ou brulé), ou relais de tempo HS qui ne fait plus le lien entre moteur et commodo, ou problème de commodo.
Manque vitesse rapide : Cosse sur commodo déconnectée ou oxydé : suivre le fil rouge liseré vert. Ou ouvrir le moteur et contrôler le charbon (balais) sur le fil rouge.
Manque vitesse lente, retour automatique et système mono coup : Idem, le retour automatique et le mono coup se font par la vitesse lente suivre le fil bleu liseré vert. Ou ouvrir le moteur et contrôler le charbon sur le fil jaune. Dans le pire des cas commodo HS.
Vitesse rapide plus lente que la lente : contrôler les charbons de la vitesse rapide, sur le fil rouge. Ou oxydation du connecteur.
Plus de temporisation: relais de tempo HS, ou contacteur de fin course HS, ou commodo HS.
Le principe de la Temporisation : Le relais envoies un +12V d’une durée calibré sur l’alimentation de la vitesse lente via le commodo, toutes les 5 secondes environ (sur les ranges ces 5 secondes sont réglables par potentiomètre). Cette durée calibrée permet juste de libérer le contacteur de fin de course de sa came, ensuite, c’est par le système d’alimentation du fin course que le moteur fini sa rotation ; pour la redémarrer 5 seconde plus tard.
Pour conclure, la liste des pannes n’est pas exhaustive et demande qu’a être complété par vos expériences propres.


A+
NB: A suivre... Un jour peut être...
:sm9:
Modifié en dernier par LØLØ le 02/10/2014 22:23, modifié 4 fois.
2 solutions: la bonne et l'Anglaise
LUCAS: Il n'y a pas de contact où il le faut et il y en a un où il ne faut pas
On ne peut aller loin en amitié, si on n'est pas disposé à se pardonner les uns aux autres les petits défauts.
www.eternal-vehicles.fr
Avatar du membre
The Pater
Modérateur
Messages : 13978
Enregistré le : 25/08/2004 8:19
Localisation : 06°27'46"E 45°50'29"N

Re: Moteur d'essuie glace de def 83/98 voir 01

Message non lu par The Pater »

Joli travail !

Blocage des axes de sortie, dut à l’oxydation ou au gel : Immobilisation des balais, ou grosses difficultés à la rotation. Conséquences possible : fusible (4) de 10A HS après 91 ou fusible (3/5) avant 91, ca c’est dans le meilleur des cas. Sinon les enroulements du moteur peuvent chauffer et se mettre en court circuit dans ce cas moteur HS, un rembobinage couterait beaucoup plus chère que le prix d’un moteur neuf, donc changement.
Cela m'est arrivé.

Balais d'essuie glace collés au pare brise par le gel un matin. Un mouvement mal ordonné de ma part et mis en marche involontaire des essuies glaces. Résultat : un fusible.

Ce ne fut qu'un fusible. Ouf !

A+
Ingénieur :
Personne faisant un travail divinatoire de précision basé sur des informations peu fiables données par des personnes peu qualifiées, voire ignorantes.
=>, magicien, devin, sorcier
Avatar du membre
The Pater
Modérateur
Messages : 13978
Enregistré le : 25/08/2004 8:19
Localisation : 06°27'46"E 45°50'29"N

Re: Moteur d'essuie glace de def 83/98 voir 01

Message non lu par The Pater »

LØLØ a écrit : Plus de retour en position automatique : Inter fin de course HS (lamelle ou tétouille) ou +12V après contact n’arrive plus au moteur (oxydation connecteur ou fil coupé ou brulé), ou relais de tempo HS qui ne fait plus le lien entre moteur et commodo, ou problème de commodo.

Plus de temporisation: relais de tempo HS, ou contacteur de fin course HS, ou commodo HS.
Et hop un exemple de panne où j'aurai besoin d'un peu d'aide pour savoir ce que je dois faire.

J'ai le choix entre inter fin de course HS ou relais de tempo HS ou problème de commodo. Le quel choisir ? :D

Cela a commencé il y a trois ou quatre semaines.
Lorsque j'actionnais l'interrupteur de commande de lave glace, les balais d'essuies glaces faisaient des allers retours et ne finissaient pas le dernier, s'arrêtant au bonheur la chance. Par contre, fonctionnement et arrêt correct en fonction intermittent, petite vitesse et grande vitesse.

Hier, les balais d'essuies glace ont commencé à s'arrêter dès que je remettais le commodo en position arrêt, ils ne finissaient pas leur course. Il fallait donner des impulsions pour pour amener les balais en position "repos".... et pendant ce temps je ne regarde pas la route. :mrgreen:
Mais le fonctionnement intermittent, petite et grande vitesse OK, c'était seulement l'arrêt des balais qui ne convenait pas, puisqu'ils ne terminaient pas leur course.

Puis...... plus d'intermittent, l'intermittent fonctionnant comme si j'étais en position petite vitesse et toujours les balais qui s'arrêtent dès que je mets le commodo en position arrêt, au lieu de finir leur course.

Mon raisonnement est que, comme le problème d'arrêt en fin de course n'a pas été dès le début sur les quatre fonctions (lavage/intermittent/petite et grande vitesse), j'aurai tendance à mettre la cause due à un inter de fin course HS en dernier de la liste.

Reste tempo HS ou commodo. Entre les deux mon cœur balance.

LØLØ

Quelle serait pour toi la première vérification à faire ?

A+
Ingénieur :
Personne faisant un travail divinatoire de précision basé sur des informations peu fiables données par des personnes peu qualifiées, voire ignorantes.
=>, magicien, devin, sorcier
sham
Habitué
Messages : 154
Enregistré le : 02/06/2004 19:40

Re: Moteur d'essuie glace de def 83/98 voir 01

Message non lu par sham »

J'ai exactement le meme probleme depuis six mois, ça ne me gene pas outre mesure, je pensais à un relais ??
signature
Avatar du membre
LØLØ
Modérateur
Messages : 6209
Enregistré le : 30/07/2006 15:41
Localisation : guainville (28 )
Contact :

Re: Moteur d'essuie glace de def 83/98 voir 01

Message non lu par LØLØ »

Salut Pater, Le plus simple dans un premier temps serait d'essayer un autre relais de temporisation. Ce n'est pas le choix qui manque, ils fonctionnent tous sur le même principe. J'ai fait des essais rapides sur le mien, ils fonctionnent tous, ils ont tous le même brochage, et les durées identiques a première vue, j'ai pas chronométré.
1) Relais de temporisation: de gauche a droite: NAGARES (Citroën, Peugeot, Talbot) ; CARTIER (Peugeot); LUCAS (Land Rover); SIEMENS (VW et Audi)
DSC_6902.JPG
2) Pour tenter de comprendre qui fait quoi, et faire une analyse du schéma, il faut 3 boitiers :?
Sur le Lucas, rien d'indiqué :( ; sur le Cartier les numéros des broches correspondant au schéma de L'ECU-DELAY (D113) et sur le Siemens un vague schéma interne et les broches pour faire l'analogie avec les numéros de broches du schéma:
DSC_6914.JPG
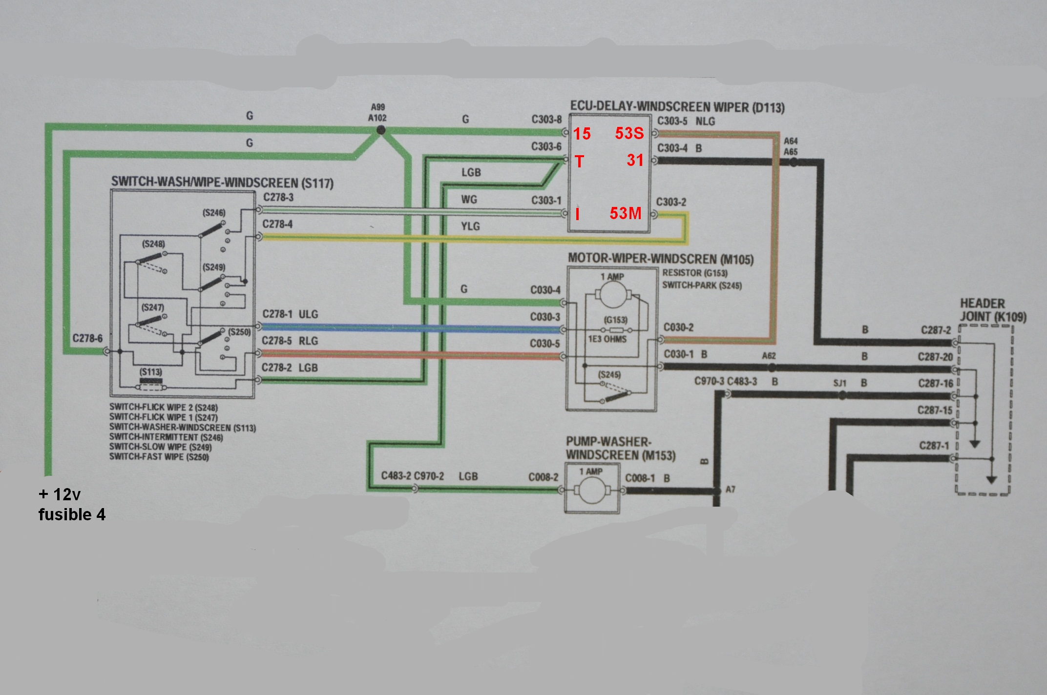
3) Extrait de schéma du système de commande des essuies glace:
DSC_6910.JPG
4) Une façon simple de contrôler une défaillance de la fonction retour automatique qui serait dut au relais de tempo, ou de faire fonctionner les essuies glace sans le relais temporisation. C'est de relier directement sur le support du relais, les broches 5 et 2 ou (53S et 53M) de sorte que cela réalise le contact repos du relais de tempo ainsi, on conserve l'alimentation du moteur tend que le contacteur fin de course n'est pas en position d'arrêt automatique. Il reste donc vitesse lente, vitesse rapide et le retour automatique. :wink:
DSC_6940.JPG
Il y a deux façons différentes de commander la temporisation, car en faite, il y en a deux différentes dans le même boitier:
L'une en position intermittente, le + 12V est ramené sur la broche 1 ou I de l'ECU cela provoque une impulsion automatiquement de courte durée toutes les 5 secondes environ , cette impulsion ferme le relais pour un court instant et le moteur d'essuies glace part, puis "s'auto-alimente" par son contacteur fin course (S245) représenter en position repos sur le schéma (comme d'ailleurs tous les contacts dans les schémas électrique). Le moteur s'arrête normalement automatiquement en position initiale et attend l'impulsion suivante générée automatiquement par l'ECU dans 5 secondes et ainsi de suite tend que le commodo n'a pas bougé de position.
La deuxième, lorsqu'on appuis sur le levier du commodo, cela alimente en 12V la pompe de lave glace d'une part mais aussi cela commute le relais par la broche 6 ou T pour une duré collé de 2 ou 3 secondes mini après le relâchement, mais tend que l'on maintien l'appuie sur le levier le relais est commuté et reste commuté 2 ou 3 secondes après relâchement en gros cette durée correspond à deux ou trois battements des essuies glace selon que cela glisse ou pas; le retour en auto alimentation par S245.
En position intermittente, tend que le +12V est maintenu sur la broche 53S le relais est activé, le +12V part de la broche 2 ou 53M rentre dans le commodo passe par S249 ressort C278-5 donc le moteur d'essuie glace devrait tourner à la vitesse rapide d'après le schéma, ( à vérifier en pratique).
On peut remarquer qu'en vitesse lente et rapide position 2 et 3 du commodo le +12V fin de course prend le même trajet, puisqu'on ramène le commodo en position 0.
Un fonctionnement d'après le schéma: Est ce qu'il y aurait deux vitesses impulsionnelles d'essuie glace sur vos lands. Je dis ça a cause de (S248) et (S247) du genre on appuis vers l'avant ou bien on tire le levier, cela provoque dans un cas un battement lent et dans l'autre un battement rapide? J'avais jamais remarqué ça demain je teste.

Une remarque, est ce que lors de l'incident ou des incidents de traverse, il n'y aurait pas eu un coup de genou dans le levier du commodo d'essuie glace? Car le retour automatique s'effectuant via le commodo ?


A+
Modifié en dernier par LØLØ le 03/04/2010 19:36, modifié 3 fois.
2 solutions: la bonne et l'Anglaise
LUCAS: Il n'y a pas de contact où il le faut et il y en a un où il ne faut pas
On ne peut aller loin en amitié, si on n'est pas disposé à se pardonner les uns aux autres les petits défauts.
www.eternal-vehicles.fr
Avatar du membre
The Pater
Modérateur
Messages : 13978
Enregistré le : 25/08/2004 8:19
Localisation : 06°27'46"E 45°50'29"N

Re: Moteur d'essuie glace de def 83/98 voir 01

Message non lu par The Pater »

LØLØ a écrit :Salut Pater, Le plus simple dans un premier temps serait d'essayer un autre relais de temporisation.
Sauf erreur, le relais de temporisation, c'est celui en orange :
_PGA1724.jpg
Qui se trouve (vu plus large) :
_PGA1724.JPG
Si ce n'est pas ce relais....alors je ne sais pas où il se trouve.



Une remarque, est ce que lors de l'incident ou des incidents de traverse, il n'y aurait pas eu un coup de genou dans le levier du commodo d'essuie glace? Car le retour automatique s'effectuant via le commodo ?
J'en sais rien. En tout cas, dans les deux cas, je n'avais pas eu mal ou même senti quelque chose dans les jambes.

Hors sujet : Reste que j'avais l'idée de changer le commodo code/plein phare car depuis un an, le passage de code en plein phares est un peu trop souple, manquant de point dur entre les deux positions.

A+
Ingénieur :
Personne faisant un travail divinatoire de précision basé sur des informations peu fiables données par des personnes peu qualifiées, voire ignorantes.
=>, magicien, devin, sorcier
Avatar du membre
The Pater
Modérateur
Messages : 13978
Enregistré le : 25/08/2004 8:19
Localisation : 06°27'46"E 45°50'29"N

Re: Moteur d'essuie glace de def 83/98 voir 01

Message non lu par The Pater »

LØLØ a écrit : En position intermittente, tend que le +12V est maintenu sur la broche 53S le relais est activé, le +12V part de la broche 2 ou 53M rentre dans le commodo passe par S249 ressort C278-5 donc le moteur d'essuie glace devrait tourner à la vitesse rapide d'après le schéma, ( à vérifier en pratique).
En position intermittente, la vitesse de battement est égale à la vitesse de battement lente.

Un fonctionnement d'après le schéma: Est ce qu'il y aurait deux vitesses impulsionnelles d'essuie glace sur vos lands. Je dis ça a cause de (S248) et (S247) du genre on appuis vers l'avant ou bien on tire le levier, cela provoque dans un cas un battement lent et dans l'autre un battement rapide? J'avais jamais remarqué ça demain je teste.
Je n'ai jamais rien remarqué de tel. Il ne me semble pas que cela existe.

Par contre j'ai repris le manuel du conducteur et je vois que pour une balayage unique il faut relever la manette (commodo) contre la pression du ressort et la relâcher immédiatement. Mais si la manette est maintenue vers le haut (sans passer en balayage normal), les essuies-glace fonctionneront à grande vitesse jusqu'à ce que l'on relâche. Cela doit les positions "flickwipe"
Je suis allé essayer : c'est resté en basse vitesse, pas en haute vitesse.

A+
Ingénieur :
Personne faisant un travail divinatoire de précision basé sur des informations peu fiables données par des personnes peu qualifiées, voire ignorantes.
=>, magicien, devin, sorcier
Avatar du membre
LØLØ
Modérateur
Messages : 6209
Enregistré le : 30/07/2006 15:41
Localisation : guainville (28 )
Contact :

Re: Moteur d'essuie glace de def 83/98 voir 01

Message non lu par LØLØ »

The Pater a écrit :
Sauf erreur, le relais de temporisation, c'est celui en orange :
Le fichier joint _PGA1724.jpg n’est plus disponible.
Salut, oui c'est celui là , c'est le Lucas.
Hors sujet : Reste que j'avais l'idée de changer le commodo code/plein phare car depuis un an, le passage de code en plein phares est un peu trop souple, manquant de point dur entre les deux positions.
Possible qu'il est pris un coup de genou et que le corps se soit fendu en deux, alors il est mou effectivement, avec un mauvais verrouillage de la position phare.
1) commodo code/phare fendu :(
DSC_6754.JPG
Fin Hors sujet.
Cela doit les positions "flickwipe"
Je suis allé essayer : c'est resté en basse vitesse, pas en haute vitesse
+1, en levant ou baissant légèrement, mais vitesse lente dans les deux cas.
A+
2 solutions: la bonne et l'Anglaise
LUCAS: Il n'y a pas de contact où il le faut et il y en a un où il ne faut pas
On ne peut aller loin en amitié, si on n'est pas disposé à se pardonner les uns aux autres les petits défauts.
www.eternal-vehicles.fr
Avatar du membre
The Pater
Modérateur
Messages : 13978
Enregistré le : 25/08/2004 8:19
Localisation : 06°27'46"E 45°50'29"N

Re: Moteur d'essuie glace de def 83/98 voir 01

Message non lu par The Pater »

Rapidement avec LØLØ, nous avons testé deux autres temporisateurs. Ben c'est pas la cause.

Reste le commodo.

Démontage du volant super facile, je m'y attendais pas. Douille de 22 mm pour l'écrou central. Et hop dégagé. Ensuite il faut enlever les vis cruciformes qui tiennent les deux demi caches et on obtient au bout de dix minutes ceci :
_PGA1729.jpg
Enlever la rondelle étoilée sur l'axe de guidage de la manette est simple avec deux tournevis. Il faut seulement y aller doucement.
Par contre les deux vis, ce n'est ni du 6, ni du 7, c'est entre. Donc on improvise avec l'outillage de bord (pas origine).
_PGA1730.jpg
Ah oui, j'avais oublié qu'il n'est pas possible de voir l'intérieur. C'est riveté.
_PGA1731.jpg
Demain je m'arme de mon multimètre et de ma bombe à nettoyer les contacts..... et on verra bien.

A+
Ingénieur :
Personne faisant un travail divinatoire de précision basé sur des informations peu fiables données par des personnes peu qualifiées, voire ignorantes.
=>, magicien, devin, sorcier
Avatar du membre
LØLØ
Modérateur
Messages : 6209
Enregistré le : 30/07/2006 15:41
Localisation : guainville (28 )
Contact :

Re: Moteur d'essuie glace de def 83/98 voir 01

Message non lu par LØLØ »

The Pater a écrit : Reste le commodo.
A+
:mrgreen: Pas seulement, le problème peut aussi venir du contact de fin de course.
Lors du remplacement du moteur complet l'inter fin de course a été un peu occulté:
1) Il se cache au niveau du connecteur sur le moteur d'essuie glace.
1)IMG_7717.jpg
Vue sa position, et l'étanchéité légendaire de nos engins, il n'est pas rare que l'humidité voir des trombes d'eau tombe sur ce connecteur, qui a terme s'oxyde.
L'étape suivante consisterait a défaire le connecteur et contrôler l'état des broches. Plus particulièrement celui du fil marron liseré vert claire qui délivre l'information de position des balais au temporisateur d'essuie glace:
Tend que les balais ne sont pas en position initiale un +12V est envoyé à la tempo et à son relais. Cela permet de continuer d'alimenter le moteur via le commodo quand le relais n'est plus enclenché.
Dès que les balais sont en position initiale ou fin de course, une masse est envoyée à la tempo et à son relais, d'où la masse sur le fil jaune/vert clair
Bien voir que:
Lorsque la tempo est activé, 53M est relié à 15 (+12V après fusible)
Lorsque la tempo est au repos, 53M est relié à 53S (+12V après contacteur fin de course ou masse)
2) Exemple d'un connecteur de moteur d'essuie glace bien oxydé:
IMG_1986.jpg
3) Démontage du connecteur dans le quel le fin de course est intégré.
Rep 1: Tétouille de verrouillage
Rep 2: Clips
Rep 3: Bouton source de panne possible si cassé, déjà vu.
IMG_1969.jpg
4) logement du truc...
Rep 1: Logement de la tétouille de verrouillage, on peut remarquer la pente qui permet de l'introduire facilement dans un sens, mais beaucoup moins évident dans l'autre sens.Il faut lever avec un tournevis et faire glisser vers la droite.
Rep 2: Logement du clips.
Rep 3: Logement du bouton, la forme oblong permet un "glissage".
IMG_1970.jpg
5) Moteur ouvert, c'est plus simple, on enlève le clips par en dessous à l'aide d'un petit tournevis.
IMG_1966.jpg
6) Ouverture possible du connecteur pour accéder au contacteur fin de course:
IMG_1971.jpg
7) Dedans: Une source de panne fréquente, c'est une lamelle cassée, généralement celle poussée par le pion.
IMG_1972.jpg
8 ) Principe du contacteur fin de course:
Rep C030-4 = masse Fil noir.
Rep C030-2 = vers centrale fil marron liseré vert.
Rep C030-1= arrivé 12V après fusible fil vert.
En position bouton sortie C030-2 est relier au 12 V = le moteur tourne , en position bouton appuyée C030-2 est relier à la masse = arret moteur.
IMG_1983.jpg
9) On peut voir ici en position appuyée, une source de panne possible, l'oxydation au niveau du contact de C030-2 avec le 12V qui arc à chaque rupture, car c'est par là que le moteur fini d'être alimenté.
IMG_1976.jpg
10) Came de commande de l'arrêt moteur repère 1.
Repère 2 le bouton est relâché le moteur est alimenté, via la tempo et le commodo en 12V.
IMG_7757.jpg
.../...
Modifié en dernier par LØLØ le 03/04/2010 16:17, modifié 1 fois.
2 solutions: la bonne et l'Anglaise
LUCAS: Il n'y a pas de contact où il le faut et il y en a un où il ne faut pas
On ne peut aller loin en amitié, si on n'est pas disposé à se pardonner les uns aux autres les petits défauts.
www.eternal-vehicles.fr
Avatar du membre
LØLØ
Modérateur
Messages : 6209
Enregistré le : 30/07/2006 15:41
Localisation : guainville (28 )
Contact :

Re: Moteur d'essuie glace de def 83/98 voir 01

Message non lu par LØLØ »

Suite:
11) Il nous reste 3 fils sur le connecteur qui ressortent vers le moteur, ces couleurs ne figurent pas sur les documentations land rover car elles sont spécifiques à Lucas.
Le bleu = masse
Le jaune = vitesse lente
Le rouge = vitesse rapide
IMG_1981.jpg
12) Ces fils, nous amènent directement aux charbons, contrairement au système que l'on pouvait trouver sur les série II ou la variation de vitesse était faite en passant à travers une résistance comme encore sur les moteurs de soufflerie de chauffage. Là il y a variation par la commutation des charbons.
IMG_1943.jpg
13) La forme particulière du charbon de vitesse lente (jaune) fait qu'il y a moins de surface de contact sur un segment de palier.
IMG_1954.jpg
14) Les charbons sur les paliers (collecteur rotatif) permettent d'alimenter les bobines du rotor, ainsi cela crée un champ magnétique qui s'oppose a celui des aimants situés sur le stator et permet de générer un mouvement par le phénomène de répulsion succesive.
Les charbons sont un bon moyen pour alimenter une partie rotative par rapport à une partie fixe. Mais il présente l'inconvénient de s'user :( .
Lorsque l'on n'arrive plus à distinguer la vitesse lente de la vitesse rapide, il est possible que le charbon vitesse lente soit usé.
IMG_1959.jpg
15) C'est un moteur à aimant permanent, contrairement à un démarreur qui lui a des électro-aimants.
Une source de panne, un des deux aimants qui se décolle ça coince :( .
IMG_1945.jpg
16) Attention lors du démontage du rotor! Il y a en bout d'axe une petite pastille qui facilite les frottements à ne pas perdre:
IMG_1964.jpg
17) La mise en place des charbons aussi appelé "balais",sur le collecteur est facilitée par un petit tournevis:
IMG_1956.jpg
18)
IMG_1957.jpg
19) Il y a un repérage pour positionner les carters:
IMG_1965.jpg
20) Avant de refermer, il faut inspecter les bobines du rotor appelé aussi induit. On peut également mesurer si on a un doute, il ne doit pas y avoir de continuité entre l'axe et les paliers du collecteur et pas de court-circuit entre les bobines de l'induit, difficile à mesurer car ce sont des petites valeurs de résistance. L'état d'usure des axes de palier et des paliers.
IMG_1946.jpg
Conclusion pour Pater :
Pour exprimer la f.e.m. totale délivrée par la MCC, on considère que les N conducteurs (ou N spires) sont répartis uniformément sur le pourtour du rotor. En raison de la mise en parallèle par les balais, la f.e.m. totale E est produite par les N/2 spires placées sous un seul pôle.
La f.e.m. résulte de la moitié du flux sous un pôle : θφθφθφdd21dddd21dd21)(rttteΩ===
Les spires sont régulièrement espacées, sur l’ouverture angulaire élémentaire dθ : θπd2NN=d
En conséquence : φπθφθπd4dd21d2ddrrNNeNEΩ=Ω=⋅=
Par sommation sous un pôle, pour 
−∈2,2ππθ, le flux 
Φ=Φ−=−∈)2(,)2()(πφπφθφ : ΦΩ=Ω==∫∫ΦΦ−rrNNEEπφπ2d4d
La f.e.m. est proportionnelle au nombre de conducteurs (N), au flux sous un pôle (Φ en Wb) et à la vitesse de rotation Ωr en rad/s : π2rNEΩΦ⋅=
Moralité:
Si les conducteurs sont parcourus par un courant, les efforts sur les conducteurs permettent le mouvement de rotation. Hips :sm27:
A+
:sm9:
Modifié en dernier par LØLØ le 03/04/2010 22:41, modifié 1 fois.
2 solutions: la bonne et l'Anglaise
LUCAS: Il n'y a pas de contact où il le faut et il y en a un où il ne faut pas
On ne peut aller loin en amitié, si on n'est pas disposé à se pardonner les uns aux autres les petits défauts.
www.eternal-vehicles.fr
Avatar du membre
The Pater
Modérateur
Messages : 13978
Enregistré le : 25/08/2004 8:19
Localisation : 06°27'46"E 45°50'29"N

Re: Moteur d'essuie glace de def 83/98 voir 01

Message non lu par The Pater »

LØLØ a écrit : 4) Une façon simple de contrôler une défaillance de la fonction retour automatique qui serait dut au relais de tempo, ou de faire fonctionner les issues glace sans le relais temporisation. C'est de relier directement sur le support du relais, les broches 5 et 2 ou (53S et 53M) de sorte que cela réalise le contact repos du relais de tempo ainsi, on conserve l'alimentation du moteur temps que le contacteur fin de cours n'est pas en position d'arrêt automatique. Il reste donc vitesse lente, vitesse rapide et le retour automatique. :wink:
J'essaie de trouver les cosses qui vont bien et j'essaie cela demain.

En tout cas merci d'avoir passé du temps dessus.

A+
Ingénieur :
Personne faisant un travail divinatoire de précision basé sur des informations peu fiables données par des personnes peu qualifiées, voire ignorantes.
=>, magicien, devin, sorcier
Avatar du membre
The Pater
Modérateur
Messages : 13978
Enregistré le : 25/08/2004 8:19
Localisation : 06°27'46"E 45°50'29"N

Re: Moteur d'essuie glace de def 83/98 voir 01

Message non lu par The Pater »

LØLØ a écrit : Pour exprimer la f.e.m.
F.e.m veut dire pour moi Finite Element Method.... j'ai du mal à penser force électro motrice.

Sinon pour le cube, tape alt+0179 : ³ , les formules deviendront plus claires :wink:

A+
Ingénieur :
Personne faisant un travail divinatoire de précision basé sur des informations peu fiables données par des personnes peu qualifiées, voire ignorantes.
=>, magicien, devin, sorcier
Avatar du membre
The Pater
Modérateur
Messages : 13978
Enregistré le : 25/08/2004 8:19
Localisation : 06°27'46"E 45°50'29"N

Re: Moteur d'essuie glace de def 83/98 voir 01

Message non lu par The Pater »

The Pater a écrit : J'essaie de trouver les cosses qui vont bien et j'essaie cela demain.
Je viens de tester..... j'étais impatient et j'avais trouvé le fil avec les cosses qui vont bien.

J'ai donc retirer le tempo (c'est le tient !, tu as gardé le mien ! :lol: :wink: )

J'ai relié comme indiqué sur la photo.

1) Vitesse lente OK
2) Vitesse rapide OK
3) Pas d'arrêt automatique en fin de course, il s'arrête dès que la manette du commodo est remise en position repos.

Donc, c'est l'interrupteur de fin course au niveau moteur qui semble être le problème. J'aurais pas cru, vu que l'arrêt auto en fin de course fonctionnait en intermittant, vitesse rapide et vitesse lente...alors que cela ne marchait plus en position lave glace.


Note : sans tempo et sans fil reliant 53S et 53M, les essuies glaces fonctionnent bien, mais le départ et l'arrêt sont moins francs.

A+
Ingénieur :
Personne faisant un travail divinatoire de précision basé sur des informations peu fiables données par des personnes peu qualifiées, voire ignorantes.
=>, magicien, devin, sorcier
Avatar du membre
LØLØ
Modérateur
Messages : 6209
Enregistré le : 30/07/2006 15:41
Localisation : guainville (28 )
Contact :

Re: Moteur d'essuie glace de def 83/98 voir 01

Message non lu par LØLØ »

The Pater a écrit :
Note : sans tempo et sans fil reliant 53S et 53M, les essuies glaces fonctionnent bien, mais le départ et l'arrêt sont moins francs.

A+
Oui mais dans ce cas l'arrêt n'est pas automatique, et c'est bête de s'en priver pour un bout fil :wink: .
A+
2 solutions: la bonne et l'Anglaise
LUCAS: Il n'y a pas de contact où il le faut et il y en a un où il ne faut pas
On ne peut aller loin en amitié, si on n'est pas disposé à se pardonner les uns aux autres les petits défauts.
www.eternal-vehicles.fr
Avatar du membre
nanard833
Habitué
Messages : 3989
Enregistré le : 10/10/2009 20:18
Localisation : disco 300TDI 431000 bornes

Re: Moteur d'essuie glace de def 83/98 voir 01

Message non lu par nanard833 »

Salut LOLO et merci pour ce super post !!!!

Question à 2 roros, y a t-il quelque chose à faire pour prévenir le grippage des axes des essuies-glaces sans les démonter?
(WD40 par exemple)A+
Gratter la botte ne soulage guère quand ça démange à l'intérieur (proverbe chinois)
Avatar du membre
LØLØ
Modérateur
Messages : 6209
Enregistré le : 30/07/2006 15:41
Localisation : guainville (28 )
Contact :

Re: Moteur d'essuie glace de def 83/98 voir 01

Message non lu par LØLØ »

nanard833 a écrit :Salut LOLO

Question à 2 roros, y a t-il quelque chose à faire pour prévenir le grippage des axes des essuies-glaces sans les démonter?
(WD40 par exemple)A+
Salut, les problèmes de grippage interviennent surtout sur l'axe de sortie voir le complément de ce thème ici. C'est a mon avis la principale cause de panne sur les def, surtout sur l'essuie glace arrière qui sert beaucoup moins souvent.
Sinon, il y a une technique qui consiste à placer un bout de durite sur l'axe de sortie, de remplir la durite d'huile ou de dégrippant, de laisser tremper toute une nuit ou plus si nécessaire.
Cela peut être fait a titre préventif tous les ans, ou par chez nous ou il faut prévoir un budget "essuie glace" on peut espacer a deux ans la scéance de dégrippage préventif, car plus souvent utilisé donc moins de chance de gripper :mrgreen:
1)
DSC_6959.JPG
A+


NB: Pour les 2 €, mon numéro de compte PayPal par mp. :mrgreen:
:sm9:
2 solutions: la bonne et l'Anglaise
LUCAS: Il n'y a pas de contact où il le faut et il y en a un où il ne faut pas
On ne peut aller loin en amitié, si on n'est pas disposé à se pardonner les uns aux autres les petits défauts.
www.eternal-vehicles.fr
Avatar du membre
The Pater
Modérateur
Messages : 13978
Enregistré le : 25/08/2004 8:19
Localisation : 06°27'46"E 45°50'29"N

Re: Moteur d'essuie glace de def 83/98 voir 01

Message non lu par The Pater »

Bon , c'est un problème d'interrupteur de fin de course.

Languette cassée, surement par fatigue.
_PGA1734.JPG
J'avais un peu peur que l'accès et démontage du logement de l'interrupteur fin de course soit long et fastidieux. En fait, 10 minutes, et encore, grâce aux photos de LØLØ.

J'espère que LR vend cela en pièce détaché, pas en un ensemble complet avec moteur !

A+
Ingénieur :
Personne faisant un travail divinatoire de précision basé sur des informations peu fiables données par des personnes peu qualifiées, voire ignorantes.
=>, magicien, devin, sorcier
Avatar du membre
LØLØ
Modérateur
Messages : 6209
Enregistré le : 30/07/2006 15:41
Localisation : guainville (28 )
Contact :

Re: Moteur d'essuie glace de def 83/98 voir 01

Message non lu par LØLØ »

The Pater a écrit :Bon , c'est un problème d'interrupteur de fin de course.

Languette cassée, surement par fatigue.
_PGA1734.JPG
J'avais un peu peur que l'accès et démontage du logement de l'interrupteur fin de course soit long et fastidieux. En fait, 10 minutes, et encore, grâce aux photos de LØLØ.

J'espère que LR vend cela en pièce détaché, pas en un ensemble complet avec moteur !

A+
Je ne crois pas que land rover détail la pièce. Peut-être directement chez Lucas ou les revendeurs indépendant?
A+
2 solutions: la bonne et l'Anglaise
LUCAS: Il n'y a pas de contact où il le faut et il y en a un où il ne faut pas
On ne peut aller loin en amitié, si on n'est pas disposé à se pardonner les uns aux autres les petits défauts.
www.eternal-vehicles.fr
Avatar du membre
The Pater
Modérateur
Messages : 13978
Enregistré le : 25/08/2004 8:19
Localisation : 06°27'46"E 45°50'29"N

Re: Moteur d'essuie glace de def 83/98 voir 01

Message non lu par The Pater »

LØLØ a écrit :
The Pater a écrit :
Note : sans tempo et sans fil reliant 53S et 53M, les essuies glaces fonctionnent bien, mais le départ et l'arrêt sont moins francs.

A+
Oui mais dans ce cas l'arrêt n'est pas automatique, et c'est bête de s'en priver pour un bout fil :wink: .
A+
J'ai remonté le tout sans la languette cassée et le doigt. J'aurais surement dû la laisser en place car maintenant les départs et arrêts sont moins francs.

Mais bon. Comme les essuies glaces fonctionnent.... :roll:

A+
Ingénieur :
Personne faisant un travail divinatoire de précision basé sur des informations peu fiables données par des personnes peu qualifiées, voire ignorantes.
=>, magicien, devin, sorcier
Répondre

Retourner vers « Electricité • Electronique »