Vitres électriques arrières HS sur Disco 1 ou RRC SoftDash

Bidouillages électriques, codes d'erreur ECU...

Modérateurs : The Pater, LØLØ

Règles du forum
En naviguant sur le site http://www.landroverfaq.com vous reconnaissez avoir lu ses Conditions d’Utilisation, vous déclarez les comprendre et vous acceptez d’y être lié de manière inconditionnelle. Si tel n'est pas le cas, merci de quitter immédiatement ce site.

Vous pouvez joindre autant d'images que nécessaire à vos messages A LA CONDITION EXPRESSE d'utiliser l'hébergement fourni par le site.

L'administrateur effacera systématiquement tout message contenant des photos hébergées chez Imageschack, Casimage, Wistiti ou tout autre hébergeur tiers sans sommation ni justification.
Répondre
Avatar du membre
Klug
BOFH
Messages : 1758
Enregistré le : 06/05/2004 12:57
Localisation : Sud Drôme - Nord Ventoux
Contact :

Vitres électriques arrières HS sur Disco 1 ou RRC SoftDash

Message non lu par Klug »

On appuie sur le bouton en général, il ne se passe rien.
Une fois de temps en temps, ça fonctionne pourtant, preuve que c'est pas complètement cassé.
Bref, encore un coup de "Lucas, prince of darkness"...

Ou d'une soudure sèche.

Parce qu'en fait, c'est une soudure sèche. Connue, le mal est chronique.
Ca ne sert donc à rien de s'exciter sur le panneau des interrupteurs de la console centrale (et de le casser au passage).

Vous trouverez l'info en anglais sur Discoweb : http://www.discoweb.org/window/index.htm
Et ci-dessous en français (avec les photos de Discoweb et les miennes).

Les étapes :
  • couper le contact (c'est mieux)
  • démonter la boite à gants, tout simplement en démonter les 4 vis (tête hexa de 7 mm) des charnières
  • pas besoin de démonter les ressorts sur les côtés (contrairement à ce qui est indiqué chez Discoweb), en pivotant légèrement on peut tout sortir
  • trouver le boitier de contrôle des vitres
    Disco '96
    Disco '96
    RRC '94
    RRC '94
  • débrancher les deux connecteurs (facile pour le connecteur de puissance, un peu moins pour le connecteur de commande, il faut utiliser un fin tournevis pour le débloquer)
  • faire sauter le "couvercle" du boitier avec un tournevis (on ne va pas tenter de sortir le boitier complet, juste le PCB qui est dedans)
    Image117.jpg
    PIC_0031.jpg
  • sortir le PCB en douceur ; contrairement à ce qui est indiqué chez Discoweb, pas besoin de défaire les boulons (ça évitera de les perdre) du boitier
  • regarder côté piste, on voit immédiatement la soudure qui pose soucis (juste au dessus du trou)
    PIC_0032.jpg
    Image119.jpg
    Image120.jpg
  • refaire proprement la soudure et en profiter pour refaire celles du connecteur de puissance (qui sont un peu légères)
  • remettre la carte en place (il faut l'insérer dans une glissière intégrée au boitier)
  • remettre le couvercle
  • rebrancher les deux connecteurs
  • mettre le contact et faire un test (c'est mieux maintenant qu'après avoir remonté la boite à gants)
  • si ça marche, couper le contact et remonter la boite à gant
Temps nécessaire : 10 à 20 minutes
Matériel nécessaire : une clef hexa de 7mm, un tournevis fin, un fer à souder et de la soudure
Compétences mécaniques nécessaires : savoir dans quel sens on visse et dans quel sens on dévisse, savoir souder

Images de Discoweb recupérées et hébergées ici...
All you need is Duct Tape and WD-40. If something moves and shouldn't: duct tape. If it doesn't move and should: use the WD-40.
Avatar du membre
Feub
Habitué
Messages : 3928
Enregistré le : 25/11/2004 11:29
Localisation : Saint Jean la Bussière

Re: Vitres électriques arrières HS sur Disco 1 ou RRC SoftDash

Message non lu par Feub »

Merci klug pour ces infos, par contre dans le titre j'aurais plutôt marqué "Disco / RRC 300 tdi", ca éviterai des confusions a mon avis :wink:
Avatar du membre
Klug
BOFH
Messages : 1758
Enregistré le : 06/05/2004 12:57
Localisation : Sud Drôme - Nord Ventoux
Contact :

Re: Vitres électriques arrières HS sur Disco 1 ou RRC SoftDash

Message non lu par Klug »

Sauf que ça marche aussi pour les V8 8)

Pour tenter d'être super précis :
  • Discovery 1994 - 1998 (AM 1995 à 1997, 300 tdi et V8)
  • Range Rover Classic 1994 (AM 1995, 300 tdi et V8)
All you need is Duct Tape and WD-40. If something moves and shouldn't: duct tape. If it doesn't move and should: use the WD-40.
Avatar du membre
Feub
Habitué
Messages : 3928
Enregistré le : 25/11/2004 11:29
Localisation : Saint Jean la Bussière

Re: Vitres électriques arrières HS sur Disco 1 ou RRC SoftDash

Message non lu par Feub »

Cépafo! :wink:
Avatar du membre
Klug
BOFH
Messages : 1758
Enregistré le : 06/05/2004 12:57
Localisation : Sud Drôme - Nord Ventoux
Contact :

Re: Vitres électriques arrières HS sur Disco 1 ou RRC SoftDash

Message non lu par Klug »

Piqûre de rappel : en profiter pour vérifier toutes les soudures (celles des connecteurs de commande/puissance en particulier).
All you need is Duct Tape and WD-40. If something moves and shouldn't: duct tape. If it doesn't move and should: use the WD-40.
Avatar du membre
gb5978
Habitué
Messages : 51
Enregistré le : 22/03/2010 22:54
Localisation : 59670

Re: Vitres électriques arrières HS sur Disco 1 ou RRC SoftDa

Message non lu par gb5978 »

Bonjour,
je me permets de déterrer légèrement ce topic pour vous remercier pour l'astuce de la soudure défectueuse... Après avoir bien galéré pour localiser le pb (avant de tomber sur ce post), il m'aura fallu sortir l'ECU (pas facile avec des gros doigts et les outils qui n'atteignent pas facilement la dernière vis au fond :x
Une fois l'ECU sorti, j'avais la même soudure défectueuse sur mon disco de 97 BVA. Au passage, idem pour le régulateur de vitesse : ECU HS.
Pas l'air très fiables ces ECU :shock:
Je ne sais pas combien de personnes ont dû changer ce windows lift ECU, alors qu'il s'agit d'une simple soudure défectueuse...
Bref merci pour cette astuce, je m'en vais de ce pas à la pêche aux astuces concernant mes serrures qui dysfonctionnent quelque peu :roll: :mrgreen:
Modifié en dernier par gb5978 le 03/04/2012 22:48, modifié 1 fois.
Avatar du membre
piloupilou
Habitué
Messages : 27
Enregistré le : 22/12/2007 20:09
Localisation : Perpignan

Re: Vitres électriques arrières HS sur Disco 1 ou RRC SoftDa

Message non lu par piloupilou »

Bonsoir

idem pour le "deterrement" et un grand remerciement pour avoir créer ce topic :sm6:
plus de 6 mois de galère à me prendre la tête avec des vitres arrières qui pouvaient se baisser et se remonter de manière aléatoire => obligation donc de les laisser toujours fermées !

qques infos complémentaires que je retire de l'expérience :
- le petit connecteur est vraiment pénible :sm4: de chez :sm25: à enlever et j'ai réussi en lui plantant une vis à bois dans le trou du détrompeur et en tirant dessus avec une tenaille ! incompréhensible d'utiliser une telle connectique pouvant résister à des tremblements de terre alors qu'à l'intérieur, les soudures ne sont pas capables de résister aux trépidations des chemins de campagne :sm27:
- je n'ai pas enlevé l'ECU, j'ai uniquement dévissé les deux écrous de 7 de devant (pour celui du bas, c'est plus facile en passant par en dessous en enlevant l'habillage insonorisant sous le tableau de bord) et après l'avoir déboité, je l'ai un peu penché pour sortir la carte
- vraiment très maigres ces soudures, dont une effectivement cassée net (il faut prendre une loupe pour le voir !) => j'ai repris toutes les soudures "puissances" ainsi que celles des deux connecteurs que j'avais malmenés lors du démontage)
- avant de remonter la carte, j'ai occis le petit morceau de plastique situé dans le connecteur de commande avec une fraise monté sur une Dremel => si je dois y revenir, je n'aurai plus à me battre pour extraire le connecteur !!

enfin, à mon avis, les heureux possesseurs de Disco ou de RRC qui veulent utiliser leurs nobles destriers dans le désert, et en particulier rouler sur de la tôle ondulée, doivent impérativement démonter ce bazar et reprendre/garnir les soudures douteuses avant de partir :!:

perso, mainenant, je peux profiter d'un agréable courant d'air frais en descendant légèrement les vitres arrières :mrgreen: !
@+
Tant qu’il se saura mortel, l’homme ne sera pas vraiment décontracté. (Woody Allen)
Avatar du membre
gb5978
Habitué
Messages : 51
Enregistré le : 22/03/2010 22:54
Localisation : 59670

Re: Vitres électriques arrières HS sur Disco 1 ou RRC SoftDash

Message non lu par gb5978 »

Bonjour,
Comme vous pouvez le constater plus haut, je suis intervenu sur ce topic il y a un petit moment pour vous remercier de l'astuce, qui m'avait permis à l'époque de résoudre mon pb.
Quelques années après avoir revendu ce 4x4, voilà que je craque à nouveau pour un Disco 300 tdi Killy de 97. Même véhicule = mêmes problèmes, non solutionnés par l'ancien propriétaire...
Je me penche donc à nouveau sur le pb des vitres AR qui ne fonctionnent plus : en reprenant les soudures de l'ECU, dans un 1er temps le pb se solutionne mais uniquement sur une vitre, pas sur l'autre. Afin d'éliminer un défaut d'interrupteur, j'inverse ceux-ci : idem. Donc cela ne vient pas de l'interrupteur.
Voici ma question :
- au niveau de l'ECU, est-ce normal d'avoir certaines soudures qui se touchent (de mémoire je dois en avoir 2 ou 3, dans des zones autres que celle des soudures sèches il me semble). Si oui, certains d'entre-vous ont-ils une photo assez précise de l'ECU, permettant de bien voir où sont situées ces soudures qui doivent se toucher ?
- quelles sont les autres causes possible de dysfonctionnement d'une vitre AR (hormis ECU et interrupteur) ?
Merci pour votre aide :wink:
Avatar du membre
nanard833
Habitué
Messages : 3989
Enregistré le : 10/10/2009 20:18
Localisation : disco 300TDI 431000 bornes

Re: Vitres électriques arrières HS sur Disco 1 ou RRC SoftDash

Message non lu par nanard833 »

je n'ai pas d'autres photos que celles du sujet

peut-être un fusible ou les relais sous la boite à gants il doit y en avoir un qui correspond à ta vitre
Gratter la botte ne soulage guère quand ça démange à l'intérieur (proverbe chinois)
Avatar du membre
LØLØ
Modérateur
Messages : 6209
Enregistré le : 30/07/2006 15:41
Localisation : guainville (28 )
Contact :

Re: Vitres électriques arrières HS sur Disco 1 ou RRC SoftDash

Message non lu par LØLØ »

Salut,
gb5978 a écrit : - au niveau de l'ECU, est-ce normal d'avoir certaines soudures qui se touchent (de mémoire je dois en avoir 2 ou 3, dans des zones autres que celle des soudures sèches il me semble). Si oui, certains d'entre-vous ont-ils une photo assez précise de l'ECU, permettant de bien voir où sont situées ces soudures qui doivent se toucher ?
Coté composant, rien ne te parait suspect, un transistor ou un circuit intégré gonflé ou ayant pris un coup de chauffe?
amr1282 disco range.JPG
L'avantage de cet ECU, c'est que c'est encore une électronique de papa, malgré le petit micro contrôleur 4bits, avec des vrais transistor BC337, tout ce qu'il y a de plus courant:
transistor AMR1282.jpg
Il y a trois relais, sur celui de gauche tu peux voir l’état des contacts. Tu peux voir aussi les deux shunts RW1 et RW2 qui servent a mesurer le courant dans les moteurs et à arrêter leur l'alimentation quand ils sont en bout de course même si tu continues à appuyer sur le bouton.
Si tu branches le circuit sans la boite noire, et que tu commandes l'ouverture des vitres, est ce que tu vois; ou entends; ou sens en mettant un doigt de dessus les relais coller ?
AMR 1280 relais.jpg
Coté soudures, a cause du fait que les shunt chauffent, il arrive qu'ils se tirent une balle dans le pied et se dé-soudant eux même a cause de la chauffe, Comme tu peux le voir sur ce spécimen d'un copain, qui un jour par hasard m'est passé dans les mains pour cause de soudures défectueuses.
soudure sur les shunts AMR 1280.jpg
Oui, il est normal que certaines soudures se touchent, celles qui doivent se touchées sont entourées, peut-être que si tu as un doute sur certaine, copie la photo entour celles qui te paraissent suspectes et remets la en ligne.
1)Soudures doubles
AMR 1280 soudures doubles normales 01.jpg
2)Soudures doubles
AMR 1280 soudures doubles normales 02.jpg
3)Soudures doubles
AMR 1280 soudures doubles normales 03.jpg
- quelles sont les autres causes possible de dysfonctionnement d'une vitre AR (hormis ECU et interrupteur) ?
Merci pour votre aide :wink:
Le moteur HS; l'oxydation au niveau du connecteur de porte ou de moteur ou contacteur de porte ou masse ou... L'interrupteur d'isolation de commande des vitres arrières, mais cela marche d'un coté, donc ce n'est pas lui non plus. Les boutons arrières ont-ils été inversé aussi ?
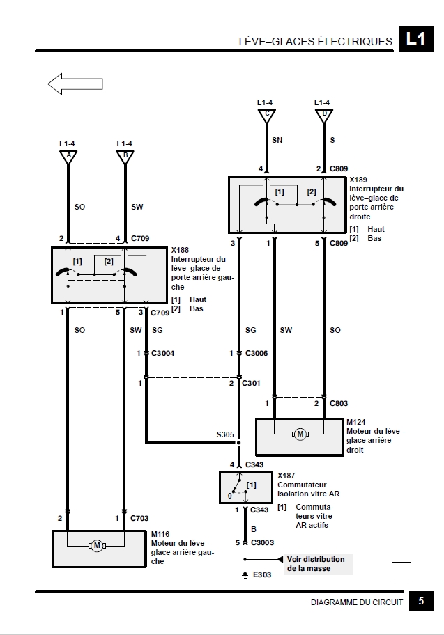
Les schémas du système de lève-vitre, peuvent peut-être t'aider à orienter tes recherches:
1) Les explications:
01 schéma leve glaces electriques disco 300tdi.jpg
2) Première partie où l'on peut remarquer que l'ECC tient compte de l'information porte ouverte par une mise à la masse. Est ce que sur un disco, la commande des vitres électriques est différentes portière ouverte et portière fermée ?
02 schéma leve glaces electriques disco 300tdi.jpg
3) Système de lève vitres; portière avant gauche et droit
03 schéma leve glaces electrique disco 300tdi.jpg
4) Interrupteur de commande sur la console centrale, des lève glaces électrique des portières arrières :
04 schéma leve glaces electriques disco 300tdi.jpg
5) Moteur des lèves glaces électrique arrières :
05 schéma leve glaces electriques disco 300tdi.jpg
Et enfin la localisation des connecteurs de portière arrières.
connecteurs de portière arrière.jpg
Le brochage de L'ECC AMR1280 du disco, voir du RRC, car c'est la même soupe. Au passage, la couleur des fils peut aider a y retrouver ses petits.
connecteurs de ECC leve vitre AMR1280.jpg
Bonne recherche.
A+
2 solutions: la bonne et l'Anglaise
LUCAS: Il n'y a pas de contact où il le faut et il y en a un où il ne faut pas
On ne peut aller loin en amitié, si on n'est pas disposé à se pardonner les uns aux autres les petits défauts.
www.eternal-vehicles.fr
Avatar du membre
gb5978
Habitué
Messages : 51
Enregistré le : 22/03/2010 22:54
Localisation : 59670

Re: Vitres électriques arrières HS sur Disco 1 ou RRC SoftDash

Message non lu par gb5978 »

Un grand merci pour votre aide, super contribution de LOLO, très détaillée. Je regarde ça de près et je reviens vers vous pour vous donner des nouvelles... :wink:
Avatar du membre
Tarimes
Habitué
Messages : 170
Enregistré le : 23/06/2010 12:03

Re: Vitres électriques arrières HS sur Disco 1 ou RRC SoftDash

Message non lu par Tarimes »

Coucou,

ce post outre-tombe à point nommé!
J'ai moi aussi profité de ces infos pour résoudre la panne classique de la soudure localisée et fragile. Merci. Mais.
De retour d'un petit séjour à Lacanau pendant la période de grandes chaleurs toute récente, je constate que c'est
au tour de la fenêtre conducteur de me faire la grimace. Elle descend mais ne veut plus remonter. Sur place je
décide de sortir la boîte à gants et de juste brancher\débrancher\rebrancher les contacteurs pour voir. Ca repart,
je verrai plus précisément au retour.
Me voilà loupe en main avec l" ' ECU " et je ne constate pas grand chose. Seule une petite soudure semble une peu décollée,
je décide d'y mettre une goute en fusion. Je remonte et là....... :P Plus rien.!!
Je regarde les fusibles sous le volant.. rien d'anormal.. je vérifie toutes les connections.. pas mieux.. tout semble correcte.
Question: y a t il des fusibles autres que ceux de la centrale générale qui auraient pu fondre suite à une mauvaise manip..?
Sont ils sous la boîte à gants dans la boîte verte juste sous le boîtier noir de l' ECU..?
Merci.
Disco 300 TDI
Modifié en dernier par Tarimes le 10/07/2017 14:41, modifié 2 fois.
Avatar du membre
Tarimes
Habitué
Messages : 170
Enregistré le : 23/06/2010 12:03

Re: Vitres électriques arrières HS sur Disco 1 ou RRC SoftDash

Message non lu par Tarimes »

Quand je dis plus rien.. cela veut dire.. plus rien sur les quatre fenêtres.. :mrgreen:
Avatar du membre
LØLØ
Modérateur
Messages : 6209
Enregistré le : 30/07/2006 15:41
Localisation : guainville (28 )
Contact :

Re: Vitres électriques arrières HS sur Disco 1 ou RRC SoftDash

Message non lu par LØLØ »

Salut,
Sur les schémas un peu plus haut, il parle de boite à fusible satellite 2 avec f1 et f2 de 30A et de boite à fusible du tableau de bord avec F15 de 10A.
A+
2 solutions: la bonne et l'Anglaise
LUCAS: Il n'y a pas de contact où il le faut et il y en a un où il ne faut pas
On ne peut aller loin en amitié, si on n'est pas disposé à se pardonner les uns aux autres les petits défauts.
www.eternal-vehicles.fr
Avatar du membre
Tarimes
Habitué
Messages : 170
Enregistré le : 23/06/2010 12:03

Re: Vitres électriques arrières HS sur Disco 1 ou RRC SoftDash

Message non lu par Tarimes »

Salut !

En fait lors de la précédente intervention fenêtre arrière, j'ai laissé une visse bois dans le petit connecteur haut,
du coup, je démonte très vite boîte à gants et ECU.. genre deux minutes et quand je faisais les essais pour la vitre
conducteur, je n'y allais pas de main morte.. genre homme pressé ! Hors quand lors de ces manips j'ai connecté et déconnecté
les connecteurs directement sur la "carte".. j'ai declipsé le petit connecteur haut de la carte, à peine sorti, cela a suffi pour
dessouder toutes les petites soudures à l'arrière de ce ptit connecteur. Bref.. une affaire de gros doigts et de précipitation.
J'ai repris toutes ces petites soudures avec application et réussite et renforcé celle du connecteur de puissance.
C'est reparti. Moralité, il faut vraiment revoir toutes les soudures indiquées dans ce post et ne pas travailler à l'arrache ! :oops:
Merci.
Un plaisir de venir vous voir. :wink:
A+
redlight63
Messages : 5
Enregistré le : 28/09/2015 14:12

Re: Vitres électriques arrières HS sur Disco 1 ou RRC SoftDash

Message non lu par redlight63 »

Merci beaucoup pour ce tuto, aprés avoir galéré tt l'été avec cette chaleur et les vitres fermées... chercher la panne un peu partout, j'ai eu enfin le réflexe de regarder sur le forum et Oh miracle le sujet était traité !!!
aucune difficulté pour la soudure ni le remontage mais le démontage de l'ecu est vraiment trs complique , la 3eme vis située à l’arrière du boitier est inaccessible (enfin pour moi..) j'ai du couper la patte en plastique.
Avatar du membre
gb5978
Habitué
Messages : 51
Enregistré le : 22/03/2010 22:54
Localisation : 59670

Re: Vitres électriques arrières HS sur Disco 1 ou RRC SoftDash

Message non lu par gb5978 »

En lisant le dernier post, je réalise que je n'avais pas donné de nouvelles... :roll:
Mon problème est résolu. J'avais en fait 2 problèmes. Le premier : les classiques soudures sèches, que j'ai refaites. En faisant les essais, ça refonctionnait partout sauf une porte arrière. En démontant les garnitures, je me suis rendu compte que l'interrupteur de la porte en question était déconnecté, sans doutes l'ancien propriétaire qui avait jeté un coup d'œil et mal remonté... :roll:
voilà, encore merci à ceux qui ont participé à ce post :wink:
Guillaume
cdjklm
Habitué
Messages : 93
Enregistré le : 09/06/2020 19:33

Re: Vitres électriques arrières HS sur Disco 1 ou RRC SoftDash

Message non lu par cdjklm »

Juste un petit mots pour dire merci à celui qui a créer ce topic,cela a fonctionné même si j'ai refait les soudures aux pif car pas évident à voir.
Land~Rémy
Habitué
Messages : 36
Enregistré le : 04/06/2007 17:22
Localisation : Tournai (Belgique)

Re: Vitres électriques arrières HS sur Disco 1 ou RRC SoftDash

Message non lu par Land~Rémy »

Complètement, ça fonctionne pour moi aussi, donc merci ! :wink:
[¨ ]°#°[ ¨] [:o] # [o:]
Répondre

Retourner vers « Electricité • Electronique »