j'ai un 2 boitier mais je n'arrive pas a enlevé la vis qui aurait une petite idée
vis de reglage cassé
Règles du forum
En naviguant sur le site http://www.landroverfaq.com vous reconnaissez avoir lu ses Conditions d’Utilisation, vous déclarez les comprendre et vous acceptez d’y être lié de manière inconditionnelle. Si tel n'est pas le cas, merci de quitter immédiatement ce site.
Vous pouvez joindre autant d'images que nécessaire à vos messages A LA CONDITION EXPRESSE d'utiliser l'hébergement fourni par le site.
L'administrateur effacera systématiquement tout message contenant des photos hébergées chez Imageschack, Casimage, Wistiti ou tout autre hébergeur tiers sans sommation ni justification.
En naviguant sur le site http://www.landroverfaq.com vous reconnaissez avoir lu ses Conditions d’Utilisation, vous déclarez les comprendre et vous acceptez d’y être lié de manière inconditionnelle. Si tel n'est pas le cas, merci de quitter immédiatement ce site.
Vous pouvez joindre autant d'images que nécessaire à vos messages A LA CONDITION EXPRESSE d'utiliser l'hébergement fourni par le site.
L'administrateur effacera systématiquement tout message contenant des photos hébergées chez Imageschack, Casimage, Wistiti ou tout autre hébergeur tiers sans sommation ni justification.
vis de reglage cassé
bonjour j'ai un problème en règlent mon jeu j'ai cassé ma vis de réglage .boitier 4 vis sur range
j'ai un 2 boitier mais je n'arrive pas a enlevé la vis qui aurait une petite idée
merci
j'ai un 2 boitier mais je n'arrive pas a enlevé la vis qui aurait une petite idée
Re: vis de reglage cassé
c'est plus un réglage que tu fait pour en arriver à la cassée cette vis??????!!!!!!!!!
bon courage quand même.
bon courage quand même.
Re: vis de reglage cassé
ben,reste plus qu'a démonter le couvercle ... 
Re: vis de reglage cassé
pour la casse très simple j'ai pris mon cliquet +rallonge+rallonge pour revissé l'écrou et la craque ..voila très simple
le couvercle est enlevé mais la vis est bloqué qui a une idée
pour la retiré merci
le couvercle est enlevé mais la vis est bloqué qui a une idée
- disco200tdi
- Habitué
- Messages : 755
- Enregistré le : 16/11/2005 21:30
- Localisation : Meuse
Re: vis de reglage cassé
Elle est cassée où cette vis?phi71 a écrit :pour la casse très simple j'ai pris mon cliquet +rallonge+rallonge pour revissé l'écrou et la craque ..voila très simple
le couvercle est enlevé mais la vis est bloqué qui a une idéepour la retiré merci
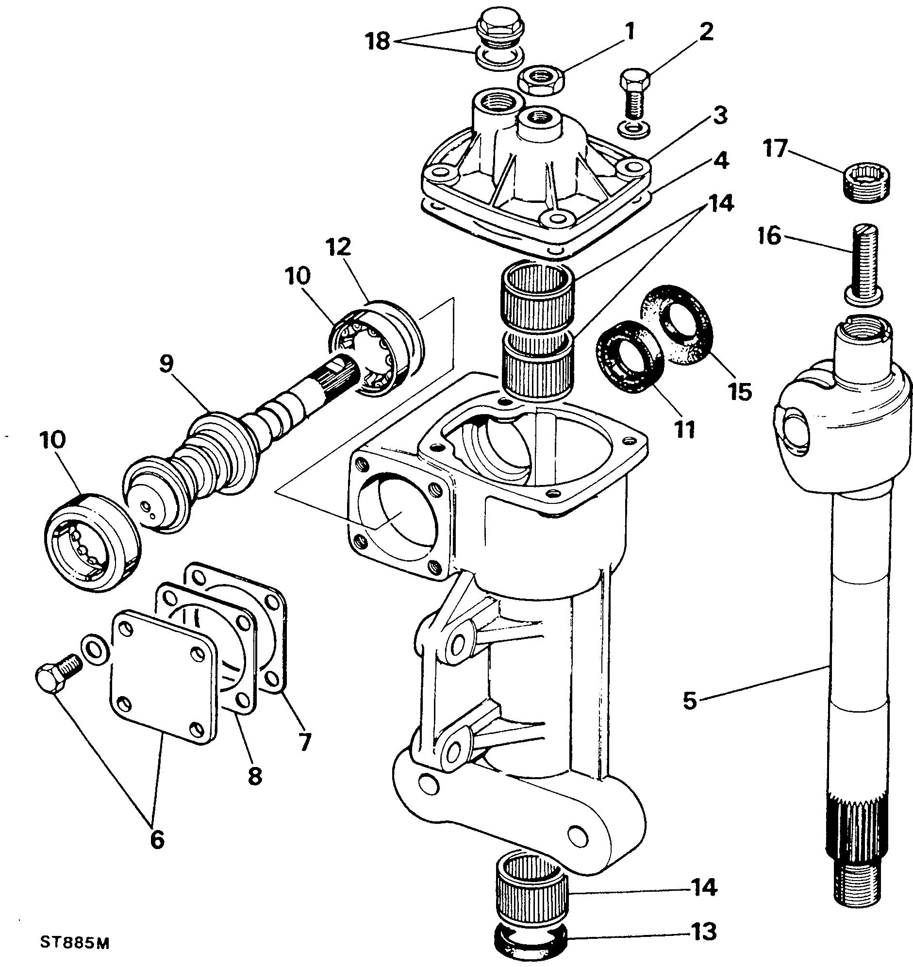
Jette un oeil ICI
Il faut démonter la bague filetée à encoches. repère n°17.
Modifié en dernier par disco200tdi le 17/10/2010 8:01, modifié 1 fois.
Toujours vert, surtout dans les dévers.
Re: vis de reglage cassé
merci disco200tdi
la vis sur la photos c'est celle de mon 2 boitier la bonne
petite question tu l'enlève comment l'écrou a encoche
on progresse grasse a vous merci
la vis sur la photos c'est celle de mon 2 boitier la bonne
petite question tu l'enlève comment l'écrou a encoche
on progresse grasse a vous merci
- disco200tdi
- Habitué
- Messages : 755
- Enregistré le : 16/11/2005 21:30
- Localisation : Meuse
Re: vis de reglage cassé
Il faut fabriquer un outil, un tube avec des ergots dans ton cas, 
Toujours vert, surtout dans les dévers.
Re: vis de reglage cassé
merci pour les infos je te tiens au jus disco200tdi
Re: vis de reglage cassé
bonjour à tous je vous donne des nouvelles de mon problème j'ai démonte le boitier sur le rr (vis cassé) mais je suis a la recherche de la clé pour devisé la bague
j'espère remonter cette semaine
merci
j'espère remonter cette semaine
merci
Re: vis de reglage cassé
Tu n'arrives pas a fabriquer un outil, avec un tube?
Sinon, bourrin inside, une petite chasse et un marteau...
Sinon, bourrin inside, une petite chasse et un marteau...
- disco200tdi
- Habitué
- Messages : 755
- Enregistré le : 16/11/2005 21:30
- Localisation : Meuse
Re: vis de reglage cassé
Voila à quoi je pensai.
Ça se fait à la scie ou à la lime.
Ça se fait à la scie ou à la lime.
Toujours vert, surtout dans les dévers.
Re: vis de reglage cassé
Ou a la disqueuse

Re: vis de reglage cassé
merci feub pour bourrin..
pour info il y a une clayette sur l'écrou 1boitier vis récupérer sans outil (marteau burin ) mais la bague filetée à encoches morte demain on passe a l'autre avec outil mais faut retirer la clayette avant ...
a suivre @++
pour info il y a une clayette sur l'écrou 1boitier vis récupérer sans outil (marteau burin ) mais la bague filetée à encoches morte demain on passe a l'autre avec outil mais faut retirer la clayette avant ...
a suivre @++
Re: vis de reglage cassé
nouvelle de ma vise boitier remonter se soir essai demain (purge et réglage du jeu)
j'ai pu remonté sans changer de vis impossible a enlever sans faire trop de dégât
je pense avoir dérègle le boitier pour pouvoir remonté le boitier j'espère ne pas avoir trop de jeu sinon je changerais le boitier
j'ai pu remonté sans changer de vis impossible a enlever sans faire trop de dégât
je pense avoir dérègle le boitier pour pouvoir remonté le boitier j'espère ne pas avoir trop de jeu sinon je changerais le boitier