£75 chez Witham SV.rr200tdi a écrit :sait tu ou peut on trouver un crochet NATO sans se ruiner ...
Quel crochet pour tracter une Sankey ?
Règles du forum
En naviguant sur le site http://www.landroverfaq.com vous reconnaissez avoir lu ses Conditions d’Utilisation, vous déclarez les comprendre et vous acceptez d’y être lié de manière inconditionnelle. Si tel n'est pas le cas, merci de quitter immédiatement ce site.
Vous pouvez joindre autant d'images que nécessaire à vos messages A LA CONDITION EXPRESSE d'utiliser l'hébergement fourni par le site.
L'administrateur effacera systématiquement tout message contenant des photos hébergées chez Imageschack, Casimage, Wistiti ou tout autre hébergeur tiers sans sommation ni justification.
En naviguant sur le site http://www.landroverfaq.com vous reconnaissez avoir lu ses Conditions d’Utilisation, vous déclarez les comprendre et vous acceptez d’y être lié de manière inconditionnelle. Si tel n'est pas le cas, merci de quitter immédiatement ce site.
Vous pouvez joindre autant d'images que nécessaire à vos messages A LA CONDITION EXPRESSE d'utiliser l'hébergement fourni par le site.
L'administrateur effacera systématiquement tout message contenant des photos hébergées chez Imageschack, Casimage, Wistiti ou tout autre hébergeur tiers sans sommation ni justification.
- Mauresque
- Webmaster
- Messages : 3825
- Enregistré le : 06/05/2004 12:53
- Localisation : Caromb, Vaucluse (84)
- Contact :
Re: Quel crochet pour tracter une Sankey ?
In a world without walls and fences, who needs Windows and Gates ?
Re: Quel crochet pour tracter une Sankey ?
Bonsoir,
Si cela peut t'aider, tu trouveras ci-joint le schéma des FV2381, tout au moins celles qui ont 2 barettes de connexion. Pour les UEC comme la mienne, il y a une boîte de connexion à la places des deux barrettes de connexion mais le principe est le même.
Il n'y a pas de feux "spares", ce sont des conducteurs de "secours" disponibles dans le câble souple de raccordement et qui n'alimentent aucun feu.
Quant au prix des crochets Nato, cela se trouve dans les brocantes LR en Angleterre à des prix moins chers que chez Witham, mais lesprochaines auront lieu à ma connaissance au printemps prochain, avril 2009 pour Beaulieu par exemple.
N'hésite pas si tu as besoin de plus d'infos.
@+
Robin
Si cela peut t'aider, tu trouveras ci-joint le schéma des FV2381, tout au moins celles qui ont 2 barettes de connexion. Pour les UEC comme la mienne, il y a une boîte de connexion à la places des deux barrettes de connexion mais le principe est le même.
Il n'y a pas de feux "spares", ce sont des conducteurs de "secours" disponibles dans le câble souple de raccordement et qui n'alimentent aucun feu.
Quant au prix des crochets Nato, cela se trouve dans les brocantes LR en Angleterre à des prix moins chers que chez Witham, mais lesprochaines auront lieu à ma connaissance au printemps prochain, avril 2009 pour Beaulieu par exemple.
N'hésite pas si tu as besoin de plus d'infos.
@+
Robin
Serie III SWB 2.25D HT
Def 110SW 300Tdi
Rem UEC FV2381 Mk3
Rem Sankey Communication Equipt 3/4 Ton
Rem IWT LM 166G 3,5T
Def 110SW 300Tdi
Rem UEC FV2381 Mk3
Rem Sankey Communication Equipt 3/4 Ton
Rem IWT LM 166G 3,5T
Re: Quel crochet pour tracter une Sankey ?
salut
c'est tout a fait ce dont j'avais besoin , thanks !!!
bon pour le crochet je vais attendre un rassemblement, je reste avec mon "agraire" type ça marche pas mal

c'est tout a fait ce dont j'avais besoin , thanks !!!
bon pour le crochet je vais attendre un rassemblement, je reste avec mon "agraire" type ça marche pas mal
Re: Quel crochet pour tracter une Sankey ?
Bonjour,
Pour compléter mes précédentes inters, la petite phrase qui va bien extraite des instructions (Trailer 3/4 Tonne 2 Wheeled - Maintenance Scheduel) du MoD concernant la traction des remorques:
Ce qui confirme que si l'anneau est fixe, le crochet doit être tournant (ou vice versa).
@+ Sur la photo ci-dessus, l'enquête du MoD a déterminé que l'accident était dû à l'oubli de déverrouillage (en rotation) du crochet, compte-tenu de la remorque tractée ( a anneau fixe). Et cela se passait sur route, en circulation normale ...
A chacun de méditer .... et d'en tirer les conclusions.
@+
Robin
Pour compléter mes précédentes inters, la petite phrase qui va bien extraite des instructions (Trailer 3/4 Tonne 2 Wheeled - Maintenance Scheduel) du MoD concernant la traction des remorques:
Ce qui confirme que si l'anneau est fixe, le crochet doit être tournant (ou vice versa).
@+ Sur la photo ci-dessus, l'enquête du MoD a déterminé que l'accident était dû à l'oubli de déverrouillage (en rotation) du crochet, compte-tenu de la remorque tractée ( a anneau fixe). Et cela se passait sur route, en circulation normale ...
A chacun de méditer .... et d'en tirer les conclusions.
@+
Robin
Serie III SWB 2.25D HT
Def 110SW 300Tdi
Rem UEC FV2381 Mk3
Rem Sankey Communication Equipt 3/4 Ton
Rem IWT LM 166G 3,5T
Def 110SW 300Tdi
Rem UEC FV2381 Mk3
Rem Sankey Communication Equipt 3/4 Ton
Rem IWT LM 166G 3,5T
- LØLØ
- Modérateur
- Messages : 6210
- Enregistré le : 30/07/2006 15:41
- Localisation : guainville (28 )
- Contact :
Re: Quel crochet pour tracter une Sankey ?
Salut, bien illustré Robin. C'est le pourquoi de la photo et la chance de mon ami Archibal3 pas conscient du problème.

La traduction très bien faite par pater:
Il y a bien écrit en gros : "Fixed eye" Puis " Prime mover pintle must be free to rotate".
Soit : "Anneau fixe" puis "pivot central d'attelage moteur doit être libre en rotation"
Ce n'est pas un mal qu'en matière de sècuritè qu'il y est des doublons...
A+


La traduction très bien faite par pater:
Il y a bien écrit en gros : "Fixed eye" Puis " Prime mover pintle must be free to rotate".
Soit : "Anneau fixe" puis "pivot central d'attelage moteur doit être libre en rotation"
Ce n'est pas un mal qu'en matière de sècuritè qu'il y est des doublons...
A+
2 solutions: la bonne et l'Anglaise
LUCAS: Il n'y a pas de contact où il le faut et il y en a un où il ne faut pas
On ne peut aller loin en amitié, si on n'est pas disposé à se pardonner les uns aux autres les petits défauts.
www.eternal-vehicles.fr
LUCAS: Il n'y a pas de contact où il le faut et il y en a un où il ne faut pas
On ne peut aller loin en amitié, si on n'est pas disposé à se pardonner les uns aux autres les petits défauts.
www.eternal-vehicles.fr
Re: Quel crochet pour tracter une Sankey ?
Bonjour,
J'ai ramené la Sankey (Narrow Track) avec ce type de crochet TP/agricole : ça va pas mal ( trés léger jeu dans l'axe ) sauf que le la fixation par 2 vis ne me plaît guére pour le futur usage voyage
à priori il existe en 4 trous ....
je trouve 2 dimensions :
et 90x50mm ....qui croire ? ( chacun ayant sa vérité...)
sachant qu'on est à 85x45mm pour du M12 sur les 4 fixations du haut sur une traverse de Def Td5...
si quelqu'un en à un pour vérification ?
Ensuite ces crochets 2 et 4 trous sont donnés pour la même traction = 3.5T
Vaut-il mieux celui fixé par 4 vis M12 ou celui par 2 vis M16 ?
L'anneau de cette Sankey MkI est toujours libre en rotation compléte ( donc pas grand intéret à prendre un Nato qui pivote , amha )
Votre avis pour ceux qui tracte ce genre de remorque depuis plus longtemps que moi !
Le truc étant que l'investissement dans ce même crochet 4 trous est aussi important qu'un Nato en trés bonne état ! ( et j'ai un 2 trous...)
Je posséde également un Dixon bate 2 trous ainsi qu'un autre TP à 4 trous mais jeux trop important et je me suis retrouvé avec un mattage des 4 têtes et de l'axe quand j'avais tracté une autre Sankey il y à quelques années...donc bof...
J'ai ramené la Sankey (Narrow Track) avec ce type de crochet TP/agricole : ça va pas mal ( trés léger jeu dans l'axe ) sauf que le la fixation par 2 vis ne me plaît guére pour le futur usage voyage
sachant qu'on est à 85x45mm pour du M12 sur les 4 fixations du haut sur une traverse de Def Td5...
si quelqu'un en à un pour vérification ?
Ensuite ces crochets 2 et 4 trous sont donnés pour la même traction = 3.5T
Vaut-il mieux celui fixé par 4 vis M12 ou celui par 2 vis M16 ?
L'anneau de cette Sankey MkI est toujours libre en rotation compléte ( donc pas grand intéret à prendre un Nato qui pivote , amha )
Votre avis pour ceux qui tracte ce genre de remorque depuis plus longtemps que moi !
Le truc étant que l'investissement dans ce même crochet 4 trous est aussi important qu'un Nato en trés bonne état ! ( et j'ai un 2 trous...)
Je posséde également un Dixon bate 2 trous ainsi qu'un autre TP à 4 trous mais jeux trop important et je me suis retrouvé avec un mattage des 4 têtes et de l'axe quand j'avais tracté une autre Sankey il y à quelques années...donc bof...
Modifié en dernier par titof26 le 01/11/2010 10:16, modifié 1 fois.
La caravane continue...http://www.titof26-landrome.fr
Re: Quel crochet pour tracter une Sankey ?
A mon avis, tu te prends la tête pour rien, ce genre de crochet peut emmener 3.5t sans soucis!
T'en sera très loin avec ta sankey!
Par contre, la possibilité de rotation de l'anneau de la sankey est obligatoire!
Par contre, la possibilité de rotation de l'anneau de la sankey est obligatoire!
Re: Quel crochet pour tracter une Sankey ?
ça m'arrive des fois....la têteFeub a écrit :A mon avis, tu te prends la tête pour rien, ce genre de crochet peut emmener 3.5t sans soucis!T'en sera très loin avec ta sankey!
oui mais :feub a écrit :Par contre, la possibilité de rotation de l'anneau de la sankey est obligatoire!
titof26 a écrit :L'anneau de cette Sankey MkI est toujours libre en rotation compléte
La caravane continue...http://www.titof26-landrome.fr
- Def e-Duck
- Habitué
- Messages : 2098
- Enregistré le : 24/03/2008 19:22
- Localisation : boulogne dieppe
Re: Quel crochet pour tracter une Sankey ?
Bonsoir à tous,
Je me pose cette question sur une éventuelle différence de montage selon que l'on prend la documentation militaire (1986) ou la documentation civile (1987).
Dans les deux cas les catalogues indiquent, en termes de pièces requises, une seule plaque de renfort (stiffener), derrière la traverse. Mais le schéma (version civile) semble montrer une deuxième plaque apposée à l'extérieur de la traverse ? Ce qui est aussi le montage, en photo, sur ce site : http://www.retroanaconda.com/landrover/ ... -recovery/
Est-ce que parce que la traverse arrière est plus faible sur les LR versions civiles ? Ou la raison est-elle autre ?
Je me pose cette question sur une éventuelle différence de montage selon que l'on prend la documentation militaire (1986) ou la documentation civile (1987).
Dans les deux cas les catalogues indiquent, en termes de pièces requises, une seule plaque de renfort (stiffener), derrière la traverse. Mais le schéma (version civile) semble montrer une deuxième plaque apposée à l'extérieur de la traverse ? Ce qui est aussi le montage, en photo, sur ce site : http://www.retroanaconda.com/landrover/ ... -recovery/
Est-ce que parce que la traverse arrière est plus faible sur les LR versions civiles ? Ou la raison est-elle autre ?
'Dire des idioties, de nos jours où tout le monde réfléchit profondément, c'est le seul moyen de prouver qu'on a une pensée libre et indépendante.' (Boris Vian)
- LØLØ
- Modérateur
- Messages : 6210
- Enregistré le : 30/07/2006 15:41
- Localisation : guainville (28 )
- Contact :
Re: Quel crochet pour tracter une Sankey ?
Salut, j'ai déjà vu ce montage a deux plaques sur des lands militaires. On peut penser que quelle que soit la traverse cela repartie la charge sur une plus grande surface. Je la conseillerais fortement a tout possesseur de def Td5 ou la traverse est devenu très mince et déformable, par rapport au modèle précédent.Def e-Duck a écrit :Bonsoir à tous,
Je me pose cette question sur une éventuelle différence de montage selon que l'on prend la documentation militaire (1986) ou la documentation civile (1987).
Dans les deux cas les catalogues indiquent, en termes de pièces requises, une seule plaque de renfort (stiffener), derrière la traverse. Mais le schéma (version civile) semble montrer une deuxième plaque apposée à l'extérieur de la traverse ? Ce qui est aussi le montage, en photo, sur ce site : http://www.retroanaconda.com/landrover/ ... -recovery/
Est-ce que parce que la traverse arrière est plus faible sur les LR versions civiles ? Ou la raison est-elle autre ?
Lorsque j'ai changé la traverse sur le 110 par une adaptable, j'ai préféré mettre une plaque de renfort pour une raison de minceur apparente de la traverse arrière. Je n'en ai pas mis sur la traverse du 300, mais je pense le faire vu le poids déraisonnable que l'on arrive a atteindre dans nos remorques. Sur un chemin un peu défoncé, chargé avec un plein de cailloux, de terre ou autre, les contraintes sur la traverse doivent être énormes.
A+
2 solutions: la bonne et l'Anglaise
LUCAS: Il n'y a pas de contact où il le faut et il y en a un où il ne faut pas
On ne peut aller loin en amitié, si on n'est pas disposé à se pardonner les uns aux autres les petits défauts.
www.eternal-vehicles.fr
LUCAS: Il n'y a pas de contact où il le faut et il y en a un où il ne faut pas
On ne peut aller loin en amitié, si on n'est pas disposé à se pardonner les uns aux autres les petits défauts.
www.eternal-vehicles.fr
Re: Quel crochet pour tracter une Sankey ?
Bonjour
Pour l'histoire des renforts ( si je me base à la date de ton documents ) et si je compare la traverse entre mon Td5 et mon Atmo...la conception de fixation d'un crochet n'est pas la même :
- sur le Td5 on peut toujours rajouter cette plaque à l'extérieur ( donc entre crochet et traverse ) mais pas de l'autre côté = les vis se fixant par des "écrous" intégrés à celle-ci !
- sur mon atmo la traverse est comme ton documents : une double cloison et une fixation par écrous rapportés
Sinon oui comme tu le dit LOLO , j'ai justement lors du dernier RL un peu "vrillé" ma traverse au niveau des 2 fixations avec le crochet 3.5T dont je me sert pour la Sankey...un angle de fuite un peu trop appuyé
celui-ci s'est un peu imprimé dans la traverse ( trés léger mais prouve bien que cette plaque peut avoir une réel utilité )
Pour l'histoire des renforts ( si je me base à la date de ton documents ) et si je compare la traverse entre mon Td5 et mon Atmo...la conception de fixation d'un crochet n'est pas la même :
- sur le Td5 on peut toujours rajouter cette plaque à l'extérieur ( donc entre crochet et traverse ) mais pas de l'autre côté = les vis se fixant par des "écrous" intégrés à celle-ci !
- sur mon atmo la traverse est comme ton documents : une double cloison et une fixation par écrous rapportés
Sinon oui comme tu le dit LOLO , j'ai justement lors du dernier RL un peu "vrillé" ma traverse au niveau des 2 fixations avec le crochet 3.5T dont je me sert pour la Sankey...un angle de fuite un peu trop appuyé
La caravane continue...http://www.titof26-landrome.fr
- Def e-Duck
- Habitué
- Messages : 2098
- Enregistré le : 24/03/2008 19:22
- Localisation : boulogne dieppe
Re: Quel crochet pour tracter une Sankey ?
Du coup j'ai regardé comment c'était monté sur les Lightweight, dont la traverse elle aussi était "légère". Il y avait deux types de plaques de renfort externes, l'une carrée, l'autre avec une découpe en "U" : Si j'ai compris, on utilisait la plaque avec une découpe en "U" lorsqu'il y avait déjà une patte plate soudée sur l'arrière de la traverse. Pour reprendre l'exemple de ta photo, j'imagine que c'est la plaque en "U" qui aurait peut-être mieux convenu et non la plaque carrée ?LØLØ a écrit :Salut, j'ai déjà vu ce montage a deux plaques sur des lands militaires.
'Dire des idioties, de nos jours où tout le monde réfléchit profondément, c'est le seul moyen de prouver qu'on a une pensée libre et indépendante.' (Boris Vian)
- Def e-Duck
- Habitué
- Messages : 2098
- Enregistré le : 24/03/2008 19:22
- Localisation : boulogne dieppe
Re: Quel crochet pour tracter une Sankey ?
Est-ce qu'il n'y a pas un kit spécifique de renforcement ?titof26 a écrit : Sur le Td5 on peut toujours rajouter cette plaque à l'extérieur ( donc entre crochet et traverse ) mais pas de l'autre côté = les vis se fixant par des "écrous" intégrés à celle-ci !
http://www.lrseries.com/shop/product/li ... ml?limit=0
'Dire des idioties, de nos jours où tout le monde réfléchit profondément, c'est le seul moyen de prouver qu'on a une pensée libre et indépendante.' (Boris Vian)
Re: Quel crochet pour tracter une Sankey ?
Bonsoir,
C'est exact, il existe des contre-plaques qui se montent à l'intérieur de la traverse et aussi plusieurs références.
Sinon, il peut arriver la même mésaventure:
et réparation de "fortune":
avec les moyens du bord:
Il faudrait connaître le modèle de Def pour donner la référence de la platine et de la contre-plaque.
@+
Robin
C'est exact, il existe des contre-plaques qui se montent à l'intérieur de la traverse et aussi plusieurs références.
Sinon, il peut arriver la même mésaventure:
et réparation de "fortune":
avec les moyens du bord:
Il faudrait connaître le modèle de Def pour donner la référence de la platine et de la contre-plaque.
@+
Robin
Serie III SWB 2.25D HT
Def 110SW 300Tdi
Rem UEC FV2381 Mk3
Rem Sankey Communication Equipt 3/4 Ton
Rem IWT LM 166G 3,5T
Def 110SW 300Tdi
Rem UEC FV2381 Mk3
Rem Sankey Communication Equipt 3/4 Ton
Rem IWT LM 166G 3,5T
Re: Quel crochet pour tracter une Sankey ?
Def e-duck , le kit que tu montre ressemble comme 2 gouttes d'eau à l'attelage du Td5 mais sans les bras de reprise sur les longerons...on le voit bien sur la photo de Robin76 ( amha un kit pour descendre le crocher...valable uniquement en UK...)
aprés sur les photos de Robin76...c'est surtout pour éviter ce genre de mésaventure que je posais la question de savoir s'il valait mieux un crochet 2 tous sur les vis M16...ou sur les 4 en M12...bon pour M12 j'ai ma réponse
) même si je ne suis pas rassurer sur les M16...en voyage sur piste ça remue pas mal quand même et la fatigue de l'acier 
aprés sur les photos de Robin76...c'est surtout pour éviter ce genre de mésaventure que je posais la question de savoir s'il valait mieux un crochet 2 tous sur les vis M16...ou sur les 4 en M12...bon pour M12 j'ai ma réponse
La caravane continue...http://www.titof26-landrome.fr
- LØLØ
- Modérateur
- Messages : 6210
- Enregistré le : 30/07/2006 15:41
- Localisation : guainville (28 )
- Contact :
Re: Quel crochet pour tracter une Sankey ?
SalutDef e-Duck a écrit :LØLØ a écrit : Si j'ai compris, on utilisait la plaque avec une découpe en "U" lorsqu'il y avait déjà une patte plate soudée sur l'arrière de la traverse. Pour reprendre l'exemple de ta photo, j'imagine que c'est la plaque en "U" qui aurait peut-être mieux convenu et non la plaque carrée ?
Il existe une autre plaque spécifique, je ne l'ai pas retrouvé dans mon bordel, si je tombe dessus, je mettrais la photo. C'est une plaque normale, sauf qu'il y a 4 rondelles de 10mm environ soudées à chaque trous.
A+
2 solutions: la bonne et l'Anglaise
LUCAS: Il n'y a pas de contact où il le faut et il y en a un où il ne faut pas
On ne peut aller loin en amitié, si on n'est pas disposé à se pardonner les uns aux autres les petits défauts.
www.eternal-vehicles.fr
LUCAS: Il n'y a pas de contact où il le faut et il y en a un où il ne faut pas
On ne peut aller loin en amitié, si on n'est pas disposé à se pardonner les uns aux autres les petits défauts.
www.eternal-vehicles.fr
Re: Quel crochet pour tracter une Sankey ?
Bonsoir,
Je pense que tu fais allusion à cette plaque qui, si mes souvenirs sont exacts, était dédiée aux Series.
@+
Robin
Je pense que tu fais allusion à cette plaque qui, si mes souvenirs sont exacts, était dédiée aux Series.
@+
Robin
Serie III SWB 2.25D HT
Def 110SW 300Tdi
Rem UEC FV2381 Mk3
Rem Sankey Communication Equipt 3/4 Ton
Rem IWT LM 166G 3,5T
Def 110SW 300Tdi
Rem UEC FV2381 Mk3
Rem Sankey Communication Equipt 3/4 Ton
Rem IWT LM 166G 3,5T
- Def e-Duck
- Habitué
- Messages : 2098
- Enregistré le : 24/03/2008 19:22
- Localisation : boulogne dieppe
Re: Quel crochet pour tracter une Sankey ?
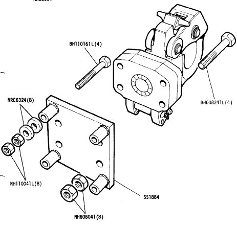
Bonsoir Robin, en fait il y a eu deux références selon les Series A droite, effectivement la 551884 que montrent tes photos. Tiens, un smiley pour HalloweenRobin 76 a écrit :Bonsoir, Je pense que tu fais allusion à cette plaque qui, si mes souvenirs sont exacts, était dédiée aux Series.
'Dire des idioties, de nos jours où tout le monde réfléchit profondément, c'est le seul moyen de prouver qu'on a une pensée libre et indépendante.' (Boris Vian)
Re: Quel crochet pour tracter une Sankey ?
oui car les chassis mili (traverse droite) ont les trous à l'entraxe du Nato, alors que les traverses civiles ont les trous en carré permettant de monter un attelage surbaissé. Pour monter un Nato sur une série civile, il faut la tole avec les 4 pieds, qui permettent le dépassement des écrous, derrière cette tole.Def e-Duck a écrit : il y a eu deux références selon les Series
Edit: en re-regardant les éclatés de Def-et-Duck, il semblerait que les deux modêles de toles représentées soient pour les séries civiles, mais dans un cas la tête de vis se trouve derrière la trole, dans l'autre (crochet rotatif) c'est l'écrou qui s'y trouve, d'ou les pieds plus longs.
This manual should be used to find out where the water is leaking from. Due to the nature of the design and construction of the Defender this can prove to fairly difficult. The fact that water moves in seemingly random directions also adds to the problem
Re: Quel crochet pour tracter une Sankey ?
Bonjour Def e-Duck,
Tu as raison mais je n'avais pas mis la 1ère génération car on partait sur l'ancienne normalisation et les anciennes dimensions d'anneaux militaires.
Je voulais rester plus centré sur le sujet.
Je pense que le point de départ du changement a été initié par le changement dans le Stanag.
@+
Robin
Tu as raison mais je n'avais pas mis la 1ère génération car on partait sur l'ancienne normalisation et les anciennes dimensions d'anneaux militaires.
Je voulais rester plus centré sur le sujet.
Je pense que le point de départ du changement a été initié par le changement dans le Stanag.
@+
Robin
Serie III SWB 2.25D HT
Def 110SW 300Tdi
Rem UEC FV2381 Mk3
Rem Sankey Communication Equipt 3/4 Ton
Rem IWT LM 166G 3,5T
Def 110SW 300Tdi
Rem UEC FV2381 Mk3
Rem Sankey Communication Equipt 3/4 Ton
Rem IWT LM 166G 3,5T