PB avec mon RRC V8 et GPL
Règles du forum
En naviguant sur le site http://www.landroverfaq.com vous reconnaissez avoir lu ses Conditions d’Utilisation, vous déclarez les comprendre et vous acceptez d’y être lié de manière inconditionnelle. Si tel n'est pas le cas, merci de quitter immédiatement ce site.
Vous pouvez joindre autant d'images que nécessaire à vos messages A LA CONDITION EXPRESSE d'utiliser l'hébergement fourni par le site.
L'administrateur effacera systématiquement tout message contenant des photos hébergées chez Imageschack, Casimage, Wistiti ou tout autre hébergeur tiers sans sommation ni justification.
En naviguant sur le site http://www.landroverfaq.com vous reconnaissez avoir lu ses Conditions d’Utilisation, vous déclarez les comprendre et vous acceptez d’y être lié de manière inconditionnelle. Si tel n'est pas le cas, merci de quitter immédiatement ce site.
Vous pouvez joindre autant d'images que nécessaire à vos messages A LA CONDITION EXPRESSE d'utiliser l'hébergement fourni par le site.
L'administrateur effacera systématiquement tout message contenant des photos hébergées chez Imageschack, Casimage, Wistiti ou tout autre hébergeur tiers sans sommation ni justification.
Re: PB avec mon RRC V8 et GPL
bonsoir à tous
De quelle manière tester le régulateur de pression d'essence? J'ai testé ce jour moteur en route et en débranchant le tuyeau de dépression venant du plénum sans succès car aucun changement constaté. Est-ce normal ou pas? Sinon, de quelle manière procéder?
Merci de votre aide !
De quelle manière tester le régulateur de pression d'essence? J'ai testé ce jour moteur en route et en débranchant le tuyeau de dépression venant du plénum sans succès car aucun changement constaté. Est-ce normal ou pas? Sinon, de quelle manière procéder?
Merci de votre aide !
Re: PB avec mon RRC V8 et GPL
Bonsoir et bonne année à tous,
Bon je reviens sur mon pb. J'ai depuis changé la pompe et hélas aucun changement !!!
J'ai relu le Post nottament sur la partie depression du réservoir et sur les mises à l'air libre. Impossible de les trouver et le bouchon ne fait pas "pschitt" lorsque je l'ouvre. Conclusion : réservoir pas en depression. Ai-je bon?
Est ce que l'inverseur GPL pourrait être une cause potentielle de la panne?
merci votre aide !!
Bon je reviens sur mon pb. J'ai depuis changé la pompe et hélas aucun changement !!!
J'ai relu le Post nottament sur la partie depression du réservoir et sur les mises à l'air libre. Impossible de les trouver et le bouchon ne fait pas "pschitt" lorsque je l'ouvre. Conclusion : réservoir pas en depression. Ai-je bon?
Est ce que l'inverseur GPL pourrait être une cause potentielle de la panne?
merci votre aide !!
- LØLØ
- Modérateur
- Messages : 6209
- Enregistré le : 30/07/2006 15:41
- Localisation : guainville (28 )
- Contact :
Re: PB avec mon RRC V8 et GPL
Salut, a tout hasard, tu peux mettre une bonne masse entre le bloc moteur et l'allumeur à l'aide d'un simple fil qui relirait les deux en le coinçant sous des têtes de vis. mais également contrôle les connexions de masse entre châssis bloc moteur et châssis et caisse. Ce qui me fais dire ça, c'est:
A+
Il y a des pertes électrique, souvent dût a des connexions ou raccords de masse qui s'oxydent ou défectueux. Je crois que le GPL a besoin d'une moins bonne qualité d'étincelles que l'essence, une piste à explorer.maned2 a écrit :si je garde le démarreur lancé après que le moteur ai démarré, le ralenti cafouille et reste très très bas.
Si je lance le démarreur d'un coup bref, je n'ai pas ce pb.
A+
2 solutions: la bonne et l'Anglaise
LUCAS: Il n'y a pas de contact où il le faut et il y en a un où il ne faut pas
On ne peut aller loin en amitié, si on n'est pas disposé à se pardonner les uns aux autres les petits défauts.
www.eternal-vehicles.fr
LUCAS: Il n'y a pas de contact où il le faut et il y en a un où il ne faut pas
On ne peut aller loin en amitié, si on n'est pas disposé à se pardonner les uns aux autres les petits défauts.
www.eternal-vehicles.fr
Re: PB avec mon RRC V8 et GPL
Bonjour à tous,
A LØLØ, penses tu dès lors qu'une faiblesse de la bobine pourraît être une piste?
A LØLØ, penses tu dès lors qu'une faiblesse de la bobine pourraît être une piste?
Re: PB avec mon RRC V8 et GPL
Bonjour à tous,
Bon j'ai testé la prise de l'ECU avec le multimètre en suivant le manuel d'atelier du RRC.
Test des injecteurs Valeur nominale 4-4.5 Ohms, si Valeur =5-6 Ohms 1 injecteur suspect, 8-9 Ohms 2 injecteurs suspects 16-17 ohms 3 injecteurs suspects
Résultats :
Gauches : ohmmètre entre plots 2 et 13 : valeur obtenue 925 sur l'échelle 2000 Ohms.
Droits : ohmmètre entre plots 2 et 11 : valeur obtenue 10.1 sur l'échelle 200 Ohms et valeur obtenue 0.02 sur l'échelle 20 Kohms!!!
Je ne comprends plus rien !!!
OUUPS dernière chose que j'ai omis de préciser : depuis peu, dès contact mis, j'ai le voyant orange avec le ! qui s'allume très brièvement puis s'éteint. Un rapport avec la panne? Sinon pb avec le capteur PMH (s'il existe??)?
Bon j'ai testé la prise de l'ECU avec le multimètre en suivant le manuel d'atelier du RRC.
Test des injecteurs Valeur nominale 4-4.5 Ohms, si Valeur =5-6 Ohms 1 injecteur suspect, 8-9 Ohms 2 injecteurs suspects 16-17 ohms 3 injecteurs suspects
Résultats :
Gauches : ohmmètre entre plots 2 et 13 : valeur obtenue 925 sur l'échelle 2000 Ohms.
Droits : ohmmètre entre plots 2 et 11 : valeur obtenue 10.1 sur l'échelle 200 Ohms et valeur obtenue 0.02 sur l'échelle 20 Kohms!!!
Je ne comprends plus rien !!!
OUUPS dernière chose que j'ai omis de préciser : depuis peu, dès contact mis, j'ai le voyant orange avec le ! qui s'allume très brièvement puis s'éteint. Un rapport avec la panne? Sinon pb avec le capteur PMH (s'il existe??)?
Re: PB avec mon RRC V8 et GPL
grandgibe a écrit :Salut
J'avais sur mon 38 4.6 le système LOVATO.
Seul problème rencontré, la pompe à essence remplacée 3 foiset que par de l'origine LR.
Peut être un problème connu.
A ++
Gibe
tres en retard
sur ma 406 au début j'ai claquer un pompe a essence, le pro du GPL m'a dis que c'était a cause du fait que je roulais trop souvent avec le réservoir essence presque vide. depuis je le garde toujours a moitie plein
Re: PB avec mon RRC V8 et GPL
Bonsoir à tous,
Là cela se corse ! j'ai voulu tester mon relais 5 voies. J'ai mis en place un relais similaire, je suis passé au GPL puis le Range est repassé à l'essence. Depuis, nada impossible de basculer au GPL. Mon basculeur Landi ne clignote plus pour indiquer le GPL.
Les électrovannes ne s'ouvrent pas. Il y a un autre relais à côte à 5 voies de celui testé mais je ne connais pas sa fonction ! Pensez vous qu'il se soit mis en défaut? Y a-til un fusibe quelque part à vérifier?
Merci votre aide !
Là cela se corse ! j'ai voulu tester mon relais 5 voies. J'ai mis en place un relais similaire, je suis passé au GPL puis le Range est repassé à l'essence. Depuis, nada impossible de basculer au GPL. Mon basculeur Landi ne clignote plus pour indiquer le GPL.
Les électrovannes ne s'ouvrent pas. Il y a un autre relais à côte à 5 voies de celui testé mais je ne connais pas sa fonction ! Pensez vous qu'il se soit mis en défaut? Y a-til un fusibe quelque part à vérifier?
Merci votre aide !
Re: PB avec mon RRC V8 et GPL
Bonjour à tous,
La situation est revenue à une cretaine "normalité" car j'ai trouvé une aide depuis sur un site d'installation GPL pour RRC comme le mien. Il y un fusible de 7.5A max mis après le pôle positif de la bobine. J'ai vérifié le mien ce matin et bingo, il était HS. Par contre c'était un 5 A. Je le changerai demain par un 7.5 A. Du coup GPL en fonction.
En lisant la doc, je me suis aperçu qu'il y a un relais 5 voies (30-85-86-87A) par côté d'injecteurs soit 2 relais pour 4 injecteurs. Mes relais ne sont pas identiques et pourraient être une cause de non fonctionnement? C'est peut être pour cela que ma mesure de résistance depsui la broche de l'ECU me donne des valeurs de panne? Question : sont-ce des relais communs 5 voies ou bien sont-ils spécifiques?
Qu'en pensez vous?
La situation est revenue à une cretaine "normalité" car j'ai trouvé une aide depuis sur un site d'installation GPL pour RRC comme le mien. Il y un fusible de 7.5A max mis après le pôle positif de la bobine. J'ai vérifié le mien ce matin et bingo, il était HS. Par contre c'était un 5 A. Je le changerai demain par un 7.5 A. Du coup GPL en fonction.
En lisant la doc, je me suis aperçu qu'il y a un relais 5 voies (30-85-86-87A) par côté d'injecteurs soit 2 relais pour 4 injecteurs. Mes relais ne sont pas identiques et pourraient être une cause de non fonctionnement? C'est peut être pour cela que ma mesure de résistance depsui la broche de l'ECU me donne des valeurs de panne? Question : sont-ce des relais communs 5 voies ou bien sont-ils spécifiques?
Qu'en pensez vous?
Re: PB avec mon RRC V8 et GPL
Salut,
J'y connais rien en GPL, donc je pourrais pas t'aider de ce coté la, par contre a mon avis tu te trompes en parlant de relai '5 voies' !
Tu as un relai simple, soit 2 fils pour commander la bobine, et 2 fils qui coupent un circuit au repos, ou un relai inverseur, toujours 2 fils pour la commande et 3 fils: un commun, un contact normalement coupé (quand la bobine n'est pas excitée) et un contact normalement connecté, qui est déconnecté quand tu alimente ta bobine...
Ca c'est les 2 modèles courants, il existe d'autres modèles!
En fait tu as (quasi...) toujours 2 fils pour commander la bobine, et après c'est comme un interrupteur, donc tu ne comptes pas les fils de la bobine.
Par contre, je trouves hallucinant de mettre 2 relais pour couper l'injection, alors qu'il y a d'origine un relai pour couper l'injection en décélération, qui coupe simplement le fil qui va de la bobine a l'ECU... Mais bon, y'a peut être une subtilité qui m'échappe, ne connaissant pas bien le GPL...
J'y connais rien en GPL, donc je pourrais pas t'aider de ce coté la, par contre a mon avis tu te trompes en parlant de relai '5 voies' !
Tu as un relai simple, soit 2 fils pour commander la bobine, et 2 fils qui coupent un circuit au repos, ou un relai inverseur, toujours 2 fils pour la commande et 3 fils: un commun, un contact normalement coupé (quand la bobine n'est pas excitée) et un contact normalement connecté, qui est déconnecté quand tu alimente ta bobine...
Ca c'est les 2 modèles courants, il existe d'autres modèles!
En fait tu as (quasi...) toujours 2 fils pour commander la bobine, et après c'est comme un interrupteur, donc tu ne comptes pas les fils de la bobine.
Par contre, je trouves hallucinant de mettre 2 relais pour couper l'injection, alors qu'il y a d'origine un relai pour couper l'injection en décélération, qui coupe simplement le fil qui va de la bobine a l'ECU... Mais bon, y'a peut être une subtilité qui m'échappe, ne connaissant pas bien le GPL...
Re: PB avec mon RRC V8 et GPL
Bonsoir Feub,
Merci pour l'explication des relais.
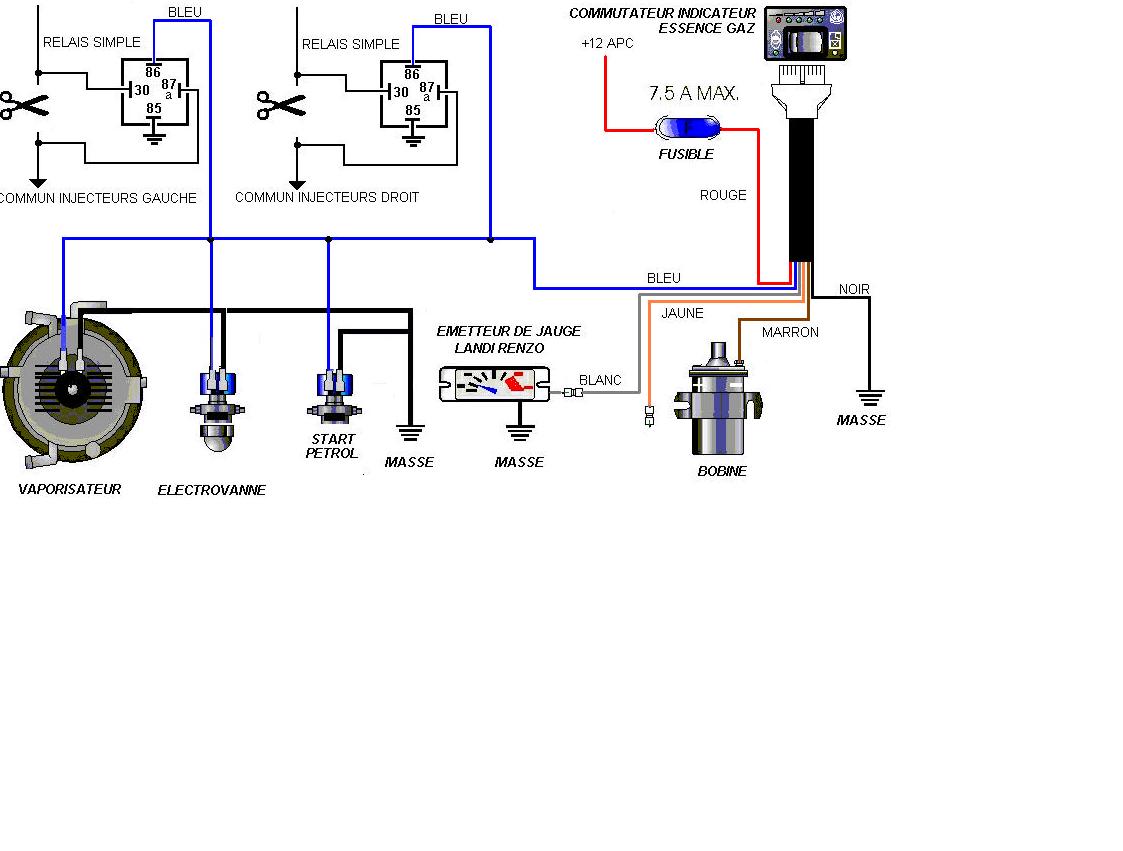
En fait, j'ai bien 2 relais monté à côté des électrovannes. J'ai lu sur une notice de montage GPL pour 3.9 non catalysé, que la rampe gauche des injecteurs est commandée par un relais de m^me que la droite (remarque cela correspond à la RTA qui indique de mesurer la résistance depuis la prise de l'ECU entre le plot n°2 et le plot 11 pour la rampe droite et le plot 13 pour la rampe gauche). Je joins copie du montage en PJ.
par contre, où est le relais dont tu parles?
Merci pour l'explication des relais.
En fait, j'ai bien 2 relais monté à côté des électrovannes. J'ai lu sur une notice de montage GPL pour 3.9 non catalysé, que la rampe gauche des injecteurs est commandée par un relais de m^me que la droite (remarque cela correspond à la RTA qui indique de mesurer la résistance depuis la prise de l'ECU entre le plot n°2 et le plot 11 pour la rampe droite et le plot 13 pour la rampe gauche). Je joins copie du montage en PJ.
par contre, où est le relais dont tu parles?
Re: PB avec mon RRC V8 et GPL
Salut,
Il s'agit de relai très basique, tu peux en trouver un peu partout...
Pour le relai dont je parlais, c'est sur les 3.5i, je sais pas si les 3.9i l'ont encore...
Il s'agit de relai très basique, tu peux en trouver un peu partout...
Pour le relai dont je parlais, c'est sur les 3.5i, je sais pas si les 3.9i l'ont encore...
Re: PB avec mon RRC V8 et GPL
Merci Feub,
Je vais chez N.....o ce midi chercher 2 relais 5 broches.
Pour le relais dont tu parles, non je n'ai rien vu sur mon 3.9.
Je tiens le forum au courant (si je puis dire) pour l'avancée dans la recherche de la panne.
Je vais chez N.....o ce midi chercher 2 relais 5 broches.
Pour le relais dont tu parles, non je n'ai rien vu sur mon 3.9.
Je tiens le forum au courant (si je puis dire) pour l'avancée dans la recherche de la panne.
Re: PB avec mon RRC V8 et GPL
Sur ton schéma ce sont des relais 4 broches.... note qu'un 5 broche fera l'affaire, juste une broche qui ne servira pas, par contre faudra pas se tromper en branchant!
Re: PB avec mon RRC V8 et GPL
Ah çà, ça m'interesse car j'ai 2 relais "neuf" achetés chez LR pour remplacer ceux de l'ABS de mon ancien RRC VM! S'ils sont compatibles, pas besoin d'aller acheter 2 relais 5 broches alors !!!!. De mémoire il n'y a que la broche 87 et les actuels sont reliés par la broche 87a. Important??
Re: PB avec mon RRC V8 et GPL
Oui, lis ceci: http://www.landroverfaq.com/viewtopic.php?f=21&t=1906
Si ton montage actuel utilise la broche 87a, c'est que le schéma que tu as mis plus haut ne correspond pas a ton montage.
Si ton montage actuel utilise la broche 87a, c'est que le schéma que tu as mis plus haut ne correspond pas a ton montage.
Re: PB avec mon RRC V8 et GPL
Merci Feub pour cette explication claire sur le fonctionnement des relais.
Je te confirme que ce sont bien les plots 87a qui sont connectés (cf agrabdissement du schéma). Donc je dois tester avec des relais 5 plots en respectant le branchement, relais que j'irais acheter demain.
Je vous tiens au courant de la suite dès montage et tests !
Je te confirme que ce sont bien les plots 87a qui sont connectés (cf agrabdissement du schéma). Donc je dois tester avec des relais 5 plots en respectant le branchement, relais que j'irais acheter demain.
Je vous tiens au courant de la suite dès montage et tests !
Re: PB avec mon RRC V8 et GPL
Bonjour à tous,
j'ai changé les 2 relais, bilan : aucune avancée!!!!
retour à la case départ.
Je ne sais plus quoi avancer comme hypothèse de recherche.
Si vous connaissez un bon intervenant dans le 06, je suis preneur!
bonne journée
j'ai changé les 2 relais, bilan : aucune avancée!!!!
retour à la case départ.
Je ne sais plus quoi avancer comme hypothèse de recherche.
Si vous connaissez un bon intervenant dans le 06, je suis preneur!
bonne journée