FAQ sur les graisses

Toutes ces choses qu'on ne doit pas négliger pour préserver notre monture

Modérateurs : The Pater, LØLØ

Règles du forum
En naviguant sur le site http://www.landroverfaq.com vous reconnaissez avoir lu ses Conditions d’Utilisation, vous déclarez les comprendre et vous acceptez d’y être lié de manière inconditionnelle. Si tel n'est pas le cas, merci de quitter immédiatement ce site.

Vous pouvez joindre autant d'images que nécessaire à vos messages A LA CONDITION EXPRESSE d'utiliser l'hébergement fourni par le site.

L'administrateur effacera systématiquement tout message contenant des photos hébergées chez Imageschack, Casimage, Wistiti ou tout autre hébergeur tiers sans sommation ni justification.
Avatar du membre
The Pater
Modérateur
Messages : 13981
Enregistré le : 25/08/2004 8:19
Localisation : 06°27'46"E 45°50'29"N

FAQ sur les graisses

Message non lu par The Pater »

Juste un petit écrit sur comment choisir la bonne graisse.

Laquelle (ou lesquelles de ces graisses), juste un échantillon de la gamme complète, convient pour une Série II ou un Def 300 Tdi ? Cela sera pour les roulements de roues, les rotules, les arbres de transmission, les charnières etc.....
_PGA2108.JPG
Réponse possible : "la moins cher" :lol:

En effet, ici, la moins cher est une graisse qui correspond aux préconisations de Land Rover (graisse au Lithium de consistance NLGI 2) et qui pourra satisfaire bon nombre.

Autre réponse possible : "n'importe laquelle".

Mouais, bof bof comme réponse, mais pourquoi pas (parmi les graisses sur la photo) pour un véhicule d'une ferme tractant la citerne d'eau pour les vaches (une tonne...les péquenots comprendront :sm11: ), ne dépassant pas les 25 km/h dans les chemins et dans les champs, sans s'éloigner de plus de 10 km..... pourquoi pas.

En fait, chaque graisse convient plus pour une application qu'une autre. Choisir la graisse la plus adéquate permettra d'obtenir une bien plus longue durée de service de l'élément à lubrifier. Il y en a qui supportent bien mieux la chaleur (au-delà de 110-120°C) que d'autres (pensez aux freins qui chauffent par exemple, ce qui fait chauffer le moyeux de roue). Il y en a qui ont des très bonne propriétés anti corrosion et de tenue à l'eau (ceux qui vont dans les gués). Il y a certaines qui conviennent mieux aux rotules que d'autres, en faisant le bon choix, l'usure peut être diminuée par 100....... etc... etc....

Il y a certains cas où le mauvais choix d'une graisse amènera une avarie plus ou moins rapide après seulement quelques milliers de km.


Alors, comment choisir la bonne graisse pour son véhicule ?

Je vais essayer de vous aider à choisir la bonne graisse tout en restant simple. Le plus dur sera souvent de trouver les caractéristiques des graisses. Il n’y a pas besoin de tout savoir sur les graisses, juste quelques bases.

Pour ceux qui ne veulent pas lire et veulent une réponse simple et rapide, voir le chapitre 5.5.
Pour les autres..... allons y.

Sur nos véhicules, de nombreux roulements ou paliers sont graissés à vie, nous ne parleront donc pas de ceux-ci. Quand la graisse arrive en fin de vie et que l’élément mécanique péri par mauvaise lubrification, on n’a pas d’autre choix que de changer l’élément en entier. Vouloir retirer le joint pour ajouter ou changer la graisse revient souvent à avoir par la suite une mauvaise étanchéité et une durée de service réduite de l’élément.

Nous nous focaliseront donc sur les graisses pour roulements de roue, pour arbre de transmissions, joint homocinétiques, pivot de direction et les rotules qui sont re-graissable ou qu’il faut graisser au montage. Cela ne concerne pas tous les véhicules Land Rover.

Mais d’abord il faut comprendre ce qu’est une graisse et comment cela lubrifie

1) Qu’est-ce qu’une graisse ?

Une huile lubrifiante, c’est une huile de base avec des additifs pouvant aller jusqu’à 30% de la composition.

Une graisse, c’est comme une huile lubrifiante dans laquelle a été dispersé un épaississant. Une graisse est donc composée :
a) huile de base : minérale et/ou synthétique, c’est la phase liquide qui représente de 70 à 95% de la composition
b) un épaississant : à base de savon métallique ou sans savon, agissant comme une éponge retenant l’huile, c’est la phase solide pouvant aller jusqu’à 30% de la composition
c) des additifs pouvant aller jusqu’à 10% de la composition. Les additifs sont soit solides, soit solubles dans l’huile.

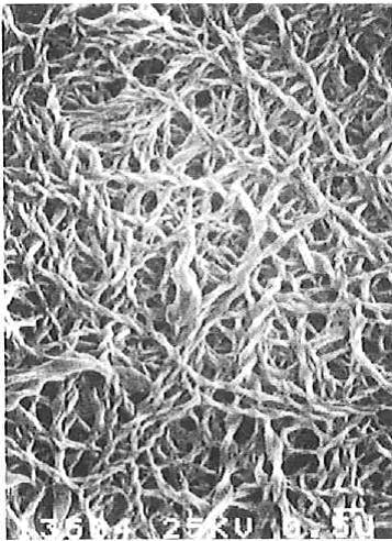
Si on prend un microscope, une graisse ressemble à cela :

A gauche une graisse avec épaississant savon de lithium et à droite une graisse dont l’épaississant est de l’argile :
Epaissisant01.jpg
Si on retire l’huile d’une graisse au lithium on se retrouve avec ceci :
Epaissisant02.jpg
Les fibres ont une longueur typique de 1 micron à 1 mm et un diamètre de 0.03 microns
En fait, l’épaississant est comme un réseau tridimensionnelle relativement stable où l’huile est attirée par capillarité (comme dans le faisceau électrique du Td5) et des forces de Van Der Waals (à vos souhaits et ne me posez pas de questions là-dessus). Avec le temps et suivant la température l’huile ressue. Sauf pour quelques types de graisses.

Il existe trois grands types d’épaississants :
a) les épaississants à base de savon métallique qui sont essentiellement obtenus par neutralisation d’un acide gras ou par saponification de corps gras par une base : acide gras + base -> savon + eau. Cette famille comprend par exemple les savons de lithium, de calcium, de sodium et d’aluminium.
b) les épaississants à base de savons métalliques complexes formé à partir de deux ou plusieurs acides, par exemple le lithium complexe.
c) les épaississants sans savon tels que l’argile, les polymers, les PTFE et les polyurées.

En ce qui nous concerne, on oublie les graisses sans savon, même les polyurées que l’on peut trouver sur certains petits roulements à billes dans les voitures modernes (roulements d’alternateurs par exemple). Les graisses à base de polyurées sont des graisses qui sont assez dure mais qui se comporte comme de l’huile dès qu’elles sont soumises à un cisaillement, la partie de la graisse qui est au bord des chemins de roulement, ou sur les barrettes des cages et qui n’est pas cisaillée ne ressue pratiquement pas d’huile. Ceci est un problème pour les roulements à rouleaux car les rouleaux ont plus besoin d’huile ressuée pour remplacer l’huile consommée dans la surface de contact.
Il y a certes des graisses polyurées qui conviennent aussi pour les roulements à rouleaux, mais comme en régle générale elle donnent de moins bon résultats, on les réservera pour les roulements à billes.

Pour la fabrication, en général, le savon est préparé, puis mélangé à l’huile. Ensuite le tout est transféré dans un malaxeur. Là, la graisse sera déshydratée ; en effet, lors de la réaction de saponification, il y a formation d’eau qu’il faut éliminer. C’est dans le malaxeur qu’on rajoute de l’huile pour obtenir la consistance (fluide, molle, dure) souhaitée, et les additifs. Puis la graisse est passée dans un homogénéiseur qui assure une bonne dispersion du savon dans l’huile et des additifs dans la graisse.


2) Un petit historique

Un petit historique pour comprendre que les graisses tels que nous les connaissons aujourd’hui, et bien, c’est assez récent.

Le mot "graisse" vient du mot Latin "crassus", en fait graisse dans le sens de la graisse animale. Dans l'antiquité la graisse de mouton ou de boeuf, voir de porc était utilisée pour les paliers lisses des moyeux des chariots. Les premières véritables graisses (épaississant+ huile) sont apparue durant l'antiquité autour de la Méditerranée : mélange d'argile et d'huile d'olive. Ces types de graisses ont été utilisée jusqu'au milieu du 19ième siècle.
Avec l'industrialisation de l'exploitation du pétrole (Drake 1859), la majorité des lubrifiants allaient être à base de pétrole (huile minérale). Les premières graisses de l'ère industrielle étaient à base d'argile ou de calcium, avec de l'huile minérale. On ne les utilisent quasiment plus pour la lubrification des roulements, mais peuvent être utilisées dans certains applications si les températures sont basses. Plus tard les graisses à base d'aluminium ou de sodium furent développées, elles résistaient à des températures plus élevées.
Ce n'est qu'en 1940 que les graisses au lithium et les graisses complexes calcium virent le jour. Aujourd'hui la majorité des graisses sont des graisses au lithium. En 1962 les graisses complexes lithium virent le jour, et les polyurées que durant des années 80s.
En fait les graisses modernes ne datent que après la dernière guerre mondiale. Ensuite l'évolution des additifs a permis l'augmentation des performances des graisses.
Les différences en performances entre les graisses d'aujourd'hui et celles d'avant guerre sont énormes et cela explique pourquoi on peut graisser à vie des éléments qui feront la vie du véhicule moderne (10 ans ? 200 000 km ?) alors qu'auparavant il fallait regraisser tous les 2000 ou 5000 km.

3) Comment la graisse lubrifie

Cas des roulements :
Le principale élément servant à la lubrification et donc qui créée le film lubrifiant entre les surfaces en contact est l’huile de base de la graisse. Cette huile provient soit du mélange épaississant/huile (la graisse) qui se fait écraser/laminer dans la surface de contact, soit du ressuage de l’huile provenant du mélange (la graisse) à proximité immédiate de la surface à lubrifier, soit des deux. Un roulement nouvellement graissé est principalement lubrifié par la graisse poussée dans le chemin de roulement. Après un certain temps, la graisse dans le chemin de roulement est soit poussée soit « consommée » et le roulement est principalement lubrifié par le ressuage de l’huile de la graisse présente sur la cage et le bord de chemin de roulements sur les bagues. Je vous fais grâce des théories et résultats d’études sur la lubrifications est les épaisseurs de film de lubrifiant, mais grosso modo, l’épaisseur d’un film lubrifiant « apparent » d’un roulement nouvellement graissé vaut 150 à 350% l’épaisseur d’un film d’huile ayant la même viscosité que l’huile de base de la graisse, et après peu de temps il ne vaut que 70%. Il ne vaut que 70% car le ressuage et/ou apport de graisse dans la surface de contact se fait bien moins bien que si c’était une lubrification à l’huile.
Il y a une grosse différence entre les roulements à billes et les roulements à rouleaux car la surface de contact des billes sur les bagues est nettement plus faible et, les billes peuvent aussi prendre du lubrifiant sur le coté et le ramener dans la zone à lubrifier. Un roulement à billes est nettement moins sensible à un manque de lubrifiant qu’un roulement à rouleaux, ce dernier étant très dépendant au ressuage de l’huile.

Un point important : même si un roulement, surtout un roulement à rouleaux, est remplis de graisse, il peut néanmoins périr par manque de lubrifiant tout simplement parce que la graisse n’arrive pas à ressuer assez d’huile.

On a là déjà un point important. Les graisses hautes températures donnant satisfactions à haute température pour les roulements, ne ressuent généralement pas assez d’huile aux températures normales. C’est une erreur fréquente que de prendre une graisse haute température pensant que « qui peut le plus peut le moins ». Il ne faut pas confondre aussi les graisses ayant une bonne tenue aux hautes températures mais ayant le ressuage adéquat aux températures normales et une graisse faite pour lubrifier aux hautes températures.

Ensuite il faut que la graisse ait une certaine consistance. Trop fluide elle s’évacue trop facilement et ne reste pas à proximité des points à lubrifier. Au revoir le réservoir d’huile.
Trop dur, elle ne ressue pas assez d’huile. Le réservoir d’huile est bien là, mais l’huile reste dans le réservoir. La consistance varie avec la température.


4) les principales caractéristiques à regarder

Il y a à peu une soixantaine de tests normalisés qui servent à connaître les caractéristiques et performances d'une graisse ! :shock:
Je ne vais pas passer en revue tous les tests car certains ne sont pas très utiles dans le choix d'une graisse pour nos véhicules. Mais ceux que j'indiquerai sont ceux que vous devez, au minimum connaître pour choisir une graisse.....selon moi. :wink:

4.a) Consistance d’un graisse : le fameux grade NLGI.

La consistance d’une graisse donne le degré de fermeté ou de dureté d’une graisse. La consistance est déterminée par un pénétromètre (les esprits salaces sont déjà tordus de rire) qui est composé d’un cône tombant dans un échantillon de graisse, le tout à 25°C.
NLGI.JPG
On laisse le cône s’enfoncer pendant 5 secondes et on note l’enfoncement en dixième de mm. Une classification créée par la NLGI ( National Lubrificating Grease Institute) donne une classification selon l’enfoncement :
Enfoncement de 85 à 115 : grade NLGI 6 : extrêmement dure
Enfoncement de 130 à 160 : grade NLGI 5 : très dure
Enfoncement de 175 à 205 : grade NLGI 4 : dure
Enfoncement de 220 à 250 : grade NLGI 3 : moyennement dure
Enfoncement de 265 à 295 : grade NLGI 2 : molle
Enfoncement de 310 à 340 : grade NLGI 1 : très molle
Enfoncement de 355 à 385 : grade NLGI 0 : semi fluide
Enfoncement de 400 à 430 : grade NLGI 00 : fluide
Enfoncement de 445 à 475 : grade NLGI 000 : très fluide

Land Rover préconise pour les points de graissage et la lubrification des roulements de roues de la graisse NLGI 2, à l’exception des joints homocinétiques contenus dans les sphères de direction où la graisse est une NLGI 00.

La consistance varie avec la température et la consistance d’une graisse influe le ressuage. Donc dans certains cas, il faudra peut être prendre une graisse différente que celle normalement préconisée. Par exemple, un Def utilisé au Nord Canada par des températures plus que négatives pourra être judicieusement lubrifié avec de la graisse NLGI 1 au lieu d’une NLGI 2. mais comme rien n’est simple, il y a des graisses NLGI 2 qui conviennent bien aux basses températures malgré un mauvais ressuage à ces basses températures.
Le grade NLGI est une méthode de classification des graisses. Cependant, il ne préjuge aucunement de la qualité et des résultats de ces graisses en utilisation !

4.b) Le ressuage

Pour qu'une graisse puisse lubrifier correctement, il faut, comme on a vu plus haut, qu'elle ressue assez d'huile.

Le test de ressuage est un test suivant DIN 51817. Il est simple : on met de la graisse au-dessus d'un tamis, on met un poids sur la graisse et on mesure la quantité d'huile ressuée. Le résultat est donné en % du poids de la graisse. Le test standard est fait à 40°C pendant 168 heures (une semaine). On peut faire varier la température selon l'application finale afin d'avoir une idée plus précise du resssuage à la température de fonctionnement du roulement. Mais les fiches techniques des graisses donnent le résultat pour 40°C et 168 h.
DIN 51817.JPG
On considère que pour les roulements à billes, il faut un re-suage, à la température de fonctionnent, minimum de 0.5 à 1%, mais 3% mini pour les roulements à rouleaux.
Il y a des graisses qui lubrifient bien, même en-dessous de ces % mini recommandés grâce à leur conception. C'est le cas par exemple de la LGWM 2 et la LGHB 2. Mais pour une graisse "inconnue" il faut le vérifier avec des tests (FAG FE8 ou SKF R2F), avec des roulements à rouleaux en rotation, en chambre froide.

Comme guide simple, pour nos contrées et nos véhicules, des graisses ressuant entre 1 et 5% à 40°C et 168 heures, conviennent pour les roulements de roue, les rotules et les arbres de transmission... mais pas pour les joints homocinétiques dans les sphères de pivot.

4.c) la viscosité de l'huile de base

La viscosité de l'huile de base n'est pas si importante pour les rotules, les pièces de glissement et les arbres de transmission, il faut simplement éviter certains extrêmes. Mais elle est importante pour les roulements car elle détermine en grande partie l'épaisseur du film lubrifiant et là il faut choisir avec bien plus de précision.

Si dans l'automobile les viscosité des huiles sont souvent données en classe SAE (10W40 ou 80W90 par exemple), dans l'industrie on utilise le Centistoke (cSt), viscosité cinématique, dont l'unité légale est le mm²/s. Les fabricants de graisse indiquent la viscosité de l'huile de base en mm²/s, en général à 40°C et dans certains cas, aussi à 100°C.
Par exemple, pour la graisse LGWA 2, l'huile de base fait 185 mm²/s à 40°C et 15 mm²/s à 100°C. En fait c'est proche d'une SAE 90, voir d'une SAE 85W90.

Guide (mm²/s sont ici pour 40°C !) :
Pour les rotules, les coulisseaux et les cardans des arbres, la portée de la butée d'embrayage, charnières de porte : rester de préférence entre 100 et 640 mm²/s. Mais la viscosité de l'huile n'est qu'un paramètre secondaire pour ces applications.
Pour les roulements de roues et les joint homocinétiques : choisir entre 150 et 220 mm²/s.

4.d) L'indice de viscosité de l'huile de base

L'indice de viscosité de l'huile de base, notée VI, indique la capacité de l"huile à varier en viscosité avec la température. Plus le VI est élevé, moins la viscosité varie avec la température. Avec une huile avec un VI faible, il y a un risque d'avoir une viscosité à froid trop élevé (et donc un mauvais ressuage) et une viscosité à chaud trop faible (trop de ressuage et film lubrifiant réduit).
Les huiles minérales ont un indice de viscosité qui tourne autour de 95 alors qu'une huile synthétique PAO, cela serait plutôt autour de 160.

Franchement, ce VI a peu d'importance en ce qui nous concerne, tant que l'on prend une graisse dont l'huile de base a un VI supérieur à 85, le mieux étant supérieur à 95.


4.e) La stabilité mécanique

La stabilité mécanique n'a rien à voir avec la capacité de la graisse à adhérer et à rester en place. Quoi que.
La stabilité mécanique d'un graisse est la caractéristique d'une graisse a garder sa consistance même si elle est travaillée (soumise à un cisaillement) ou soumise à de fortes vibrations. On ne veut pas d'une graisse qui se fluidifie rapidement et quitte l'endroit à lubrifier.

J'ai l'habitude du test SKF V2F (norme EN 14856-2). Un vieux test, crée pour les chemins de fers car il y avait un problème de choc à chaque fois que la roue passait sur un interstice entre deux rails qui se suivent. Le fameux schak schak répétitif créant une vibration tendant à travailler la graisse des roulements des boites d'essieux. Ce test m'a été d'une précieuse aide dans le choix de graisses pour les cribles vibrants utilisés dans les mines et carrières.
Le test consiste en une boite d'essieu ayant deux roulements à rotule sur rouleaux tournant à 500 puis 1000 tr/min. Une masse vient frapper à 1 Hz la boite d'essieu créant une accélération de 12 ou 15 G. Après un certain temps on mesure la fuite de graisse.
Banc test SKF
Banc test SKF
Si la graisse passe le test avec le résultat est "M" (pas petit "m"), alors la graisse a une bonne stabilité mécanique.
http://www.skf.com/files/777525.pdf

Mais la plupart des labos utilisent un test moins couteux, qui s'éloigne de l'application, donc de la vrai vie :wink: , c'est le "Roll Stability" selon DIN 51804/2 et ASTM D1831). Je crois que le test à été créé par Shell. La graisse est mise dans un cylindre avec un rouleau. On fait tourner le cylindre afin de le rouleau roule dans le cylindre, écrasant la graisse. On vérifie ensuite, après un certain nombre d'heures à une température donnée, la variation de la consistance.
Si après 72 heures à 80°C la variation de la pénétration est supérieure à 50 (voir définition consistance)..... graisse à éviter. Une bonne graisse aujourd’hui donnerait un maximum de +/- 30 ou 40.
Attention : certains utilisent une température inférieure et une durée de test inférieure. Le standard est de 20°C et 2 heures, ce qui est insuffisant.

4.f) La résistance à l'eau

Ce point concerne la capacité de la graisse à rester dans une position et ne pas se décomposer malgré la présence d'eau. Point donc important pour ceux allant faire pas mal de TT humide ou qui prenne leur véhicule pour un véhicule amphibie.
Le test suit la norme DIN 51807/1.
DIN 51807
DIN 51807
Une fine couche de graisse est étalée sur un bâtonnet plat, et trempé dans de l'eau distillée à 90°C durant 3 heures. La détérioration de la graisse est notée de 0 (pas de détérioration) à 3 (forte détérioration).

Évitez de prendre une graisse dont le résultat au test soit supérieur à 1.

Note : ce n'est pas parce qu'une graisse résiste à l'eau qu'elle protège bien contre la corrosion !

Note : DIN 51807/2 qui concerne la résistance au délavage. C'est un test où l'on dirige un jet d'eau chaude (80°C) sur un palier contenant un roulement remplis de graisse, on mesure la perte, en masse, pas en volume, de graisse. Une graisse adéquate ne perd que 10% ou moins de sa masse dans le test ( <10% : résultat : 1, les résultats pouvant varier de 1 à 3, 3 étant le pire).
test délavage.JPG
4.g) Le pouvoir anti corrosion

Encore un point important pour ceux qui traversent les rivières sans prendre les ponts......

Pour déterminer le pouvoir anti-corrosion d'une graisse, c'est le test SKF EMCOR qui est utilisé, connu aussi sous la norme ISO 11007, DIN 51802 ou encore NF 60-135 etc...

Le test consiste à mélanger eau et lubrifiant dans un palier en plastique contenant un roulement à rotule sur billes. On alterne rotations et immobilisation, puis le roulement est démonté et on regarde la surface corrodé de la piste de la bague extérieure.
Le banc contient huit paliers.
SKF EMCOR 1.JPG
SKF EMCOR 2.JPG
Le banc utilise en standard de l'eau distillée, mais on peut utiliser d'autres liquides, comme de l'eau de mer artificielle ou de l'eau distillée avec 0,5% ou 3% de NaCl (sel).

Il faut tester au moins deux roulements. On notera le moins corrodé et le plus corrodé avec un indice compris entre 0 et 5. De ce fait le résultat sera toujours la combinaison de deux chiffres comme 0/0 ou 3/4.
Emcor results.JPG
Aujourd'hui pratiquement toutes les graisses passent le test EMCOR à l'eau distillée avec 0/0 comme résultat. Si ce n'est pas le cas, c'est une graisse à éviter car vraiment obsolète......
Une graisse qui passe le test avec de l'eau distillée avec 0.5% de NaCl, en ayant un résultat 0/0 est un bon choix.
Une graisse qui passe le test avec de l'eau distillée avec 3.0% de NaCl, en ayant un résultat 0/0 est excellent choix pour les amateurs de TT très très humide.


Il existe une variante du test EMCOR, où l'on fait circuler de l'eau dans le palier. Je passe.


4.h) Le pouvoir anti usure

Il ne faut pas confondre additifs anti usure (AW) avec des additifs EP. Certaines brochures commerciales font l'amalgame.
Les additifs AW forment en général une fine couche protectrice sur laquelle les aspérités glissent.

Le test le plus connu est le Shell 4 Billes selon DIN 51350/3.
Vous prenez trois billes et vous faites tourner une quatrième sur les trois autres avec une certaine charge, le tout dans du lubrifiant.
DSCF0311.JPG
Une bonne graisse AW donne une marque d'usure de diamètre moyen inférieur à 1 mm sous 1400 N. Evitez les graisses donnant un résultat supérieur à 2 mm.

Donc pour nos rotules de direction, nos arbres de transmission, prenez une graisse ayant de bonnes propriétés AW, c'est plus important que les propriétés EP.

Attention, tous ne donnent pas le résultat sous une même charge. Certains donnent le résultat sous une charge bien inférieure. Il faut comparer ce qui est comparable.


4.i) Les caractéristiques EP

Les additifs EP ne sont pas des additifs AW. Si le rôle des additifs AW est de réduire l'usure par abrasion, le rôle des additifs EP est de réduire l'usure par adhésion.
L'usure par adhésion, c'est le grippage. Deux aspérités entrent en contact sous une charge et vitesse tel qu'à leur point de contact la chaleur dégagée est suffisante pour créer la soudure entre ces deux aspérités. Les additifs EP, en général sont des composés chimiques proches des aspérités qui réagissent chimiquement avec la chaleur due au contact et ils évitent la soudure mais non le cisaillement de l'aspérité.

Le problème avec les additifs EP c'est qu'ils ne sont pas tout à fait neutre et peuvent attaquer l'acier et le cuivre, d'où certains problèmes problèmes avec des huiles de transmission fortement additivées EP : voir ici : http://landroverfaq.com/viewtopic.php?f=15&t=3145

Le test afin de mesurer les capacités EP d'un lubrifiant utilise le même banc test Shell 4 billes DIN 51350 que pour le test AW, mais selon une autre procédure, la 4, donc selon DIN 51350/4. Pour faire simple, on augmente la charge jusqu'à qu'il y ai soudure entre les 4 billes.
4 billes soudées avec traces de lubrifiant &quot;brulé&quot;
4 billes soudées avec traces de lubrifiant "brulé"
Une graisse a de bonnes propriétés EP quand la charge de soudure est supérieure à 2800 N. Mais, AMHA, pour nos véhicules, ce n'est pas obligatoirement nécessaire. Une charge de soudure de 1800 N mini est suffisante (pas considéré comme graisse EP).

Il est étonnant de voir que certaines graisses n'ont aucun additif EP, mais on de bonnes caractéristiques EP......

4.j) Le pouvoir anti faux brinelling

Vous connaissez peut être le test de dureté Brinell. On enfonce une bille dans un matériaux et selon le diamètre de l'empreinte, on déduit la dureté du matériau. L'enfoncement de la bille provoque un trou avec refoulement de matière sur les bords du trou. Quand une bille vibre sur une surface, ou oscille sur une surface en acier mal lubrifiée, il y a des micros arrachement d'aspérité qui s'oxydent (corrosion de contact) et qui deviennent des particules abrasives. Il y a usure dans le contact et la bille s'enfonce. Visuellement cela ressemble à une empreinte de test Brinell, sauf qu'ici il n'y a pas de refoulement de matière.
On a vu des roulements de roues de voitures neuves transportés par navire (vibration du gros moteur diesel) ou par train (vibration dues aux interstices entre rail), être marqués de la sorte. Mais on voit aussi ce phénomène sur les cardans, car si les aiguilles n'oscillent pas assez, à la longue le lubrifiant est posé hors du contact et peut difficilement y revenir.

Cas d'un croisillon de cardan soumis à du faux brinelling avancé avec écaillage :
faux brinelling sur croisillon.JPG
En général les graisses ayant un bon résultat au test d'usure Shell 4 billes (pas le test EP !), ont de bons résultats au test de faux brinelling. Ce test est le test FAFNIR selon ASTM D4170. FAFNIR est un fabricant de roulement au USA qui appartient maintenant au groupe TIMKEN. Ce test utilise deux butées à billes que l'on fait osciller (12°) sous 2450 N pendant 22 heures à 20°C à 30 ou 50Hz. On mesure ensuite la perte de matière.
A ce test, une graisse provoquant moins de 10 mg de perte de matière est considérée comme ayant de bonnes propriétés anti brinelling et elle est excellente si l'usure est inférieur à 1 mg.


4.k) Le point de goutte

Le point de goutte, selon DIN ISO 2176, c'est simplement la température à laquelle une graisse chauffée dans un contenant commence à se fluidifier assez pour passer à travers un orifice calibré.

En aucun cas cela ne donne les performances de lubrification d'une graisse a haute température. Néanmoins, par exemple, cela évite de choisir une graisse pour vous roulements de roues qui se liquéfie trop vite si vous faites trop chauffer vos freins en descente par exemple.

Un point de goutte de 180°C est un minimum.
Pour les roulements de roues, à cause des freins, je conseillerai plutôt 220-230°C comme étant un minimum. Mais bon.....

4.l) Le pouvoir lubrifiant dans les roulement à rouleaux

Ecrit plus haut : "Il y a une grosse différence entre les roulements à billes et les roulements à rouleaux car la surface de contact des billes sur les bagues est nettement plus faible et, les billes peuvent aussi prendre du lubrifiant sur le coté et le ramener dans la zone à lubrifier. Un roulement à billes est nettement moins sensible à un manque de lubrifiant qu’un roulement à rouleaux, ce dernier étant très dépendant au ressuage de l’huile."

Il y a des graisses qui lubrifient bien les roulements à billes, mais qui peuvent poser des problèmes avec des roulements à rouleaux.

Le plus vieux et plus représentatif test est le SKF R2F utilisant deux roulements à rotule sur rouleaux tournant, chacun soumis à 850 kg, à 2500 tr/min à la température d'auto échauffement du roulement (test A) ou 1500 tr/min en imposant une température (test B). Le test dure 20 jours. On mesure ensuite la perte de poids du roulement (usure) et si c'est inférieur à des valeurs limites et que la graisse est encore en bon état, on note "Pass".
Exemple :
R2F test A : Pass
R2F test B à 100°C : Pass

Je vous conseille de ne prendre, pour les roulements à rouleaux coniques graissés, qu'une graisse qui passe le R2F test A et le R2F test B mini à 100°C.


Malheureusement, la plupart des labo utilisent aujourd'hui un test moins couteux car utilisant des roulements moins couteux car standards. En effet le test SKF R2F utilise un roulement fabriqué uniquement pour ce test. Le test qui est de plus en plus utilisé est le test FAG FE8 qui est devenu, non sans mal DIN 51819. Non sans mal car il y a eu pas mal de problèmes de répétitivités, pas totalement résolus. Mais le FE8 a pour avantage de pouvoir tester différents types de roulements.
Je n'ai pas assez de recul par rapport à ce test, d'expérience de corrélation entre tests et fonctionnement sur machine. je commence seulement à me faire une petite idée en me basant sur l'expérience de OEM comme Voith, mais bon.

Ce qui est important en premier lieu, c'est de vérifier que le test a bien été fait avec des roulements à rouleaux et non à billes. Normalement les conditions du test sont indiquées et cela comprend la référence du roulement. Quand il y a écrit 536048 dans les conditions de test (par ex : FE8 536048 75/50-80), on sait que le test est fait avec des roulements à rouleaux coniques de dimension 31312 A (60 mm diamètre d'alésage, 130 mm diamètre extérieur). 75 indique la vitesse de rotation, 50 doit être la charge axiale en kN et 80 la température en °C. Si le test est fait sans apport de chaleur, il y a indiqué RT à la fin, pour Room Temperature. En général le test dure 500 h.
536050 est un roulement à billes.
81212 est une butée à rouleaux (beaucoup de frottement), mais c'est presque exclusivement utilisé pour tester les huiles et non les graisses.

Une graisse qui donne une usure inférieure à 10 mg ( Mw50 < 10 ) dans le test (de RT à 100 °C) avec roulement à rouleaux coniques devrait, AMHA, convenir. Peut être trop sévère ?



4.m) Attaque du cuivre

Si la graisse doit être en contact avec du laiton ou du bronze, il est bon de vérifier que cette graisse n'attaque pas le cuivre, ce qui est problème récurrent des graisses de basse qualité fortement additivées en additifs EP.

Il suffit de regarder le résultat du test de corrosion sur cuivre selon DIN 51811 à 100°C (une des températures standards de la norme. Ce test consiste a mettre de la graisse sur des bandes de cuivre et mettre le tout au four pendant 24 heures. Ensuite les bandes sont comparées par rapport à des bandes corrodées servant de référence (selon DIN 51759), un peu comme ce que j'ai décrit dans mon article sur les huiles de transmission. On note le degré d'attaque.

Le résultat doit être inférieur ou égal à 1. Toute graisse ayant comme résultat 2 ou supérieures ne doit pas être utilisée.


4.n) Pour info : performances à haute température et durée de "vie" d'une graisse

Ceci est pour info seulement car les parties que le mécanicien graisse ou regraisse sur nos véhicules ne sont pas des parties fonctionnant à haute température ambiante, d'une manière constante, comme peuvent l'être les galets de courroie de distribution par exemple.

De nombreux fabricants de graisse donnent comme température maximum...la température du point de goute. Or la graisse a une durée de service (de "vie" diront certains) bien insuffisante à des températures plus basses que celle du point de goutte.
La durée de service d'une graisse dépend grosso modo, s'il n'y a aucune pollution, de la vitesse de rotation, de la charge sur le roulement et enfin, très important, la température. La règle veut, qu'au-delà de 55°C, la durée de service de la graisse soit divisée par deux à chaque palier de 15°C supplémentaire.

Mais au fait, qu'est-ce que la durée de service d'une graisse ?

En fait la durée d'une graisse est la durée pendant laquelle elle assure la lubrification du roulement et cela n'a rien à voir avec le vieillissement naturel de la graisse. On peut donc trouver des graisses en bon état dans un roulement HS mais qui n'a plus assurée la bonne lubrification.
C'est le test SKF R0F qui permet de se faire une idée des performances des graisses à haute température et par déduction, en déterminer aussi la durée "statistique" aux température normales (supérieures à 50-55°C) et supérieures. Ce test consiste à faire tourner un nombre minimum de petits roulements rigides à billes (des 6204), 5 paires minimum, à des vitesses et températures données et de noter le temps de fonctionnement jusqu'à le début de détérioration due à une mauvaise lubrification.
SKF R0F.JPG
Tous les roulements ne donnent pas des signes de détériorations en même temps, ce qui veut dire que la graisse n'a pas la même durée de service dans chaque roulement, pourtant tournant sous même vitesse, mêmes charge et même température. Il est donc impossible de déterminer la durée de service d'une graisse pour une application donnée. Par exemple il est impossible de dire quelle sera la durée de service de la graisse dans le roulement de galet tendeur de la courroie d'accessoire de mon 300 Tdi, par contre il sera possible de donner, en fonction d'hypothèses de fonctionnement, une durée atteinte pour 1% ou 10%, ou 50% etc.... des graisses dans les galets tendeurs d'un ensemble de moteur 300 Tdi.

Je n'entrerai pas dans les détails des calculs de durées des graisses.

On entre vraiment dans le clan des graisses hautes températures quand la durée attente par 50% des roulements dans le test R0F dépasse les 1000 heures à 150°C et 10 000 tr/min. Mais ceci n'est pas toujours vrai, car par exemple il y a des graisses pour lequels 10 000tr/min est trop élevé et donneront de mauvais résultats, alors qu'elle sont capable de performances exceptionnelles à 5600 tr/min et plus de 200°C. Là, dans ce cas, fuyez, ce n'est pas une graisse pour notre véhicule, car en général les graisses très hautes températures lubrifient mal aux températures "normales". Grosso modo, soyez prudent si pour la graisse que vous voulez utiliser pour vos roulements de roues, le fabricant indique une température supérieure à 150°C pour le test R0F, quelque soit la vitesse de rotation lors du test.

Pourquoi se méfier des graisses dite hautes températures ?
En général les graisses haute températures ne ressuent pas assez d'huile à températures normales comme je l'ai déjà indiqué. Le graphe ci-dessous va m'aider un peu.
SKF Trafic light concept.JPG
Ce graphe montre le SKF trafic light concept chère à SKF.
Les zones rouges indiquent des températures où la graisse devrait ne pas être utilisée. Soit parce que le froid est tel que la graisse a durci suffisamment pour empêcher la bonne rotation du roulement, soit parce que l'on est au-dessus du point de goutte.
La zone jaune/orange à gauche, indique des températures basses où le re-suage d'huile est généralement insuffisant pour la lubrification des roulements à rouleaux, mais plus ou moins acceptable pour les roulements à billes. Lors du démarrage, le roulement se trouve souvent dans ces températures, mais lors du fonctionnement il s'échauffe vite et entre (on l'espère.... :mrgreen: .....) dans la zone verte.
La zone jaune/orange à droite, indique des températures où la graisse vieilli rapidement (oxydation), il est très difficile de prédire la durée d'une graisse dans cette zone. On accepte de courtes pointes de température allant dans cette zone, si l'application le permet. Ce peut être par exemple un échauffement des freins pendant un court laps de temps.
La zone verte est la zone où l'on peut prédire la lubrification (bonne ou mauvaise) des roulements. En fait on peut déterminer la durée et les intervalles de lubrification dans la zone verte.

En général, les graisses haute température ont la zone verte décalée vers la droite.
TLC.JPG
Mettre une graisse haute température dans les roulements de roue de votre Def, c'est prendre le risque d'avoir une mauvaise lubrification à plus ou moins bref échéance si vous conduisez cool ou lentement en TT, d'autant plus qu'il fait froid extérieurement.

4.o) Conclusions

Sauf si vous connaissez bien la graisse et que vous en avez une bonne expérience, voici grosso modo comment choisir une graisse pour votre Land :

a) Évitez les graisses haute températures.

b) Choisissez en priorité une graisse au lithium ou lithium complexe.

c) Prenez une graisse de consistance NLGI 2 et ayant un point de goutte supérieur à 180°C, évitez les autres, sauf pour le joint homocinétique dans les sphères : NLGI 00 dans ce cas.

d) Puis vérifiez la viscosité de l'huile de base de la graisse. Entre 150 et 220mm²/s à 40°C pour les roulements de roues et les joint homocinétiques, entre 100 et 640 mm²/s à 40°C pour les coulisseaux, cardans et rotules. Vérifiez l'indice de viscosité, qui doit être supérieur à 95, supérieur à 85 acceptable.

e) Si c'est pour les roulements à rouleaux coniques des roues : vérifiez le re-suage de l'huile : 1 et 5% à 40°C et 168 heures. Pour le choix de la graisse, c'est moins important en ce qui concerne les rotules et cardans.

f) Vérifiez le résultat à l'essai Shell 4 billes
- si la charge de soudure est sous 1800 N, bof bof, à éviter, mais si la charge de soudure est supérieure à 2800 N, prudence, vérifier la corrosion sur cuivre (ne pas dépasser le résultat 1 à 100°C après 24 heures). Si la charge de soudure est entre 1800 N et 2800 N, tout baigne. graisse EP obligatoire pour les joint homocinétiques.
- si la marque d'usure sous 1400 N est supérieure à 1 mm, ce n'est pas top pour les rotules, cardans, cannelures et joint homocinétiques, mais acceptable pour les roulements de roues. Évitez les graisses donnant une marque d'usure supérieure à 2 mm. Note la graisse LR pour les joints homocinétiques, en fait la Texaco Molytex EP 00, donne 0.45 mm, sous 1000 N dans ce test.

g) vérifiez ensuite la stabilité mécanique :
Une bonne graisse passe le test SKF V2F avec comme résultat "M" (pas "m"), évitez les autres. S'il n'y a indiqué que le Roll test, alors si après 72 heures à 80°C la variation de la pénétration est supérieure à 50 (voir définition consistance)..... graisse à éviter. Une bonne graisse aujourd’hui donnerait un maximum de +/- 30 ou 40.

h) vérifier le pouvoir anti corrosion de la graisse :
- évitez toute graisse qui ne passe pas le test SKF EMCOR avec le résultat 0-0 à l'eau distillée.
- pour ceux roulant très souvent sous la pluie ou dans du TT humide : le résultat doit être 0-0 au test EMCOR avec de l'eau distillée + 0.5% NaCl, au minimum. De plus il est bon de vérifier le délavage à l'eau, pas de résultat supérieur à 1 au test DIN 51807/1 (90°C , 3 heures) ou de perte de 10% de sa masse au test DIN 51807/2, sinon passez votre chemin.

i) Pour les coupeurs de cheveux en quatre dans le sens de la longueur et être sûr de son choix :
- pour les roulements de roue : vérifier les résultats au test SKF R2F ou au test FAG FE8.
- pour les rotules, les cannelures et les cardans : vérifier le résultat au test FAFNIR selon ASTM D4170.

Vous n'arrivez pas à avoir les résultats aux tests ci-dessus ? Le fabricant aurait-il quelque chose à cacher ? Fabrique-t-il un produit dont il connait réellement les performances ? Le plus simple de choisir une autre graisse.





5) FAQ

5.1) Synthétique ou minérale ?

Autant pour l'huile moteur je suis un fervent partisan des lubrifiants synthétiques, autant que pour les graisses pour nos véhicules, je serai plutôt minéral. En effet pourquoi prendre une synthétique si ce n'est pas vraiment nécessaire.
Il y a bien sûr quelques roulements à billes graissés à vie équipant quelques accessoires moteurs pour lesquels une synthétique conviendra mieux (durée, résistance à la température), mais vous n'êtes pas supposés les graisser.....
On pourra toujours discuter si pour les roulements de roues pouvant être soumis à de fortes chaleurs des freins, une graisse synthétiques ne conviendra pas mieux. Ma vision est qu'en utilisation normale, système de freinage en bon état et bonne utilisation du frein moteur, il n'y a pas besoin de graisse pouvant tenir pendant, de longue période, des températures élevée.
En ce qui concerne la durée de service, nous re-graissons assez souvent les arbres de transmission et nous pouvons remplacer la graisse des roulements de roue à chaque démontage de moyeux lors des intervention sur les freins comme le changement de disque par exemple.

5.2) Mélanger une huile avec une graisse afin d'obtenir une graisse très fluide pour les sphères de direction

Certains, au lieu de prendre la graisse en berlingo LR pour lubrifier les joint homocinétiques contenus dans les sphères de direction, préfèrent faire leur propre mélange entre prenant, dans la plupart des cas une huile de transmission SAE 80W90 et une graisse multi usage.
a) Il n'est pas possible d'obtenir un mélange homogène, même s'il l'est visuellement.
b) Est-on sûr de la compatibilité entre l'huile de transmission et la graisse (voir 5.3) ? Notons que heureusement que la majorité des graisses multi usage sont des graisses au lithium avec huile minérale, cela réduit les risques pour les apprentis sorciers.
c) Comment est-on sûr de la consistance (grade NLGI) du mélange obtenu ? Le pifomètre semble bien marcher. Si c'est trop fluide, pas grave, par contre si cela ne l'est pas assez.....

5.3) Compatibilité entre deux graisses

La compatibilité entre deux graisses est encore plus complexe que le cas de deux huiles car il faut regarder aussi la compatibilité entre les épaississants. En général, si deux épaississants sont incompatibles, la graisse devient plus dure ou plus fluide, cela dépend.

Le tableau ci-dessous donne les compatibilité entre les épaississants et les huiles. Les compatibilités entre additifs sont moins connues et de toute façon, rare sont les fabricants de graisses qui donnent des infos sur les additifs utilisés.
Compatibilité graisses.JPG
EDIT du 19/07/2012 : je viens de trouver un tableau d'un fabricant de graisse qui donne des informations différentes !!!! I va falloir que je me replonge là dedans.
Je laisse le tableau tel quel pour l'instant, pour information....mais...... vous voilà prévenu.


Quand la couleur est orange dans le tableau, cela veut dire, pour les épaississants, qu'il faut faire un test. Le plus simple est de prendre 50%/50% de chaque graisse, de très bien mélanger et mettre au four (120°C) pendant 48 heures et noter ensuite, après refroidissement, si la consistance de la graisse a changé. Certes, ce n'est pas précis, mais cela peut donner une idée. Pour les huiles, cela veut dire que c'est incompatible ou compatible, à voir selon le type exacte de l'huile, ou que l'on ne sait pas et qu'il faut faire des tests. Par exemple une polyglycol de type PBG est compatible avec une huile minérale, alors que la polyglycol de type PEG ne l'est pas.

Pour considérer que deux graisses sont compatibles, il faut que au moins les épaississants soient compatibles et que les huiles de bases soient compatibles.

Grosso modo, pour faire simple, si vous n'avez pas assez d'infos :
1) Prenez des graisses avec épaississant Lithium et huile de base minérale
2) En cas de doutes : toujours bien enlever la vieille graisse avant de mettre la neuve




5.4) Utilisation d'une graisse au bisulfure de molybdène et/ou graphite

Le bisulfure de molybdène et le graphite sont à réserver quand il y a vraiment besoin de ces additifs EP solides. C'est à dire quand il n'est pas possible d'assurer un bon film lubrifiant (roulement tournant trop lentement par exemple) et que les charges sont élevées. Dans le cas contraire, il vaut mieux les oublier car certaines de ces graisses ont de piètres performances comparé aux graisses sans additifs solides quand les roulements tournent assez vite pour construire un film lubrifiant. Donc, s'il vous plait, oublier les pour les roulements de roues.
De plus des tests d'endurance de rotule ont montré que certaines graisses, bien qu'avec du bisulfure de molybdène et/ou graphite, donnaient des durées 50 fois plus faibles que certaines autres graisses sans additifs solides et/ou d'autres graisses avec bisulfure de molybdène et/ou graphite.

Ce qu'il faut retenir c'est que, ce n'est pas parce qu'une graisse a des additifs au bisulfure de molybdène et/ou graphite, que l'usure sera moindre.

SKF a des graisses au bisulfure de molybdène et graphite. L'une d'elle (LGEV 2) excelle dans des applications en mines et carrières où des gros roulements tournent lentement et sont fortement chargés. Mais pour nos véhicules, je n'en parle pas.

Mais la graisse LR (Texaco Molytex EP 00) pour les joint homocinétiques contient 3.5% de Molybdène.




5.5) Je veux que l'on m'indique une graisse qui convienne, les caractéristiques des graisses sont pour moi du chinois.

Pour les joints homocinétiques contenus dans les sphères, préférer l'huile de pont ou prenez la graisse vendue en Berlingo par Land Rover, c'est une Texaco Molytex EP00.

Pour les graisses suivantes, mes recommandations sont basées sur les graisses que je connais bien car je travaille chez SKF.

Si vous voulez la même graisse partout, que vous être près de vos sous et que vous re-graissez très souvent les arbres de transmission, vous pouvez prendre la SKF LGMT 2. Un cran au-dessus, vous avez la graisse LGEP 2, qui conviendra mieux pour un usage plus TT. Ces graisses sont un bon compromis de base.

Mais ma recommandation, c'est d'utiliser deux graisses spécifiques : la SKF LGWA 2 et la SKF LGHB 2.

Vous réserverez la LGWA 2 pour les roulements de roues. Elle a d’ailleurs été créée pour cela, le "WA" voulant dire Wheel Automotive. Elle se trouve chez les distributeurs auto agréés SKF sous la dénomination VKG 1. C'est une sorte de LGEP 2 faite pour les roulements de roues avec des meilleures propriétés anti corrosion et une meilleure tenue à la température (cas où vous faîtes chauffer un peu trop vos freins en descente de col...pas bien , pas bien, hein). La LGWA2 peut aussi servir pour le reste (arbre, rotule) si vous ne voulez pas profiter de la LGHB2.

La SKF LGHB 2, créée pour les coulées continues en sidérurgie, a démontré d'étonnantes propriété anti corrosion, de tenue à l'eau et surtout de très bonnes performances pour tout de qui est glissement et rotules lisses (coulisseaux d'arbre et rotule de direction par exemple) et tout se qui fonctionne avec de faibles oscillations (cardans). C'est aujourd'hui une graisse recommandée par Caterpillar. Cette graisse est la meilleure que je connaisse pour graisser nos véhicules, sauf les roulements de roues.

Que se passerait-il si la LGHB 2 est utilisée pour graisser les roulements de roues ?
Ce n'est pas une graisse faite pour les hautes vitesses, trop d'épaississant (24%) et huile de base trop visqueuse. Donc pour une utilisation autoroutière.... bof bof....Par contre pour un véhicule uniquement fait pour le TT et qui va souvent dans des endroits bien humides, c'est peut être même conseillé de l'utiliser.


5.5) J'utilise mon véhicule dans le Grand Nord

On parle ici du Grand Nord avec des températures inférieures à -20°C tout le temps. Il faut choisir soit une graisse de consistance plus faible, soit une graisse ayant une huile de très faible viscosité, soit les deux.

On peut alors choisir une graisse de consistance NLGI 1 (voir une NLGI 0), avec une huile de viscosité comprise entre 100 et 200 mm²/s à 40°C, voir plus faible si les températures sont très très basses.
Une graisse de consistance NGLI 2 n'est peut être pas ce qu'il y a de mieux, mais certaines donnent étonnamment de bon résultats, soit à cause de l'épaississant, soit à cause de la faible viscosité de l'huile de base, surtout si c'est une synthétique.

Jusqu'à -40°C, j'essayerai la SKF LGLT 2 ou la LGWM2, mais en dessous de cela...... ben je ne sais pas trop...... il arrive à démarrer le Land ? Il faudra aussi des huiles, pour moteur et transmission de très faible viscosité.

Il existe des graisses dite Artic, comme celles vendues par Caterpillar (Artic Platinium), mais certaines graisses aéronautiques comme la AeroShell qui peuvent aussi faire l'affaire.


5.6) Faut-il graisser les filetages des bougies

Cela dépend.

Il faut graisse les filetages des bougies (d’allumage ou de préchauffage) si le manuel d'atelier l'indique ou si le fabricant des bougies l'indique.

NGK par exemple indique qu'il ne faut pas lubrifier les filetages des bougies d'allumage. Une des raisons, AMHA, c'est que NGK donne des couples de serrage, filetages sec, non lubrifiés.
Si vous serrez les bougies avec un serrage angulaire genre, serrer au contact puis 90° de serrage supplémentaire, graissé ou non, le serrage final sera le même. Ce qui n'est pas le cas d'un serrage au couple.

Le graissage avec une graisse très haute température, supportant les 1000°C, aidera au démontage ultérieur.

Pour les bougies de préchauffage des moteurs diesel Land Rover, Land Rover n'est pas consistant dans ses recommandations. Dans certains cas il indique de graisser, dans d'autre il ne donne aucune indication.


5.7) Quelle quantité de graisse ?

Pour la lubrification seule d'un roulement, il n'y pas pas besoin de beaucoup de graisse.

20 à 30 % de l’espace libre dans le roulement est suffisant en général, ce qui est peu. C'est une des raisons pour laquelle Land Rover, comme d'autres, livres de véhicules avec très peu de graisse dans les roulements de roue.

Mettre plus de graisse entraine une température de fonctionnement plus élevée, voir trop élevée lors des premières heures de fonctionnement car les billes ou les rouleaux doivent forcer leur chemin à travers la graisse en excès. Et problème, s'il y a vraiment trop de graisse et que la graisse en excès ne s'évacue pas, le roulement sera toujours à une température plus élevée que prévue et pourra, peut être être mal lubrifié car l'huile de base de la graisse aura une viscosité plus faible que prévue à la température de fonctionnement, ou/et travailler avec un jeu insuffisant ou une précharge trop élevée. Ce dernier point est dû au fait qu'en général la bague intérieure est plus chaude que la bague extérieure du roulement.
Plus un roulement tourne vite moins il faut de graisse pour éviter une surchauffe au départ...ou persistante.
L’erreur souvent répandue est d'ajouter du lubrifiant quand un roulement chauffe sans se soucier si le problème vient d'un excès de graisse que ne peut pas s'évacuer.

Des quantités de graisse plus élevées sont principalement recherchées afin que la graisse sur les cotés du roulement (ou dans les étanchéités) fassent barrière à la contamination.
Dans l'industrie minière, de grands roulements ainsi que l'espace libre des paliers contenant ces roulements tournant à quelques tours minutes sont remplis à 100% de graisse et la re-lubrification ne sert pas à la lubrification du roulement, mais à repousser la graisse contaminée par l'environnement.

Revenant on nos Land Rover, et principalement les roulements à rouleaux coniques de roues des Séries, Defenders et premiers Range et Discovery.

Quelle quantité de graisse ?

On peut considérer que l'on peut remplir à 100 % le roulement et le moyeu si la facteur vitesse du roulement est inférieur à 75 000 ndm, mais plus on s'approche des 75 000 ndm...plus cela sera chaud en température.

ndm ? C'est quoi ?

C'est le diamètre du roulement où se trouvent les billes ou les rouleaux multiplié par la vitesse de rotation. Pour faire simple, c'est la moyenne (dm) entre le diamètre d'alésage et le diamètre extérieur fois la vitesse de rotation.
Pour un roulement de roue de Def, on a :
diamètre intérieur : 45,242 mm
diamètre extérieur : 77,788 mm
dm = (45,242 + 77,788)/2 = 61,51 mm

Si ndm = 75 000, alors vitesse maxi en rotation avec un remplissage à 100% => 75 000/61.51 = 1219 tr/min
1219 tr/min = 7661 rad/min = 459 670 rad/heure
Avec un rayon sous charge de 0.370 mm (7.50 R 16 O/R par exemple), la vitesse du véhicule serait de :
V = 0.370 x 459 670 rad/heure = 170 078 m/heures = 170 km/h

Alors, on peut bourrer de graisse puisque que le véhicule ne dépassera pas 170 km/h ?
Oui......
Mais....
La température de fonctionnement sera plus élevée et même s'il n'y a pas d'avarie prématurée, la durée de la graisse peut être réduite.
Notons que la graisse, ce n'est pas de l'huile. la graisse moins du roulement, où à coté, ne migre que rarement vers les chemins de roulement. Donc bourrer un moyeu ne veut pas dire plus de lubrifiant pour la lubrification du roulement.

Alors ?

1) Véhicule de trial, allant souvent dans la boue : mettez le plus de graisse possible.

2) véhicule de tous les jours : remplissez les roulements et sous les joints de moyeux. Mettez une bonne dose entre le roulement et le joint, mais ne mettez rien entre les deux roulements.
La graisse entre joint et roulement fera barrière à la pollution (jusqu'à une certaine limite bien sûr).
L'espace sans graisse permettra à la graisse en excès dans les roulements de s'évacuer et à ces derniers de ne pas fonctionner à une température plus élevée que prévue......et d'augmenter la durée de la graisse









A+
Modifié en dernier par The Pater le 28/04/2013 18:45, modifié 2 fois.
Ingénieur :
Personne faisant un travail divinatoire de précision basé sur des informations peu fiables données par des personnes peu qualifiées, voire ignorantes.
=>, magicien, devin, sorcier
Avatar du membre
The Pater
Modérateur
Messages : 13981
Enregistré le : 25/08/2004 8:19
Localisation : 06°27'46"E 45°50'29"N

Re: FAQ sur les graisses

Message non lu par The Pater »

Voilà c'est fait....après plusieurs mois.

Des questions, des commentaires ?

A+
Ingénieur :
Personne faisant un travail divinatoire de précision basé sur des informations peu fiables données par des personnes peu qualifiées, voire ignorantes.
=>, magicien, devin, sorcier
Avatar du membre
hanzo59
Habitué
Messages : 376
Enregistré le : 29/12/2004 11:46
Localisation : lille

Re: FAQ sur les graisses

Message non lu par hanzo59 »

:sm6:

Merci pour le temps passe a cet article. Tout lu...a peu pres tout compris...
Je m'amuserai a l'avenir de bien regarder les caracteristiques des graisses que j'utilise pour mes lands...mais ayant deja fait un peu gaffe...il y a tres peu d'indications sur les conditionnements grand public.

A+
N'élève pas la voix mais prends le sabre le plus long...
sham
Habitué
Messages : 154
Enregistré le : 02/06/2004 19:40

Re: FAQ sur les graisses

Message non lu par sham »

Tres bon topic,

Tes graisses à roulement existent toujours ? ces graisses beiges ....
Modifié en dernier par sham le 22/06/2011 11:19, modifié 1 fois.
signature
Avatar du membre
The Pater
Modérateur
Messages : 13981
Enregistré le : 25/08/2004 8:19
Localisation : 06°27'46"E 45°50'29"N

Re: FAQ sur les graisses

Message non lu par The Pater »

sham a écrit : ces graisses beiges, bien collantes,
Laquelle ?

Parce qu'il a aussi de la graisse beige qui ne conviendra pas....... sauf si tu balades sur la banquise arctique......

A+
Modifié en dernier par The Pater le 23/06/2011 9:30, modifié 2 fois.
Ingénieur :
Personne faisant un travail divinatoire de précision basé sur des informations peu fiables données par des personnes peu qualifiées, voire ignorantes.
=>, magicien, devin, sorcier
jerome38
Habitué
Messages : 725
Enregistré le : 03/06/2004 10:45
Localisation : Uriage, Region grenobloise

Re: FAQ sur les graisses

Message non lu par jerome38 »

Il y a quand meme un truc que je ne pige pas, c'est l'histoire du savon metallique qui sert de liant a l'huile...Comment on l'obtient, comment retient il les molecules d'huile, n'interfere-t-il pas dans la lubrification ??

Bon, ok, c'est du detail, je ne veux pas mobiliser des ressources dela faq pour ca, mais si t'as une explication rapide ou un lien bien pedagogique pour un nullos en chimie, je prends... :D
sham
Habitué
Messages : 154
Enregistré le : 02/06/2004 19:40

Re: FAQ sur les graisses

Message non lu par sham »

The Pater a écrit :
sham a écrit : Tes graisses à roulement, t'en as toujours ?
Cela dépend. Il me reste du surplus, mais la majorité des pots ont été ouvert et une partie du contenu utilisé pour des tests.
ces graisses beiges, bien collantes,
Laquelle ?

Parceque j'ai aussi de la graisse beige qui ne conviendra pas....... sauf si tu balades sur la banquise arctique......

A+
C'etait de la graisse en tube, de la graisse specifique roulements de roues,
J'ai plus les spécifications, produit genial à l'usage
Modifié en dernier par sham le 22/06/2011 11:18, modifié 1 fois.
signature
Avatar du membre
The Pater
Modérateur
Messages : 13981
Enregistré le : 25/08/2004 8:19
Localisation : 06°27'46"E 45°50'29"N

Re: FAQ sur les graisses

Message non lu par The Pater »

sham a écrit : C'etait de la graisse en tube , de la graisse specifique roulements de roues,
De mémoire, la graisse en tube était de la LGHB 2, pas de la LGWA 2 pour les roulements de roues.

A+
Modifié en dernier par The Pater le 23/06/2011 9:35, modifié 2 fois.
Ingénieur :
Personne faisant un travail divinatoire de précision basé sur des informations peu fiables données par des personnes peu qualifiées, voire ignorantes.
=>, magicien, devin, sorcier
Avatar du membre
The Pater
Modérateur
Messages : 13981
Enregistré le : 25/08/2004 8:19
Localisation : 06°27'46"E 45°50'29"N

Re: FAQ sur les graisses

Message non lu par The Pater »

jerome38 a écrit :Il y a quand meme un truc que je ne pige pas, c'est l'histoire du savon metallique qui sert de liant a l'huile...Comment on l'obtient, comment retient il les molecules d'huile, n'interfere-t-il pas dans la lubrification ??
Hum, il se peux que tu vois le métal comme quelque chose de dur, or ce n'est pas toujours le cas.

Le sel de cuisine, qui se dissous dans l'eau, est composé d'un métal : le sodium. Le sel n'est autre que du chlorure de sodium (NaCl)

Le calcium (ce qui est dans le lait et qui est bon pour les enfants.... :wink: ), c'est un métal, de même que le lithium.


Le savon, tout comme celui que tu utilises pour te laver les mains est obtenu par saponification, donc une réaction chimique entre un corps gras et une base forte. Pour le savon pour te laver les mains le corps gras peut être du suif (graisse de boeuf) , de l'huile d'olive etc..... et la base est de la soude. Oui de la soude donc contient du sodium....qui est un métal.
Sauf, qu'ici, pour les graisses on utilise des acide gras comme corps gras, des trucs comme de l'acide stéarique ou de l'acide 12-hydroxystéarique et les bases qui peuvent être de Hydroxyde de sodium, ou de l'hydroxyde de Lithium etc.....

La graisse a savon de lithium la plus utilisée à travers le monde a un savon obtenu par saponification (sous pression et à une certaine température) entre de l'acide 12-hydroxystéarique (sous forme de poudre) et de l'hydroxyde de Lithium (LiOH sous forme de poudre), avec une réaction directement dans l'huile. On ajoute ensuite de l'huile à la quantité voulue et on retire l'eau produite par la saponification.

Les molécules d'huile restent dans le savon par capillarité et par des forces de Van der Waals qui sont des forces d'interaction électrostatiques venant des atomes et molécules.


Le savon, quand il passe entre les surfaces en contact influe la lubrification. Dans certains cas, le savon a même des propriétés EP. mais à la longue il n'y a que l'huile qui ressue du savon qui se trouve être dans les surfaces en contact. Relis le chapitre 3).

A+
Ingénieur :
Personne faisant un travail divinatoire de précision basé sur des informations peu fiables données par des personnes peu qualifiées, voire ignorantes.
=>, magicien, devin, sorcier
jerome38
Habitué
Messages : 725
Enregistré le : 03/06/2004 10:45
Localisation : Uriage, Region grenobloise

Re: FAQ sur les graisses

Message non lu par jerome38 »

The Pater a écrit :La graisse a savon de lithium la plus utilisée à travers le monde a un savon obtenu par saponification (sous pression et à une certaine température) entre de l'acide 12-hydroxystéarique (sous forme de poudre) et de l'hydroxyde de Lithium (LiOH sous forme de poudre), avec une réaction directement dans l'huile. On ajoute ensuite de l'huile à la quantité voulue et on retire l'eau produite par la saponification.

Les molécules d'huile restent dans le savon par capillarité et par des forces de Van der Waals qui sont des forces d'interaction électrostatiques venant des atomes et molécules.
A+
Ok, vu, le métal en question est en constituant des composants de la réaction. Je ne sais pas pourquoi je m'étais mis en tete qu'une saponification ne marchait qu'avec des composés organiques (C,H et O)... :roll:
Avatar du membre
Emma Peel
Habitué
Messages : 188
Enregistré le : 03/06/2004 1:00

Re: FAQ sur les graisses

Message non lu par Emma Peel »

Infos très intéressantes, merci The Pater !

Pour info Land Rover recommande pour les moyeux de roue du Def TD4, la "graisse Castrol Optimal Olista Long Time 2 ou équivalent".
Avatar du membre
The Pater
Modérateur
Messages : 13981
Enregistré le : 25/08/2004 8:19
Localisation : 06°27'46"E 45°50'29"N

Re: FAQ sur les graisses

Message non lu par The Pater »

Cyriland a écrit : Pour info Land Rover recommande pour les moyeux de roue du Def TD4, la "graisse Castrol Optimal Olista Long Time 2 ou équivalent".
Optimol Olista Longtime a.jpg
Notes :

1) Pw 100 000- Pw 60 correspond à la variation de la consistance après avoir travaillé la graisse à l'aide d'un piston comportant des trous calibrés. 60 et 100 000 indiquent le nombre de va et vient du piston. D'ailleurs on ne mesure jamais une consistance d'une graisse neuve sans l'avoir au préalable travaillée de 60 coups. Cette variation de consistance donne une idée de la stabilité de la graisse, mais ne vaut pas le test SKF V2F ou Shell Roll.

2) Le test Emcor est fait ici avec de l'eau distillée

3) D'après mes informations, cette graisse passe le test SKF R2F, méthode A et méthode B (130°C).

A+
Ingénieur :
Personne faisant un travail divinatoire de précision basé sur des informations peu fiables données par des personnes peu qualifiées, voire ignorantes.
=>, magicien, devin, sorcier
Avatar du membre
Def e-Duck
Habitué
Messages : 2098
Enregistré le : 24/03/2008 19:22
Localisation : boulogne dieppe

Re: FAQ sur les graisses

Message non lu par Def e-Duck »

The Pater a écrit : 4.i) Les caractéristiques EP : ... Le problème avec les additifs EP c'est qu'ils ne sont pas tout à fait neutre et peuvent attaquer l'acier et le cuivre..
Je dirai même, en termes de chimie, qu'ils ne sont pas neutres du tout... puisque le phénomène recherché, à certaines températures, est une recombinaison chimique, donc une réaction, entre l'additif EP et les aspérités en contact. Non ?

Ce qui m'étonne c'est que l'on va recourir pour cela, par exemple, à des additifs à base de soufre, alors même que le soufre est bien connu pour pouvoir accélérer par sulfuration la corrosion d'un acier.

NB : je fais une parenthèse, dans les recherches anti-corrosion on s'intéresse par ailleurs à certaines bactéries (qui font partie des extrêmophiles parce qu'elles vivent dans des conditions "invivables"), elles ont la faculté de neutraliser des réactions chimiques où intervient le soufre.

Il y aura peut-être un jour, si ça n'existe déjà :?: des produits biomécaniques enrichis en bactéries (comme chez Danone dans l'alimentaire) :D
'Dire des idioties, de nos jours où tout le monde réfléchit profondément, c'est le seul moyen de prouver qu'on a une pensée libre et indépendante.' (Boris Vian)
jerome38
Habitué
Messages : 725
Enregistré le : 03/06/2004 10:45
Localisation : Uriage, Region grenobloise

Re: FAQ sur les graisses

Message non lu par jerome38 »

du bisulfure de molybdene au bifudus actif, il n'y a qu'un pas a franchir... :mrgreen:
Avatar du membre
Feub
Habitué
Messages : 3928
Enregistré le : 25/11/2004 11:29
Localisation : Saint Jean la Bussière

Re: FAQ sur les graisses

Message non lu par Feub »

Ouais, enfin moi je vais attendre un peu avant de lubrifier mes roulements au yaourt :lol: :lol:
Avatar du membre
Def e-Duck
Habitué
Messages : 2098
Enregistré le : 24/03/2008 19:22
Localisation : boulogne dieppe

Re: FAQ sur les graisses

Message non lu par Def e-Duck »

jerome38 a écrit :du bisulfure de molybdene au bifudus actif, il n'y a qu'un pas a franchir... :mrgreen:
Tu ne crois pas si bien dire :wink: Sur les machines de l'industrie agro-alimentaire le graissage suppose une graisse dite biostable, qui ne favorise pas la croissance de bactéries et de levures.

De plus il faut une graisse dite de qualité alimentaire, c'est-à-dire qu'en cas de contact de la graisse avec les aliments produits sur la chaîne de fabrication cela ne doit affecter ni l'odeur, ni le goût, ni bien sûr la sécurité des aliments pour l'homme.
'Dire des idioties, de nos jours où tout le monde réfléchit profondément, c'est le seul moyen de prouver qu'on a une pensée libre et indépendante.' (Boris Vian)
Avatar du membre
Bougnat-110
Habitué
Messages : 243
Enregistré le : 20/06/2011 21:25
Localisation : ben...Auvergne :-p

Re: FAQ sur les graisses

Message non lu par Bougnat-110 »

Bonjour,
Je viens de lire ce très intéressant article (très honnêtement, je n'ai pas tout lu en détail). Une question me taraude :
Tu recommandes la SKF LGHB2 . Je me précipite donc à la recherche de cette graisse. Lorsque je la trouve et que je liste ses caractéristiques, je lis :
LGHB 2

Graisse SKF forte viscosité et haute température pour charges élevées
La LGHB 2 est une graisse forte viscosité de première qualité à base d'huile minérale disposant d'un savon complexe de calcium-sulfonate, savon dont la formulation est à la pointe
de la technologie. Cette graisse ne contient pas d'additifs,
les caractéristiques d'extrême-pression proviennent de la structure du savon.

(source : http://www.directindustry.fr/prod/skf-m ... 30324.html)

Or, dans ton article, tu recommandes :
1) d'éviter les graisses dites "hautes température".
2) de privilégier les graisses "lithium".

Je ne comprend plus. J'ai loupé une étape (du fait de n'avoir pas lu le détail) ou mal compris une subtilité ? :(
Merci d'éclairer le béotien que je suis :D

En passant, si tu as des adresses de sites où on peut trouver cette graisse... :wink:
Comme le dit si bien Victor Urgo : "Qui pense...ment !" :lol:
Avatar du membre
The Pater
Modérateur
Messages : 13981
Enregistré le : 25/08/2004 8:19
Localisation : 06°27'46"E 45°50'29"N

Re: FAQ sur les graisses

Message non lu par The Pater »

Bougnat-110 a écrit : Or, dans ton article, tu recommandes :
1) d'éviter les graisses dites "hautes température".
2) de privilégier les graisses "lithium".

Je ne comprend plus. J'ai loupé une étape (du fait de n'avoir pas lu le détail) ou mal compris une subtilité ? :(
Merci d'éclairer le béotien que je suis :D
La LGHB 2, je ne la recommande pas pour les roulements de roues, sauf cas précis. D'ac ?

Maintenant, pour répondre :
Il y a des graisses haute températures et/ou autre que lithium qui peuvent convenir. Le problème c'est que les fabricants ne donnent pas assez d'informations et/ou que tu (ou moi) n'as pas d'expérience sur l'utilisation d'une graisse X. Comme il y a un risque qu'une graisse haute température et/ou autre que lithium ne convienne pas....il est donc plus simple, quand on n'a pas assez d'infos, de prendre une graisse dont on sait grosso modo qu'elle conviendra, m^me si ce n'est pas l'optimum. Or pour nos véhicules, une graisse lithium, NLGI 2, pas "haute température", a de fortes chances de convenir.

La LGHB2, je la connais depuis 15 ans et de nombreux tests ont démontré qu'elle était excellente pour tout ce qui était rotules lisses et pour combattre la corrosion de contact et le faux brinelling. Donc elle convient bien pour les arbres de transmission et les rotules de direction.

Mais pour les roulements de roues, préfères une lithium NLGI 2 qui ne soit pas haute température :wink:
En passant, si tu as des adresses de sites où on peut trouver cette graisse... :wink:
Normalement chez les distributeurs agréés SKF dont la liste se trouve sur le site SKF.
Mais, ce n'est pas une graisse qui est stockée par tous les distributeurs car considérée comme graisse spéciale. Certains distributeurs vont demander que tu prennes un carton de 12 cartouches au minimum..... ou/et te vendre à prix d'or cette graisse. Donc méfiance. Si plus de 10 € la cartouche, n'achète pas.

A+
Ingénieur :
Personne faisant un travail divinatoire de précision basé sur des informations peu fiables données par des personnes peu qualifiées, voire ignorantes.
=>, magicien, devin, sorcier
Avatar du membre
Bougnat-110
Habitué
Messages : 243
Enregistré le : 20/06/2011 21:25
Localisation : ben...Auvergne :-p

Re: FAQ sur les graisses

Message non lu par Bougnat-110 »

Oki ! :wink:
Merci pour les précisions, je comprends mieux.
Je m'en vais essayer de trouver cet oiseau rare, et derechef mettre de coté le tube neuf de graisse "lambda" acheté chez Norauto (aucune indication dessus...), en le gardant pour le bricolage maison.
J'avais bien noté sinon qu'elle n'est pas adaptée aux roulements de roues (la LGBH2). Mon souhait est de graisser régulièrement les rotules d'arbres de transmission.

Edit : bien du mal à trouver cette Ref SKF...
Celle-ci n'a pas l'air mal non plus, et semble répondre aux divers critères énoncés : http://www.graisse-belleville.com/pc/ca ... hnique.pdf
ou celle-là : http://www.graisse-belleville.com/pc/ca ... hnique.pdf
Ton avis de professionnel ?
Comme le dit si bien Victor Urgo : "Qui pense...ment !" :lol:
Avatar du membre
The Pater
Modérateur
Messages : 13981
Enregistré le : 25/08/2004 8:19
Localisation : 06°27'46"E 45°50'29"N

Re: FAQ sur les graisses

Message non lu par The Pater »

Bougnat-110 a écrit : Celle-ci n'a pas l'air mal non plus, et semble répondre aux divers critères énoncés : http://www.graisse-belleville.com/pc/ca ... hnique.pdf
ou celle-là : http://www.graisse-belleville.com/pc/ca ... hnique.pdf
J'éviterai la Perfect car :
1) La variation du NLGI après 100 000 coup est de 50, ce qui dénote une graisse techniquement d'ancienne formulation. Elle est donc mécaniquement moins stable qu'une bonne graisse moderne.
2) Le test d'usure 4 billes semble être bon car le résultat est inférieur à 1 mm....mais si tu lis bien, le test est fait sous 40 kg...alors que je recommande inférieur à 1 mm...sous 140 kg.
Or vu la viscosité, je ne l'utiliserai pas pour les roues, mais pour graisser les arbres...... mais j'ai un doute sur les capacité anti usure et elle il y a mieux en terme de stabilité mécanique (tenue aux vibrations entre autre).

La Celtique pourrait convenir pour les roulements de roues en me basant sur la consistance, l'épaississant et l'huile de base, même si l'huile de base a une viscosité inférieure à celle que je recommande.
Mais il y a un truc qui me fait tiquer : comment peut-on mettre que la viscosité de l'huile de base est entre 110 et 150 mm²/s. Certes il y a une tolérance sur la viscosité d'huile huile, mais là, cela me fait penser qu'il prennent une huile pas cher.....selon les arrivages ou les surplus des pétroliers et tant que c'est entre 110 et 150.... c'est bon. C'est l'impression que cela me donne.


Bon le SKF LGHB 2 n'est pas si facile à trouver, certes.

Mais sur le net tu as des graisses qui conviennent très bien sur des sites de vente de lubrifiants :

Par exemple : lubonline vend de la BP Energy Grease LS EP 2

A+
Ingénieur :
Personne faisant un travail divinatoire de précision basé sur des informations peu fiables données par des personnes peu qualifiées, voire ignorantes.
=>, magicien, devin, sorcier
Répondre

Retourner vers « Entretien courant »