Claquements et aucune puissance quand il fait froid.
Règles du forum
En naviguant sur le site http://www.landroverfaq.com vous reconnaissez avoir lu ses Conditions d’Utilisation, vous déclarez les comprendre et vous acceptez d’y être lié de manière inconditionnelle. Si tel n'est pas le cas, merci de quitter immédiatement ce site.
Vous pouvez joindre autant d'images que nécessaire à vos messages A LA CONDITION EXPRESSE d'utiliser l'hébergement fourni par le site.
L'administrateur effacera systématiquement tout message contenant des photos hébergées chez Imageschack, Casimage, Wistiti ou tout autre hébergeur tiers sans sommation ni justification.
En naviguant sur le site http://www.landroverfaq.com vous reconnaissez avoir lu ses Conditions d’Utilisation, vous déclarez les comprendre et vous acceptez d’y être lié de manière inconditionnelle. Si tel n'est pas le cas, merci de quitter immédiatement ce site.
Vous pouvez joindre autant d'images que nécessaire à vos messages A LA CONDITION EXPRESSE d'utiliser l'hébergement fourni par le site.
L'administrateur effacera systématiquement tout message contenant des photos hébergées chez Imageschack, Casimage, Wistiti ou tout autre hébergeur tiers sans sommation ni justification.
-
romainhal
- Habitué
- Messages : 48
- Enregistré le : 14/12/2010 22:19
- Localisation : Villers-Le-Temple... Belgique
Claquements et aucune puissance quand il fait froid.
Bonjour tuout le monde...
Quand l'hivers arrive, mon cube(300tdi) accepte le froid jusqu'à un certain point puis part en grève! Au première gelées, pas de problème mais quand on passe à moins dix la nuit et que je démarre le matin, après une minute ou deux il se met à claquer puis après quelques kilometres je perds toute puissance jusqu'à m'arrêter, même si la température extérieure est remontée(mais gel quand même!). J'ai démonté le filtre et il n'est qu'à moitié rempli! Mais à priori pas gelé... Quelqu'un aurait une idée? Merci merci bien...
Quand l'hivers arrive, mon cube(300tdi) accepte le froid jusqu'à un certain point puis part en grève! Au première gelées, pas de problème mais quand on passe à moins dix la nuit et que je démarre le matin, après une minute ou deux il se met à claquer puis après quelques kilometres je perds toute puissance jusqu'à m'arrêter, même si la température extérieure est remontée(mais gel quand même!). J'ai démonté le filtre et il n'est qu'à moitié rempli! Mais à priori pas gelé... Quelqu'un aurait une idée? Merci merci bien...
- The Pater
- Modérateur
- Messages : 13985
- Enregistré le : 25/08/2004 8:19
- Localisation : 06°27'46"E 45°50'29"N
Re: Claquements et aucune puissance quand il fait froid.
As tu un préfiltre ?
As tu vérifié si tu n'as pas d'eau dans ton réservoir ?
Où prends tu ton carburant ?
A+
As tu vérifié si tu n'as pas d'eau dans ton réservoir ?
Où prends tu ton carburant ?
A+
Ingénieur :
Personne faisant un travail divinatoire de précision basé sur des informations peu fiables données par des personnes peu qualifiées, voire ignorantes.
=>, magicien, devin, sorcier
Personne faisant un travail divinatoire de précision basé sur des informations peu fiables données par des personnes peu qualifiées, voire ignorantes.
=>, magicien, devin, sorcier
-
romainhal
- Habitué
- Messages : 48
- Enregistré le : 14/12/2010 22:19
- Localisation : Villers-Le-Temple... Belgique
Re: Claquements et aucune puissance quand il fait froid.
Salut, pas de préfiltre, pas de décanteur et circuit d'admission normal... Je me demandais si ça pouvait être la mise à air bouchée et de la condensation gelée dans le bouchon, qu'en pensez vous?
J'essayerait bien sans le bouchon mais évidement ma batterie vient de rendre l'âme, je vais la remplacer cet après midi...
J'essayerait bien sans le bouchon mais évidement ma batterie vient de rendre l'âme, je vais la remplacer cet après midi...
- The Pater
- Modérateur
- Messages : 13985
- Enregistré le : 25/08/2004 8:19
- Localisation : 06°27'46"E 45°50'29"N
Re: Claquements et aucune puissance quand il fait froid.
AMHA, un réservoir à pression ambiante, mais totalement étanche, laissera bien plus de temps au moteur avant de créer une dépression suffisante contrecarrant le travail de la pompe de gavage.
Tu n'as pas répondu sur l'origine du carburant.
Qu'as tu fait pour nous indiquer que le circuit d'alimentation est normal ?
A+
Tu n'as pas répondu sur l'origine du carburant.
Qu'as tu fait pour nous indiquer que le circuit d'alimentation est normal ?
A+
Ingénieur :
Personne faisant un travail divinatoire de précision basé sur des informations peu fiables données par des personnes peu qualifiées, voire ignorantes.
=>, magicien, devin, sorcier
Personne faisant un travail divinatoire de précision basé sur des informations peu fiables données par des personnes peu qualifiées, voire ignorantes.
=>, magicien, devin, sorcier
-
romainhal
- Habitué
- Messages : 48
- Enregistré le : 14/12/2010 22:19
- Localisation : Villers-Le-Temple... Belgique
Re: Claquements et aucune puissance quand il fait froid.
Quand je dis qu'il est normal, je veux dire qu'il n'a pas été modifié... J'ai fait le plein chez texaco...
Je viens de démarrer, après quelques secondes un cliqueti se fait entendre au niveau de la pompe, j'ai desserré l'écrou qui est au dessus du filtre(tuyau de retour?( je n'y connais pas grand chose)) et le cliqueti disparait(mais le moteur fini par s'arrêter...
Je viens de démarrer, après quelques secondes un cliqueti se fait entendre au niveau de la pompe, j'ai desserré l'écrou qui est au dessus du filtre(tuyau de retour?( je n'y connais pas grand chose)) et le cliqueti disparait(mais le moteur fini par s'arrêter...
-
romainhal
- Habitué
- Messages : 48
- Enregistré le : 14/12/2010 22:19
- Localisation : Villers-Le-Temple... Belgique
Re: Claquements et aucune puissance quand il fait froid.
J'ai aussi desserré le bouchon en plastic qui est sous le filtre jusqu'à-ce que du gasoil sorte...
- The Pater
- Modérateur
- Messages : 13985
- Enregistré le : 25/08/2004 8:19
- Localisation : 06°27'46"E 45°50'29"N
Re: Claquements et aucune puissance quand il fait froid.
La vis qui est sur le porte filtre, vis que tu peux desserrer avec une clef de 10, est la vis de purge. Quand tu purges l'air du circuit, une des actions est d'ouvrir cette vis et de pomper manuellement au niveau de la pompe de gavage jusqu'à ce que du gasoil sorte par le trou où il y a la vis.
Note que la pompe à injection doit être purgée aussi. Il suffit de dévisser un peu la vis banjo au niveau de l'arrivée de gasoil et de pomper manuellement la pompe de gavage.
Le bouchon en plastique sous le filtre, c'est pour évacuer l'eau ayant pu arriver jusqu'au filtre. Il faut dévisser un peu le bouchon et ouvrir la vis de purge.
Si tu ouvres la vis de purge pendant que le moteur tourne tu seras face à deux alternatives :
1) du gasoil sort voulant dire que la pompe de gavage alimente en quantité plus grande la pompe à injection que la pompe à injection consomme.
2) du gasoil ne sort pas : la pompe à injection va avaler de l'air et ton moteur calera tôt ou tard.
Si en ouvrant cette vis, il n'y a pas eu de gasoil coulant hors de l'orifice, c'est que la pompe à injection consomme plus de gasoil qu'il ne peut en arriver au filtre.
Soit ta pompe de gavage est à changer, soit tes canalisations sont pleins de contaminants, soit le gasoil est figé en amont, soit il y a de l'eau gelée qui bloque la bonne circulation.
Au fait, ton filtre est-il fortement kilométré ou non ? Quelle marque ?
A+
Note que la pompe à injection doit être purgée aussi. Il suffit de dévisser un peu la vis banjo au niveau de l'arrivée de gasoil et de pomper manuellement la pompe de gavage.
Le bouchon en plastique sous le filtre, c'est pour évacuer l'eau ayant pu arriver jusqu'au filtre. Il faut dévisser un peu le bouchon et ouvrir la vis de purge.
Si tu ouvres la vis de purge pendant que le moteur tourne tu seras face à deux alternatives :
1) du gasoil sort voulant dire que la pompe de gavage alimente en quantité plus grande la pompe à injection que la pompe à injection consomme.
2) du gasoil ne sort pas : la pompe à injection va avaler de l'air et ton moteur calera tôt ou tard.
Si en ouvrant cette vis, il n'y a pas eu de gasoil coulant hors de l'orifice, c'est que la pompe à injection consomme plus de gasoil qu'il ne peut en arriver au filtre.
Soit ta pompe de gavage est à changer, soit tes canalisations sont pleins de contaminants, soit le gasoil est figé en amont, soit il y a de l'eau gelée qui bloque la bonne circulation.
Au fait, ton filtre est-il fortement kilométré ou non ? Quelle marque ?
A+
Ingénieur :
Personne faisant un travail divinatoire de précision basé sur des informations peu fiables données par des personnes peu qualifiées, voire ignorantes.
=>, magicien, devin, sorcier
Personne faisant un travail divinatoire de précision basé sur des informations peu fiables données par des personnes peu qualifiées, voire ignorantes.
=>, magicien, devin, sorcier
-
romainhal
- Habitué
- Messages : 48
- Enregistré le : 14/12/2010 22:19
- Localisation : Villers-Le-Temple... Belgique
Re: Claquements et aucune puissance quand il fait froid.
J'ai purgé au filtre pendant que le moteur tournait, du gasoil est sorti et ça a l'air de fonctionner, mais la température est "remontée" à -5, c'est peut-être ça, on verra demain matin... je chercherai aussi la vis de purge de la pompe et la pompe de gavage, aucune idée de son emplacement... Merci en tous cas!
- Moudj
- Habitué
- Messages : 256
- Enregistré le : 13/02/2005 1:40
- Localisation : 73° 23' 04" W 19° 47' 57"N
Re: Claquements et aucune puissance quand il fait froid.
Oh! Oh!romainhal a écrit :Salut, pas de préfiltre, pas de décanteur
Y a pas un petit quelque chose derriere la roue arriere droite?
Un decanteur plein d eau gelee correspondrait bien a ce que tu decris.
A+
Re: Claquements et aucune puissance quand il fait froid.
y a pas tout ca sur les 300tdiMoudj a écrit :Oh! Oh!romainhal a écrit :Salut, pas de préfiltre, pas de décanteur
Y a pas un petit quelque chose derriere la roue arriere droite?
Un decanteur plein d eau gelee correspondrait bien a ce que tu decris.
A+
- nanard833
- Habitué
- Messages : 3989
- Enregistré le : 10/10/2009 20:18
- Localisation : disco 300TDI 431000 bornes
Re: Claquements et aucune puissance quand il fait froid.
Salut,
Une fois nettoyé, il ressemble à ça: démontage: Sur le def il est au milieu du chassis je crois regarde ce sujet ici.
En tout état de cause, s'il contient de la flotte, et que celle -ci fait des pailettes en gelant, ça donne ce que tu décris plus haut et expliquerai qu'avec une température moins basse cela aille mieux.
A+
s'il est un peu crad, ça ressemble à ça (montage d'origine) et dans mon cas, son nettoyage à eu un effet trés bénéfique sur le fonctionnement de mon disco, et tout particulièrement pendant les phases de départ à froid et des premieres centaines de mètres où je dois gravir une petite pente où il était poussif avant la dépose et le nettoyage complet du préfiltre.gregboul a écrit :y a pas tout ca sur les 300tdi
Une fois nettoyé, il ressemble à ça: démontage: Sur le def il est au milieu du chassis je crois regarde ce sujet ici.
En tout état de cause, s'il contient de la flotte, et que celle -ci fait des pailettes en gelant, ça donne ce que tu décris plus haut et expliquerai qu'avec une température moins basse cela aille mieux.
A+
Gratter la botte ne soulage guère quand ça démange à l'intérieur (proverbe chinois)
- LØLØ
- Modérateur
- Messages : 6210
- Enregistré le : 30/07/2006 15:41
- Localisation : guainville (28 )
- Contact :
Re: Claquements et aucune puissance quand il fait froid.
Cet hiver là tout de suite? Ou tous les hivers depuis 3 ou 4 ans?romainhal a écrit :.
Quand l'hivers arrive, mon cube(300tdi) accepte le froid jusqu'à un certain point puis part en grève!
Le carton des filtres à gasoil arrive a se gonflé d'eau pas visible. Cela arrive surtout quand les filtres sont vieux ou qu'ils ont pris l'humidité en stockage, donc même sur des neufs. Change le filtre.
Dans quel état est l'intérieur du support de filtre?
Mets ou fait mettre un coup de soufflette dans toutes les durites sur les retours de gasoil compris.
Combien de km a le land et quels pays a t-il traversé ?
A+
2 solutions: la bonne et l'Anglaise
LUCAS: Il n'y a pas de contact où il le faut et il y en a un où il ne faut pas
On ne peut aller loin en amitié, si on n'est pas disposé à se pardonner les uns aux autres les petits défauts.
www.eternal-vehicles.fr
LUCAS: Il n'y a pas de contact où il le faut et il y en a un où il ne faut pas
On ne peut aller loin en amitié, si on n'est pas disposé à se pardonner les uns aux autres les petits défauts.
www.eternal-vehicles.fr
-
romainhal
- Habitué
- Messages : 48
- Enregistré le : 14/12/2010 22:19
- Localisation : Villers-Le-Temple... Belgique
Re: Claquements et aucune puissance quand il fait froid.
Il a 300000 kms, il fait ça depuis deux ans et je ne sais pas quels pays il a traversés, je l'ai depuis qu'il a 250000 kms(Mais il ne porte pas de trace de voyages lointains)...
Ce matin, rebelotte, gros cliquetis à la pompe sauf quand je devisse le racord de la conduite de retour de gasoil au filtre... Il fait moins quinze et vent du nord alors j'avoue que ma motivation de démontage, souflette etc en a pris un coup...
Ce matin, rebelotte, gros cliquetis à la pompe sauf quand je devisse le racord de la conduite de retour de gasoil au filtre... Il fait moins quinze et vent du nord alors j'avoue que ma motivation de démontage, souflette etc en a pris un coup...
-
romainhal
- Habitué
- Messages : 48
- Enregistré le : 14/12/2010 22:19
- Localisation : Villers-Le-Temple... Belgique
Re: Claquements et aucune puissance quand il fait froid.
...et je confirme qu'il n'a pas de décanteur...
-
romainhal
- Habitué
- Messages : 48
- Enregistré le : 14/12/2010 22:19
- Localisation : Villers-Le-Temple... Belgique
Re: Claquements et aucune puissance quand il fait froid.
Ha, juste un truc, quand je regarde dans la goulotte de remplissage, il y a des traces de givre...
- nanard833
- Habitué
- Messages : 3989
- Enregistré le : 10/10/2009 20:18
- Localisation : disco 300TDI 431000 bornes
Re: Claquements et aucune puissance quand il fait froid.
donc de l'eau dans ton réservoir....
Gratter la botte ne soulage guère quand ça démange à l'intérieur (proverbe chinois)
- LØLØ
- Modérateur
- Messages : 6210
- Enregistré le : 30/07/2006 15:41
- Localisation : guainville (28 )
- Contact :
Re: Claquements et aucune puissance quand il fait froid.
Salut, oui ou un peu de condensation, cela ne me choque pas plus que ça. J'imaginerai plutôt un bouchon de merde qui gèle quelque part. C'est le cliquetis qui pourrait nous mettre sur une piste d' où l’absence de gasoil à la pompe ou quelques chose comme ça.nanard833 a écrit :donc de l'eau dans ton réservoir....
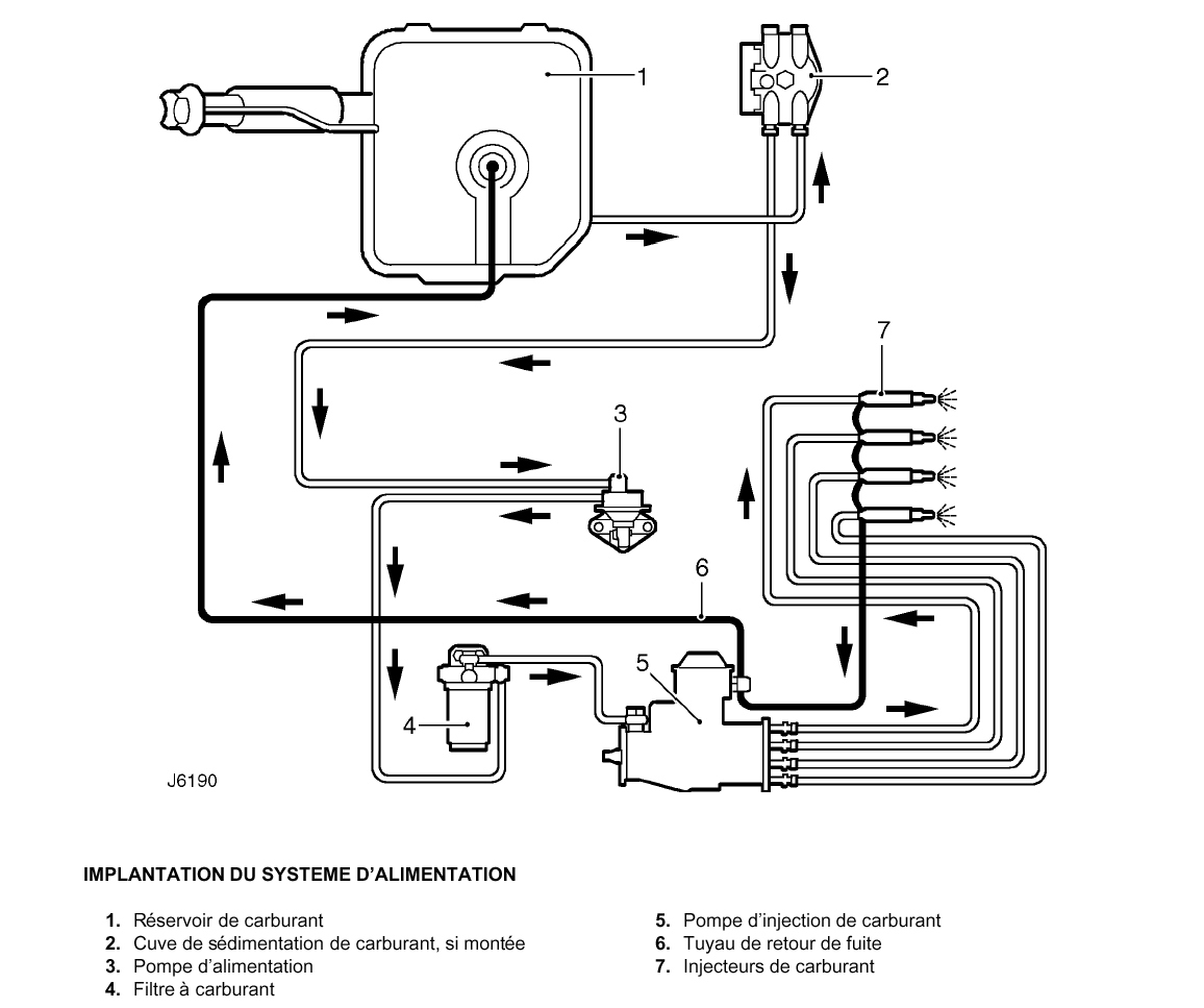
Une base de réflexion: Deux durites simples à contrôler, celle entre la pompe 3 et le filtre et celle entre le filtre et la pompe à injection ainsi que leurs vis banjo ou la crasse s'accumule, attention de pas perdre un des deux joints par vis.
A+
2 solutions: la bonne et l'Anglaise
LUCAS: Il n'y a pas de contact où il le faut et il y en a un où il ne faut pas
On ne peut aller loin en amitié, si on n'est pas disposé à se pardonner les uns aux autres les petits défauts.
www.eternal-vehicles.fr
LUCAS: Il n'y a pas de contact où il le faut et il y en a un où il ne faut pas
On ne peut aller loin en amitié, si on n'est pas disposé à se pardonner les uns aux autres les petits défauts.
www.eternal-vehicles.fr
Re: Claquements et aucune puissance quand il fait froid.
C'est pas nanard qui avait eu de la merde dans la pompe de gavage, a savoir qu'il avait un modèle qui se démonte, avec un filtre dedans?
- nanard833
- Habitué
- Messages : 3989
- Enregistré le : 10/10/2009 20:18
- Localisation : disco 300TDI 431000 bornes
Re: Claquements et aucune puissance quand il fait froid.
Salut,Feub a écrit :C'est pas nanard qui avait eu de la merde dans la pompe de gavage, a savoir qu'il avait un modèle qui se démonte, avec un filtre dedans?
Yes, Il y avait aussi un des 2 clapets intèrieur, découpé et sorti de son logement A+
Gratter la botte ne soulage guère quand ça démange à l'intérieur (proverbe chinois)
- nanard833
- Habitué
- Messages : 3989
- Enregistré le : 10/10/2009 20:18
- Localisation : disco 300TDI 431000 bornes
Re: Claquements et aucune puissance quand il fait froid.
merci LØLØ pour le schéma du circuit d'alimentation complet, il semblerait qu'une durite de mise à l'air remonte vers l'orifice du réservoir, par contre, où déboucherait-elle? Il n'y a rien derrière la trappe d'accés au bouchon (à part le goulot
)
Une chose m'intrigues aussi sur cette photo postée sur la faq par un gars qui refaisait le plancher AR de son disco:on y voit 2 canalisations arrivant sur la nourrice centrale du réservoir alors que le schéma n'en montre qu'une seule:
A+
A+
Modifié en dernier par nanard833 le 07/02/2012 22:06, modifié 1 fois.
Gratter la botte ne soulage guère quand ça démange à l'intérieur (proverbe chinois)