RR classic V8 dont le moteur se coupe

Bidouillages électriques, codes d'erreur ECU...

Modérateurs : The Pater, LØLØ

Règles du forum
En naviguant sur le site http://www.landroverfaq.com vous reconnaissez avoir lu ses Conditions d’Utilisation, vous déclarez les comprendre et vous acceptez d’y être lié de manière inconditionnelle. Si tel n'est pas le cas, merci de quitter immédiatement ce site.

Vous pouvez joindre autant d'images que nécessaire à vos messages A LA CONDITION EXPRESSE d'utiliser l'hébergement fourni par le site.

L'administrateur effacera systématiquement tout message contenant des photos hébergées chez Imageschack, Casimage, Wistiti ou tout autre hébergeur tiers sans sommation ni justification.
Avatar du membre
Indy45
Habitué
Messages : 40
Enregistré le : 11/01/2011 12:46
Localisation : Saint Aubin du Vieil Evreux

RR classic V8 dont le moteur se coupe

Message non lu par Indy45 »

Bonjour,

Sur le RR classic V8 3.9 efi de madame, un bien étrange phénomène se produit depuis deux jours.

Tout a commencé par la pompe de lave glace qui tournait seule au petit matin... étrange pour un plus après contact. J'ai débranché la pompe.

Lorsque j'ai démarré le véhicule il a tourné 20 secondes et s'est éteint. Après plusieurs essais il a redémarré sans aucuns soucis et à roulé toute la journée sans plus se faire remarquer.

Ce matin, rebelote, le moteur se lance, tourne 20 secondes et s'éteint... après plusieurs essais il redémarre sans soucis.

Un problème de neiman peut-il engendrer ce genre de symptômes?

Par avance merci de vos réponses.
Avatar du membre
rrquebec
Habitué
Messages : 1146
Enregistré le : 16/05/2007 15:04
Localisation : Québec
Contact :

Re: RR classic V8 dont le moteur se coupe

Message non lu par rrquebec »

bonjour,

J'avais eu des soucis intermittent du style et il s'agissait de l'amplificateur d'allumage sur l'allumeur.
Mais c'était un range de 94 4.2 litres.
Je ne sais sur le tien si il y a aussi un ampli d'allumage capricieux comme sur les 94.

rrquébec
Avatar du membre
Indy45
Habitué
Messages : 40
Enregistré le : 11/01/2011 12:46
Localisation : Saint Aubin du Vieil Evreux

Re: RR classic V8 dont le moteur se coupe

Message non lu par Indy45 »

rrquebec a écrit :Je ne sais sur le tien si il y a aussi un ampli d'allumage capricieux comme sur les 94.

rrquébec
Au secour Lolo, y'a des gens qui me parlent avec des mots bizarres...

...désolé...

Sinon, je ne sait pas si la bestiolle a un ampli d'allumage, moi je ne connais que les 300 Tdi... Mais je te remercie de la piste, je vais voir de ce coté.

Je ne sais pas si il y a un lien mais je trouve que le régime moteur est excessivement bas lorsqu'il est au ralenti. :(
Avatar du membre
LØLØ
Modérateur
Messages : 6210
Enregistré le : 30/07/2006 15:41
Localisation : guainville (28 )
Contact :

Re: RR classic V8 dont le moteur se coupe

Message non lu par LØLØ »

Indy45 a écrit :
rrquebec a écrit :Je ne sais sur le tien si il y a aussi un ampli d'allumage capricieux comme sur les 94.

rrquébec
Au secour Lolo, y'a des gens qui me parlent avec des mots bizarres...

...désolé...

Sinon, je ne sait pas si la bestiolle a un ampli d'allumage, moi je ne connais que les 300 Tdi... Mais je te remercie de la piste, je vais voir de ce coté.

Je ne sais pas si il y a un lien mais je trouve que le régime moteur est excessivement bas lorsqu'il est au ralenti. :(
Salut,
Oui, il y a un ampli d'allumage, qui pourrait justifier un problème de ralenti ou d’arrêt intempestif. Mais le lien avec le moteur de lave glace qui se déclenche tout seul, je ne le vois pas. Pour cela il faut appuyer sur le commodo. En attendant, débranche la batterie des fois que cela soit un problème de court circuit dans le faisceau.
Tous les fusibles sont-ils bon ?
Tout ce qui est électrique fonctionnent ils normalement ?
Le gamin ne s'est-il pas énervé sur les commodos de maman ?
Les ranges, tu le sais bien, je ne connais pas trop :( attends de voir des avis un peu plus éclairé que le mien.
Un vague schéma, qui montre que le moteur de lave glace dépend du +12V après contact:
circuit lave glace.jpg
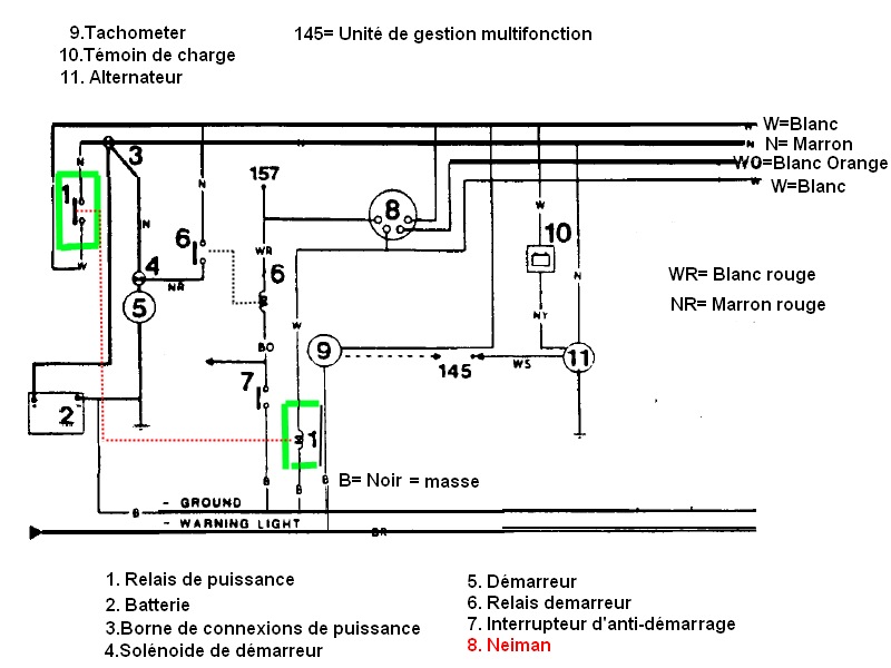
Un autre vague schéma du circuit de neiman, il y a peut-être un relais qui reste collé. Voir avec la fonction recherche sur le faq ou un thème approchant
a été abordé.
Neiman range.jpg
A+
2 solutions: la bonne et l'Anglaise
LUCAS: Il n'y a pas de contact où il le faut et il y en a un où il ne faut pas
On ne peut aller loin en amitié, si on n'est pas disposé à se pardonner les uns aux autres les petits défauts.
www.eternal-vehicles.fr
Avatar du membre
Indy45
Habitué
Messages : 40
Enregistré le : 11/01/2011 12:46
Localisation : Saint Aubin du Vieil Evreux

Re: RR classic V8 dont le moteur se coupe

Message non lu par Indy45 »

Bonjour, nouvel épisode, maintenant le véhicule cale alors même qu'il roule...

Plus rien ne fonctionne, même pas les warning... En enlevant la clé les warning re-fonctionnent.

:sm4:
Avatar du membre
Indy45
Habitué
Messages : 40
Enregistré le : 11/01/2011 12:46
Localisation : Saint Aubin du Vieil Evreux

Re: RR classic V8 dont le moteur se coupe

Message non lu par Indy45 »

Au fait Lolo...

Cyril me dit que je n'ai pas d'ampli d'allumage... En tout cas pas à la place où il devrait être.

Ne sachant pas à quoi cela peut ressembler, pas facile de le chercher.
Avatar du membre
LØLØ
Modérateur
Messages : 6210
Enregistré le : 30/07/2006 15:41
Localisation : guainville (28 )
Contact :

Re: RR classic V8 dont le moteur se coupe

Message non lu par LØLØ »

Salut, bien sur que si, vue que tu n'as pas de vis platinées. Il confond avec calculateur.
Plus warnings, cela veut dire que c'est du lourd. Vérifies cosses de masse, cosses batteries, cosses l'alternateur.
A+
2 solutions: la bonne et l'Anglaise
LUCAS: Il n'y a pas de contact où il le faut et il y en a un où il ne faut pas
On ne peut aller loin en amitié, si on n'est pas disposé à se pardonner les uns aux autres les petits défauts.
www.eternal-vehicles.fr
Avatar du membre
Feub
Habitué
Messages : 3928
Enregistré le : 25/11/2004 11:29
Localisation : Saint Jean la Bussière

Re: RR classic V8 dont le moteur se coupe

Message non lu par Feub »

Pas sur que ce soit du lourd, mais l'électricité à l'anglaise est tellement... anglaise!! :mrgreen: Je serai pas étonné que ce soit une petite connerie, genre un relai qui déconne, mais pour dire lequel...

Faut s'armer d'un multimètre et du schéma, et d'une bonne patience!!
Avatar du membre
LØLØ
Modérateur
Messages : 6210
Enregistré le : 30/07/2006 15:41
Localisation : guainville (28 )
Contact :

Re: RR classic V8 dont le moteur se coupe

Message non lu par LØLØ »

Feub a écrit :
Faut s'armer d'un multimètre et du schéma, et d'une bonne patience!!
Salut,
Je ne sais pas pour quoi, mais je sens que celui là est pour moi :sm1: . Quand je dis du lourd je pense a un ennui sur le faisceau, car je ne vois pas sur le schéma ce qui pourrait mettre la pompe de lave glace en route de façon intempestive vue qu'elle est sur un +12 V après contact, donc voir si d'autre fonctions qui habituellement dépendent du + après contact sont alimentées aussi ? Le ralentie lent et les problèmes de démarrage, les warnings qui dépendent d'un + avant contact, tout ça me fait penser à un problème sur l'alimentation générale. :(
Tu seras là? Hein dis... Parce que les ranges :? c'est pas ma tasse de thé.
A+
2 solutions: la bonne et l'Anglaise
LUCAS: Il n'y a pas de contact où il le faut et il y en a un où il ne faut pas
On ne peut aller loin en amitié, si on n'est pas disposé à se pardonner les uns aux autres les petits défauts.
www.eternal-vehicles.fr
Avatar du membre
Feub
Habitué
Messages : 3928
Enregistré le : 25/11/2004 11:29
Localisation : Saint Jean la Bussière

Re: RR classic V8 dont le moteur se coupe

Message non lu par Feub »

Je serai avec toi, par la pensée :mrgreen: :mrgreen:

J'ai eu du mal avec mon range 200 Tdi de début 1994, ces derniers modèles ont un circuit électrique qui commence a être très complexe!! Et dans mon cas, c'est un rongeur qui avait élu domicile dans le tableau de bord qui m'avait grignoté quelques fils :shock:

Et le gros soucis, c'est qu'il y a vraiment beaucoup de fils et petits en plus, du coup si un chauffe, il fait vite 'contact' avec son voisin, et le résultat peut être très surprenant!
Avatar du membre
LØLØ
Modérateur
Messages : 6210
Enregistré le : 30/07/2006 15:41
Localisation : guainville (28 )
Contact :

Re: RR classic V8 dont le moteur se coupe

Message non lu par LØLØ »

Salut,
Merci merci, même par la pensé cela aide et soutien.
Feub a écrit : le résultat peut être très surprenant!
Oui c'est bien dans ce sens là que je pense au "lourd" un moteur de lave glace qui se met en route tout seul, ne m'inspire rien de bon ou de simple.
Un défaut du neiman j'ai du mal a y croire, un patte à caisse dans le faisceau du genre de celui de ton rongeur me parait plus probable, ou bien une partie du faisceau fondu.
A+
2 solutions: la bonne et l'Anglaise
LUCAS: Il n'y a pas de contact où il le faut et il y en a un où il ne faut pas
On ne peut aller loin en amitié, si on n'est pas disposé à se pardonner les uns aux autres les petits défauts.
www.eternal-vehicles.fr
Avatar du membre
Indy45
Habitué
Messages : 40
Enregistré le : 11/01/2011 12:46
Localisation : Saint Aubin du Vieil Evreux

Re: RR classic V8 dont le moteur se coupe

Message non lu par Indy45 »

Bon, j'ai quand même vérifié 2 - 3 trucs ce samedi...
Une tresse qui reliait le bloc moteur à la caisse était sectionnée, je l'ai remplacée.
Le relai qui est derriere le reservoir de lave glasse était branlant, je l'ai remplacé.
J'ai changé la bobine...
Mais je vous rassure, je n'ai toujours pas d'allumage.
Avatar du membre
LØLØ
Modérateur
Messages : 6210
Enregistré le : 30/07/2006 15:41
Localisation : guainville (28 )
Contact :

Re: RR classic V8 dont le moteur se coupe

Message non lu par LØLØ »

Salut,
Le problème du moteur de lave glace qui tourne comme bon lui semble n'a pas été résolu, puisque le moteur est simplement débranché.
La tresse le masse moteur HS, fait que le retour de masse lors d'un démarrage s'effectuait par... une liste un peu longue genre câble de frein à main, et autre petits liens mécanique ou électrique, instruments, petits fils de masse dans le faisceau qui auraient put fondre et provoquer divers court circuit.
Donc cherches dans ce sens là.
Rebranches le moteur d’essuie glace ou une lampe teste à la place pour ne pas le griller et cherche ce qui couperait sont alimentation.
A+
2 solutions: la bonne et l'Anglaise
LUCAS: Il n'y a pas de contact où il le faut et il y en a un où il ne faut pas
On ne peut aller loin en amitié, si on n'est pas disposé à se pardonner les uns aux autres les petits défauts.
www.eternal-vehicles.fr
Avatar du membre
Indy45
Habitué
Messages : 40
Enregistré le : 11/01/2011 12:46
Localisation : Saint Aubin du Vieil Evreux

Re: RR classic V8 dont le moteur se coupe

Message non lu par Indy45 »

J'ai déjà rebranché le moteur du lave glace, il ne tournait pas, mais je me demande sil ne tournait pas parce que fusible mort ou parce que moteur grillé...
J'allais aller voir sous les sièges si je n'avait pas quelque chose de fondu.

Bon ben là je vais aller à Orly... et lundi je reste à la maison pour faire taxi. :P
Avatar du membre
LØLØ
Modérateur
Messages : 6210
Enregistré le : 30/07/2006 15:41
Localisation : guainville (28 )
Contact :

Re: RR classic V8 dont le moteur se coupe

Message non lu par LØLØ »

Salut,
Indy45 a écrit :J'ai déjà rebranché le moteur du lave glace, il ne tournait pas,
Ah?
mais je me demande sil ne tournait pas parce que fusible mort
Tu as trouvé un ou des fusibles morts?
ou parce que moteur grillé...
Quand tu l'as arrêté il tournait, donc, il devrait encore tourner.
J'allais aller voir sous les sièges si je n'avait pas quelque chose de fondu.
Et alors?
Bon ben là je vais aller à Orly...et lundi je reste à la maison pour faire taxi. :P
ça on s'en fout, cela ne fait pas avancer l’enquête. :wink:
A+
2 solutions: la bonne et l'Anglaise
LUCAS: Il n'y a pas de contact où il le faut et il y en a un où il ne faut pas
On ne peut aller loin en amitié, si on n'est pas disposé à se pardonner les uns aux autres les petits défauts.
www.eternal-vehicles.fr
Avatar du membre
Indy45
Habitué
Messages : 40
Enregistré le : 11/01/2011 12:46
Localisation : Saint Aubin du Vieil Evreux

Re: RR classic V8 dont le moteur se coupe

Message non lu par Indy45 »

Salut mon Lolo,

Qu'est ce que tu peux etre méchant avec les grands voyageurs...

Une fois cette appartée faite, j'ai effectivement trouvé un fusible de grillé mais c'était celui du toit ouvrant...

Par contre pas eu le temps d'aller sous le siège, il a d'abord fallut que je comprenne comment on y va mais Vat m'a répondu vu que tu ne réponds pas au tel...

Demain je démonte le reservoir de lave glace et je suis les fils qui se sauvent dans tous les sens. Par contre le relai qui est derriere ce reservoir a l'air secoué (traces de chaud, en le secouant bruit de tirelire pleine...)
Avatar du membre
Indy45
Habitué
Messages : 40
Enregistré le : 11/01/2011 12:46
Localisation : Saint Aubin du Vieil Evreux

Re: RR classic V8 dont le moteur se coupe

Message non lu par Indy45 »

ALors, en démontant tous les plastiques inutils qui habille l'interieur du range j'ai trouvé un fusible de 25A grillé (sous le volant???) et un fil blanc liseret noir entièrement fondu.
Ce fil part dans la portière conducteur. Quelqu'un saurait-il à quoi il sert?
Photo0490.jpg
Avatar du membre
LØLØ
Modérateur
Messages : 6210
Enregistré le : 30/07/2006 15:41
Localisation : guainville (28 )
Contact :

Re: RR classic V8 dont le moteur se coupe

Message non lu par LØLØ »

Salut
Les fils de couleur Blanc liseré noir ( WB ) sont relativement courant. Il y en a même un sur l'ampli d'allumage.
Le seul fusible 25A en faisceau et non au tableau de fusible que j'ai pu repérer concerne l’option pare brise chauffant, (fil vert d'un coté du porte fusible)
Quelles sont les option dont est équipé la porte chauffeur:
Dégivrage serrure; centralisation; vitre électrique... ?
A+
2 solutions: la bonne et l'Anglaise
LUCAS: Il n'y a pas de contact où il le faut et il y en a un où il ne faut pas
On ne peut aller loin en amitié, si on n'est pas disposé à se pardonner les uns aux autres les petits défauts.
www.eternal-vehicles.fr
Avatar du membre
Indy45
Habitué
Messages : 40
Enregistré le : 11/01/2011 12:46
Localisation : Saint Aubin du Vieil Evreux

Re: RR classic V8 dont le moteur se coupe

Message non lu par Indy45 »

Bon, j'ai démonté toute la garniture de porte...

Le fameux fil blanc liseret noir va jusque dans le retroviseur.

Je ne sais pas si le retro est èquipé d'un système de dégivrage mais il est electrique :lol: , enfin, il l'était.

Je continu de remonter mon fil à l'interieur de la voiture pour décoller tous les autres fils soudé ensemble par la gaine qui a fondue. Penses-tu qu'il y ait un relai entre la manette de retro et le retro lui-même?
Avatar du membre
Indy45
Habitué
Messages : 40
Enregistré le : 11/01/2011 12:46
Localisation : Saint Aubin du Vieil Evreux

Re: RR classic V8 dont le moteur se coupe

Message non lu par Indy45 »

LØLØ a écrit :Le seul fusible 25A en faisceau et non au tableau de fusible que j'ai pu repérer concerne l’option pare brise chauffant, (fil vert d'un coté du porte fusible)
A+
Heu, moi il y en a deux... Dont un n'a pas grillé...
Répondre

Retourner vers « Electricité • Electronique »