Fusible 30A qui saute
Règles du forum
En naviguant sur le site http://www.landroverfaq.com vous reconnaissez avoir lu ses Conditions d’Utilisation, vous déclarez les comprendre et vous acceptez d’y être lié de manière inconditionnelle. Si tel n'est pas le cas, merci de quitter immédiatement ce site.
Vous pouvez joindre autant d'images que nécessaire à vos messages A LA CONDITION EXPRESSE d'utiliser l'hébergement fourni par le site.
L'administrateur effacera systématiquement tout message contenant des photos hébergées chez Imageschack, Casimage, Wistiti ou tout autre hébergeur tiers sans sommation ni justification.
En naviguant sur le site http://www.landroverfaq.com vous reconnaissez avoir lu ses Conditions d’Utilisation, vous déclarez les comprendre et vous acceptez d’y être lié de manière inconditionnelle. Si tel n'est pas le cas, merci de quitter immédiatement ce site.
Vous pouvez joindre autant d'images que nécessaire à vos messages A LA CONDITION EXPRESSE d'utiliser l'hébergement fourni par le site.
L'administrateur effacera systématiquement tout message contenant des photos hébergées chez Imageschack, Casimage, Wistiti ou tout autre hébergeur tiers sans sommation ni justification.
Fusible 30A qui saute
Bonjour voilà mon souci depuis quelque jours plus de veilleuse ni de phares après avoir vérifié mes fusibles tout est bon sauf le 30A situer compartiment moteur, J'ai bien lus tous les postes à ce sujet pas moyen de trouver la panne
mon véhicule et un defender 300 tdi de 98
un homme averti en vaut deux
Re: Fusible 30A qui saute
Je n'ai jamais eu ce souci sur mon ex 300TDI, mais il m'est arrivé un truc du même genre cet été en Islande avec le TD4 (et là-bas, c'est codes tout le temps...)
Un matin, au démarrage, plus de phares (codes) ni veilleuses. Comme toi, j'ai pensais aux fusibles mais rien...
Après avoir tatonné un moment, je me suis rendu compte qu'en passant des codes aux phares, tout se "débloquait". Ca a duré quelques jours et puis ça s'est réglé tout seul et je n'ai jamais trouvé la panne...(j'avais pensé soit à l'humidité (les gués), soit aux vibrations, ou encore au comodo...)
As-tu essayé cela ?
A+
Pascal.
Un matin, au démarrage, plus de phares (codes) ni veilleuses. Comme toi, j'ai pensais aux fusibles mais rien...
Après avoir tatonné un moment, je me suis rendu compte qu'en passant des codes aux phares, tout se "débloquait". Ca a duré quelques jours et puis ça s'est réglé tout seul et je n'ai jamais trouvé la panne...(j'avais pensé soit à l'humidité (les gués), soit aux vibrations, ou encore au comodo...)
As-tu essayé cela ?
A+
Pascal.
- The Pater
- Modérateur
- Messages : 13985
- Enregistré le : 25/08/2004 8:19
- Localisation : 06°27'46"E 45°50'29"N
Re: Fusible 30A qui saute
Le 30A.... donc tu en as un seul, donc pas de clim ni de vitre arrière dégivrant.titus2a a écrit :Moi j'ai le fusible 30A qui grille(
J'ai pas le schéma électrique sous les yeux, mais AMHA, tu devrais t'armer de plusieurs fusibles 30 A et en retirant et remettant les fusibles de l'habitacle servant à protéger le circuit des lampes (cligno, phares etc...), voir quand tu ne ne feras plus sauter le 30 A.
Question : as tu une prise remorque ?
A+
Ingénieur :
Personne faisant un travail divinatoire de précision basé sur des informations peu fiables données par des personnes peu qualifiées, voire ignorantes.
=>, magicien, devin, sorcier
Personne faisant un travail divinatoire de précision basé sur des informations peu fiables données par des personnes peu qualifiées, voire ignorantes.
=>, magicien, devin, sorcier
Re: Fusible 30A qui saute
Bonjour je posede bien une prise remorque, et j'ai aussi le dégivrage vitre arrière, pas de clim pas de vitres électrique
un homme averti en vaut deux
Re: Fusible 30A qui saute
J'ai bien retiré tous les fusibles abitacle et le 30A saute encore !!!
un homme averti en vaut deux
Re: Fusible 30A qui saute
Combien y a t'il de connecteur bleu sur un def? J'en ai trouver un côté derrière le tableau de bord, merci
un homme averti en vaut deux
- The Pater
- Modérateur
- Messages : 13985
- Enregistré le : 25/08/2004 8:19
- Localisation : 06°27'46"E 45°50'29"N
Re: Fusible 30A qui saute
Grosso modo ce fusible sert :titus2a a écrit :J'ai bien retiré tous les fusibles abitacle et le 30A saute encore !!!
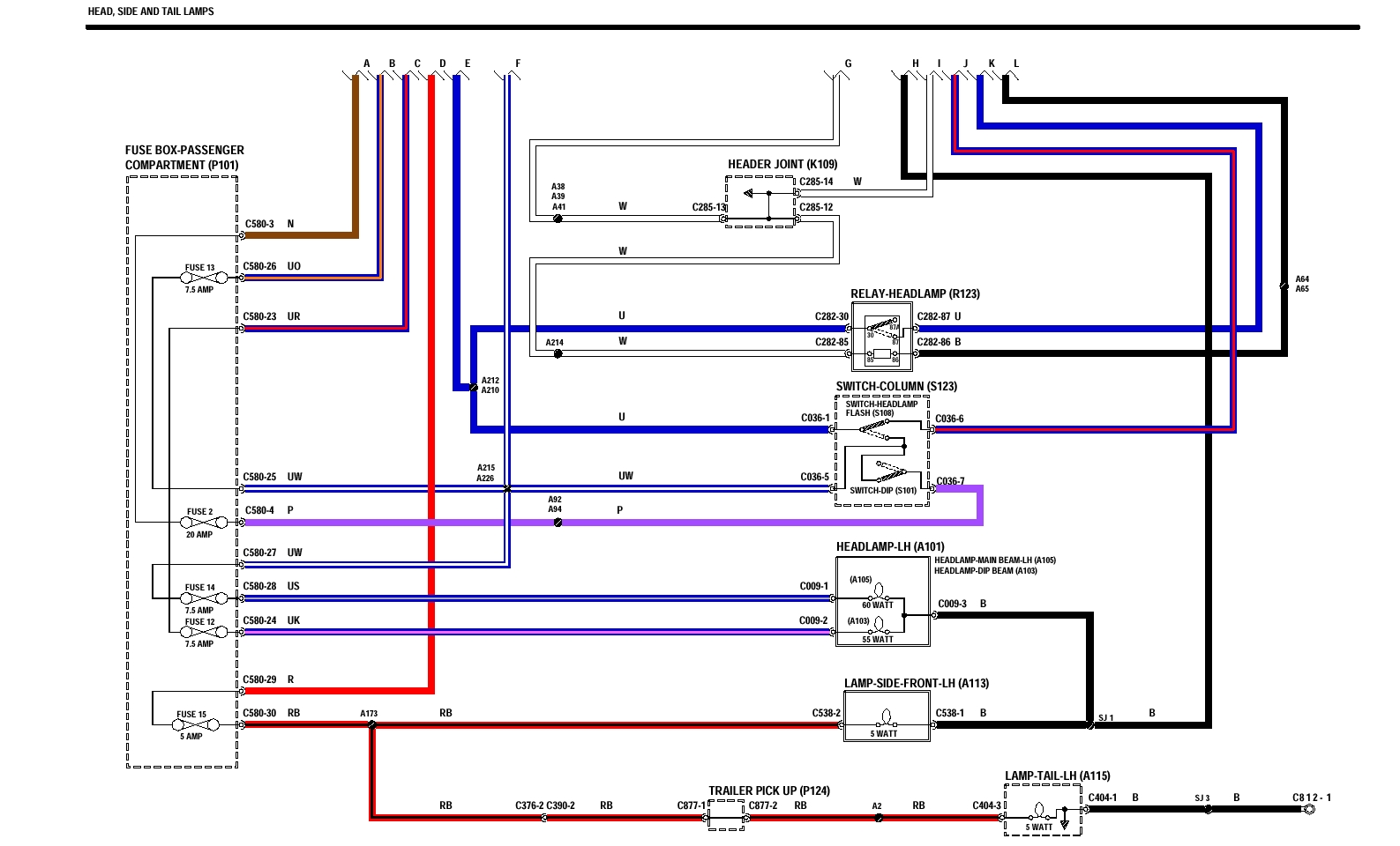
1) A tout ce qui est éclairage, allume cigare, prise remorque, jauges de température de LdR et de niveau de carburant.... et passe pour cela par la boite à fusible de l'habitacle. Donc si tu as enlevé les fusibles de l'habitacle, si un court circuit se fait sur ce circuit, le problème est entre la boite à fusible compartiment moteur et la boite à fusible dans l'habitacle.... et il y a du monde, comme les relais, les interrupteurs lumière, l'interrupteur de passage en code ou en phare de croisement, une résistance etc....
2) A l'alarme en direct (relais, led, boite à fusible 15 A de protection ECU). As tu l'alarme de monté ?
A+
Ingénieur :
Personne faisant un travail divinatoire de précision basé sur des informations peu fiables données par des personnes peu qualifiées, voire ignorantes.
=>, magicien, devin, sorcier
Personne faisant un travail divinatoire de précision basé sur des informations peu fiables données par des personnes peu qualifiées, voire ignorantes.
=>, magicien, devin, sorcier
Re: Fusible 30A qui saute
Panne trouver
) comodo des plein phare hs, pourtant il fonctionner seul mais vu que c''est lui qui alimente le petit comodo il me fesait griller le fusible, merci pour votre à tous;-)
un homme averti en vaut deux
- LØLØ
- Modérateur
- Messages : 6210
- Enregistré le : 30/07/2006 15:41
- Localisation : guainville (28 )
- Contact :
Re: Fusible 30A qui saute
Salut, HS comment ?titus2a a écrit :Panne trouver) comodo des plein phare hs, pourtant il fonctionner seul mais vu que c''est lui qui alimente le petit comodo il me fesait griller le fusible, merci pour votre à tous;-)
C'est le petit commodo, qui alimente une partie du grand commodo via le fusible de 30 A. Le grand commodo est alimenté aussi par un 12V permanent qui vient du 60 A, pour la fonction appel de phare, même lorsque le petit commodo est sur éteint.
Par contre, vérifies le petit commodo, ou du moins garde en mémoire, qu'il a put chauffer et te jouer un tour un de ces quatre matins. Car pour que le grand commodo fasse sauter le fusible de 30A, c'est obligé le courant de court circuit est passé par le petit. Il y a d'autre fonctions rempli par le grand commodo comme les clignotants et le klaxon qui n'apparaisse pas sur le schéma. Mais est-ce qu'il n'y aurait pas eu un problème a un de ces éléments là ?
Contrôle aussi une usure par frottement sur le faisceau du commodo, avant et après le connecteur.
Si par hasard, tu souhaitais jeter ton commodo HS, jette le dans ma boite aux lettres pour autopsie, que je placerai a la suite de ton intervention.
A+
2 solutions: la bonne et l'Anglaise
LUCAS: Il n'y a pas de contact où il le faut et il y en a un où il ne faut pas
On ne peut aller loin en amitié, si on n'est pas disposé à se pardonner les uns aux autres les petits défauts.
www.eternal-vehicles.fr
LUCAS: Il n'y a pas de contact où il le faut et il y en a un où il ne faut pas
On ne peut aller loin en amitié, si on n'est pas disposé à se pardonner les uns aux autres les petits défauts.
www.eternal-vehicles.fr
Re: Fusible 30A qui saute
Salut Lolo, en faite c le système de languette à l'intérieure du comodo qui fait court jus un copain et venu m'aider et il a. Fait un pont pour éviter le passage sur la position qui griller le fusible, je c pas si je suis clair quand mon explication lol, si j'arrive je mettrai des photos
un homme averti en vaut deux
Re: Fusible 30A qui saute
Bonjour me revoilà avec mon fusible qui grille de nouveau après avoir changer le comodo tout fonctionner bien et me revoilà dans le noir 
un homme averti en vaut deux
- LØLØ
- Modérateur
- Messages : 6210
- Enregistré le : 30/07/2006 15:41
- Localisation : guainville (28 )
- Contact :
Re: Fusible 30A qui saute
Salut,
As tu des options monté dépendant de la position veilleuse, et code/phare du petit commodo ?
As tu remarqué un lien entre la météo humide et la rupture du fusible 30A ?
Dans quelle circonstance exacte le fusible de 30 A saute ?
De quel commodo parles tu du grand ou du petit ?
Le petit commodo est alimenté par le fusible 30A.
Le grand commodo est alimenté pour la fonction appelle de phare par le fusible 60A. Ce qui permet d'avoir les appelles de phare indépendamment de la positon petit commodo. Tu peux débrancher même le petit commodo, tu auras encore les appelles de phare.
Fais toi un fusible réarmable à l'aide d'un disjoncteur magnétothermique de 32A. Regardes sur le lien le principe: Clignotants HS et fusible qui saute
A+
As tu des options monté dépendant de la position veilleuse, et code/phare du petit commodo ?
As tu remarqué un lien entre la météo humide et la rupture du fusible 30A ?
Dans quelle circonstance exacte le fusible de 30 A saute ?
Non.titus2a a écrit :Salut Lolo, en faite c le système de languette à l'intérieure du comodo qui fait court jus un copain et venu m'aider et il a. Fait un pont pour éviter le passage sur la position qui griller le fusible, je c pas si je suis clair quand mon explication lol, si j'arrive je mettrai des photos
De quel commodo parles tu du grand ou du petit ?
Non ce n'est pas le grand commodo qui alimente le petit, relis ce qu'il y a d'écrit plus haut.titus2a a écrit :Panne trouver) comodo des plein phare hs, pourtant il fonctionner seul mais vu que c''est lui qui alimente le petit comodo il me fesait griller le fusible, merci pour votre à tous;-)
Le petit commodo est alimenté par le fusible 30A.
Le grand commodo est alimenté pour la fonction appelle de phare par le fusible 60A. Ce qui permet d'avoir les appelles de phare indépendamment de la positon petit commodo. Tu peux débrancher même le petit commodo, tu auras encore les appelles de phare.
Fais toi un fusible réarmable à l'aide d'un disjoncteur magnétothermique de 32A. Regardes sur le lien le principe: Clignotants HS et fusible qui saute
A+
2 solutions: la bonne et l'Anglaise
LUCAS: Il n'y a pas de contact où il le faut et il y en a un où il ne faut pas
On ne peut aller loin en amitié, si on n'est pas disposé à se pardonner les uns aux autres les petits défauts.
www.eternal-vehicles.fr
LUCAS: Il n'y a pas de contact où il le faut et il y en a un où il ne faut pas
On ne peut aller loin en amitié, si on n'est pas disposé à se pardonner les uns aux autres les petits défauts.
www.eternal-vehicles.fr
Re: Fusible 30A qui saute
Bonjour Lolo, hier la pluie été au rdv tout a fonctionner et ce matin plus rien, je n'ai rien monter sur le petit comodo, le dépannage avez été fait sur le grand comodo, ce fusible n'alimente pas que les phares? J'ai regarder le schéma électrique mais bon pas facile
un homme averti en vaut deux
Re: Fusible 30A qui saute
Pardon même sans contact et les comodos débrancher le fusible grille !!!!
un homme averti en vaut deux
- LØLØ
- Modérateur
- Messages : 6210
- Enregistré le : 30/07/2006 15:41
- Localisation : guainville (28 )
- Contact :
Re: Fusible 30A qui saute
Salut, donc Pater a raison, le défaut se situe entre le porte fusible du compartiment moteur, voir le porte fusible lui même et le connecteur du petit commodo.titus2a a écrit :Pardon même sans contact et les comodos débrancher le fusible grille !!!!
Ton 300 est de 98, cela veut dire que très probablement, tu as une alarme( boitier vert) avec une boite noire immobilisatrice sous le siège du chauffeur, qui agit sur l’électrovanne et le solénoïde de démarreur.
Un autre petit schéma simplifier de la zone alimentée par le fusible 30A à inspecter, pour illustrer les propos du Pater. As tu une alarme, avec la petite LED au milieu du tableau de bord ?
Donc au cas où, pour approfondir un peu: Il faut contrôler, si le système d'alarme a été supprimé, comment il a été supprimé, ou bien, si il est pré-câbler, vérifier qu'il n'y a pas de problème sur une terminaison qui se baladerait et qui frotterait quelque par de façon indésirable sur la caisse ou un sur un fil de masse ou qui prendrait l'humidité. Sur le schéma un peu éclairci, les parties entourées A, B et C montre des éléments faisant partie du système d'alarme qui peuvent te mettre en défaut le fusible 1 de 30A du compartiment moteur. Repére A: Connecteur de sirène d'alarme qui se balade dans le compartiment moteur: Repère B: La petite LED du tableau de bord. Je ne crois pas quelle soit en cause. Sa masse est commutée par le boitier d'alarme en fixe ou en intermittente. mais dans la mesure ou elle aussi est relier directement au fusible 1 de 30A, j'y jetterai un oeil quand même. Repère C: lui est intéressant à contrôler car, par ce relais passe la commande du klaxon commandé par le grand commodo d'une part et qui est commandé par le boitier d'alarme pour faire jouer le rôle de la sirène au klaxon. Comme on peut le voir, sa bobine est alimentée par le fusible 1 de 30A, mais aussi qu'il l'alimente le contact de puissance servant à alimenter le klaxon. Il est à remarquer, que tous les fils arrivant sur des éléments périphériques d'alarme sont noirs, cela ne veut pas dire dans ce cas, que ce sont forcément des masses attention de ne pas les confondre. Ceci est juste fait afin d'embrouiller d'éventuel voleur.
Bonne recherche.
A+
2 solutions: la bonne et l'Anglaise
LUCAS: Il n'y a pas de contact où il le faut et il y en a un où il ne faut pas
On ne peut aller loin en amitié, si on n'est pas disposé à se pardonner les uns aux autres les petits défauts.
www.eternal-vehicles.fr
LUCAS: Il n'y a pas de contact où il le faut et il y en a un où il ne faut pas
On ne peut aller loin en amitié, si on n'est pas disposé à se pardonner les uns aux autres les petits défauts.
www.eternal-vehicles.fr
Re: Fusible 30A qui saute
Bonsoir Lolo, non je n'ai aucune led d'alarme sur mon tableau de bord, demain je v suivre toutes les pistes que tu me donne j'espère finir par trouver
, je te tiens au courant lol
un homme averti en vaut deux
- LØLØ
- Modérateur
- Messages : 6210
- Enregistré le : 30/07/2006 15:41
- Localisation : guainville (28 )
- Contact :
Re: Fusible 30A qui saute
Salut,The Pater a écrit : 2) A l'alarme en direct (relais, led, boite à fusible 15 A de protection ECU). As tu l'alarme de monté ?
As tu remarqué comme il était difficile, d'avoir une réponse aux questions posées.
Questions:
Elle te plais ma sœur ?
...
Comment ça, elle est pas jolie ma sœur ?
...
A+
2 solutions: la bonne et l'Anglaise
LUCAS: Il n'y a pas de contact où il le faut et il y en a un où il ne faut pas
On ne peut aller loin en amitié, si on n'est pas disposé à se pardonner les uns aux autres les petits défauts.
www.eternal-vehicles.fr
LUCAS: Il n'y a pas de contact où il le faut et il y en a un où il ne faut pas
On ne peut aller loin en amitié, si on n'est pas disposé à se pardonner les uns aux autres les petits défauts.
www.eternal-vehicles.fr
- LØLØ
- Modérateur
- Messages : 6210
- Enregistré le : 30/07/2006 15:41
- Localisation : guainville (28 )
- Contact :
Re: Fusible 30A qui saute
Salut,
Autre contrôle qu'on appellera D: celui ci concerne: la résistance, son connecteur ou ses fils. Je ne suis pas sur non plus que ton land en soit pourvu, mais sait-on jamais. Elle est rivetée sur le passage d'aile avant droit.
Le bout de schéma, où l'on peut voir qu'elle est bien connectée au fusible 1 de 30A: Sont aspect, on voit que c'est une résistance de puissance. A+
Autre contrôle qu'on appellera D: celui ci concerne: la résistance, son connecteur ou ses fils. Je ne suis pas sur non plus que ton land en soit pourvu, mais sait-on jamais. Elle est rivetée sur le passage d'aile avant droit.
Le bout de schéma, où l'on peut voir qu'elle est bien connectée au fusible 1 de 30A: Sont aspect, on voit que c'est une résistance de puissance. A+
2 solutions: la bonne et l'Anglaise
LUCAS: Il n'y a pas de contact où il le faut et il y en a un où il ne faut pas
On ne peut aller loin en amitié, si on n'est pas disposé à se pardonner les uns aux autres les petits défauts.
www.eternal-vehicles.fr
LUCAS: Il n'y a pas de contact où il le faut et il y en a un où il ne faut pas
On ne peut aller loin en amitié, si on n'est pas disposé à se pardonner les uns aux autres les petits défauts.
www.eternal-vehicles.fr