Restauration Land 90 de 1986

Vous transplantez une mécanique d'un véhicule à un autre, vous rallongez ou raccourcissez votre véhicule, vous remettez à neuf une vieille gloire !?! Cette rubrique est pour vous !

Modérateurs : LØLØ, The Pater

Règles du forum
En naviguant sur le site http://www.landroverfaq.com vous reconnaissez avoir lu ses Conditions d’Utilisation, vous déclarez les comprendre et vous acceptez d’y être lié de manière inconditionnelle. Si tel n'est pas le cas, merci de quitter immédiatement ce site.

Vous pouvez joindre autant d'images que nécessaire à vos messages A LA CONDITION EXPRESSE d'utiliser l'hébergement fourni par le site.

L'administrateur effacera systématiquement tout message contenant des photos hébergées chez Imageschack, Casimage, Wistiti ou tout autre hébergeur tiers sans sommation ni justification.
Thierry Sir Titou
Habitué
Messages : 42
Enregistré le : 24/08/2012 23:17

Restauration Land 90 de 1986

Message non lu par Thierry Sir Titou »

Bon, je viens de m'attaquer à la restauration d'un Land 90 de 1986... et oui, le titre de Defender n'arrivera que quelques mois plus tard :)

Côté carrosserie, c'est pas trop mal... on va dire...
Le châssis... pas bien grave... quelques points de rouille, mais pas trop méchant dans l'ensemble...
L'habitacle... on dirait qu'une tornade s'est attardée à l'intérieur... faut tout refaire... mais avec peu de frais, on doit y arriver...
Le moteur... le vieux 2.5 D qui aurait aux dires de l'ancien proprio dans les 150000 bornes... me fait savoir qu'il vit... quelques fuites à droite et à gauche...

Je me suis donc attaqué à ce dernier... le reste peut attendre... alors pour commencer... on vide les fluides... on démonte le carter... suppression du filtre en liège qui pisse de partout... une bonne pâte à joint... et roule... là... un suintement d'eau à une pastille de sablage... quelle horreur... on éjecte, on remplace... on refait le circuit d'eau en changeant le vase d'expansion qui fuit lui aussi.... beurk... :mrgreen:

Remplacement des bougies, filtres, etc... etc...

Ce matin, tout semble OK... enfin presque :sm5: La bougresse ne veut pas démarrer... la batterie montre des signes de faiblesse... je charge... et je démarre... mais tout de même... c'est poussif, il faut insister pour faire tourner le bourrin... me demande même si les bougies sont alimentées ???

Bref, le moteur tourne enfin... plus de fuite au carter d'huile... yesssss... plus de fuite d'eau.... yesss... mais là, que vois-je : une fuite à un injecteur... merdum et sous le moteur, une fuite entre le moteur et la boîte... aïe, aïe, aïe... un joint spi... là, c'est la tuile... je ne suis pas équipé pour ce genre de dépose :(

J'espère que le 2.5 ne va pas me réserver d'autres surprises... ça sent pas bon...

Restauration de l'habitacle... ça me va... mais la mécanique, ça va devenir plus long :sm6:
Thierry Sir Titou
Habitué
Messages : 42
Enregistré le : 24/08/2012 23:17

Re: Restauration Land 90 de 1986

Message non lu par Thierry Sir Titou »

Avez-vous une petite astuces pour trouver des pneus à tarifs très réduits ?

Habitacle conducteur et passager refait... passage au siège de BX... :wink:

Maintenant on passe au graissage et vérification des articulations... ça grince des genoux chez mémère !!!
Avatar du membre
torero
Habitué
Messages : 2521
Enregistré le : 26/07/2004 14:49
Localisation : Poulx 30

Re: Restauration Land 90 de 1986

Message non lu par torero »

Salut!
Pour les pneus, perso je commande sur internet. Il y a plein de site de vente et toujours une promo qui traine.
Sinon, on aimerai bien quelques photo de ton Land pour illustrer tes propos.
" Quand le sage montre la lune; l'idiot regarde son doigt "
Thierry Sir Titou
Habitué
Messages : 42
Enregistré le : 24/08/2012 23:17

Re: Restauration Land 90 de 1986

Message non lu par Thierry Sir Titou »

Je m'y colle... :D
Modifié en dernier par Thierry Sir Titou le 11/09/2012 10:32, modifié 1 fois.
Avatar du membre
The Pater
Modérateur
Messages : 13978
Enregistré le : 25/08/2004 8:19
Localisation : 06°27'46"E 45°50'29"N

Re: Restauration Land 90 de 1986

Message non lu par The Pater »

Thierry Sir Titou,

S'il te plais, héberge tes photos directement sur Landroverfaq.

N'as tu pas lu les règles du forum ?

1) Cela permet d'assurer la pérennité des photos sur le site.

2) Cela évite d'avoir de la pub

3) Je t'évite de recevoir la foudre de Mau, le créateur bien aimé de Landroverfaq.com

A+
Ingénieur :
Personne faisant un travail divinatoire de précision basé sur des informations peu fiables données par des personnes peu qualifiées, voire ignorantes.
=>, magicien, devin, sorcier
Thierry Sir Titou
Habitué
Messages : 42
Enregistré le : 24/08/2012 23:17

Re: Restauration Land 90 de 1986

Message non lu par Thierry Sir Titou »

Si... pardon... l'habitude...j'efface et je recommencerai dans les règles :sm11:

Installation des sièges de BX et petite révision du moteur...

Remplacement du vase d'expension métallique par un plastique plus grand...
Fichiers joints
vase.jpg
sieges.jpg
def.jpg
Modifié en dernier par Thierry Sir Titou le 12/09/2012 7:56, modifié 1 fois.
Thierry Sir Titou
Habitué
Messages : 42
Enregistré le : 24/08/2012 23:17

Re: Restauration Land 90 de 1986

Message non lu par Thierry Sir Titou »

Par contre si vous avez de bon lien pour de la pièce origine neuve ou occase... merci pour votre aide... :D

Question... quel est l'indice de charge des pneus d'origine du Land 90 ?

Quelle est la correspondance des pneus 7.50x16 ?
Avatar du membre
The Pater
Modérateur
Messages : 13978
Enregistré le : 25/08/2004 8:19
Localisation : 06°27'46"E 45°50'29"N

Re: Restauration Land 90 de 1986

Message non lu par The Pater »

Thierry Sir Titou a écrit : Question... quel est l'indice de charge des pneus d'origine du Land 90 ?

Quelle est la correspondance des pneus 7.50x16 ?
http://www.landroverfaq.com/viewtopic.php?f=25&t=1787

A+
Ingénieur :
Personne faisant un travail divinatoire de précision basé sur des informations peu fiables données par des personnes peu qualifiées, voire ignorantes.
=>, magicien, devin, sorcier
Avatar du membre
Def e-Duck
Habitué
Messages : 2098
Enregistré le : 24/03/2008 19:22
Localisation : boulogne dieppe

Re: Restauration Land 90 de 1986

Message non lu par Def e-Duck »

torero a écrit :Pour les pneus, perso je commande sur internet. Il y a plein de site de vente et toujours une promo qui traine.
Salut,

Ce n'est pas pour promouvoir une enseigne en particulier, mais pour relater une expérience positive, quand cela arrive :

J'ai passé commande sur un site qui s'appelle 1001pneus, mais dans la foulée voilà que je trouve exactement les mêmes pneus en promo moins chers sur un autre site français.

J'ai appelé alors la ligne tel commerciale du site où j'avais commandé, car ils s'engageaient au prix le moins cher. Et là première surprise j'ai quelqu'un directement au téléphone. Qui vérifie la promo concurrente sur l'adresse url que j'indique. Moyennant quoi ils se sont effectivement alignés sur cette promotion, avec de surcroît 3% de remise suplémentaire.

Enfin, les pneus livrés dans le délai prévu, au lieu dit, avaient la marque de fabrique 2012. C'est le doute que l'on a souvent en commandant sur internet, de tomber sur l'écoulement d'un vieux stock.
'Dire des idioties, de nos jours où tout le monde réfléchit profondément, c'est le seul moyen de prouver qu'on a une pensée libre et indépendante.' (Boris Vian)
Thierry Sir Titou
Habitué
Messages : 42
Enregistré le : 24/08/2012 23:17

Re: Restauration Land 90 de 1986

Message non lu par Thierry Sir Titou »

Ce matin... la marche arrière craque... je veux passer la première... plus rien... seconde rien de rien... :mrgreen:

Y'a comme une fuite... ça craint :sm4:
Avatar du membre
The Pater
Modérateur
Messages : 13978
Enregistré le : 25/08/2004 8:19
Localisation : 06°27'46"E 45°50'29"N

Re: Restauration Land 90 de 1986

Message non lu par The Pater »

Thierry Sir Titou a écrit :Ce matin... la marche arrière craque... je veux passer la première... plus rien... seconde rien de rien... :mrgreen:
Plus rien ne veut passer, que cela soit moteur arrêté ou en marche ?

Est-ce que tu peux pousser le Land en débrayant, BV au neutre ?

Est-ce que tu peux pousser le Land embrayé en cinquième (moteur arrêté) ou/et au point mort

Regarde ici, le fonctionnement de ta BV. : http://www.landroverfaq.com/viewtopic.php?f=26&t=3129
Y'a comme une fuite... ça craint :sm4:
C'est à dire ?

A+
Ingénieur :
Personne faisant un travail divinatoire de précision basé sur des informations peu fiables données par des personnes peu qualifiées, voire ignorantes.
=>, magicien, devin, sorcier
Thierry Sir Titou
Habitué
Messages : 42
Enregistré le : 24/08/2012 23:17

Re: Restauration Land 90 de 1986

Message non lu par Thierry Sir Titou »

ça y est fuite détectée... j'ai ouvert le bocal hydraulique de l'embrayage... vide :mrgreen:

Un peu de DOT pour refaire le niveau... et ça marche bien... même mieux qu'avant... donc petite inspection à droite à gauche... et là... la peinture sous la pédale d'embrayage toute cloquée... aïe, aïe, aïe... pas bon signe... le DOT doit couler dans le coin... me reste à démonter et vérifier tout ça... :sm4:
Avatar du membre
LØLØ
Modérateur
Messages : 6209
Enregistré le : 30/07/2006 15:41
Localisation : guainville (28 )
Contact :

Re: Restauration Land 90 de 1986

Message non lu par LØLØ »

Salut, bon ben tu as un peu de lecture sur le sujet, je ne connait pas un seul propriétaire de land qui n'y soit pas passé, je ne parle pas des TD4, mais a mon avis, cela ne saurait tarder.
Remplacement emetteur d'embrayage sur LR 110
Emetteur d'embrayage :nettoyage et changement des joints
Votre avis sur les opérations de purges
Si tu as un problème, expose le à la suite d'un de ces thèmes.
A+
2 solutions: la bonne et l'Anglaise
LUCAS: Il n'y a pas de contact où il le faut et il y en a un où il ne faut pas
On ne peut aller loin en amitié, si on n'est pas disposé à se pardonner les uns aux autres les petits défauts.
www.eternal-vehicles.fr
Thierry Sir Titou
Habitué
Messages : 42
Enregistré le : 24/08/2012 23:17

Re: Restauration Land 90 de 1986

Message non lu par Thierry Sir Titou »

Voui... déjà merci pour les liens... mais je pense que je vais tout sortir... histoire de vérifier tout ça... :mrgreen:

Une fois fait... restera à découvrir la prochaine galère... :D
Thierry Sir Titou
Habitué
Messages : 42
Enregistré le : 24/08/2012 23:17

Re: Restauration Land 90 de 1986

Message non lu par Thierry Sir Titou »

A chaque jour suffit sa fuite... et paf... une de plus :sm4:

Fuite au niveau de la roue arrière... c'est pas les freins... ça ressemble à de l'huile de pont... mais je trouve ça très fluide ???

ça sort de la main meneuse où d'ailleurs il y a pas de bouchon ??? mais aussi, il y a de l'huile à l'intérieur de la jante... ???

Pour coroner le tout... le cric doit être monté à l'envers ou j'y comprends rien !!!
Avatar du membre
The Pater
Modérateur
Messages : 13978
Enregistré le : 25/08/2004 8:19
Localisation : 06°27'46"E 45°50'29"N

Re: Restauration Land 90 de 1986

Message non lu par The Pater »

Thierry Sir Titou a écrit : Fuite au niveau de la roue arrière... c'est pas les freins... ça ressemble à de l'huile de pont... mais je trouve ça très fluide ???

ça sort de la main meneuse où d'ailleurs il y a pas de bouchon ??? mais aussi, il y a de l'huile à l'intérieur de la jante... ???
Vérifie et nettoie la mise à l'air libre du pont arrière.

Pense au pont arrière des 1200 GS n'ayant pas de mise à l'air libre :wink:

Ton joint de moyeu, coté interne peut aussi être un peu usée... ou/et la surpression pour le lubrifiant à l'extérieure (dans le cas de la surpression seule le nettoyage de la mise à l'air libre résous le problème).
Pour ce qui est du joint de la main meneuse.... un nettoyage de la mise à l'air libre et tout rentre dans l'ordre. A moins que le joint soit abîmé.

A+
Ingénieur :
Personne faisant un travail divinatoire de précision basé sur des informations peu fiables données par des personnes peu qualifiées, voire ignorantes.
=>, magicien, devin, sorcier
Thierry Sir Titou
Habitué
Messages : 42
Enregistré le : 24/08/2012 23:17

Re: Restauration Land 90 de 1986

Message non lu par Thierry Sir Titou »

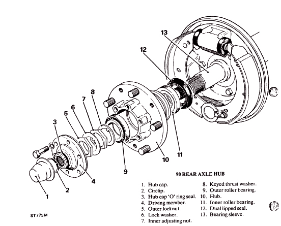
Pour la mise à l'air, j'ai vu ça hier... celle de l'avant avait fondu et était complètement bouchée :mrgreen: poour l'arrière, ça me semble pas bouché, mais autant démonté et vérifier tout ça...

Sinon, où trouver rapidement des pièces comme cabochon, joint spi, etc... qui sont sur le dessin ci-dessous ???
Fichiers joints
meneuse.jpg
Thierry Sir Titou
Habitué
Messages : 42
Enregistré le : 24/08/2012 23:17

Re: Restauration Land 90 de 1986

Message non lu par Thierry Sir Titou »

Qui aurait les références des pièces 1, 9, 11 et 12 pour Land 90 de 1986, 2,5 D..... MMMMMMMEEEEEEERRRRRRRCCCCCCCIIIIIII !!!!!!!!

Ce que je ne comprends pas c'est que sur le schéma, il n'y a pas de joint papier à la main meneuse alors qu'en démontant, j'en ai trouvé un :?:
Avatar du membre
torero
Habitué
Messages : 2521
Enregistré le : 26/07/2004 14:49
Localisation : Poulx 30

Re: Restauration Land 90 de 1986

Message non lu par torero »

Thierry Sir Titou a écrit :Qui aurait les références des pièces 1, 9, 11 et 12 pour Land 90 de 1986, 2,5 D..... MMMMMMMEEEEEEERRRRRRRCCCCCCCIIIIIII !!!!!!!!
Je peux te donner ça, mais il faudrait le N° de serie de ton véhicule.
" Quand le sage montre la lune; l'idiot regarde son doigt "
Thierry Sir Titou
Habitué
Messages : 42
Enregistré le : 24/08/2012 23:17

Re: Restauration Land 90 de 1986

Message non lu par Thierry Sir Titou »

The Pater a écrit :
Ton joint de moyeu, coté interne peut aussi être un peu usée...

A+
Il est où celui-là... ???

J'ai démonté... mais bon... je ne vois pas d'où vient cette fuite ???
Répondre

Retourner vers « Transformation ou restauration de véhicule »