où brancher le plafonnier?
Règles du forum
En naviguant sur le site http://www.landroverfaq.com vous reconnaissez avoir lu ses Conditions d’Utilisation, vous déclarez les comprendre et vous acceptez d’y être lié de manière inconditionnelle. Si tel n'est pas le cas, merci de quitter immédiatement ce site.
Vous pouvez joindre autant d'images que nécessaire à vos messages A LA CONDITION EXPRESSE d'utiliser l'hébergement fourni par le site.
L'administrateur effacera systématiquement tout message contenant des photos hébergées chez Imageschack, Casimage, Wistiti ou tout autre hébergeur tiers sans sommation ni justification.
En naviguant sur le site http://www.landroverfaq.com vous reconnaissez avoir lu ses Conditions d’Utilisation, vous déclarez les comprendre et vous acceptez d’y être lié de manière inconditionnelle. Si tel n'est pas le cas, merci de quitter immédiatement ce site.
Vous pouvez joindre autant d'images que nécessaire à vos messages A LA CONDITION EXPRESSE d'utiliser l'hébergement fourni par le site.
L'administrateur effacera systématiquement tout message contenant des photos hébergées chez Imageschack, Casimage, Wistiti ou tout autre hébergeur tiers sans sommation ni justification.
où brancher le plafonnier?
Hello,
j'ai monté un hard top Fleuret sur mon def TD5 soft top. super qualité. je suis très content du produit.
Cependant, je ne sais pas où brancher le plafonnier, j'ai deux fils noirs et rouges jusque là je suis...
mais quelqu'un pourrait il m'indiquer à quel endroit je peux trouver un 12V permanent (ou pas) pour brancher ce plafonnier? si possible dans l'habitacle avant pour pas avoir à tirer des fils interminables (les fils du hard top aboutissent du coté du siège passager).
merci d'avance
Ben
ps et si vous m'aidez, je ferais l'effort de mettre des photos de l'engin... hi hi..
j'ai monté un hard top Fleuret sur mon def TD5 soft top. super qualité. je suis très content du produit.
Cependant, je ne sais pas où brancher le plafonnier, j'ai deux fils noirs et rouges jusque là je suis...
mais quelqu'un pourrait il m'indiquer à quel endroit je peux trouver un 12V permanent (ou pas) pour brancher ce plafonnier? si possible dans l'habitacle avant pour pas avoir à tirer des fils interminables (les fils du hard top aboutissent du coté du siège passager).
merci d'avance
Ben
ps et si vous m'aidez, je ferais l'effort de mettre des photos de l'engin... hi hi..
Re: où brancher le plafonnier?
Bonjour,
Le connecteur pour le plafonnier se trouve sur le côté droit du tableau de bord sous la poignet. Il y a 2 vis à enlever dont une sous le logo land rover.
En regardant le connecteur, clip de fixation sur la droite et si mes souvenirs sont bons, 2ème broche c'est le + et la 3eme c'est la masse en partant du haut ranger de droite. Tu auras le temporisateur en prime
En espérant t'avoir aider.
Bon we à toi.
Le connecteur pour le plafonnier se trouve sur le côté droit du tableau de bord sous la poignet. Il y a 2 vis à enlever dont une sous le logo land rover.
En regardant le connecteur, clip de fixation sur la droite et si mes souvenirs sont bons, 2ème broche c'est le + et la 3eme c'est la masse en partant du haut ranger de droite. Tu auras le temporisateur en prime
En espérant t'avoir aider.
Bon we à toi.
- LØLØ
- Modérateur
- Messages : 6210
- Enregistré le : 30/07/2006 15:41
- Localisation : guainville (28 )
- Contact :
Re: où brancher le plafonnier?
Salut,strat71 a écrit : ps et si vous m'aidez, je ferais l'effort de mettre des photos de l'engin... hi hi..
J'aime pas les si
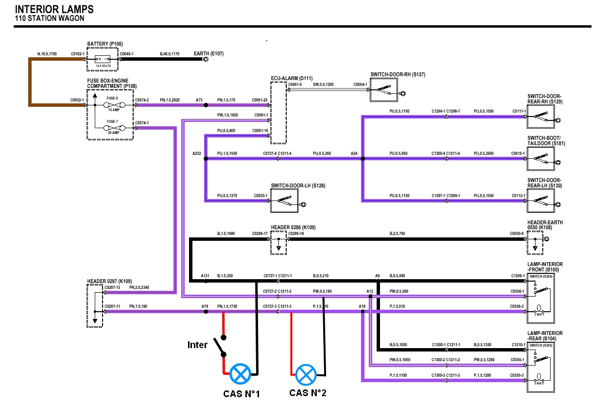
Pour brancher le plafonnier, tu as 2 cas possibles.
Pour le type de connecteur tu as deux cas possible aussi, soit tu as un 4 broches soit tu en as un 10 broches, selon les années et les options.
Si le land est d'avant 2002 utilitaire sans alarme ou après 2002. Mais cela ne change pas grand chose les couleurs sont les mêmes.
Un schéma avant 2002 plus simple à comprendre. Premier cas:
Le fil violet liseré marron est un +12V permanent. Fais attention à la couleur dominante des fils et à leurs liseré ou petit filet de couleur, ils sont important et ne sont pas toujours évident à distinguer sur les fils violets. Dans ce cas, il faut obligatoirement que ton plafonnier soit muni d'un interrupteur intégré, ou que tu en câbles un au tableau de bord sinon il serait allumé en permanence.
Deuxième cas:
Il te permet de bénéficier des contacteurs de porte, si ils sont opérationnels et aussi de l'extinction progressive géré par la centrale d'alarme (ECU). Mais attention ce n'est pas une vrais masse, c'est à dire que la centrale ramène progressivement un + 12V au plafonnier ce qui a pour effet d'éteindre l'ampoule lorsqu'elle à du +12V de chaque coté. Dans ce cas là, on peut bien dire qu'il n'y a plus de différence de potentiel à ses bornes, puisqu'elles sont toutes les deux à 12V. Tu peux aussi mettre un interrupteur, utile lorsque la portière reste ouverte longtemps en plein jour ou si tu fais de la contrebande pour ne pas te faire repérer.
Le connecteur gris claire 10 broches avec le câblage. Si tu as la possibilité de récupéré des broches à sertir de ce modèle, tu pourras les inserrer directement dans le connecteur. Connecteur gris clair femelle sur le faisceau de plafonnier. NB: Bienvenue...
A+
2 solutions: la bonne et l'Anglaise
LUCAS: Il n'y a pas de contact où il le faut et il y en a un où il ne faut pas
On ne peut aller loin en amitié, si on n'est pas disposé à se pardonner les uns aux autres les petits défauts.
www.eternal-vehicles.fr
LUCAS: Il n'y a pas de contact où il le faut et il y en a un où il ne faut pas
On ne peut aller loin en amitié, si on n'est pas disposé à se pardonner les uns aux autres les petits défauts.
www.eternal-vehicles.fr
Re: où brancher le plafonnier?
Salut,
Bon pour en être sûre j'ai verifié sur mon defender soft top de 2006 sur lequel j'ai installé un arceau avec plafonnier. Connecteur gris clair et branchement comme expliquer plus haut.
Bon dimanche.
Bon pour en être sûre j'ai verifié sur mon defender soft top de 2006 sur lequel j'ai installé un arceau avec plafonnier. Connecteur gris clair et branchement comme expliquer plus haut.
Bon dimanche.
Re: où brancher le plafonnier?
Yessssss... you guys rule...
Merci infiniment... Maururu'u Roa comme on dit chez nous à Tahiti... (ça c'est pour vous faire un peu râler!!)
en attendant une réponse j'avais tiré les 2 fils jusque dans la boite du feu de position arrière droit, et j'ai branché temporairement sur la prise pour les accessoires..
mon plafonnier a un interrupteur mais je vais quand même le brancher là où vous me l'avez indiqué pour bénéficier des contacteurs de porte...
by the way, mon def est de 2003.
Ben
ps: promis photos dès que j'ai fait l'effort de les mettre en ligne... là je les ai sur facebook mais ça a pas l'air de marcher..
Merci infiniment... Maururu'u Roa comme on dit chez nous à Tahiti... (ça c'est pour vous faire un peu râler!!)
en attendant une réponse j'avais tiré les 2 fils jusque dans la boite du feu de position arrière droit, et j'ai branché temporairement sur la prise pour les accessoires..
mon plafonnier a un interrupteur mais je vais quand même le brancher là où vous me l'avez indiqué pour bénéficier des contacteurs de porte...
by the way, mon def est de 2003.
Ben
ps: promis photos dès que j'ai fait l'effort de les mettre en ligne... là je les ai sur facebook mais ça a pas l'air de marcher..
- LØLØ
- Modérateur
- Messages : 6210
- Enregistré le : 30/07/2006 15:41
- Localisation : guainville (28 )
- Contact :
Re: où brancher le plafonnier?
Il faut utiliser l'hébergement du forum et rien d'autre, lis ça: Insérer ses photos directement sur le site !strat71 a écrit : ps: promis photos dès que j'ai fait l'effort de les mettre en ligne... là je les ai sur facebook mais ça a pas l'air de marcher..
A+ en photo donc. Mais pas les cocotiers hein! ça on s'en fout, mais les bricolages land à la Tahitienne, ça oui c'est exotique.
2 solutions: la bonne et l'Anglaise
LUCAS: Il n'y a pas de contact où il le faut et il y en a un où il ne faut pas
On ne peut aller loin en amitié, si on n'est pas disposé à se pardonner les uns aux autres les petits défauts.
www.eternal-vehicles.fr
LUCAS: Il n'y a pas de contact où il le faut et il y en a un où il ne faut pas
On ne peut aller loin en amitié, si on n'est pas disposé à se pardonner les uns aux autres les petits défauts.
www.eternal-vehicles.fr
Re: où brancher le plafonnier?
Excellent merci... bon bin j'ai plus d'excuses...
bon j'ai pas dernière photos avec la bâche... qui soit dit en passant a été un peu compliqué à faire fabriquer sur mesure... j'attends la saison des pluies pour savoir si j'en suis content... si j'ai de l'eau jusqu'au milieu de l'habitacle je commencerai à m'inquiéter..
voilà une vidéo lors d'une mission pour le boulot sur les pistes tahitiennes... chui pas sur qu'il y ait des cocotiers... mais pour ça, il y a google...
http://www.youtube.com/watch?v=ON3NVfWTe_s
merci
Ben
voilà une vidéo lors d'une mission pour le boulot sur les pistes tahitiennes... chui pas sur qu'il y ait des cocotiers... mais pour ça, il y a google...
http://www.youtube.com/watch?v=ON3NVfWTe_s
merci
Ben
- LØLØ
- Modérateur
- Messages : 6210
- Enregistré le : 30/07/2006 15:41
- Localisation : guainville (28 )
- Contact :
Re: où brancher le plafonnier?
Salut, bon ben, pas de soucis, quand tu veux je viens travailler avec toi dans ces conditions, les barrages c'est ma nouvelle spécialité, automatisé pour la régulation de niveau . L’avantage énorme, c'est que tu auras un land devant. Armoire de gestion du niveau d'eau. Alimenté par panneau solaire. Bon OK patron, j’arrête le hors sujet.strat71 a écrit : voilà une vidéo lors d'une mission pour le boulot sur les pistes tahitiennes... chui pas sur qu'il y ait des cocotiers... mais pour ça, il y a google...![]()
A+
2 solutions: la bonne et l'Anglaise
LUCAS: Il n'y a pas de contact où il le faut et il y en a un où il ne faut pas
On ne peut aller loin en amitié, si on n'est pas disposé à se pardonner les uns aux autres les petits défauts.
www.eternal-vehicles.fr
LUCAS: Il n'y a pas de contact où il le faut et il y en a un où il ne faut pas
On ne peut aller loin en amitié, si on n'est pas disposé à se pardonner les uns aux autres les petits défauts.
www.eternal-vehicles.fr