Problème préchauffage 2.5L
Règles du forum
En naviguant sur le site http://www.landroverfaq.com vous reconnaissez avoir lu ses Conditions d’Utilisation, vous déclarez les comprendre et vous acceptez d’y être lié de manière inconditionnelle. Si tel n'est pas le cas, merci de quitter immédiatement ce site.
Vous pouvez joindre autant d'images que nécessaire à vos messages A LA CONDITION EXPRESSE d'utiliser l'hébergement fourni par le site.
L'administrateur effacera systématiquement tout message contenant des photos hébergées chez Imageschack, Casimage, Wistiti ou tout autre hébergeur tiers sans sommation ni justification.
En naviguant sur le site http://www.landroverfaq.com vous reconnaissez avoir lu ses Conditions d’Utilisation, vous déclarez les comprendre et vous acceptez d’y être lié de manière inconditionnelle. Si tel n'est pas le cas, merci de quitter immédiatement ce site.
Vous pouvez joindre autant d'images que nécessaire à vos messages A LA CONDITION EXPRESSE d'utiliser l'hébergement fourni par le site.
L'administrateur effacera systématiquement tout message contenant des photos hébergées chez Imageschack, Casimage, Wistiti ou tout autre hébergeur tiers sans sommation ni justification.
Problème préchauffage 2.5L
Bonsoir a tous, j'avais des soucis intermittents depuis cet été, mais ça allais, mais ce we les températures sont vraiment tombées, et la impossible de démarrer.
Quand je met la clef dans la position adéquate, le voyant de préchauffage ne s'allume pas, et les bougies ne sont pas alimentées; donc je démarre pas.
Seule solution, prendre un câble, mettre un bout sur le câble d'alimentation du démarreur, l'autre sur la bougie du cylindre 1, et la le voyant du tableau de bord s'allume, les bougies chauffent, et en actionnant la clef, ça démarre.
Quelqu'un a-t-il une idée? ou une solution?
Merci.
Quand je met la clef dans la position adéquate, le voyant de préchauffage ne s'allume pas, et les bougies ne sont pas alimentées; donc je démarre pas.
Seule solution, prendre un câble, mettre un bout sur le câble d'alimentation du démarreur, l'autre sur la bougie du cylindre 1, et la le voyant du tableau de bord s'allume, les bougies chauffent, et en actionnant la clef, ça démarre.
Quelqu'un a-t-il une idée? ou une solution?
Merci.
Land Rover 110 2.5D en cour de modification-fiabilisation-transformation
Re: Problème préchauffage 2.5L
Salut!
Regarde déjà le bon état et la bonne mise en place des fusibles. Si bons, je pense que le contact des bougies dans le Neiman a fini de vivre.
Regarde déjà le bon état et la bonne mise en place des fusibles. Si bons, je pense que le contact des bougies dans le Neiman a fini de vivre.
" Quand le sage montre la lune; l'idiot regarde son doigt "
- LØLØ
- Modérateur
- Messages : 6209
- Enregistré le : 30/07/2006 15:41
- Localisation : guainville (28 )
- Contact :
Re: Problème préchauffage 2.5L
Salut,
Le plus cool, le fil du préchauffage débranché de sa cosse au cul du neiman.
Mais sinon, le verdict est a mon humble avis sans appel, la cartouche derrière le neiman a les contacts du préchauffage malade. Regarde ce thème:
Electricité au tableau de bord
Enfin, tu peux quand même contrôler pour être sur avant de tout démonter.
Le fil du préchauffage sur le c'est gros fil marron avec le liseré rouge, le petit fil marron liseré rouge c'est celui qui va au voyant. Pour être sur que c'est bien le neiman tu relies le gros fil marron (+12V permanent venant de la batterie via le cul du démarreur), avec le fil marron liseré rouge, dans ce cas le voyant de préchauffage doit s'allumer et les bougies préchauffer. Si c'est le cas, c'est bien la cartouche derrière le neiman qui est à changer.
Tu peux la tester les contacts à l'Ohmmètre également, en position préchauffage, tu dois avoir le contact entre les deux grosses cosses.
Autre thèmes abordant évoquant neiman :
Neiman ou Relais farceur ?
branchement electrique sur un 90 de 1987 remotorisé en 200
Changement tableau a fusible de def 2.5td
Bonne recherche.
A+
NB: Il n'y a pas de fusible sur le circuit de préchauffage du 2,5D.
Le plus cool, le fil du préchauffage débranché de sa cosse au cul du neiman.
Mais sinon, le verdict est a mon humble avis sans appel, la cartouche derrière le neiman a les contacts du préchauffage malade. Regarde ce thème:
Electricité au tableau de bord
Enfin, tu peux quand même contrôler pour être sur avant de tout démonter.
Le fil du préchauffage sur le c'est gros fil marron avec le liseré rouge, le petit fil marron liseré rouge c'est celui qui va au voyant. Pour être sur que c'est bien le neiman tu relies le gros fil marron (+12V permanent venant de la batterie via le cul du démarreur), avec le fil marron liseré rouge, dans ce cas le voyant de préchauffage doit s'allumer et les bougies préchauffer. Si c'est le cas, c'est bien la cartouche derrière le neiman qui est à changer.
Tu peux la tester les contacts à l'Ohmmètre également, en position préchauffage, tu dois avoir le contact entre les deux grosses cosses.
Autre thèmes abordant évoquant neiman :
Neiman ou Relais farceur ?
branchement electrique sur un 90 de 1987 remotorisé en 200
Changement tableau a fusible de def 2.5td
Bonne recherche.
A+
NB: Il n'y a pas de fusible sur le circuit de préchauffage du 2,5D.
2 solutions: la bonne et l'Anglaise
LUCAS: Il n'y a pas de contact où il le faut et il y en a un où il ne faut pas
On ne peut aller loin en amitié, si on n'est pas disposé à se pardonner les uns aux autres les petits défauts.
www.eternal-vehicles.fr
LUCAS: Il n'y a pas de contact où il le faut et il y en a un où il ne faut pas
On ne peut aller loin en amitié, si on n'est pas disposé à se pardonner les uns aux autres les petits défauts.
www.eternal-vehicles.fr
Re: Problème préchauffage 2.5L
Je me souvenais qu'il n'y avait ni relai ni tempo, mais pour le fusible je n'étais pas sûr.LØLØ a écrit : NB: Il n'y a pas de fusible sur le circuit de préchauffage du 2,5D.
" Quand le sage montre la lune; l'idiot regarde son doigt "
Re: Problème préchauffage 2.5L
Le problème est provisoirement résolu, grâce a vous.
le cosse du préchauffage sur le neiman est oxydé, d’où arcs, d’où échauffements et fonte partielle de la protection de cosse.
J'ai démonté le tableau de bord (qui ne tiens plus que par une vis, je veux pas savoir ce qu'a fait l'ancien proprio), et j'ai vu de suite. Je pensais pas que le neiman étais aussi accessible (du moins les connections électriques).
Par contre, après, impossible de démarrer
Je tourne la clef, je préchauffe, re continue a tourner la clef, et la rien, mais vraiment rien de chez rien.
Du coup, redémontage du tableau de bord, toujours aussi facile
et j'essaye de secouer les fils, rien pendant 5 min, des petits arcs dans la cosse du préchauffage, et au bout d'un moment, je touche la cartouche avec mon tournevis en ayant le clef en position démarrage, et la ça démarre, a ne rien y comprendre.
Rentré a la maison (et oui, j’étais bloqué au boulot
) et j'essaye de démarrer et ça démarre. J’espère que demain matin j'arriverais a aller au boulot.
Je vais quand même changer la cartouche, vous savez si je peu l'enlever sans démonter le neiman?
J'ai trouvé la ref PRC2735 sur le net, j'espère que c'est la bonne.
Bonne soirée, et bonne mécanique.
le cosse du préchauffage sur le neiman est oxydé, d’où arcs, d’où échauffements et fonte partielle de la protection de cosse.
J'ai démonté le tableau de bord (qui ne tiens plus que par une vis, je veux pas savoir ce qu'a fait l'ancien proprio), et j'ai vu de suite. Je pensais pas que le neiman étais aussi accessible (du moins les connections électriques).
Par contre, après, impossible de démarrer
Je tourne la clef, je préchauffe, re continue a tourner la clef, et la rien, mais vraiment rien de chez rien.
Du coup, redémontage du tableau de bord, toujours aussi facile
Rentré a la maison (et oui, j’étais bloqué au boulot
Je vais quand même changer la cartouche, vous savez si je peu l'enlever sans démonter le neiman?
J'ai trouvé la ref PRC2735 sur le net, j'espère que c'est la bonne.
Bonne soirée, et bonne mécanique.
Land Rover 110 2.5D en cour de modification-fiabilisation-transformation
- LØLØ
- Modérateur
- Messages : 6209
- Enregistré le : 30/07/2006 15:41
- Localisation : guainville (28 )
- Contact :
Re: Problème préchauffage 2.5L
Salut,Blackhawk a écrit : le cosse du préchauffage sur le neiman est oxydé, d’où arcs, d’où échauffements et fonte partielle de la protection de cosse.
Pas bon la chauffe du plastique, car cela déplace aussi les plots en interne, qui du coup ne font plus correctement contact ou alors de façon aléatoire avec la partie mobile, ce qui a l'air d'être le cas.
Il est malade, complétement malade, mais il est également complètement sertie, et une fois ouvert, il est a mon avis très difficile de le refermer correctement.Je tourne la clef, je préchauffe, re continue a tourner la clef, et la rien, mais vraiment rien de chez rien.
Un mauvais contact sur la cosse du démarreur peut-être est elle oxydée aussi.Du coup, redémontage du tableau de bord, toujours aussi facileet j'essaye de secouer les fils, rien pendant 5 min, des petits arcs dans la cosse du préchauffage, et au bout d'un moment, je touche la cartouche avec mon tournevis en ayant le clef en position démarrage, et la ça démarre, a ne rien y comprendre.
Bon ben là, équipe toi de deux bouts de fil, un pour établir le contact, et l'autre pour préchauffer et démarrer.Rentré a la maison (et oui, j’étais bloqué au boulot) et j'essaye de démarrer et ça démarre. J’espère que demain matin j'arriverais a aller au boulot.
Le rôle et l'identification des fils sur la cartouche: Câblage, je pense que tu as le même, sauf peut-être le fil blanc avec les deux liserés noirs. Tu peux rouler sans la cartouche si elle déconne trop, et te fabriquer une cartouche de campagne.
En 1)
Tu établies le contact,
En 2) Tu préchauffe comme d'habitude en comptant jusqu’à 10 ou 20 selon la météo, et l'état précédent de température du moteur.
En 3) Tu lances le démarreur avec le même bout de fil que le préchauffage. Cela fera des petites étincelles, mais il faut y aller franchement moins tu tremble, moins il y a d'étincelle, et de toute façon tu ne risques rien. Une fois le moteur lancé, tu retires le fil comme le fait le neiman. Arrivé au boulot tu enlèves les, deux fils du contact pour arrêter le land.
Remarque 1 : Pour les Tdi il n’y a pas l’étape 2) car elle se fait automatiquement via le boîtier de préchauffage dès qu’on établit le contact.
Remarque 2 : Le système peut-être amélioré avec des cosses au bout des fils.
Remarque 3 : On pourrait également placer un coup circuit, et des poussoirs, pour supprimer ce système de cartouche, cela fait longtemps que j'y songe.
Là, c'est beaucoup plus délicats, car il n'est pas évident que l'axe et l'entretoise de liaison ne se fassent pas la malle lorsque que tu tires sur la cartouche qui est un peu capricieuse à sortir des fois. Il faut également un recule de 2,2cm pour la sortir du corps du neiman et je ne suis pas sur que tu les ai, à vérifier. Enfin le troisième point serait les deux petite vis de maintien de la cartouche dans la corps du neiman elles sont toutes petites et l'une des deux n'est pas forcement bien placer, à contrôler aussi. A priori j’essaierai connaissant bien le système, mais je pense que ce n'est pas évident. Pour la remise en place, il faut être à la position 0 avec la clef dedans, puis il faut que la partie intérieur en plastique blanc soit aussi sur la position 0 à fond à gauche de façon a ce que les méplats de l'entretoise de liaison correspondent a ceux de la partie plastique. Sur les derniers 7mmJe vais quand même changer la cartouche, vous savez si je peu l'enlever sans démonter le neiman?
si cela bloc, il faut titiller la clef pour que les méplats tombe bien en face et pouvoir introduire la cartouche jusqu'au bout. Il est peut-être plus simple si tu travail in situ sans démonter le neiman, de placer l'axe et l'entretoise d'abord sur la cartouche, puis d'introduire le tout dans le corps du neiman, enfin de titiller avec la clef pour retomber dans l'axe du blocage en rotation de l'axe au niveau du mécanisme de la clef et pousser à fond la cartouche?
Si la tienne est la même que sur les photos, oui.J'ai trouvé la ref PRC2735 sur le net, j'espère que c'est la bonne.
La soiré mécanique... ouverture d'une cartouche de neimanBonne soirée, et bonne mécanique.
A+
Modifié en dernier par LØLØ le 03/03/2013 21:38, modifié 7 fois.
2 solutions: la bonne et l'Anglaise
LUCAS: Il n'y a pas de contact où il le faut et il y en a un où il ne faut pas
On ne peut aller loin en amitié, si on n'est pas disposé à se pardonner les uns aux autres les petits défauts.
www.eternal-vehicles.fr
LUCAS: Il n'y a pas de contact où il le faut et il y en a un où il ne faut pas
On ne peut aller loin en amitié, si on n'est pas disposé à se pardonner les uns aux autres les petits défauts.
www.eternal-vehicles.fr
Re: Problème préchauffage 2.5L
Bonsoir, et merci a LØLØ pour ce long et détaillé exposé technique si tardif.
J'ai redémonté ce midi au boulot (j'ai réussi a y aller sans aucun soucis), et je me suis rendu compte qu'à la place du gros blanc sur tes photos, j'ai les 2 petits blanc/noir, et a la place des 2 blanc/noir, j'ai un gros blanc, et un petit blanc, mais celui-la a été rajouté, ça se voit, il est sur une cosse avec repiquage. J'ai tout nettoyé, gratté et tamponné de KF-Contact, ainsi qu'une bonne aspersion dans les cosses.
je ne sais pas si il y a eu une raison, mais j’hésite a mettre comme sur tes photos de peur que ça crame quelque chose ( pas que je fasse pas confiance a tes explications et expertises, juste que j'ai pas confiance dans les bidouillages de l'ancien proprio).
J'ai repéré les vis, ça devrais le faire, et il y a la place. Vais commander la pièce, me reste a trouver où?
Une petite photo pour voir l'état de la chose.
Finalement il doit être bien câblé, voir réponses suivantes.
Bonne soirée.
J'ai redémonté ce midi au boulot (j'ai réussi a y aller sans aucun soucis), et je me suis rendu compte qu'à la place du gros blanc sur tes photos, j'ai les 2 petits blanc/noir, et a la place des 2 blanc/noir, j'ai un gros blanc, et un petit blanc, mais celui-la a été rajouté, ça se voit, il est sur une cosse avec repiquage. J'ai tout nettoyé, gratté et tamponné de KF-Contact, ainsi qu'une bonne aspersion dans les cosses.
je ne sais pas si il y a eu une raison, mais j’hésite a mettre comme sur tes photos de peur que ça crame quelque chose ( pas que je fasse pas confiance a tes explications et expertises, juste que j'ai pas confiance dans les bidouillages de l'ancien proprio).
J'ai repéré les vis, ça devrais le faire, et il y a la place. Vais commander la pièce, me reste a trouver où?
Une petite photo pour voir l'état de la chose.
Finalement il doit être bien câblé, voir réponses suivantes.
Bonne soirée.
Modifié en dernier par Blackhawk le 04/03/2013 13:39, modifié 1 fois.
Land Rover 110 2.5D en cour de modification-fiabilisation-transformation
- LØLØ
- Modérateur
- Messages : 6209
- Enregistré le : 30/07/2006 15:41
- Localisation : guainville (28 )
- Contact :
Re: Problème préchauffage 2.5L
Salut,Blackhawk a écrit :
je ne sais pas si il y a eu une raison, mais j’hésite a mettre comme sur tes photos de peur que ça crame quelque chose ( pas que je fasse pas confiance a tes explications et expertises, juste que j'ai pas confiance dans les bidouillages de l'ancien proprio).
Trop tard
La raison de ton inversion est je pense l'ignorance, car effectivement à l’ohmmètre on peut voir un +12V s'établir dés que l'on tourne la clef en position 1, sur l'un ou l'autre des contacts, mais cela n'éclaire pas sur la puissance commutable, et le fait de leurs maintien, lorsque tu tournes la clef pour préchauffer ou démarrer.
C'est la façon dont l'ancien proprio a câblé le neiman sur ton land qui font qu'aujourd'hui tu as des problèmes et que cela l'a cramé .
Si tu es d'accord, peux tu mettre ton ancienne cartouche à la poubelle dans ma boite contre remboursement des frais de port, pour autopsie, adresse en mp.
A+
Modifié en dernier par LØLØ le 01/09/2014 22:50, modifié 1 fois.
2 solutions: la bonne et l'Anglaise
LUCAS: Il n'y a pas de contact où il le faut et il y en a un où il ne faut pas
On ne peut aller loin en amitié, si on n'est pas disposé à se pardonner les uns aux autres les petits défauts.
www.eternal-vehicles.fr
LUCAS: Il n'y a pas de contact où il le faut et il y en a un où il ne faut pas
On ne peut aller loin en amitié, si on n'est pas disposé à se pardonner les uns aux autres les petits défauts.
www.eternal-vehicles.fr
Re: Problème préchauffage 2.5L
Je viens de voir ta réponse, et un problème me viens a l'esprit (j'ai quand même vérifié sur le schéma de ma doc).
Les 2 fils blanc/noir devrais alimenter l’électrovanne de coupure d'alimentation (qui dois avoir du courant pendant le démarrage, sinon ça va pas démarrer:) ), et du coup j'arrive pas à refléchir vul'heure tardive.
Demain pendant que l'huile coulera (vidange de prévue, pas l'écoulement naturel des vrais Land) je redémontrais le TdB et inverserais les fils pour voir ce que ça donne.
Je vous donnerais mes constatations.
Bonne nuit (ça va tourner cette histoire de fils dans ma petite tête cette nuit)
P.S.: LØLØ, pas de soucis, je te l'enverrai dès qu'elle sera démontée. Je pense que ça sera pour les prochaines vacances scolaires, je vais refaire tout le tableau de bord qui est complètement détruit Le bloc voyants/compteur ne tiens que par une vis qui tiens le un bout de plastique fendu, donc c'est pas la joie)
Les 2 fils blanc/noir devrais alimenter l’électrovanne de coupure d'alimentation (qui dois avoir du courant pendant le démarrage, sinon ça va pas démarrer:) ), et du coup j'arrive pas à refléchir vul'heure tardive.
Demain pendant que l'huile coulera (vidange de prévue, pas l'écoulement naturel des vrais Land) je redémontrais le TdB et inverserais les fils pour voir ce que ça donne.
Je vous donnerais mes constatations.
Bonne nuit (ça va tourner cette histoire de fils dans ma petite tête cette nuit)
P.S.: LØLØ, pas de soucis, je te l'enverrai dès qu'elle sera démontée. Je pense que ça sera pour les prochaines vacances scolaires, je vais refaire tout le tableau de bord qui est complètement détruit Le bloc voyants/compteur ne tiens que par une vis qui tiens le un bout de plastique fendu, donc c'est pas la joie)
Land Rover 110 2.5D en cour de modification-fiabilisation-transformation
- LØLØ
- Modérateur
- Messages : 6209
- Enregistré le : 30/07/2006 15:41
- Localisation : guainville (28 )
- Contact :
Re: Problème préchauffage 2.5L
Salut,Blackhawk a écrit :Je viens de voir ta réponse, et un problème me viens a l'esprit (j'ai quand même vérifié sur le schéma de ma doc).
Les 2 fils blanc/noir devrais alimenter l’électrovanne de coupure d'alimentation (qui dois avoir du courant pendant le démarrage, sinon ça va pas démarrer:) ), et du coup j'arrive pas à refléchir vul'heure tardive.
Ta remarque m'a interpellé.
Déjà, il faut que l'on fasse attention à la couleur des fils BW et WB dans un cas on a un fil blanc liseré noir et dans l'autre noir liseré blanc.
Ensuite il faut s'intéresser à la date précise de ton land, apparemment l'année charnière serait 1986.
Ensuite, sur les cartouches de neiman, il y a des subtilités, est ce que la tienne est exactement la même que sur les photos précédentes? Tu as laquelle? Il y a là, effectivement sujet de réflexion.
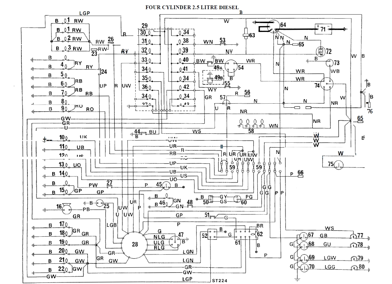
Regarde ce premier schéma pour un 2,5D, probablement celui auquel tu te réfères, suite à ta remarque sur l’électrovanne ( repéré 73), couleur du fil unique WB . Légendes. Bon puis regarde ce bout de schéma à partir de 86, là il y a les cosses du neiman et la version soit essence 4 cosses, soit diésel 5 cosses pour le neiman. Légende schéma tous modèles de 1986 à 1991. Ou on peut y voir que le fil WB se transforme est relié a un W simple, et où je suppose que 104 est l’électrovanne. Pour continuer dans le sac de nœud, j'utilise comme base de réflexion depuis le départ un faisceau complet et propre d'un 110 SW 2,5 D county de 1986. Sur ce faisceau, il y a deux fils relier ensemble dont bizarrement, je n'arrive pas bien à déterminer la couleur exacte car on pourrait dire qu'il y a deux liserés blanc et deux liserés noir, pas clair cette histoire. Il n'y avait plus de fil blanc avec un seul liseré noir à la fabrication? Donc je me suis dis, je vais suivre ces fils dans le faisceau.
D'un coté cela part aux voyants de charge; de pression d'huile; de frein à main et de ceinture donc c'est un +12V après contact qu'il doit y avoir.
De l'autre coté, il va sur un connecteur compartiment moteur, sur une embase femelle à coté du fil du voyant de charge marron liseré jaune. Mais effectivement, comment se fait-il que cela démarre si l'on coupe l’électrovanne pendant la phase de lancement du démarreur.
Donc dans ce cas, je pense que tu as raison. Il faudrait câbler le neiman comme ça: Donc visiblement, pendant la phase de démarrage tout est coupé sauf 4 voyants et l’électrovanne.
Il y a également un relais test frein repère 54 premier schéma qui est actionné pendant la phase de lancement du démarreur,
il commute à la masse le voyant de liquide de frein, cela permet de contrôler si le voyant est bon au moment du démarrage.
Ce voyant dépend du capteur qui est sur le tablier en bas à droite, et lorsqu'il y a un déséquilibre entre l'avant et l'arrière cela déplace un clapet et commute à la masse l'un des fils blanc liseré noir. Je suis étonné d'une utilisation double d'un même code couleur pour deux fonctions distincts, c'est la première fois que je remarque ça dans un faisceau land.
Ensuite, j'ai beau avoir moult schémas land, il y a toujours un petit truc qui ne colle pas ou que l'on ne retrouve pas, malgré tout dans l'ensemble, il ne sont pas mauvais
Je vais donc reprendre les interventions précédentes.
A+
2 solutions: la bonne et l'Anglaise
LUCAS: Il n'y a pas de contact où il le faut et il y en a un où il ne faut pas
On ne peut aller loin en amitié, si on n'est pas disposé à se pardonner les uns aux autres les petits défauts.
www.eternal-vehicles.fr
LUCAS: Il n'y a pas de contact où il le faut et il y en a un où il ne faut pas
On ne peut aller loin en amitié, si on n'est pas disposé à se pardonner les uns aux autres les petits défauts.
www.eternal-vehicles.fr
Re: Problème préchauffage 2.5L
Encore un mystrère land:)
Je suis au boulot, et j'ai pas le 110 sous la main, donc je peu pas aller voir in-situ.
(les capteurs et voyants bien sur, j'ai bien un truc qui est censé freiner quand je tire sur sa poignée, et j'ai bien des bandelettes de tissu noir qu'on boucle quand on roule (humour évidement, pour les septiques
))
C'est bien comme ça qu'est branché le mien.
Je suis au boulot, et j'ai pas le 110 sous la main, donc je peu pas aller voir in-situ.
J'ai la cartouche de droite, 5 cosses, et la "grosse avec 2 pions de contact" en bas à gaucheLØLØ a écrit :Déjà, il faut que l'on fasse attention à la couleur des fils BW et WB dans un cas on a un fil blanc liseré noir et dans l'autre noir liseré blanc.
Ensuite il faut s'intéresser à la date précise de ton land, apparemment l'année charnière serait 1986.
Ensuite, sur les cartouches de neiman, il y a des subtilités, est ce que la tienne est exactement la même que sur les photos précédentes? Tu as laquelle?
C’est bien ce schéma la, qui a l'air de correspondre pour tout ce que j'ai contrôlé, sauf quelques trucs dont la couleur du fil de l'électrovanne entre autre.LØLØ a écrit : Il y a là, effectivement sujet de réflexion.
Regarde ce premier schéma pour un 2,5D, probablement celui auquel tu te réfères, suite à ta remarque sur l’électrovanne ( repéré 73), couleur du fil unique WB . Légendes.
J'ai regardé celui-là aussi, mais il fait un peu usine a gaz, et il est donné pour après 1986, et le premier avait l'air de correspondre, donc je l'avais laissé tomber (erreur visiblement, j'ai regardé vite fait, et effectivement certaines choses correspondent bien mieux)LØLØ a écrit : Bon puis regarde ce bout de schéma à partir de 86, là il y a les cosses du neiman et la version soit essence 4 cosses, soit diésel 5 cosses pour le neiman. Légende schéma tous modèles de 1986 à 1991. Ou on peut y voir que le fil WB se transforme est relié a un W simple, et où je suppose que 104 est l’électrovanne.
C'est exactement le modèle de 110 que j'ai, par contre le mien est pas propre, j'ai vu de ces bidouillages... ça fait peur, je ferais un petit reportage quand je changerais le tableau de bord.LØLØ a écrit : Pour continuer dans le sac de nœud, j'utilise comme base de réflexion depuis le départ un faisceau complet et propre d'un 110 SW 2,5 D county de 1986.
Ca dois être ça, quand je démarre, j'ai bien les voyants de charge et d'huile qui restent allumé (ainsi que l'électrovanne), pour le frein a main et les ceintures, je les ai pas, donc pas de risques de les allumerLØLØ a écrit : Sur ce faisceau, il y a deux fils relier ensemble dont bizarrement, je n'arrive pas bien à déterminer la couleur exacte car on pourrait dire qu'il y a deux liserés blanc et deux liserés noir, pas clair cette histoire. Il n'y avait plus de fil blanc avec un seul liseré noir à la fabrication? Donc je me suis dis, je vais suivre ces fils dans le faisceau.
D'un coté cela part aux voyants de charge; de pression d'huile; de frein à main et de ceinture donc c'est un +12V après contact qu'il doit y avoir.
De l'autre coté, il va sur un connecteur compartiment moteur, sur une embase femelle à coté du fil du voyant de charge marron liseré jaune. Mais effectivement, comment se fait-il que cela démarre si l'on coupe l’électrovanne pendant la phase de lancement du démarreur.
Donc dans ce cas, je pense que tu as raison. Il faudrait câbler le neiman comme ça: Donc visiblement, pendant la phase de démarrage tout est coupé sauf 4 voyants et l’électrovanne.
C'est bien comme ça qu'est branché le mien.
Ca, par contre j'ai pas. Le voyant de frein ne s'allume dans mon 110 que si j'enlève le bouchon du bocal du liquide de frein (ou si il en a plus, mais heureusement ça m'est jamais arrivé), par contre, je pense que c'est pas d'origine, il y a une fil jaune et un marron sur ce capteur, et il est dans une petite gaine annelée, que je n'ai nulle-part ailleurs dans le faisceau d'origine.LØLØ a écrit :
Il y a également un relais test frein repère 54 premier schéma qui est actionné pendant la phase de lancement du démarreur,
il commute à la masse le voyant de liquide de frein, cela permet de contrôler si le voyant est bon au moment du démarrage.
Faudra que j'essaye avec un bout de fil pour voir si c'est toujours branché.LØLØ a écrit :
Ce voyant dépend du capteur qui est sur le tablier en bas à droite, et lorsqu'il y a un déséquilibre entre l'avant et l'arrière cela déplace un clapet et commute à la masse l'un des fils blanc liseré noir.
Sur mon neiman, je dirais que c'est blanc filet noir, exactement comme sur le neiman de ta photo, et celui de la flèche rouge de ta dernière photo.LØLØ a écrit : Je suis étonné d'une utilisation double d'un même code couleur pour deux fonctions distincts, c'est la première fois que je remarque ça dans un faisceau land.
Ensuite, j'ai beau avoir moult schémas land, il y a toujours un petit truc qui ne colle pas ou que l'on ne retrouve pas, malgré tout dans l'ensemble, il ne sont pas mauvais![]()
Ca s’est un sujet constructif comme je les aimes.LØLØ a écrit : Je vais donc reprendre les interventions précédentes.
A+
Land Rover 110 2.5D en cour de modification-fiabilisation-transformation
- LØLØ
- Modérateur
- Messages : 6209
- Enregistré le : 30/07/2006 15:41
- Localisation : guainville (28 )
- Contact :
Re: Problème préchauffage 2.5L
Salut,
Il y a sept ans que j'ai changé le faisceau du 110, remplacé par un faisceau de 200.
Le système dans le bocal est arrivé plus tard que 86, avec ce faisceau là dans lequel il y a un fil tout noir de masse et le noir liseré blanc. Le flotteur commute le voyant à la masse lorsque le niveau de liquide est bas.
Normalement contact mit, si tu touches la masse avec ce fil, cela doit l'allumer. De l'autre coté, sur la femelle, elle va au relais qui le commute à la masse pendant la phase de démarrage uniquement, afin de contrôler l'état du voyant et peut-être la continuité du capteur. Il est très probable, que ces deux fils ou du moins celui coté voyant, ont ou ait été réutilisé pour le capteur dans le bouchon bocal. Les fils d'origines de ce capteur, sont sur les lands qui en sont pourvus d'origine, de couleur noir liseré blanc.
Ce que j'ai vu aussi sur certain land, c'est les deux fils relier entre eux. Je ne vois pas trop pourquoi, ou quelle est l'évolution qui mène à ça. Il faudrait que j'observe la séquence de démarrage du 200 pour voir.
Merci
A+
Super, sur tout n’hésite pas en cas de doutes ou de questionnement diverses et variés.Blackhawk a écrit : je ferais un petit reportage quand je changerais le tableau de bord.
C'est pour cette ambiguïté là, que je suis partis en hors sujet sur le circuit de commande du voyant d'alerte liquide de frein. Où je me suis fait avoir comme un bleu.LØLØ a écrit : Sur ce faisceau, il y a deux fils relier ensemble dont bizarrement, je n'arrive pas bien à déterminer la couleur exacte car on pourrait dire qu'il y a deux liserés blanc et deux liserés noir, pas clair cette histoire...
Ça, c'étaient en option pour certain pays, le voyant frein à main à été activé en France avec l'arrivé du 300Tdi. Mais je pense en monter un de ces jours, cela évite de l'oublier et de le tuer trop rapidement.... pour le frein a main et les ceintures, je les ai pas, donc pas de risques de les allumer...
Oui, d'origine, il y a le système à piston navette, entre l'avant arrière au bas du tablier, vérifie, tu l'as peut-être encore en place au bas du tablier, avec les fils du contacteur coupés.Ça, par contre j'ai pas. Le voyant de frein ne s'allume dans mon 110 que si j'enlève le bouchon du bocal du liquide de frein (ou si il en a plus, mais heureusement ça m'est jamais arrivé), par contre, je pense que c'est pas d'origine, il y a une fil jaune et un marron sur ce capteur, et il est dans une petite gaine annelée, que je n'ai nulle-part ailleurs dans le faisceau d'origine.
Le système dans le bocal est arrivé plus tard que 86, avec ce faisceau là dans lequel il y a un fil tout noir de masse et le noir liseré blanc. Le flotteur commute le voyant à la masse lorsque le niveau de liquide est bas.
Les connexions au capteur d'origine arrivent dans le compartiment moteur, au milieu des connecteurs de tablier du faisceau arrière et faisceau moteur. Pour le bout de fil, il faut le mettre du coté qui va au voyant d'alerte frein, donc sur la fiche mal.Faudra que j'essaye avec un bout de fil pour voir si c'est toujours branché.
Normalement contact mit, si tu touches la masse avec ce fil, cela doit l'allumer. De l'autre coté, sur la femelle, elle va au relais qui le commute à la masse pendant la phase de démarrage uniquement, afin de contrôler l'état du voyant et peut-être la continuité du capteur. Il est très probable, que ces deux fils ou du moins celui coté voyant, ont ou ait été réutilisé pour le capteur dans le bouchon bocal. Les fils d'origines de ce capteur, sont sur les lands qui en sont pourvus d'origine, de couleur noir liseré blanc.
Ce que j'ai vu aussi sur certain land, c'est les deux fils relier entre eux. Je ne vois pas trop pourquoi, ou quelle est l'évolution qui mène à ça. Il faudrait que j'observe la séquence de démarrage du 200 pour voir.
Fait. Relis pour voir si cela te semble correct maintenant.Blackhawk a écrit :Ça s’est un sujet constructif comme je les aimes.LØLØ a écrit : Je vais donc reprendre les interventions précédentes.
A+
Merci
A+
2 solutions: la bonne et l'Anglaise
LUCAS: Il n'y a pas de contact où il le faut et il y en a un où il ne faut pas
On ne peut aller loin en amitié, si on n'est pas disposé à se pardonner les uns aux autres les petits défauts.
www.eternal-vehicles.fr
LUCAS: Il n'y a pas de contact où il le faut et il y en a un où il ne faut pas
On ne peut aller loin en amitié, si on n'est pas disposé à se pardonner les uns aux autres les petits défauts.
www.eternal-vehicles.fr
Re: Problème préchauffage 2.5L
Je profite des vacances et de l'atelier de mes parents...
pour l'instant ça avance bien, il faudra que je change les cosses qui viennent sur le neiman, les 2 grosses ont bien pris, il y a de grosses traces d'arcs et de chauffe.
Pour rester dans le theme electricité, mais plus du prechauffage, il y a des trucs bizarres dans mon 110, si je trouve le mec qui a fait ça je le brule.
pour l'instant ça avance bien, il faudra que je change les cosses qui viennent sur le neiman, les 2 grosses ont bien pris, il y a de grosses traces d'arcs et de chauffe.
Pour rester dans le theme electricité, mais plus du prechauffage, il y a des trucs bizarres dans mon 110, si je trouve le mec qui a fait ça je le brule.
Land Rover 110 2.5D en cour de modification-fiabilisation-transformation
- LØLØ
- Modérateur
- Messages : 6209
- Enregistré le : 30/07/2006 15:41
- Localisation : guainville (28 )
- Contact :
Re: Problème préchauffage 2.5L
Salut,Blackhawk a écrit :
Pour rester dans le theme electricité, mais plus du prechauffage, il y a des trucs bizarres dans mon 110, si je trouve le mec qui a fait ça je le brule.
Visiblement, il y a de l'adaptation dans l'air, ce n'est apparemment pas le bouton d'origine. Celui de droite sur la photo. A+
2 solutions: la bonne et l'Anglaise
LUCAS: Il n'y a pas de contact où il le faut et il y en a un où il ne faut pas
On ne peut aller loin en amitié, si on n'est pas disposé à se pardonner les uns aux autres les petits défauts.
www.eternal-vehicles.fr
LUCAS: Il n'y a pas de contact où il le faut et il y en a un où il ne faut pas
On ne peut aller loin en amitié, si on n'est pas disposé à se pardonner les uns aux autres les petits défauts.
www.eternal-vehicles.fr
Re: Problème préchauffage 2.5L
l'installation électrique de ce 110 est une véritable usine a gaz (les rajouts, pas l'origine).
La cassette du neiman est venue sans problème particulier, ça s'est passé tout seul.
En plein remontage, j’espère que ça va marcher
La cassette du neiman est venue sans problème particulier, ça s'est passé tout seul.
En plein remontage, j’espère que ça va marcher
Land Rover 110 2.5D en cour de modification-fiabilisation-transformation