Plafonnier déficient

Bidouillages électriques, codes d'erreur ECU...

Modérateurs : The Pater, LØLØ

Règles du forum
En naviguant sur le site http://www.landroverfaq.com vous reconnaissez avoir lu ses Conditions d’Utilisation, vous déclarez les comprendre et vous acceptez d’y être lié de manière inconditionnelle. Si tel n'est pas le cas, merci de quitter immédiatement ce site.

Vous pouvez joindre autant d'images que nécessaire à vos messages A LA CONDITION EXPRESSE d'utiliser l'hébergement fourni par le site.

L'administrateur effacera systématiquement tout message contenant des photos hébergées chez Imageschack, Casimage, Wistiti ou tout autre hébergeur tiers sans sommation ni justification.
Avatar du membre
LØLØ
Modérateur
Messages : 6210
Enregistré le : 30/07/2006 15:41
Localisation : guainville (28 )
Contact :

Re: Plafonnier déficient

Message non lu par LØLØ »

Dom49 a écrit : D'après toi LØLØ, et sachant que je m'y connais pas trop en électricité, est ce que je peux moi-même essayer de remettre la télécommande en fonction où alors il vaut mieux laisser comme cela sachant que je ne peux pas te dire exactement ce qu'ils ont déjà fait ?
Salut,
J'ai déjà inhibé, et fait inhibé ici même plusieurs fois des boîtiers immobilisateur AMR4889 en soudant des fils dedans pour shunter le relais qui coupe l'électrovanne et celui qui coupe la commande du solénoïde du démarreur, cela n'a jamais eu d'influence sur la centralisation et le blip. Bon c'était sur des def, mais les références des boîtiers sont les mêmes que sur les Disco. Dans les concessions, ils ont les moyens d'agir par programmation sur l'alarme, à l'aide du T4. Peut-être qu'a l'occasion, si tu passes devant une autre concession, ils seraient prêt à te mettre un coup de valise électronique, ne serait ce que pour voir ce qu'il en est. Si tu leur demande simplement un diagnostique en leur expliquant que tu as changé les piles et que depuis cela ne fonctionne plus, peut-être qu'ils pourront te la réinitialiser pour pas trop chère, ou bien te dire clairement ce qui ne va pas, si les autres ont fait une bêtise.
A+
NB: As tu déjà effectué une procédure de réinitialisation de la télécommande?
2 solutions: la bonne et l'Anglaise
LUCAS: Il n'y a pas de contact où il le faut et il y en a un où il ne faut pas
On ne peut aller loin en amitié, si on n'est pas disposé à se pardonner les uns aux autres les petits défauts.
www.eternal-vehicles.fr
Avatar du membre
Dom49
Habitué
Messages : 123
Enregistré le : 06/10/2012 16:43
Localisation : LA BAULE -44-

Re: Plafonnier déficient

Message non lu par Dom49 »

LØLØ a écrit :
Dom49 a écrit : D'après toi LØLØ, et sachant que je m'y connais pas trop en électricité, est ce que je peux moi-même essayer de remettre la télécommande en fonction où alors il vaut mieux laisser comme cela sachant que je ne peux pas te dire exactement ce qu'ils ont déjà fait ?
Salut,
J'ai déjà inhibé, et fait inhibé ici même plusieurs fois des boîtiers immobilisateur AMR4889 en soudant des fils dedans pour shunter le relais qui coupe l'électrovanne et celui qui coupe la commande du solénoïde du démarreur, cela n'a jamais eu d'influence sur la centralisation et le blip. Bon c'était sur des def, mais les références des boîtiers sont les mêmes que sur les Disco. Dans les concessions, ils ont les moyens d'agir par programmation sur l'alarme, à l'aide du T4. Peut-être qu'a l'occasion, si tu passes devant une autre concession, ils seraient prêt à te mettre un coup de valise électronique, ne serait ce que pour voir ce qu'il en est. Si tu leur demande simplement un diagnostique en leur expliquant que tu as changé les piles et que depuis cela ne fonctionne plus, peut-être qu'ils pourront te la réinitialiser pour pas trop chère, ou bien te dire clairement ce qui ne va pas, si les autres ont fait une bêtise.
A+
NB: As tu déjà effectué une procédure de réinitialisation de la télécommande?
Non, non, je suis reparti tout con avec ma télécommande qui ne sert plus à rien et comme je te l'ai ai expliqué j'ai tendance à croire ce qu'on me dit, donc je leur ai fait confiance et depuis ma télécommande est dans un tiroir.
Maintenant effectivement, je vais essayé d'aller dans une concession quand je pourrai et tenter le coup.
Quoi qu'il en soit merci encore. Toutes tes interventions m'ont toujours bien aidé et ça fait plaisir de savoir qu'il y a quelqu'un pas loin, que ce soit toi où le pater. Pour info, depuis ma casse de courroie distri, tout se passe bien et mon petit tracteur tourne comme une horloge.
Allez à plus.
Carpe diem...
Avatar du membre
Dom49
Habitué
Messages : 123
Enregistré le : 06/10/2012 16:43
Localisation : LA BAULE -44-

Re: Plafonnier déficient

Message non lu par Dom49 »

Je ne pense pas qu'il y ait un rapport car les soucis de plafonniers sont beaucoup plus récents.
Ah? je ne peux pas l'affirmer car l'allumage est également géré par le boitier d'alarme.

Bonsoir LØLØ,
J'ai eu enfin un peu de temps pour me replonger dans mon problème de plafonnier et je suis allé voir du côté du boitier d'alarme sous les pieds du passager avant.
C'est triste à dire mais j'ai fait quasiment toutes les parties du camion et je ne m'était jamais encore penché vers ce coin là.
Au passage j'ai découvert pas mal de choses mais je te mettrai quelques photos plus tard.
Quand tu dis que c'est le boitier d'alarme qui gère le plafonnier, peux tu me dire quel est le principe de fonctionnement car j'ai débranché les deux grosses cosses, la grise et la verte et le plafonnier est toujours en fonction.
Dois je démonter le boitier et vérifier l'intérieur ?
A plus.
Carpe diem...
Avatar du membre
LØLØ
Modérateur
Messages : 6210
Enregistré le : 30/07/2006 15:41
Localisation : guainville (28 )
Contact :

Re: Plafonnier déficient

Message non lu par LØLØ »

Salut,
C'est l'extinction progressive des plafonniers qui est géré par l'ECU d'alarme. En effet d'un coté de l'ampoule, il y a un +12V fixe, et de l'autre est relier au boitier d'alarme. Le boitier d'alarme, maintient une masse "virtuelle" au plafonnier après fermeture des portes, l'ampoule du plafonnier est dans un état allumé, puis progressivement le boitier d'alarme remonte la tension jusqu’à +12V ce qui fini par éteindre l'ampoule, car elle se trouve entre deux +12V. Mais la fonction d'allumage extinction avec le bouton toujours opérationnel.
Si tu n'as pas l’œil, il est difficile de te dire d'ouvrir le boitier d'alarme. Peut-être de nous faire des superbes photos recto verso et nous les soumettre, mais je ne suis pas sur que l'on puisse voir quelques chose, à moins que cela ne soit vraiment flagrant: pistes ou composants brulés; mauvaises soudures; condensateurs gonflés...
A+
2 solutions: la bonne et l'Anglaise
LUCAS: Il n'y a pas de contact où il le faut et il y en a un où il ne faut pas
On ne peut aller loin en amitié, si on n'est pas disposé à se pardonner les uns aux autres les petits défauts.
www.eternal-vehicles.fr
Avatar du membre
Dom49
Habitué
Messages : 123
Enregistré le : 06/10/2012 16:43
Localisation : LA BAULE -44-

Re: Plafonnier déficient

Message non lu par Dom49 »

Bonjour à tous et bon dimanche. Merci pour les infos du boitier alarme, LØLØ.

Bon voilà ce que j'ai trouvé lorsque je suis allé voir sous la boite à gants :shock:
IMG_5150.jpg
IMG_5151.jpg
IMG_5149.jpg
IMG_5145.jpg
Alors si je me suis pas trompé parce que c'est pas facile en dessous et j'ai la vue qui baisse avec l'âge :)

Sur la broche grise :
J'ai compté 16 fils dont 6 ont été coupés : Le violet liseré blanc, le violet liseré vert, le violet liseré orange, le rouge liseré gris, le noir liseré rose et le violet liseré blanc.

Sur la broche verte : j'ai compté 12 fils dont 5 fils ont été coupés : le vert liseré, le rouge liseré blanc, le orange liseré noir, le vert liseré rouge et le blanc liseré rouge.

Je ne pense que ça soit les gars de la concession Land Rover qui ont coupés ces fils lors du shuntage
de l’alarme il y a trois ans.
Je pense que ça vient de l’ancien proprio car il avait déjà à l’époque des problèmes de fermeture centralisée et dès que je démonte quelque chose d'électrique sur le camion, je tombe toujours sur du bricolage.
Toujours est il que ça marche comme ça depuis trois ans.….
Je vais démonter le boitier alarme quand même et puis je vais ouvrir la console centrale pour voir ce qui a vraiment été fait au niveau du shuntage de l'alarme.
A plus.
Carpe diem...
Avatar du membre
Dom49
Habitué
Messages : 123
Enregistré le : 06/10/2012 16:43
Localisation : LA BAULE -44-

Re: Plafonnier déficient

Message non lu par Dom49 »

Je retouche les photos de suite, elle doivent être un peu trop lourdes.
Carpe diem...
Avatar du membre
Dom49
Habitué
Messages : 123
Enregistré le : 06/10/2012 16:43
Localisation : LA BAULE -44-

Re: Plafonnier déficient

Message non lu par Dom49 »

IMG_5150.jpg
IMG_5151.jpg
IMG_5149.jpg
IMG_5145.jpg
Voilà je pense que c'est mieux
Carpe diem...
Avatar du membre
Dom49
Habitué
Messages : 123
Enregistré le : 06/10/2012 16:43
Localisation : LA BAULE -44-

Re: Plafonnier déficient

Message non lu par Dom49 »

Voilà la suite avec des photos du boitier d'alarme vert (AMR4885).
Ce boitier à déjà été ouvert (trace de griffure sur les agrafes de maintien).
Effectivement comme disait LØLØ, ça va être dur à ausculter.
En ce qui me concerne, j'ai regardé à la loupe et rien ne me paraît bizarre au niveau des soudures et des composants. Rien ne bouge et pas de boursouflures ni de points cramés....
Photo 1 007.jpg
Photo 1 008.jpg
Photo 1 009.jpg
Photo 1 010.jpg
Photo 1 012.jpg
Photo 1 013.jpg
Photo 1 014.jpg
Photo 1 015.jpg
Photo 1 016.jpg
Photo 1 017.jpg
Photo 1 019.jpg
Carpe diem...
Avatar du membre
Dom49
Habitué
Messages : 123
Enregistré le : 06/10/2012 16:43
Localisation : LA BAULE -44-

Re: Plafonnier déficient

Message non lu par Dom49 »

Il y a ce composant qui me pose souci. Il a une allure gonflé et cramé.
Il est en bas à droite à proximité de la broche verte.
Photo 1 002.jpg
Photo 1 003.jpg
Carpe diem...
Avatar du membre
nanard833
Habitué
Messages : 3989
Enregistré le : 10/10/2009 20:18
Localisation : disco 300TDI 431000 bornes

Re: Plafonnier déficient

Message non lu par nanard833 »

Salut,

pas de doute le composant est cramé....et dans ce cas il y a certainement des dommages collatéraux.

A+
Gratter la botte ne soulage guère quand ça démange à l'intérieur (proverbe chinois)
Avatar du membre
Dom49
Habitué
Messages : 123
Enregistré le : 06/10/2012 16:43
Localisation : LA BAULE -44-

Re: Plafonnier déficient

Message non lu par Dom49 »

nanard833 a écrit : Salut , pas de doute le composant est cramé....et dans ce cas il y a certainement des dommages collatéraux.
A+
Salut Nanard, je me doute qu'il est cramé mais :

- A quoi sert-il ? ( parce que là ça dépasse mes compétences et la boursouflure a brûlé la référence).

et

- Est ce valable d'essayer de le remplacer quitte à prendre le risque de provoquer des dégâts supplémentaires sur la carte mère ?
(sachant que ça marche comme ça depuis trois ans et que si ça ne va pas mieux je vais couper la veilleuse à la main ).
Carpe diem...
Avatar du membre
LØLØ
Modérateur
Messages : 6210
Enregistré le : 30/07/2006 15:41
Localisation : guainville (28 )
Contact :

Re: Plafonnier déficient

Message non lu par LØLØ »

Dom49 a écrit :
- A quoi sert-il ? ( parce que là ça dépasse mes compétences et la boursouflure a brûlé la référence).
Sallut,
C'est un transistor, trouvé sa référence, ce ne sera pas ça le plus difficile. Son rôle,vue sa situation géographique, soit il commande le relais au dessus, soit il sert lui même de relais, il pourrait par exemple commuter la masse du relais de démarrage, fil noir liseré orange.
Les deux connecteurs du boitier d'alarme, ce sont les schémas pour un land, car je n'ai pas les schémas du Disco 300tdi, d'ailleurs au passage, a votre bon cœur M'sieur Dames, si vous avez ça dans vos archives, ou, si vous savez où je pourrais me les procurer, se serait avec une joie non dissimilée que j'en ferais un bon usage. Car malgré de nombreuses recherches, je ne les ai toujours pas.
Pour un land ou un disco, les boitiers sont à priori, presque identiques bien que pas forcément utilisé de la même façon, câblage et programme.
Connecteur vert CO57:
connecteur C057.jpg
Connecteur noir C0061.
connecteur C061.jpg
- Est ce valable d'essayer de le remplacer quitte à prendre le risque de provoquer des dégâts supplémentaires sur la carte mère ?
Tu peux toujours essayer de le changer, il te faut un fer CMS à air chaud, ou vu la taille du transistor, tu peux t'en sortir avec un petit fer à souder si tu es doué pour ça et méticuleux. Le Transistor ou son équivalent doit pouvoir se trouver chez Conrad. Pas forcement de dommage induit, il peut avoir servit de fusible suite aux erreurs de manipulations en concession le dommage collatéral ce serait lui en faite.
Ce qui serait intéressant dans ton cas, c'est d'identifier la couleur et le rôle des fils coupés. Pour ce faire, tu peux reprendre les tableaux des connecteurs C057 et C061 en enregistrant l'image sous dans ton ordinateur, à l'aide d'un clic droit. Puis, tu peux mettre une croix devant les broches où les fils coupés et t'assurer que les couleurs sont biens les mêmes que celles du def. Puis tu les replaces dans ta prochaine intervention ainsi complété. Cela permettra peut-être de comprendre et de juger la logique de la démarche suivit par la concession.
Accessoirement, tu peux lire ce thème sur les plafonniers, cela concerne un Def, mais c'est très proche du disco: Eclairage plafonniers Def 300Tdi SW (1997) on peut également y remarquer, que dans l'ECU d'alarme du def, il y a un relais de moins.
A+
2 solutions: la bonne et l'Anglaise
LUCAS: Il n'y a pas de contact où il le faut et il y en a un où il ne faut pas
On ne peut aller loin en amitié, si on n'est pas disposé à se pardonner les uns aux autres les petits défauts.
www.eternal-vehicles.fr
Avatar du membre
Dom49
Habitué
Messages : 123
Enregistré le : 06/10/2012 16:43
Localisation : LA BAULE -44-

Re: Plafonnier déficient

Message non lu par Dom49 »

Ok merci LØLØ, je vais voir tout ça, ça va m'occuper.
A plus....
Carpe diem...
Avatar du membre
Dom49
Habitué
Messages : 123
Enregistré le : 06/10/2012 16:43
Localisation : LA BAULE -44-

Re: Plafonnier déficient

Message non lu par Dom49 »

LØLØ a écrit :
Dom49 a écrit :
- A quoi sert-il ? ( parce que là ça dépasse mes compétences et la boursouflure a brûlé la référence).
Salut,
C'est un transistor, trouvé sa référence, ce ne sera pas ça le plus difficile. Son rôle,vue sa situation géographique, soit il commande le relais au dessus, soit il sert lui même de relais, il pourrait par exemple commuter la masse du relais de démarrage, fil noir liseré orange.
Les deux connecteurs du boitier d'alarme, ce sont les schémas pour un land, car je n'ai pas les schémas du Disco 300tdi, d'ailleurs au passage, a votre bon cœur M'sieur Dames, si vous avez ça dans vos archives, ou, si vous savez où je pourrais me les procurer, se serait avec une joie non dissimilée que j'en ferais un bon usage. Car malgré de nombreuses recherches, je ne les ai toujours pas.
Pour un land ou un disco, les boitiers sont à priori, presque identiques bien que pas forcément utilisé de la même façon, câblage et programme.
A+
Bonsoir LØLØ.
Bon je me suis remis sur mon petit souci mais je n'ai pas pu faire la comparaison entre tes schémas et mes branchements.
Les fils ne correspondent pas entre les DEF et les DISCO.
Je me suis plongé dans les 628 pages du manuel électrique pour le disco.
Je te met le lien si ça t'intéresse :
https://drive.google.com/file/d/0B96Dsx ... sp=sharing
Si ça ne fonctionne pas fais moi signe.
Mon boitier apparaît à la page 546
Les broches sont en C 247 et C 243 page 582 et 583 si je ne me suis pas trompé.
Par contre, je n'ai pas la nomenclature concernant les abréviations des fils avec un liseré donc pour l'instant, ça ne m'avance pas trop. Je n'ai que les abréviations de couleur simple.
Je laisse comme ça pour l'instant car ça ne m'empêche pas de rouler.
Pour le moment je vais actionner les plafonniers à la main et ça ira comme ça en attendant les beaux jours car ça caille un peu en ce moment et je travaille dehors.
Je te tiendrai au courant de la suite quand je démonterai la console du tableau de bord pour voir ce qu'ils ont réellement fait pour shunter l'alarme.
A plus.
Carpe diem...
Avatar du membre
LØLØ
Modérateur
Messages : 6210
Enregistré le : 30/07/2006 15:41
Localisation : guainville (28 )
Contact :

Re: Plafonnier déficient

Message non lu par LØLØ »

Dom49 a écrit : Bon je me suis remis sur mon petit souci mais je n'ai pas pu faire la comparaison entre tes schémas et mes branchements.
Les fils ne correspondent pas entre les DEF et les DISCO.
Je me suis plongé dans les 628 pages du manuel électrique pour le disco.
Je te met le lien si ça t'intéresse :
https://drive.google.com/file/d/0B96Dsx ... sp=sharing
Si ça ne fonctionne pas fais moi signe.
Salut,
Merci pour les schémas, cela fonctionne très bien. J'ai pris le temps de les étudier, j'ai pu ainsi comparer def et disco, il n'y a vraiment que très peu de différence. Bon, j'avais pris un peu d'avance car un faqueux avait déjà répondu a mon appelle. :wink:
Pour les abréviations des couleurs, ce sont les mêmes que pour le def sur la photo du connecteur C006, sinon tu les as sur la page 14/628 de la documentation que tu as mis en liens.
Mon boitier apparaît à la page 546
Les broches sont en C 247 et C 243 page 582 et 583 si je ne me suis pas trompé.
Oui, c'est bon.
Par contre, je n'ai pas la nomenclature concernant les abréviations des fils avec un liseré donc pour l'instant, ça ne m'avance pas trop. Je n'ai que les abréviations de couleur simple.
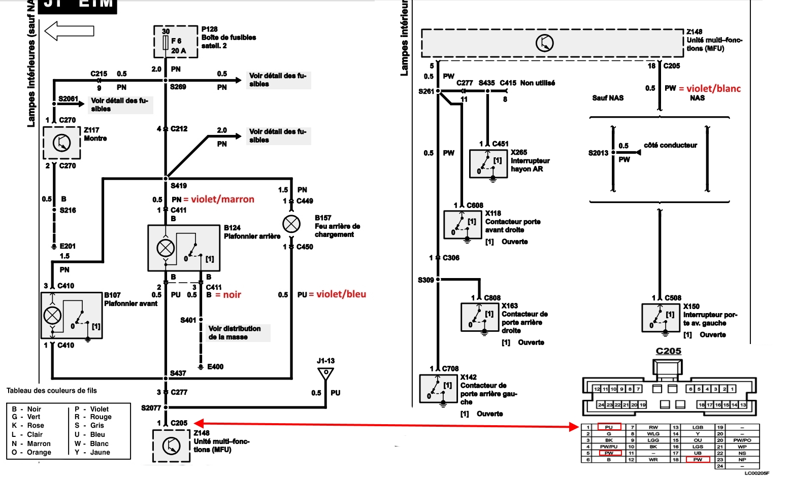
Ça ce n'est pas très compliquè, un petit exemple avec les schémas de plafonnier de disco. En premier, la couleur principale en deuxième la couleur du liseré. Par contre, ce qui ne simplifie pas les choses, c'est cette espèce d'Unité multi-fonctions (MFU) C205.
principe couleur.jpg
Je serais presque tenté de te dire d'aller chercher les fils sur le connecteur de C205, de couper et de relier entre eux les fils violet liseré bleu (PU) et violet liseré blanc (PW). Ainsi tu retrouveras la fonctionnalité des plafonniers avec les interrupteurs des portes, en plus de la fonction bouton.
A+
2 solutions: la bonne et l'Anglaise
LUCAS: Il n'y a pas de contact où il le faut et il y en a un où il ne faut pas
On ne peut aller loin en amitié, si on n'est pas disposé à se pardonner les uns aux autres les petits défauts.
www.eternal-vehicles.fr
Avatar du membre
Dom49
Habitué
Messages : 123
Enregistré le : 06/10/2012 16:43
Localisation : LA BAULE -44-

Re: Plafonnier déficient

Message non lu par Dom49 »

LØLØ a écrit : Je serais presque tenté de te dire d'aller chercher les fils sur le connecteur de C205, de couper et de relier entre eux les fils violet liseré bleu (PU) et violet liseré blanc (PW). Ainsi tu retrouveras la fonctionnalité des plafonniers avec les interrupteurs des portes, en plus de la fonction bouton.
A+
Salut, bon bah je vais essayer de tenter le coup.
Je vais bien faire gaffe car à force de tripoter les fils sur la broche, je me suis aperçu en remontant le plus possible que des fils avaient aussi été reliés entre eux plus haut :roll:
Je vais regarder ce qu'ils commandent et je te tiens au jus mais ce sera pas tout de suite....
A plus.
Carpe diem...
Avatar du membre
ludo59
Habitué
Messages : 910
Enregistré le : 27/07/2005 15:37
Localisation : Metz (enfin pas loin)

Re: Plafonnier déficient

Message non lu par ludo59 »

Petit HS qui ne te fera pas avancer ....

Je découvre ces electrical troubleshooting manual !

Ca existe pour tous les modeles ?
Avatar du membre
LØLØ
Modérateur
Messages : 6210
Enregistré le : 30/07/2006 15:41
Localisation : guainville (28 )
Contact :

Re: Plafonnier déficient

Message non lu par LØLØ »

ludo59 a écrit : Je découvre ces electrical troubleshooting manual !
Ca existe pour tous les modeles ?
salut,
+1
Hormis le coté schéma que l'on trouve pour tous les modèles, le coté "troubleshooting", c'est à dire une proposition d'une succession de mesures permettant de trouver un défaut, je ne l'ai vue que pour l'injection efi du range RRC. Je n'ai jamais rien vue de tel pour les def. Mais il n'y aurait pas de raison que cela n'existe pas, effectivement c'est à creuser. Cela simplifie bien la procédure pour les systèmes complexes, basé sur le principe de la boite noire, où l'on ne sait pas ce qu'il y a dedans, qu'elles peuvent être programmé différemment d'un modèle à l'autre, qu'il y a des connecteurs à 36 broches...
A+
2 solutions: la bonne et l'Anglaise
LUCAS: Il n'y a pas de contact où il le faut et il y en a un où il ne faut pas
On ne peut aller loin en amitié, si on n'est pas disposé à se pardonner les uns aux autres les petits défauts.
www.eternal-vehicles.fr
Avatar du membre
Dom49
Habitué
Messages : 123
Enregistré le : 06/10/2012 16:43
Localisation : LA BAULE -44-

Re: Plafonnier déficient

Message non lu par Dom49 »

Je mets également le manuel d'atelier pour DISCO à partir de 95 si ça peut servir à quelqu'un.....

https://drive.google.com/file/d/0B96Dsx ... sp=sharing

A plus...
Carpe diem...
REGIS2A
Habitué
Messages : 24
Enregistré le : 19/12/2019 20:11

Re: Plafonnier déficient

Message non lu par REGIS2A »

Bonjour
Mon père c'est aperçu que le plafonnier c'est allumé pendant la nuit et il les a bloqué manuellement.
Du coup j'ai lu ci dessous "aller chercher les fils sur le connecteur de C205, de couper et de relier entre eux les fils violet liseré bleu (PU) et violet liseré blanc (PW). Ainsi tu retrouveras la fonctionnalité des plafonniers avec les interrupteurs des portes, en plus de la fonction bouton."
Si je fais cette manipulation, cela résoudrait bien la décharge de la batterie
Répondre

Retourner vers « Electricité • Electronique »