Schema electrique Defender 90 Hard top 96 sans ECU
Règles du forum
En naviguant sur le site http://www.landroverfaq.com vous reconnaissez avoir lu ses Conditions d’Utilisation, vous déclarez les comprendre et vous acceptez d’y être lié de manière inconditionnelle. Si tel n'est pas le cas, merci de quitter immédiatement ce site.
Vous pouvez joindre autant d'images que nécessaire à vos messages A LA CONDITION EXPRESSE d'utiliser l'hébergement fourni par le site.
L'administrateur effacera systématiquement tout message contenant des photos hébergées chez Imageschack, Casimage, Wistiti ou tout autre hébergeur tiers sans sommation ni justification.
En naviguant sur le site http://www.landroverfaq.com vous reconnaissez avoir lu ses Conditions d’Utilisation, vous déclarez les comprendre et vous acceptez d’y être lié de manière inconditionnelle. Si tel n'est pas le cas, merci de quitter immédiatement ce site.
Vous pouvez joindre autant d'images que nécessaire à vos messages A LA CONDITION EXPRESSE d'utiliser l'hébergement fourni par le site.
L'administrateur effacera systématiquement tout message contenant des photos hébergées chez Imageschack, Casimage, Wistiti ou tout autre hébergeur tiers sans sommation ni justification.
Schema electrique Defender 90 Hard top 96 sans ECU
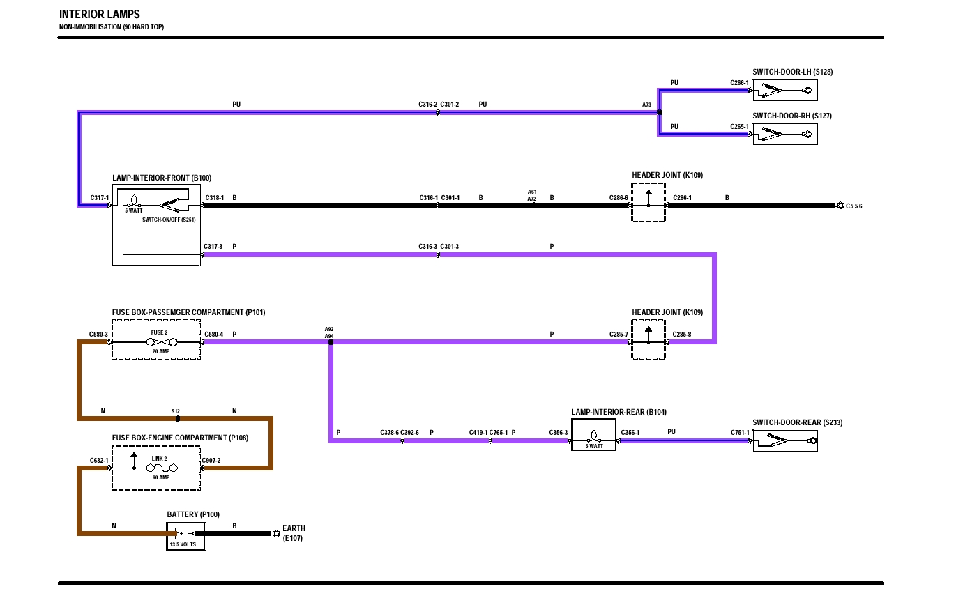
Rcherche cette doc, et plus particuliérement pour la partie plafonnier avant temporisé.
- LØLØ
- Modérateur
- Messages : 6210
- Enregistré le : 30/07/2006 15:41
- Localisation : guainville (28 )
- Contact :
Re: Schema electrique Defender 90 Hard top 96 sans ECU
Salut,patavion a écrit :Rcherche cette doc, et plus particuliérement pour la partie plafonnier avant temporisé.
Tu n'as pas d'ECU, mais tu as une centrale d'alarme appelé ECU sur les schémas et c'est elle qui te fait la temporisation sur le plafonnier,
Je te fais la même réponse, que sur le sujet que tu as déjà posté, rappel toi c'était dans Eclairage interieur DEF 90 SW 300 TDI sans ECU.
D’ailleurs, tu n'as pas répondu à la question posé dans ce thème
Donc si tu n'as pas d'alarme, le schéma de ton système, c'est celui là et il n'y a pas de temporisation, ou alors c'est une bidouille du précédent propriétaire car pas d'origine. Si maintenant dans ton souvenir, il y avait une temporisation et que cela n'était pas une bidouille de l'ancien proprio, alors le schéma c'est celui là, et tu avais une ECU d'alarme qui a été désactivé d'une façon ou d'une autre, ce qui aurait supprimé la fonction temporisation. Car a ma connaissance, il n'y a pas eu de def avec un boitier spécifique genre relais comme sur les ranges pour temporiser le plafonnier. Et quand bien même, car somme toute, je n'ai pas: tout lu, tout bu, tout vu, en cas de relais spéciaux sur les 300, il n'y a que deux endroits où ils peuvent être cachés d'origine: C'est dans la boite à fusibles centrale et derrière les compteurs, c'est le cas du relais dim-dip par exemple, spécifique aux lands anglais.
A+
2 solutions: la bonne et l'Anglaise
LUCAS: Il n'y a pas de contact où il le faut et il y en a un où il ne faut pas
On ne peut aller loin en amitié, si on n'est pas disposé à se pardonner les uns aux autres les petits défauts.
www.eternal-vehicles.fr
LUCAS: Il n'y a pas de contact où il le faut et il y en a un où il ne faut pas
On ne peut aller loin en amitié, si on n'est pas disposé à se pardonner les uns aux autres les petits défauts.
www.eternal-vehicles.fr