Remplacement courroie accessoires Defender TD4

Reconnaitre un moteur, restaurer une culasse...

Modérateurs : The Pater, LØLØ

Règles du forum
En naviguant sur le site http://www.landroverfaq.com vous reconnaissez avoir lu ses Conditions d’Utilisation, vous déclarez les comprendre et vous acceptez d’y être lié de manière inconditionnelle. Si tel n'est pas le cas, merci de quitter immédiatement ce site.

Vous pouvez joindre autant d'images que nécessaire à vos messages A LA CONDITION EXPRESSE d'utiliser l'hébergement fourni par le site.

L'administrateur effacera systématiquement tout message contenant des photos hébergées chez Imageschack, Casimage, Wistiti ou tout autre hébergeur tiers sans sommation ni justification.
Répondre
RR VM 1992

Remplacement courroie accessoires Defender TD4

Message non lu par RR VM 1992 »

L'opération est très facile et prend 20 minutes sur les Defender TD4 (2007 - 2015).

Land Rover propose de remplacer cette courroie à 200 000 km....

La référence Land Rover PQS 500616 (version non climatisée) et PQS500600 (version climatisée)
20150405_125237_resized.jpg
Toutefois si vous avez roulé en condition difficile (désert / boue...) on peut la changer vers 100 000 km ou dès l'apparition de craquelures.
20150405_125230_resized.jpg
On pourra raisonnablement vers 200 000 km s'interroger sur la nécessité de changer le galet tendeur PQG500210
Tendeur TD4.jpg
Avatar du membre
The Pater
Modérateur
Messages : 13981
Enregistré le : 25/08/2004 8:19
Localisation : 06°27'46"E 45°50'29"N

Re: Remplacement courroie accessoires Defender TD4

Message non lu par The Pater »

RR VM 1992 a écrit : On pourra raisonnablement vers 200 000 km s'interroger sur la nécessité de changer le galet tendeur PQG500210
En effet.

Si seulement le roulement se changeait facilement..... à vérifier.

A+
Ingénieur :
Personne faisant un travail divinatoire de précision basé sur des informations peu fiables données par des personnes peu qualifiées, voire ignorantes.
=>, magicien, devin, sorcier
RR VM 1992

Re: Remplacement courroie accessoires Defender TD4

Message non lu par RR VM 1992 »

Quelques vues du circuit de la courroie (version non climatisée)
20150405_114555_resized.jpg
Le tendeur avec son encoche carrée utile pour le détendre avec un carré d'adaptation Facom et ainsi pouvoir enlever la courroie
20150405_114621_resized.jpg
20150405_121238_resized.jpg

En version climatisée :
puma_belt_and_pullies.JPG
RR VM 1992

Re: Remplacement courroie accessoires Defender TD4

Message non lu par RR VM 1992 »

The Pater a écrit : En effet.

Si seulement le roulement se changeait facilement..... à vérifier.

A+
A l'examen cela me semble possible de changer la poulie (référence inconnue toutefois) ; il restera toutefois à évaluer la fatigue et la corrosion du ressort tendeur :
PQG500210.JPG
RR VM 1992

Re: Remplacement courroie accessoires Defender TD4

Message non lu par RR VM 1992 »

L'opération suivante consiste à faire tourner vers le bas le galet tendeur (grâce à l'encoche carrée cité plus haut) pour faire dérailler la courroie et l'enlever.
20150405_125153_resized.jpg
La douille Facom de 17 permet de démonter le tendeur pour pouvoir remonter la courroie neuve (inutile de démonter le ventilateur car l'intervalle entre les pales est suffisant)

Un petit essais en visuel de la courroie neuve en place :
20150405_125746_resized.jpg
RR VM 1992

Re: Remplacement courroie accessoires Defender TD4

Message non lu par RR VM 1992 »

La fin de l'opération consiste à remettre en place la partie haute du tunnel ventilateur (6 vis 1/4 de tour)
bloc-moteur TD4.jpg
Il ne sera pas inutile de profiter du démontage de ce tunnel pour nettoyer un peu (jet d'eau) les radiateurs et l'interco de votre DEF :wink:
RR VM 1992

Re: Remplacement courroie accessoires Defender TD4

Message non lu par RR VM 1992 »

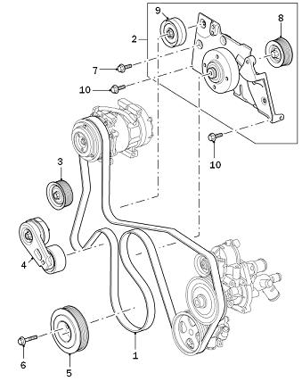
Quelques informations générales concernant les composants animés par cette courroie (*version climatisée) :

1 - Compresseur de climatisation
2 - Poulie de renvoi
3 - Poulie de renvoi et orientation
4 - Pompe à vide
5 - Pompe à eau
6 - Pompe de direction assistée
7 - Poulie de vilebrequin
8 - Poulie support viscocoupleur du ventilateur
9 - Tendeur automatique
10 - Alternateur
11 - Poulie de renvoi (*)
Accessorybeltdiagram.jpg
Avatar du membre
ludo59
Habitué
Messages : 910
Enregistré le : 27/07/2005 15:37
Localisation : Metz (enfin pas loin)

Re: Remplacement courroie accessoires Defender TD4

Message non lu par ludo59 »

Peux tu me dire quel est le fabricant voire le modèle de la courroie Land Rover que tu viens de monter ?
Vue l'origine (Allemagne) ce n'est pas du Dayco (Italie) ! Continental peut être ?

Je viens pour ma part de changer celle du disco (TD5) remplacée par une soit disant guenuine (Dayco) et à côté de celle déposée (origine), je trouve que la Dayco, c'est de la m....

J'avais déjà fais ce constat pour le Def 300 ... la courroie s'est craquelée en moins de 2 ans !

conclusion .......je ne montrai plus de Dayco !

A+
Avatar du membre
The Pater
Modérateur
Messages : 13981
Enregistré le : 25/08/2004 8:19
Localisation : 06°27'46"E 45°50'29"N

Re: Remplacement courroie accessoires Defender TD4

Message non lu par The Pater »

ludo59 a écrit :
conclusion .......je ne montrai plus de Dayco !
Je n'ai jamais eu de courroie Dayco craquelée.

A+
Ingénieur :
Personne faisant un travail divinatoire de précision basé sur des informations peu fiables données par des personnes peu qualifiées, voire ignorantes.
=>, magicien, devin, sorcier
RR VM 1992

Re: Remplacement courroie accessoires Defender TD4

Message non lu par RR VM 1992 »

ludo59 a écrit :Peux tu me dire quel est le fabricant voire le modèle de la courroie Land Rover que tu viens de monter ?
Vue l'origine (Allemagne) ce n'est pas du Dayco (Italie) ! Continental peut être ?
.../.... A+
Pour avoir travailler plus de 25 dans l'évaluation de fournisseurs automotive à l'export je me suis fixé une règle simple :

"Je prend de l'origine pour les fonctions vitales d'un véhicule"

J'ai donc acheté cette courroie "Made in Germany" en concession quelques euros plus chère que du "made in on sait pas" en Angleterre ; Exemple :


http://www.paddockspares.com/pqs500600-v-belt.html

http://www.brit-car.co.uk/product.php/1 ... dsl_def_07_

Mais une courroie low-cost peut avoir son utilité pour la constitution d'un lot de bord* de pièces de rechange pour un raid lointain...

* il faudra penser à faire un post sur ce sujet pour le DEF TD4.

:wink:
Avatar du membre
nanard833
Habitué
Messages : 3989
Enregistré le : 10/10/2009 20:18
Localisation : disco 300TDI 431000 bornes

Re: Remplacement courroie accessoires Defender TD4

Message non lu par nanard833 »

Salut,

que reprochez-vous aux courroies DAYCO ?

A+
Gratter la botte ne soulage guère quand ça démange à l'intérieur (proverbe chinois)
RR VM 1992

Re: Remplacement courroie accessoires Defender TD4

Message non lu par RR VM 1992 »

nanard833 a écrit :Salut,

que reprochez-vous aux courroies DAYCO ?

A+
Rien de particulier car j'en ai pas sur mes 4X4...

Ils se présentent comme fournisseurs pour les constructeurs généralistes et sont très présent en deuxième monte où, il est vrai, les marges sont meilleures :

http://www.daycoaftermarket.com/FR/FR/press-folder.php

:wink:
Avatar du membre
The Pater
Modérateur
Messages : 13981
Enregistré le : 25/08/2004 8:19
Localisation : 06°27'46"E 45°50'29"N

Re: Remplacement courroie accessoires Defender TD4

Message non lu par The Pater »

RR VM 1992 a écrit : Ils se présentent comme fournisseurs pour les constructeurs généralistes et sont très présent en deuxième monte où, il est vrai, les marges sont meilleures :
Land Rover est un de leur clients. Dayco se trouve en première monte chez LR.

A+
Ingénieur :
Personne faisant un travail divinatoire de précision basé sur des informations peu fiables données par des personnes peu qualifiées, voire ignorantes.
=>, magicien, devin, sorcier
Avatar du membre
ludo59
Habitué
Messages : 910
Enregistré le : 27/07/2005 15:37
Localisation : Metz (enfin pas loin)

Re: Remplacement courroie accessoires Defender TD4

Message non lu par ludo59 »

nanard833 a écrit :Salut,

que reprochez-vous aux courroies DAYCO ?

A+
Y'a quelques années, j'ai changé la courroie d’accessoires sur le 300 Tdi (ERR5911 si ma mémoire est bonne) pour un modèle suffixe G, c'est à dire une Dayco achetée outre manche.
Au bout de 2 ans la courroie s'est craquelée sur la face côté poly V.

Un peu comme cette courroie (photo récupérée sur internet) :
courroie usée - photo récupérée sur internet
courroie usée - photo récupérée sur internet
Je n'ai pas gardé cette courroie pour vous en poster une photo, mais au bout de 2 ans et moins de 5000 km, j'ai trouvé ça un peu fort !!!!!
Est-ce que ma courroie avait trainée quelques années au fond d'un stock, une mauvaises série .....

J'avais jusqu'alors toujours acheté mes courroies dans une réseau français type pièces auto, et je n'ai jamais eu de problème de cet ordre.

Le mois dernier, j'ai fais le même changement sur le Disco Td5, avec une Dayco (suffixe G)
Et j'ai trouvé que la courroie d'origine était mieux conçue que la Dayco : la face extérieure de la courroie est légèrement striée alors qu'elle est totalement lisse sur la Dayco. D'où ma conclusion de ne plus acheter de courroie Dayco.

Et par extension, je me pose d'ailleurs la question sur la marque de courroie à acheter pour la distribution du 300 Tdi, qu 'il va bientôt falloir que je fasse ..... that is the question
Avatar du membre
The Pater
Modérateur
Messages : 13981
Enregistré le : 25/08/2004 8:19
Localisation : 06°27'46"E 45°50'29"N

Re: Remplacement courroie accessoires Defender TD4

Message non lu par The Pater »

ludo59 a écrit :
Au bout de 2 ans la courroie s'est craquelée sur la face côté poly V.
..........
Je n'ai pas gardé cette courroie pour vous en poster une photo, mais au bout de 2 ans et moins de 5000 km, j'ai trouvé ça un peu fort !!!!!
T'as pas de chance car ma première Dayco a mis plus de 5 ans et 100 000 km pour être dans cet état..... mais je l'ai changé après 12 ans et 260 000 km
Et par extension, je me pose d'ailleurs la question sur la marque de courroie à acheter pour la distribution du 300 Tdi, qu 'il va bientôt falloir que je fasse ..... that is the question
J'ai depuis belle lurette (depuis 2008 et 100 000 km) sur mon 300 Tdi une Hutchinson Poly-V ref 7K1580.



Mais on fait du hors sujet là.


A+
Ingénieur :
Personne faisant un travail divinatoire de précision basé sur des informations peu fiables données par des personnes peu qualifiées, voire ignorantes.
=>, magicien, devin, sorcier
RR VM 1992

Re: Remplacement courroie accessoires Defender TD4

Message non lu par RR VM 1992 »

ludo59 a écrit :.../....
Au bout de 2 ans la courroie s'est craquelée sur la face côté poly V.

Un peu comme cette courroie (photo récupérée sur internet) :
Image
.../....
Oui c'est l'un des meilleurs critères pour la changer.

En comparaison de la mienne changée à 100 000 km (et photographiée plus haut) j'aurai visiblement pu faire 100 000 km de plus avec :wink:
Avatar du membre
ludo59
Habitué
Messages : 910
Enregistré le : 27/07/2005 15:37
Localisation : Metz (enfin pas loin)

Re: Remplacement courroie accessoires Defender TD4

Message non lu par ludo59 »

RR VM 1992 a écrit :
Oui c'est l'un des meilleurs critères pour la changer.

En comparaison de la mienne changée à 100 000 km (et photographiée plus haut) j'aurai visiblement pu faire 100 000 km de plus avec :wink:
Celle que j'ai changée sur le disco à 115 000 km est dans le même état que la tienne, d’où ma question pour essayer de retrouver le fabriquant de la courroie genuine.

:D
Répondre

Retourner vers « Moteur »