Problèmes électriques suite inversion batterie Defender Td5
Règles du forum
En naviguant sur le site http://www.landroverfaq.com vous reconnaissez avoir lu ses Conditions d’Utilisation, vous déclarez les comprendre et vous acceptez d’y être lié de manière inconditionnelle. Si tel n'est pas le cas, merci de quitter immédiatement ce site.
Vous pouvez joindre autant d'images que nécessaire à vos messages A LA CONDITION EXPRESSE d'utiliser l'hébergement fourni par le site.
L'administrateur effacera systématiquement tout message contenant des photos hébergées chez Imageschack, Casimage, Wistiti ou tout autre hébergeur tiers sans sommation ni justification.
En naviguant sur le site http://www.landroverfaq.com vous reconnaissez avoir lu ses Conditions d’Utilisation, vous déclarez les comprendre et vous acceptez d’y être lié de manière inconditionnelle. Si tel n'est pas le cas, merci de quitter immédiatement ce site.
Vous pouvez joindre autant d'images que nécessaire à vos messages A LA CONDITION EXPRESSE d'utiliser l'hébergement fourni par le site.
L'administrateur effacera systématiquement tout message contenant des photos hébergées chez Imageschack, Casimage, Wistiti ou tout autre hébergeur tiers sans sommation ni justification.
- LandLover110
- Habitué
- Messages : 213
- Enregistré le : 18/02/2011 18:27
- Localisation : Amiens
Problèmes électriques suite inversion batterie Defender Td5
Bonjour,
Suite à une batterie défectueuse, j'ai inversé sans le savoir ma nouvelle batterie en achetant une batterie "classique" (batterie avec + en haut à gauche lorsqu'elle est face à vous, le - étant en haut à droite). Une odeur significative m'a vite fait comprendre mon erreur avec une étincelle lors du contact avec la masse ... Depuis, j'ai dû changer mon alternateur (c'était lui la cause de la décharge de ma vieille batterie), mais un problème demeure : pour couper le moteur, tourner la clé ne suffit pas, il faut, soit caler le moteur (ma première méthode, mais pas sans risque à moyen terme pour la boite ...), soit appuyer sur la pédale de frein (!!!). il semble que le contact des feux "stop" coupe le fonctionnement de la pompe à gazole. d'autre part, l'éclairage intérieur (alimentation des plafonniers à l'ouverture des portes, temporisation), ne fonctionne pas correctement, ni l'alarme.
Que faut-il vérifier ? Faut-il faire un diagnostic avec un Nanocom ? le moteur tourne, le véhicule fonctionne "normalement", mais quid de l'alarme ou des accessoires ? (un détail : j'ai déplacé la montre au centre du tableau de bord, suite au montage d'un compte-tours, qui fonctionne, mais l'allume cigare ne fonctionne plus. Remonté au même emplacement avec la broche d'origine avec détrompeur, le fusible de 25 ampères fond dés que je pousse l'allume cigare).
Merci de vos remarques !
Suite à une batterie défectueuse, j'ai inversé sans le savoir ma nouvelle batterie en achetant une batterie "classique" (batterie avec + en haut à gauche lorsqu'elle est face à vous, le - étant en haut à droite). Une odeur significative m'a vite fait comprendre mon erreur avec une étincelle lors du contact avec la masse ... Depuis, j'ai dû changer mon alternateur (c'était lui la cause de la décharge de ma vieille batterie), mais un problème demeure : pour couper le moteur, tourner la clé ne suffit pas, il faut, soit caler le moteur (ma première méthode, mais pas sans risque à moyen terme pour la boite ...), soit appuyer sur la pédale de frein (!!!). il semble que le contact des feux "stop" coupe le fonctionnement de la pompe à gazole. d'autre part, l'éclairage intérieur (alimentation des plafonniers à l'ouverture des portes, temporisation), ne fonctionne pas correctement, ni l'alarme.
Que faut-il vérifier ? Faut-il faire un diagnostic avec un Nanocom ? le moteur tourne, le véhicule fonctionne "normalement", mais quid de l'alarme ou des accessoires ? (un détail : j'ai déplacé la montre au centre du tableau de bord, suite au montage d'un compte-tours, qui fonctionne, mais l'allume cigare ne fonctionne plus. Remonté au même emplacement avec la broche d'origine avec détrompeur, le fusible de 25 ampères fond dés que je pousse l'allume cigare).
Merci de vos remarques !
- LandLover110
- Habitué
- Messages : 213
- Enregistré le : 18/02/2011 18:27
- Localisation : Amiens
Re: Problèmes électriques suite inversion batterie Defender
Aurais-je collé les Faqueux ?
j'ai pensé à vérifier les relais en les inter-changeant : quel est le risque ?
je n'ai pas de fusibles grillés (sauf celui de l'allume cigare, mais il est possible qu'il y ait un faux contact dû à l'allume cigare lui même, lors de la repose ?)
N'étant pas doué pour l'électricité auto, bien que je sache faire des montages électriques "à l'ancienne" (épissure, soudure à l'étain et gaine thermo-rétractable), je suis à l'écoute de tous les avis : après avoir reconditionné mon 110, peinture complète, isolation et rhabillage des ciels de toit avec du skaï, collage de moquette, visserie et joints silicone d'étanchéité, je peux bien attendre encore un peu pour finir l'électricité de mon Def !
(il m'aura tout fait, mais c'est pour ça qu'on les aime ...)
Pour info, j'ai trouvé un alternateur neuf complet avec pompe à vide de Td5 sans échange standard pour 134 €, port compris, livraison par UPS, qui dit mieux ?
(je ne sais pas si je peux donner l'adresse en Allemagne, à voir avec un modérateur ...)
j'ai pensé à vérifier les relais en les inter-changeant : quel est le risque ?
je n'ai pas de fusibles grillés (sauf celui de l'allume cigare, mais il est possible qu'il y ait un faux contact dû à l'allume cigare lui même, lors de la repose ?)
N'étant pas doué pour l'électricité auto, bien que je sache faire des montages électriques "à l'ancienne" (épissure, soudure à l'étain et gaine thermo-rétractable), je suis à l'écoute de tous les avis : après avoir reconditionné mon 110, peinture complète, isolation et rhabillage des ciels de toit avec du skaï, collage de moquette, visserie et joints silicone d'étanchéité, je peux bien attendre encore un peu pour finir l'électricité de mon Def !
(il m'aura tout fait, mais c'est pour ça qu'on les aime ...)
Pour info, j'ai trouvé un alternateur neuf complet avec pompe à vide de Td5 sans échange standard pour 134 €, port compris, livraison par UPS, qui dit mieux ?
(je ne sais pas si je peux donner l'adresse en Allemagne, à voir avec un modérateur ...)
Re: Problèmes électriques suite inversion batterie Defender
Je ne sais pas s'il y a une electrovanne sur un td 5, pour le probleme de coupure moteur.
Pour le reste, j'ai fait la meme chose sur une DS cet hiver la nuit, en mettant des cables, inversion de polarité, et j'ai un morceau de faisceau qui a cramé....donc vérifié si tout le faisceau est intact
Pour le reste, j'ai fait la meme chose sur une DS cet hiver la nuit, en mettant des cables, inversion de polarité, et j'ai un morceau de faisceau qui a cramé....donc vérifié si tout le faisceau est intact
pour le meilleur et pour le rire.
- LandLover110
- Habitué
- Messages : 213
- Enregistré le : 18/02/2011 18:27
- Localisation : Amiens
Re: Problèmes électriques suite inversion batterie Defender
Merci du conseil : je vais donc vérifier le faisceau.
Mais je ne comprends toujours pas pourquoi je dois appuyer sur ma pédale de frein pour couper le moteur, car il ne s’arrête pas, même avec la clé retirée du Neiman ... parlons en de celui-ci : y aurait-il une manip à faire pour le tester ?
Lorsque j'ai inversé la polarité, il y a eu une étincelle au contact (mais j'ai cru d'abord à un accessoire en demande de courant ... et j'ai insisté, en provoquant une odeur (d'où un faisceau cramé ?) en retentant de brancher la batterie, le clacson s'est mis à sonner, ce qui m'a (enfin !) mis la puce à l'oreille !
De plus, la longueur des câbles permet de positionner une batterie avec + en haut à gauche (dite "classique") ou une batterie inversée, avec + en haut à droite (plus rare, donc plus chère). le système de fixation de la batterie dans un Defender, avec tringles et cornière pouvant créer des courts circuits, le choix d'une batterie inversée par Land Rover peut s'expliquer par les trépidations du hors piste, je vais donc adapter un autre système de fixation, au talon de la batterie.
Mais je ne comprends toujours pas pourquoi je dois appuyer sur ma pédale de frein pour couper le moteur, car il ne s’arrête pas, même avec la clé retirée du Neiman ... parlons en de celui-ci : y aurait-il une manip à faire pour le tester ?
Lorsque j'ai inversé la polarité, il y a eu une étincelle au contact (mais j'ai cru d'abord à un accessoire en demande de courant ... et j'ai insisté, en provoquant une odeur (d'où un faisceau cramé ?) en retentant de brancher la batterie, le clacson s'est mis à sonner, ce qui m'a (enfin !) mis la puce à l'oreille !
De plus, la longueur des câbles permet de positionner une batterie avec + en haut à gauche (dite "classique") ou une batterie inversée, avec + en haut à droite (plus rare, donc plus chère). le système de fixation de la batterie dans un Defender, avec tringles et cornière pouvant créer des courts circuits, le choix d'une batterie inversée par Land Rover peut s'expliquer par les trépidations du hors piste, je vais donc adapter un autre système de fixation, au talon de la batterie.
- LØLØ
- Modérateur
- Messages : 6210
- Enregistré le : 30/07/2006 15:41
- Localisation : guainville (28 )
- Contact :
Re: Problèmes électriques suite inversion batterie Defender
Salut,LandLover110 a écrit :Aurais-je collé les Faqueux ?![]()
![]()
Oui, il n'y a pas de mal à ça. Mais pour moi, c'est une question a laquelle je ne peux pas répondre de but en blanc, sans un minimum de réflexion et de schémas, qu'il m'a fallu en compiler pour avoir une vue d'ensemble, ne serait ce que pour démarrer l'analyse, sur les dégâts potentiels possibles ou pas et les surprises ou bizarreries qui peuvent en découler.
Si se sont les mêmes, aucun, sinon de déplacer le problème si il y en avait un.j'ai pensé à vérifier les relais en les inter-changeant : quel est le risque ?
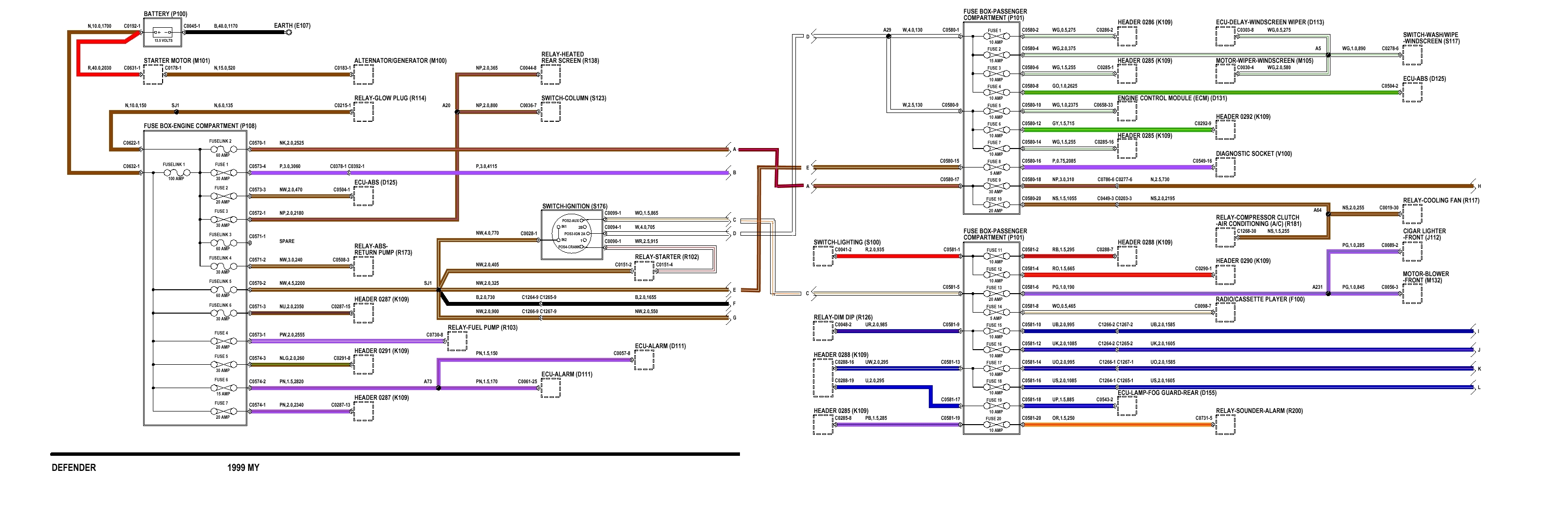
Premier schéma, afin de déterminer ce qui est sous tension lorsque la clef n'est pas dans le neiman et les conséquences possible: On peut voir la batterie et le boitier avec les gros fusibles sous le siège ou dans le compartiment moteur.
Il a fallu aussi chercher l'année du TD5 dans tes inters précédentes donc 1999 tu confirmes ? Car les schémas ont évolué entre 1999 et 2007. Dans un premier temps, on peut éliminer tout ce qui dépend du neiman, et donc tous les relais mis en route lorsque l'on tourne la clef, comme le "main relais" qui a son tour commande d'autre relais... Donc de coté tous les fils à base de blanc en couleur principale.
1) Deuxième schéma, là il y a trois éléments susceptible d'avoir un problème pouvant générer des dégâts collatéraux.
2)
Tu dis qu'aucun fusible n'a sauté est-ce sur ?je n'ai pas de fusibles grillés (sauf celui de l'allume cigare, mais il est possible qu'il y ait un faux contact dû à l'allume cigare lui même, lors de la repose ?)
Exemple, de dégât collatéral, la diode si tu lui inverses ses polarités, elle devient passante, la seul limitation de courant se sera le voyant anti brouillard qui dans le cas du Td5 est une LED. Donc là, il est possible, mais c'est seulement une hypothèse, que la diode en directe résiste quelques seconde a ce mauvais traitement avant de rendre l'âme sans pour autant que le fusible de la ligne ne claque car il est plus costaud. Mais cela à suffit a faire fondre l'isolant du fil, voir en réunir plusieurs entre eux et établir une liaison indésirable, qui te maintiendrait le contact de l'allumage.
J'ai déjà eu le cas du maintient du contact en appuyant sur la pédale de frein.
Menteur, c'est pas lui qui s'est monté sa batterie a l'envers!(il m'aura tout fait, mais c'est pour ça qu'on les aime ...)
L'adresse n'est pas un soucis, car je ne pense pas que tu n'en retires pas un profit personnel. Mais que là, c'est simplement un partage de bon plan.Pour info, j'ai trouvé un alternateur neuf complet avec pompe à vide de Td5 sans échange standard pour 134 €, port compris, livraison par UPS, qui dit mieux ?
(je ne sais pas si je peux donner l'adresse en Allemagne, à voir avec un modérateur ...)
L'alternateur tu l'as changé après l'inversion, car les régulateurs n'aime pas trop car ils sont en direct sur la batterie.
Je pense comme rrc-phil Tu dois avoir une liaison indésirable qui te maintient le +12V sur le contact. Donc ce que tu peux faire, c'est débrancher le connecteur des feux arrières voir si le phénomène se reproduit ou pas, le connecteur est sur le tablier dans le compartiment moteur.Mais je ne comprends toujours pas pourquoi je dois appuyer sur ma pédale de frein pour couper le moteur, car il ne s’arrête pas, même avec la clé retirée du Neiman ...
Sinon, le court circuit doit être léger et sur le fil du frein. Lorsque tu coupe le contact, celui ci est maintenue par l'alimentation du circuit d'arrivée du +12V au contacteur de feu stop, lorsque tu appuis sur le frein, tu écroules l'alimentation par laquelle le contact s’auto-maintien. C'est une fois de plus une hypothèse, il faut que tu pistes les fils vert liseré violet. Fait un essais, enlève le fusible 6 de 10A moteur tournant clef enlevé.
3) Comme tu peux voir sur le schéma, il y a également les collecteurs de raccordement K109 C0286, vers lequel il faudra peut-être se pencher, avant de dépiauter tout le faisceau.
Car comme tu peux le voir sur le schéma, il y a des diodes, il y a le circuit de freinage, bref du beau monde qui se côtoie.
4)
Vois ce thème et les liens, Problème préchauffage 2.5L. Avec un Ohmmètre sur son connecteur et le lien.parlons en de celui-ci : y aurait-il une manip à faire pour le tester ?
Peux-tu essayer de contrôler que tout fonctionne, surtout ce qui n'est pas habituel, genre voyant de feu de recul en particulier sinon tous les voyants que tu peux actionner, les feux, les options, enfin tout ce qui fonctionne électriquement.
Et nous dire ce qui ne fonctionne pas.
Le klaxon qui se met en route, ce n'est pas bon signe, la dernière fois qu'un land m'a fait ça, il a a moitié brulé son faisceau et son habitacle. Car comme tu peux voir sur le schéma, la seul façon possible pour que la klaxon se mette en route , c'est d'appuyer sur le bouton. Sinon, cela veut dire qu'il y a bien eu une fonte d'isolant dans le faisceau par laquelle serait passer un +12V annonciateur de l'erreur. Tu peux remarquer que son alimentation ne passe pas par le neiman, donc pister ses fils et connecteurs aussi qui a coup sûr, ont subit des dégâts. Sur la ligne, il y a également un collecteur de raccordement C0285, voir son schéma 4) plus haut.retentant de brancher la batterie, le clacson s'est mis à sonner, ce qui m'a (enfin !) mis la puce à l'oreille !
5) Note qu'il a été gentil sur ce coup là ton land, il t'a parlé et il a même redémarrer après.
Mais ne lui en demande pas trop, débranche lui sa belle batterie toute neuve, avant de te coucher.
A+
Modifié en dernier par LØLØ le 07/06/2015 11:18, modifié 1 fois.
2 solutions: la bonne et l'Anglaise
LUCAS: Il n'y a pas de contact où il le faut et il y en a un où il ne faut pas
On ne peut aller loin en amitié, si on n'est pas disposé à se pardonner les uns aux autres les petits défauts.
www.eternal-vehicles.fr
LUCAS: Il n'y a pas de contact où il le faut et il y en a un où il ne faut pas
On ne peut aller loin en amitié, si on n'est pas disposé à se pardonner les uns aux autres les petits défauts.
www.eternal-vehicles.fr
- LandLover110
- Habitué
- Messages : 213
- Enregistré le : 18/02/2011 18:27
- Localisation : Amiens
Re: Problèmes électriques suite inversion batterie Defender
Bonjour LOLO, et grand merci pour tes explications, toujours fouillées et très claires, même pour le néophyte que je suis !
je réponds donc bien volontiers à tes remarques, mais je vais d'abord débrancher la batterie pour m'éviter toute mauvaise surprise ... puis quand je me pencherai à nouveau sur la bête, je procéderai point par point, comme tu le suggères !
1/ Ok
2/ je confirme : aucun fusible grillé, sauf celui de l'allume cigare (je les ai testé un par un, puis je les ai interverti en respectant l'ampérage : 1 sur 2, 2 sur 3, etc... )
peux tu me dire où trouver cette diode dont tu parles ?
c'est vrai que j'ai mis la batterie à l'envers ... mais il m'a déjà fait une culasse, un faisceau d'injecteurs, un radiateur, un changement de boite de transfert pour celle d'un Disco, la réfection des durites de freins, sans parler de la rénovation complète (peinture, ciels de toit, isolations avec isolant multi couches, moquette etc ...). qui a dit : "quand on aime, on compte pas" ?
j'ai trouvé mon alternateur chez Alanko (voir le site sur internet) ; après un coup de fil, j'ai reçu les infos nécessaires pour passer commande et payer via Paypal et j'ai reçu mon alternateur 2 jours plus tard
: alternateur référence Land Rover ERR6999, montage sur Defender 110 TD5 de 1999 (leur référence : 443096) 134 €, port compris. un seul impératif : parler allemand (ou anglais, ça marche aussi ...) et ils ont aussi des turbos ... il faut leur demander au préalable les tarifs.
l'alternateur a été changé après l'inversion. outre l'éclairage intérieur et l'alarme, l'essuie glace arrière ne fonctionne pas (bien qu'il y ait du jus sur l'une des broches situées dans le moteur d'essuie glace).
3/ j'essaie d'enlever le fusible 6 de 10 A, moteur tournant, clef enlevée, et je te tiens au courant (sans jeu de mots !).
Merci encore et vive l'entraide entre Faqueux !
Ps : des photos de la rénovation de l'habitacle seraient-elles susceptibles d'intéresser ce forum ? si oui, je les partagerai sous une autre rubrique.
je réponds donc bien volontiers à tes remarques, mais je vais d'abord débrancher la batterie pour m'éviter toute mauvaise surprise ... puis quand je me pencherai à nouveau sur la bête, je procéderai point par point, comme tu le suggères !
1/ Ok
2/ je confirme : aucun fusible grillé, sauf celui de l'allume cigare (je les ai testé un par un, puis je les ai interverti en respectant l'ampérage : 1 sur 2, 2 sur 3, etc... )
peux tu me dire où trouver cette diode dont tu parles ?
c'est vrai que j'ai mis la batterie à l'envers ... mais il m'a déjà fait une culasse, un faisceau d'injecteurs, un radiateur, un changement de boite de transfert pour celle d'un Disco, la réfection des durites de freins, sans parler de la rénovation complète (peinture, ciels de toit, isolations avec isolant multi couches, moquette etc ...). qui a dit : "quand on aime, on compte pas" ?
j'ai trouvé mon alternateur chez Alanko (voir le site sur internet) ; après un coup de fil, j'ai reçu les infos nécessaires pour passer commande et payer via Paypal et j'ai reçu mon alternateur 2 jours plus tard
: alternateur référence Land Rover ERR6999, montage sur Defender 110 TD5 de 1999 (leur référence : 443096) 134 €, port compris. un seul impératif : parler allemand (ou anglais, ça marche aussi ...) et ils ont aussi des turbos ... il faut leur demander au préalable les tarifs.
l'alternateur a été changé après l'inversion. outre l'éclairage intérieur et l'alarme, l'essuie glace arrière ne fonctionne pas (bien qu'il y ait du jus sur l'une des broches situées dans le moteur d'essuie glace).
3/ j'essaie d'enlever le fusible 6 de 10 A, moteur tournant, clef enlevée, et je te tiens au courant (sans jeu de mots !).
Merci encore et vive l'entraide entre Faqueux !
Ps : des photos de la rénovation de l'habitacle seraient-elles susceptibles d'intéresser ce forum ? si oui, je les partagerai sous une autre rubrique.
- disco2magoliv
- Habitué
- Messages : 608
- Enregistré le : 01/05/2010 16:50
- Localisation : 06420 dans le sud mais loin de la foule
- Contact :
Re: Problèmes électriques suite inversion batterie Defender
+1, je n'en reviens même pas à quel point il est gentilLØLØ a écrit :Note qu'il a été gentil sur ce coup là ton land, il t'a parlé et il a même redémarrer après.![]()
Possible aussi que d'autre petits dégâts de ci de la (alarme par exemple).
Par contre il a trouvé sa "solution" pour inhiber les sécurités..............
Ciao
Pascal.
Pascal.
- LandLover110
- Habitué
- Messages : 213
- Enregistré le : 18/02/2011 18:27
- Localisation : Amiens
Re: Problèmes électriques suite inversion batterie Defender
Je reviens sur le point N°5, développé par LOLO : la mise en route de l'alarme se déclenche avec 2 coups de klaxon, (ce qui surprend toujours, car j'ai monté un klaxon à dépression et 2 trompes en parallèle, avec un relais).
Lors de l'inversion des pôles de la batterie, seul le klaxon d'origine, anémique, résonnait lorsque j'ai mis le contact ... je ne sais pas si ça peut faire avancer le Schmilblick ?
Lors de l'inversion des pôles de la batterie, seul le klaxon d'origine, anémique, résonnait lorsque j'ai mis le contact ... je ne sais pas si ça peut faire avancer le Schmilblick ?
- LØLØ
- Modérateur
- Messages : 6210
- Enregistré le : 30/07/2006 15:41
- Localisation : guainville (28 )
- Contact :
Re: Problèmes électriques suite inversion batterie Defender
Rhôôôôôô!LandLover110 a écrit :qui a dit : "quand on aime, on compte pas" ?![]()
Entre autre, un parmi tant d'autre, moi dans land MAG N° 7 de juin 1999, l'année de la sortie ton land.
Est-ce un hasard ?
Oui, et quand tu fais ça, si tu n'as pas de coupe batterie, garde le compartiment batterie ouvert, évite de serrer les cosses, juste le minimum nécessaire pour pouvoir démarrer tout en pouvant la déconnecter en l'arrachant rapidement avec une main en cas de problème. Ne pas débrancher la batterie moteur tournant, le régulateur intégré à l'alternateur, n'aime pas du tout. C'est d'ailleurs pour ça que tous les militaires du monde mettent ce petit panonceau signalétique dans les commandos FFR muni de coupe batterie, pour ne pas que le bidasse de base face la bêtise...je vais d'abord débrancher la batterie pour m'éviter toute mauvaise surprise ... puis quand je me pencherai à nouveau sur la bête, je procéderai point par point, comme tu le suggères !
Oui, cette diode est dans le passage de roue arrière droit derrière la protection en plastique sur le fil rouge liseré jaune, je l'ai cité à titre d'exemple comme élément pervers d'un système électrique en cas d'inversion. Une diode se comporte comme un sens unique à électron, c'est à dire qu'elle laisse passer le courant dans un sens et pas dans l'autre. Donc évidement, en cas d'inversion de polarité, c'est les premières à en souffrir, étant donné que dans le sens passant elles ne limitent absolument pas le courant et se comporte comme un court-circuit, n'étant pas capable de supporter le courant qu'elle laisse passer dans ces conditions. Le courant quelle laissera passé en instantané dans le cas d'une batterie étant plusieurs millier d'ampère, autant dire qu'elle dégage tout de suite car elle est tout juste capable de supporter 1A a 2A si cela ne dure pas plus de quelques secondes. Ces diodes d'aiguillage dans les lands sont des 1N4000X, X allant de 1 à 7, mais peu importe. Celle cité, vas à la prise de remorque sur le feu de recul donc pas de problème pour celle-là, si rien n'était branché sur la prise, car dans ce cas son anode était relier à rien donc elle n'aurait pas souffert de l'inversion. Vois sur le schéma, pour les diodes, il y a le symbole qui t'indique le sens du passage possible du courant dedans, sachant que le courant va en théorie du + vers le - . Tu vois que si rien n'est branché, le circuit de cette diode est ouvert donc, normalement elle n'a rien.peux tu me dire où trouver cette diode dont tu parles ?
6)
Par contre, il y en a deux autres que tu peux voir apparaitre entourée sur le schéma du collecteur C0286, l'une pour le voyant de frein et l'autre 0116 derrière le tableau de bord.
Dans ma quete sur ce qui pourrait être branché lors de l'inversion, il y a le fil violet qui est un +12V permanent. Il y aurait également les plafonniers, si ceux çi étaient allumés, parce que tu avais la portière ouverte pour changer la batterie. Donc cela amène sur le schéma des plafonniers, comme tu peux le voir, la masse des plafonniers est géré par l'ECU d'alarme, (a cause de l'extinction progressive) ce qui nous montre, que celle-ci a subit de plein fouet et en direct l'inversion de polarité. As ton avis est ce qu'elle fonctionne encore? et est-ce que l'extinction progressive a toujours lieu?
7) Le schéma précédent nous amène ensuite sur le collecteur de raccordement C0287 ou on peut voir le fil violet en direct sur la batterie via le fusible 7. Lui il alimente entre autre l'autoradio, lui il n'aime pas les inversions de polarité, est ce qu'il fonctionne toujours ?
Et la petite pendule, toujours à l'heure ?
A priori les warning non rien, car le bouton n'était pas enclenché, donc la centrale clignotante OK.
8 )
C'est toi qui a voulu un Td5 pas lui... mais il m'a déjà fait une culasse, un faisceau d'injecteurs,
Que du bonheur sur les longs trajets, pas terrible pour tracter lourd (porte voiture).un changement de boite de transfert pour celle d'un Disco,
Tout ça, c'est des trucs de Toutetoute...la réfection des durites de freins, sans parler de la rénovation complète (peinture, ciels de toit, isolations avec isolant multi couches, moquette etc ...).
OK, coup de chance dans ton malheur.l'alternateur a été changé après l'inversion.
OK, cela ne m'étonne pas d'aprés les schémas.outre l'éclairage intérieur et l'alarme,
Oui, c'est le + permanent du retour automatique, je pense le fil vert, ou blanc liseré vert, selon le coté du connecteur ou tu te trouves. Le mieux, c'est d'aller voir le schéma, et de vérifier le 12V et les autres tensions en mettant le contact et le bouton de mise en route.l'essuie glace arrière ne fonctionne pas (bien qu'il y ait du jus sur l'une des broches situées dans le moteur d'essuie glace).
9)
OK3/ j'essaie d'enlever le fusible 6 de 10 A, moteur tournant, clef enlevée, et je te tiens au courant (sans jeu de mots !).
Bien sûr que cela intéresse du monde.Ps : des photos de la rénovation de l'habitacle seraient-elles susceptibles d'intéresser ce forum ? si oui, je les partagerai sous une autre rubrique.
A+
2 solutions: la bonne et l'Anglaise
LUCAS: Il n'y a pas de contact où il le faut et il y en a un où il ne faut pas
On ne peut aller loin en amitié, si on n'est pas disposé à se pardonner les uns aux autres les petits défauts.
www.eternal-vehicles.fr
LUCAS: Il n'y a pas de contact où il le faut et il y en a un où il ne faut pas
On ne peut aller loin en amitié, si on n'est pas disposé à se pardonner les uns aux autres les petits défauts.
www.eternal-vehicles.fr
- LØLØ
- Modérateur
- Messages : 6210
- Enregistré le : 30/07/2006 15:41
- Localisation : guainville (28 )
- Contact :
Re: Problèmes électriques suite inversion batterie Defender
Salut,LandLover110 a écrit :Je reviens sur le point N°5, développé par LOLO : la mise en route de l'alarme se déclenche avec 2 coups de klaxon, (ce qui surprend toujours, car j'ai monté un klaxon à dépression et 2 trompes en parallèle, avec un relais).
Lors de l'inversion des pôles de la batterie, seul le klaxon d'origine, anémique, résonnait lorsque j'ai mis le contact ... je ne sais pas si ça peut faire avancer le Schmilblick ?
Cette question est passé à l'as, car j'étais en train de rédiger la réponse précédente. Donc sur le schéma qu'on va appeler 5 bis, le schéma te ton montage, tel que je pense que tu l'as réalisé. Il est possible, que si les trompes ne se sont pas fait entendre, c'est que leur alimentation est sur un +12V après contact, sur lequel il n'y avait pas de problème, donc la partie puissance ou contact du relais n'était pas alimenté. Donc même si la bobine du relais rajouté était alimenté par le défaut en même temps que le klaxon d'origine le contact du relais ne commutait aucune alimentation aux trompes. Le coté anémique, montre que le défaut n'est pas franc, et il y aurait bien là un défaut d'isolement par échauffement, qui caractérise bien le coté intermittent anémique.
5 bis) On peut raisonner sur un cas 5 ter en se disant, si on est relié a un + permanent. Si l'alimentation des klaxons ou de leur compresseur (non représenté sur le schéma 5 ter) est en direct sur la batterie via un fusible sans nul doute, il est possible que le compresseur est tourné dans l'autre sens, à cause de l'inversion de polarité et que du coup il aspire l'air dans les trompes, ou qu'un clapet anti retour, bloc la circulation de l'air, dans ce cas pas de bruit non plus. Mais c'est bien connu, la seul pièce sur un land d'occasion, qui ne fasse pas de bruit c'est le klaxon.
5 ter) On peut noter au passage que les fils du klaxon passent par le collecteur de raccordement C0285 (schéma 4) ) et le connecteur de tablier C1266. Il y a de forte présomption donc, qu'il y ait un défaut sur la ligne fil violet liseré noir soit sur ses connecteurs ou autre collecteur. Mais je pense que tu es bon pour le démontage de la planche de bord, et console centrale, pour partir à la recherche de ces défauts d'isolement dans le toron, et un contrôle de tous les collecteurs en les ouvrant un par un, en tout il y en a 9, dont deux près du calculateur sous le siège passager me semble-t-il. A suivre dans le toron les fils d'alimentation dont les éléments présentes un défaut, en se repérant aux couleurs.
Quelques petits renseignements complémentaires, pour mener a bien cette tache, plutôt difficile.
Les schémas land, version numérique sont relativement bien foutus par rapport a ceux version papier, et te fournissent un tas d'indications utiles. Traduction des inscriptions le long des fils dont les indication sont sont séparé par une virgule. Le point anglais étant une virgule pour nous. Exemple: OW,0.5,370
-la couleur des fils OW = Orange liseré Blanc
-le diamètre des fils = 0,5mm²
-la longueur de fil entre deux éléments 370= 37 cm. Cela est utile quand tu dois dépiauter un faisceau pour savoir par quel coté tu as intérêt de commencer. Ou bien cela permet de situer un élément, exemple on peut voir que le connecteur de tableau de bord (C1048) est à 50 cm du collecteur C0289. Donc, cela est pratique pour situer une zone de recherche car ce connecteur C1048 est visible alors qu'une épissure ou une diode, peuvent être bien noyés dans le faisceau de fil, et pas forcement facile à situer.
- On peut également remarquer des variantes en fonction des options ou de la législation inhérente à un pays. Ici tu peux voir la broche 3 vide car c'est un land français, alors que le schéma lui, qui n'a pas été traduit, et qui est pour un modèle anglais avec le DIP DIM un système qui permet de passer de phares en codes ou inversement sans extinction, obligatoire chez les anglais, pas chez nous. Cela ce perçois bien quand on est Angleterre leurs appels de phares n'ont pas le même accent les nôtres, surtout quand on roule à contre sens.
- Sur celui là on peut déduire que la masse sortante, réunissant toutes les autres est broche 2 de C0289 car c'est le fil de plus grosse section ( 2mm²).
Inversement il y a quelques bug parfois pour nous, car la broche 8 est câblé, et sur le schéma théorique elle n'apparait pas.
A+
Modifié en dernier par LØLØ le 07/06/2015 21:55, modifié 3 fois.
2 solutions: la bonne et l'Anglaise
LUCAS: Il n'y a pas de contact où il le faut et il y en a un où il ne faut pas
On ne peut aller loin en amitié, si on n'est pas disposé à se pardonner les uns aux autres les petits défauts.
www.eternal-vehicles.fr
LUCAS: Il n'y a pas de contact où il le faut et il y en a un où il ne faut pas
On ne peut aller loin en amitié, si on n'est pas disposé à se pardonner les uns aux autres les petits défauts.
www.eternal-vehicles.fr
- LandLover110
- Habitué
- Messages : 213
- Enregistré le : 18/02/2011 18:27
- Localisation : Amiens
Re: Problèmes électriques suite inversion batterie Defender
Eh bien, pour une réponse précise, rapide et complète, en voilà une !
Merci LOLO, je vais voir tout cela avec mon garagiste (et ami) préféré, l'électricité n'étant pas mon fort, comme tu l'auras deviné ...
Pour info, ton schéma semble être celui de mon montage pour le klaxon ajouté : la commande se fait via celle du klaxon d'origine, qui commande un relais (avec un fusible de 15 Amp), lequel est alimenté par un fil pris au niveau des fusibles du boitier central derrière le levier de vitesses. je revois le montage et je te fais un schéma dans la semaine.
au passage, j'ai eu besoin du Defender pour un bref aller / retour à la déchetterie. parfois le moteur se coupe à la clé, parfois non ... j'ai testé le fusible N°6 ; il se coupe instantanément !
Bonne pioche !
J'en dirai plus mardi prochain, car j'aurai un moment de libre pour examiner l'engin avec mon mécano, mais je viendrais avec mon pc, pour lui montrer tes recherches.
Bonne semaine !
Merci LOLO, je vais voir tout cela avec mon garagiste (et ami) préféré, l'électricité n'étant pas mon fort, comme tu l'auras deviné ...
Pour info, ton schéma semble être celui de mon montage pour le klaxon ajouté : la commande se fait via celle du klaxon d'origine, qui commande un relais (avec un fusible de 15 Amp), lequel est alimenté par un fil pris au niveau des fusibles du boitier central derrière le levier de vitesses. je revois le montage et je te fais un schéma dans la semaine.
au passage, j'ai eu besoin du Defender pour un bref aller / retour à la déchetterie. parfois le moteur se coupe à la clé, parfois non ... j'ai testé le fusible N°6 ; il se coupe instantanément !
Bonne pioche !
J'en dirai plus mardi prochain, car j'aurai un moment de libre pour examiner l'engin avec mon mécano, mais je viendrais avec mon pc, pour lui montrer tes recherches.
Bonne semaine !
- LØLØ
- Modérateur
- Messages : 6210
- Enregistré le : 30/07/2006 15:41
- Localisation : guainville (28 )
- Contact :
Re: Problèmes électriques suite inversion batterie Defender
Salut,LandLover110 a écrit : J'en dirai plus mardi prochain, car j'aurai un moment de libre pour examiner l'engin avec mon mécano, mais je viendrais avec mon pc, pour lui montrer tes recherches.
Amène un appareil photo, dis aussi garagiste de mettre de coté les bouts de fils cramés, ou bien de repérer sur un papier la couleur avec leur liseré des bouts de fil fondu. Cela nous permettra une analyse" plus fine de ce qui se passe lors d'une inversion de polarité sur un land électronique.
LØLØ a écrit :Lui il alimente entre autre l'autoradio, lui il n'aime pas les inversions de polarité, est ce qu'il fonctionne toujours ?
Et la petite pendule, toujours à l'heure ?
A+
2 solutions: la bonne et l'Anglaise
LUCAS: Il n'y a pas de contact où il le faut et il y en a un où il ne faut pas
On ne peut aller loin en amitié, si on n'est pas disposé à se pardonner les uns aux autres les petits défauts.
www.eternal-vehicles.fr
LUCAS: Il n'y a pas de contact où il le faut et il y en a un où il ne faut pas
On ne peut aller loin en amitié, si on n'est pas disposé à se pardonner les uns aux autres les petits défauts.
www.eternal-vehicles.fr
- LandLover110
- Habitué
- Messages : 213
- Enregistré le : 18/02/2011 18:27
- Localisation : Amiens
Re: Problèmes électriques suite inversion batterie Defender
LØLØ a écrit:
Lui il alimente entre autre l'autoradio, lui il n'aime pas les inversions de polarité, est ce qu'il fonctionne toujours ?
Et la petite pendule, toujours à l'heure ?
Ma radio fonctionne, mais j'ai tiré un fil (avec fusible) pour l'alimenter depuis le tableau de fusibles derrière le levier de vitesses (et je ne sais plus si j'ai repris le branchement d'origine ...)
Quand à la pendule du tableau de bord, je l'ai déplacée pour la mettre au centre, à la place du réglage d'assiette des phares, que j'ai shunté, et j'ai rallongé les fils qui l'alimentaient d'origine : elle fonctionne parfaitement. un bout d'alu qui traînait, un gabarit et hop, recouvert du même skaï qui couvre le toit, on croirait que c'est d'origine ... pas le temps pour les photos, mais promis, je montrerai tout ça sous peu (dés que j'aurais compris comment inclure des photos dans ce forum, lol )
Lui il alimente entre autre l'autoradio, lui il n'aime pas les inversions de polarité, est ce qu'il fonctionne toujours ?
Et la petite pendule, toujours à l'heure ?
Ma radio fonctionne, mais j'ai tiré un fil (avec fusible) pour l'alimenter depuis le tableau de fusibles derrière le levier de vitesses (et je ne sais plus si j'ai repris le branchement d'origine ...)
Quand à la pendule du tableau de bord, je l'ai déplacée pour la mettre au centre, à la place du réglage d'assiette des phares, que j'ai shunté, et j'ai rallongé les fils qui l'alimentaient d'origine : elle fonctionne parfaitement. un bout d'alu qui traînait, un gabarit et hop, recouvert du même skaï qui couvre le toit, on croirait que c'est d'origine ... pas le temps pour les photos, mais promis, je montrerai tout ça sous peu (dés que j'aurais compris comment inclure des photos dans ce forum, lol )
- LØLØ
- Modérateur
- Messages : 6210
- Enregistré le : 30/07/2006 15:41
- Localisation : guainville (28 )
- Contact :
Re: Problèmes électriques suite inversion batterie Defender
Pas compliqué, tu utilises l'onglet "Transférer une pièce jointe" au bas de la fenêtre de rédaction. Les photos sont héberger sur le site du forum pour une pérennité plus sûr. A lire aussi et le tuto en suivant le lien: l’hébergement fourni par le site. A+LandLover110 a écrit :je montrerai tout ça sous peu (dés que j'aurais compris comment inclure des photos dans ce forum, lol )
2 solutions: la bonne et l'Anglaise
LUCAS: Il n'y a pas de contact où il le faut et il y en a un où il ne faut pas
On ne peut aller loin en amitié, si on n'est pas disposé à se pardonner les uns aux autres les petits défauts.
www.eternal-vehicles.fr
LUCAS: Il n'y a pas de contact où il le faut et il y en a un où il ne faut pas
On ne peut aller loin en amitié, si on n'est pas disposé à se pardonner les uns aux autres les petits défauts.
www.eternal-vehicles.fr
- LandLover110
- Habitué
- Messages : 213
- Enregistré le : 18/02/2011 18:27
- Localisation : Amiens
Re: Problèmes électriques suite inversion batterie Defender
Bonsoir LOLO,
Désolé, mais je n'ai pas pu voir mon garagiste ... En attendant, voici les premières photos du Defender, avec le déplacement de l'horloge vers le centre du tableau de bord : Voici l'ancien support (en plastique) et le nouveau : on remarque que j'ai supprimé le réglage des phares, car les moteurs tournent dans le vide, et que j'ai utilisé un bout d'alu pour façonner le support. là, il est présenté avec le bouton d'essuie-glace à gauche, l'horloge, qui a migré du tableau de bord derrière le volant, et l'allume cigare, à droite.
j'ai, en fait remonté l'allume cigare d'origine, car la broche ne correspondait pas à l'arrière : bien qu'il soit isolé par le cerclage vert, l'allume cigare fait un court circuit lorsque je l'utilise ... à ne rien y comprendre !
Voici la photo du support en lieu et place de l'ancien ; je l'ai habillé de skaï gris, de la même couleur que le cuby box "maison" et que les ciels de toit : au dessus, se trouve un Trip-master, bien au centre sous le cendrier, et accessible pour le conducteur et le passager avant.
l'horloge fonctionne (même à l’arrêt), mais pas l'essuie glace (bien qu'il y ait du + permanent pour le retour du balai dans le moteur), ni l'allume cigare, alors qu'il est rebranché avec sa propre broche (je vais le re-déposer pour voir si il est bien positionné sans toucher une masse lorsqu'on l'utilise (mais la masse est à l'extérieur, pas au fond ...).
Désolé, mais je n'ai pas pu voir mon garagiste ... En attendant, voici les premières photos du Defender, avec le déplacement de l'horloge vers le centre du tableau de bord : Voici l'ancien support (en plastique) et le nouveau : on remarque que j'ai supprimé le réglage des phares, car les moteurs tournent dans le vide, et que j'ai utilisé un bout d'alu pour façonner le support. là, il est présenté avec le bouton d'essuie-glace à gauche, l'horloge, qui a migré du tableau de bord derrière le volant, et l'allume cigare, à droite.
j'ai, en fait remonté l'allume cigare d'origine, car la broche ne correspondait pas à l'arrière : bien qu'il soit isolé par le cerclage vert, l'allume cigare fait un court circuit lorsque je l'utilise ... à ne rien y comprendre !
Voici la photo du support en lieu et place de l'ancien ; je l'ai habillé de skaï gris, de la même couleur que le cuby box "maison" et que les ciels de toit : au dessus, se trouve un Trip-master, bien au centre sous le cendrier, et accessible pour le conducteur et le passager avant.
l'horloge fonctionne (même à l’arrêt), mais pas l'essuie glace (bien qu'il y ait du + permanent pour le retour du balai dans le moteur), ni l'allume cigare, alors qu'il est rebranché avec sa propre broche (je vais le re-déposer pour voir si il est bien positionné sans toucher une masse lorsqu'on l'utilise (mais la masse est à l'extérieur, pas au fond ...).
- LØLØ
- Modérateur
- Messages : 6210
- Enregistré le : 30/07/2006 15:41
- Localisation : guainville (28 )
- Contact :
Re: Problèmes électriques suite inversion batterie Defender
Salut,
Une chose m'intrigue sur ta photo, il y a deux supports d'allume-cigare. On peut souvent voir des problèmes d'allume-cigare lorsque les deux parties ne sont pas rigoureusement appairé. Comme tu peux le voir sur l'image l'espace de sécurité d'isolation aérienne repéré "e", est très petit, et si la forme n'est pas rigoureusement adapté il y a court-circuit. Car si il y a bien un truc qui ne souffre pas d'une inversion, c'est l'allume-cigare, d'autant que sur le land, il est sur un plus après contact d'une part, et il n'était pas enfoncé d'autre part, donc doublement hors circuit hors circuit, lors de ton inversion.
Allume-cigare de TD5: A+
Une chose m'intrigue sur ta photo, il y a deux supports d'allume-cigare. On peut souvent voir des problèmes d'allume-cigare lorsque les deux parties ne sont pas rigoureusement appairé. Comme tu peux le voir sur l'image l'espace de sécurité d'isolation aérienne repéré "e", est très petit, et si la forme n'est pas rigoureusement adapté il y a court-circuit. Car si il y a bien un truc qui ne souffre pas d'une inversion, c'est l'allume-cigare, d'autant que sur le land, il est sur un plus après contact d'une part, et il n'était pas enfoncé d'autre part, donc doublement hors circuit hors circuit, lors de ton inversion.
Allume-cigare de TD5: A+
2 solutions: la bonne et l'Anglaise
LUCAS: Il n'y a pas de contact où il le faut et il y en a un où il ne faut pas
On ne peut aller loin en amitié, si on n'est pas disposé à se pardonner les uns aux autres les petits défauts.
www.eternal-vehicles.fr
LUCAS: Il n'y a pas de contact où il le faut et il y en a un où il ne faut pas
On ne peut aller loin en amitié, si on n'est pas disposé à se pardonner les uns aux autres les petits défauts.
www.eternal-vehicles.fr
- LandLover110
- Habitué
- Messages : 213
- Enregistré le : 18/02/2011 18:27
- Localisation : Amiens
Re: Problèmes électriques suite inversion batterie Defender
Bien vu, LOLO !
J'avais en stock un autre allume cigare, qu'on voit sur la photo, mais celui du Land ne correspond pas tout à fait, et je l'ai donc remonté sur le nouveau support. ce qui me surprend, c'est que l'allume cigare monté en direct dans le cuby box que j'ai "amélioré", me fait la même chose, et lui est branché sur un + permanent avec fusible, à partir du tableau de fusibles Dans mes cuby box, j'aime bien rajouter un allume-cigare branché sur un + permanent, en plus des branchements divers, selon les demandes : radio, cibi, kit téléphone main libre, ou interrupteurs divers (feux additionnels, inverseur de réservoir, blocages de différentiels ...).
J'avais en stock un autre allume cigare, qu'on voit sur la photo, mais celui du Land ne correspond pas tout à fait, et je l'ai donc remonté sur le nouveau support. ce qui me surprend, c'est que l'allume cigare monté en direct dans le cuby box que j'ai "amélioré", me fait la même chose, et lui est branché sur un + permanent avec fusible, à partir du tableau de fusibles Dans mes cuby box, j'aime bien rajouter un allume-cigare branché sur un + permanent, en plus des branchements divers, selon les demandes : radio, cibi, kit téléphone main libre, ou interrupteurs divers (feux additionnels, inverseur de réservoir, blocages de différentiels ...).
- LandLover110
- Habitué
- Messages : 213
- Enregistré le : 18/02/2011 18:27
- Localisation : Amiens
Re: Problèmes électriques suite inversion batterie Defender
Pour compléter ton information, LOLO, en attendant de passer chez mon garagiste (ai pas pu cette semaine ...), voici les modifications que j'ai apporté à mon Defender : les branchements ont été repris dans le tableau de fusibles, derrière les leviers de vitesse. bien sur, tous les branchements sont faits à l'ancienne : soudure à l'étain, et gaine thermo-rétractable ...
Mon 110 n'a pas de clim, donc les fusibles 1, 2, 3, 17 et 18 sont dispos ... j'ai rappelé les modifs sur le couvercle : pratique en cas de panne ... j'ai donc câblé la radio, le trip master et la Cibi sur le fusible N °1, puis le deuxième allume cigare (celui du cuby box), sur le N°2. un + permanent alimente maintenant la montre à partir du N°3. Le régulateur de vitesse (mon ECU est celui d'un DIscovery de 2002, donc compatible ...)est branché sur le N° 17 et l'allume cigare reste sur le N°18.
N°1 = la radio fonctionne
N°2 = l'allume cigare du cuby box ne fonctionne pas ...
N°3 = la montre fonctionne
N°17 = le régulateur de vitesse fonctionne
N°18 = l'allume cigare du tableau de bord ne fonctionne pas ...
Ça peut aider à la réflexion ?
Mon 110 n'a pas de clim, donc les fusibles 1, 2, 3, 17 et 18 sont dispos ... j'ai rappelé les modifs sur le couvercle : pratique en cas de panne ... j'ai donc câblé la radio, le trip master et la Cibi sur le fusible N °1, puis le deuxième allume cigare (celui du cuby box), sur le N°2. un + permanent alimente maintenant la montre à partir du N°3. Le régulateur de vitesse (mon ECU est celui d'un DIscovery de 2002, donc compatible ...)est branché sur le N° 17 et l'allume cigare reste sur le N°18.
N°1 = la radio fonctionne
N°2 = l'allume cigare du cuby box ne fonctionne pas ...
N°3 = la montre fonctionne
N°17 = le régulateur de vitesse fonctionne
N°18 = l'allume cigare du tableau de bord ne fonctionne pas ...
Ça peut aider à la réflexion ?
- LØLØ
- Modérateur
- Messages : 6210
- Enregistré le : 30/07/2006 15:41
- Localisation : guainville (28 )
- Contact :
Re: Problèmes électriques suite inversion batterie Defender
Salut,LandLover110 a écrit : j'ai rappelé les modifs sur le couvercle : pratique en cas de panne ...
Pas très exploitable ta photo, tu as la possibilité de placer des photos jusqu’à 1Mo et tu nous mets une pauvre photo qui fait à peine 15Ko. Cela donne a l'echelle de l'autre, une toute petite vignette en bas à droite. Mais cela m'a permis d'identifier ton tableau de fusible, mais également de constater qu'il y avait une incompatibilité, entre la numérotation des fusibles du tableau sur les pictogrammes du couvercle du boitier de fusible et la numérotation des fusibles du le schéma du tableau de fusible. Après vérification, ce n'est pas le cas sur les schémas du 300Tdi, ni sur les schémas du Td5 d'après 2002, où là, il y a bien correspondance entre la numérotation des schémas et celle des étiquettes des boites à fusibles.
OK, j'ai reporté ça sur la photo du couvercle, et sur le schéma de la distribution des alimentations,j'ai donc câblé la radio, le trip master et la Cibi sur le fusible N °1, puis le deuxième allume cigare (celui du cuby box), sur le N°2. un + permanent alimente maintenant la montre à partir du N°3. Le régulateur de vitesse (mon ECU est celui d'un DIscovery de 2002, donc compatible ...)est branché sur le N° 17 et l'allume cigare reste sur le N°18.
Tu dis que cela ne fonctionne pas, mais de quelle façon:Ça peut aider à la réflexion ?
◘ le fusible saute ?
◘ le fusible est bon mais il n'y a pas de tension ?
◘ l'essuie glace arrière, n'a pas sa tension non plus. Que dit le fusible 3 de 10A de la numérotation en rouge? Change le ou inverse le avec un autre.
◘ Est ce que le pschitt arrière fonctionne ? Car il est sur la même alimentation que l'essuie glace arrière.
A priori, problème sur le fil marron rose après le fusible 9 de 30 A pas avant car ce qu'il y a sur le fusible 10 fonctionne.
Idem pour le fusible 13, il faut suivre le fil violet liseré vert avant, c'est OK, puisque le fusible 14 (régulateur de vitesse dans ton cas fonctionne).
A+
NB: N'oublie pas de débrancher la batterie quand tu quittes le land, et installe un coupe circuit si ce n'est déjà fait.
Modifié en dernier par LØLØ le 18/06/2015 13:07, modifié 1 fois.
2 solutions: la bonne et l'Anglaise
LUCAS: Il n'y a pas de contact où il le faut et il y en a un où il ne faut pas
On ne peut aller loin en amitié, si on n'est pas disposé à se pardonner les uns aux autres les petits défauts.
www.eternal-vehicles.fr
LUCAS: Il n'y a pas de contact où il le faut et il y en a un où il ne faut pas
On ne peut aller loin en amitié, si on n'est pas disposé à se pardonner les uns aux autres les petits défauts.
www.eternal-vehicles.fr
- LandLover110
- Habitué
- Messages : 213
- Enregistré le : 18/02/2011 18:27
- Localisation : Amiens
Re: Problèmes électriques suite inversion batterie Defender
Bonjour LOLO,
Toujours extrêmement fouillées, tes interventions ! Merci !
Bon, je n'ai pas eu beaucoup de temps à consacrer à mon Def, ces derniers temps, un événement familial m'accaparant jusqu'à dimanche, mais je dois voir tout ceci en détail la semaine prochaine.
Pour répondre cependant à ta question, voici ce que j'ai observé :
N°2 = l'allume cigare du cuby box ne fonctionne pas ... le fusible fond instantanément lorsqu'on enfonce l'allume cigare.
N°18 = l'allume cigare du tableau de bord ne fonctionne pas ... idem, mais parfois avec un bref délai (environ une 1/2 seconde, + ou - ...)
Comme je suis à court de fusibles, je n'ai pas ré-essayé ...
Je précise que je n'ai pas changé leur branchement, qui fonctionnait "avant" ... de quoi embrumer encore davantage mon cerceau, déjà réticent à tout branchement de plus de 2 fils (un + et un -) ...
comme disait le Colonel Blanchet (Robert Lamoureux) : « Alors le fil vert sur le bouton vert, le fil rouge sur le bouton rouge ».
Affaire à suivre, et bon weekend !
Toujours extrêmement fouillées, tes interventions ! Merci !
Bon, je n'ai pas eu beaucoup de temps à consacrer à mon Def, ces derniers temps, un événement familial m'accaparant jusqu'à dimanche, mais je dois voir tout ceci en détail la semaine prochaine.
Pour répondre cependant à ta question, voici ce que j'ai observé :
N°2 = l'allume cigare du cuby box ne fonctionne pas ... le fusible fond instantanément lorsqu'on enfonce l'allume cigare.
N°18 = l'allume cigare du tableau de bord ne fonctionne pas ... idem, mais parfois avec un bref délai (environ une 1/2 seconde, + ou - ...)
Comme je suis à court de fusibles, je n'ai pas ré-essayé ...
Je précise que je n'ai pas changé leur branchement, qui fonctionnait "avant" ... de quoi embrumer encore davantage mon cerceau, déjà réticent à tout branchement de plus de 2 fils (un + et un -) ...
comme disait le Colonel Blanchet (Robert Lamoureux) : « Alors le fil vert sur le bouton vert, le fil rouge sur le bouton rouge ».
Affaire à suivre, et bon weekend !