vendredi j'attaque le servicing complet de mon disco TD5 de 1999
filtre GO , liquide de frein , de direction assistée , vidange moteur, niveau boite et ponts ,remplacement des joints de régulateur carburant , et de collecteur d'échappement ( avec les goujons ) et remplacement du LDR
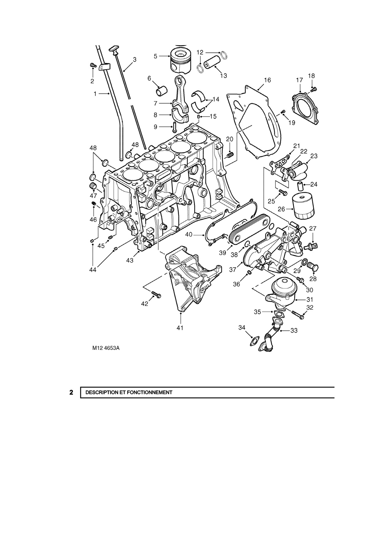
j'ai acheté un produit nettoyant pour mon circuit de refroidissement et pour ma vidange je n'arrive pas a trouver dans ma doc atelier et sur le net l'emplacement du bouchon de purge de la culasse ...
une ame charitable pourrait elle me poster une photo ou une vue de l'endroit ou se trouve ce bouchon de purge sur le TD5 ?
merci
 
 jerome
 
				
 
 
 le fait qu'il n'y est rien de mentionné sur le manuel d'atelier aurais du me mettre la puce a l'oreille
  le fait qu'il n'y est rien de mentionné sur le manuel d'atelier aurais du me mettre la puce a l'oreille 


 , de toute manière le collecteur je le démonte pour remplacer le joint , donc j'aurais accès au bouchon , je mettrais un coup de RTV haute température pour l'étanchéité , mais en règle général si il n'y a pas de joint d'origine  , c'est qu'il n'y en a pas besoin ( montage conique )
 , de toute manière le collecteur je le démonte pour remplacer le joint , donc j'aurais accès au bouchon , je mettrais un coup de RTV haute température pour l'étanchéité , mais en règle général si il n'y a pas de joint d'origine  , c'est qu'il n'y en a pas besoin ( montage conique ) 