Remise en état circuit électrique Land Rover 90
Règles du forum
En naviguant sur le site http://www.landroverfaq.com vous reconnaissez avoir lu ses Conditions d’Utilisation, vous déclarez les comprendre et vous acceptez d’y être lié de manière inconditionnelle. Si tel n'est pas le cas, merci de quitter immédiatement ce site.
Vous pouvez joindre autant d'images que nécessaire à vos messages A LA CONDITION EXPRESSE d'utiliser l'hébergement fourni par le site.
L'administrateur effacera systématiquement tout message contenant des photos hébergées chez Imageschack, Casimage, Wistiti ou tout autre hébergeur tiers sans sommation ni justification.
En naviguant sur le site http://www.landroverfaq.com vous reconnaissez avoir lu ses Conditions d’Utilisation, vous déclarez les comprendre et vous acceptez d’y être lié de manière inconditionnelle. Si tel n'est pas le cas, merci de quitter immédiatement ce site.
Vous pouvez joindre autant d'images que nécessaire à vos messages A LA CONDITION EXPRESSE d'utiliser l'hébergement fourni par le site.
L'administrateur effacera systématiquement tout message contenant des photos hébergées chez Imageschack, Casimage, Wistiti ou tout autre hébergeur tiers sans sommation ni justification.
-
Titeuf44
- Habitué
- Messages : 83
- Enregistré le : 08/06/2015 21:26
- Localisation : Savenay - Loire Atlantique
Remise en état circuit électrique Land Rover 90
Bonjour,
Je suis en train de remettre en état le circuit électrique de mon Land 90 de 84.
Quelqu'un aurrai-t-il un photo ou un schéma des connexions de l'interrupteur d'éclairage tableau de bord / Plafonnier? Le mien à été bricolé: Le voyant des veilleuses ne fonctionne pas et quand je met l'interrupteur en position intermédiaire, le tableau de bord s'illumine et reste tout le temps allumé. Normalement, il doit s'allumer qu'avec les veilleuses non?
Un autre sujet:
Quand je branche la batterie, mon ventilateur est opérationnel ainsi que la jauge de la batterie. J'ai d'abord pensé à un dysfonctionnement du contacteur de neiman mais le problème viens de cette cosse blanche qui était connecté dans le "Y" marron juste derrière, donnant ainsi un + permanent sur les fils blanc. Je l'ai déconnecté et tout marche normalement. Auriez-vous une idée à quelle endroit cette cosse ronde mâle doit être connecté?
Je suis en train de remettre en état le circuit électrique de mon Land 90 de 84.
Quelqu'un aurrai-t-il un photo ou un schéma des connexions de l'interrupteur d'éclairage tableau de bord / Plafonnier? Le mien à été bricolé: Le voyant des veilleuses ne fonctionne pas et quand je met l'interrupteur en position intermédiaire, le tableau de bord s'illumine et reste tout le temps allumé. Normalement, il doit s'allumer qu'avec les veilleuses non?
Un autre sujet:
Quand je branche la batterie, mon ventilateur est opérationnel ainsi que la jauge de la batterie. J'ai d'abord pensé à un dysfonctionnement du contacteur de neiman mais le problème viens de cette cosse blanche qui était connecté dans le "Y" marron juste derrière, donnant ainsi un + permanent sur les fils blanc. Je l'ai déconnecté et tout marche normalement. Auriez-vous une idée à quelle endroit cette cosse ronde mâle doit être connecté?
- LØLØ
- Modérateur
- Messages : 6210
- Enregistré le : 30/07/2006 15:41
- Localisation : guainville (28 )
- Contact :
Re: Remise en état circuit électrique Land Rover 90
Salut,
Oui effectivement, il y a du rab de fil
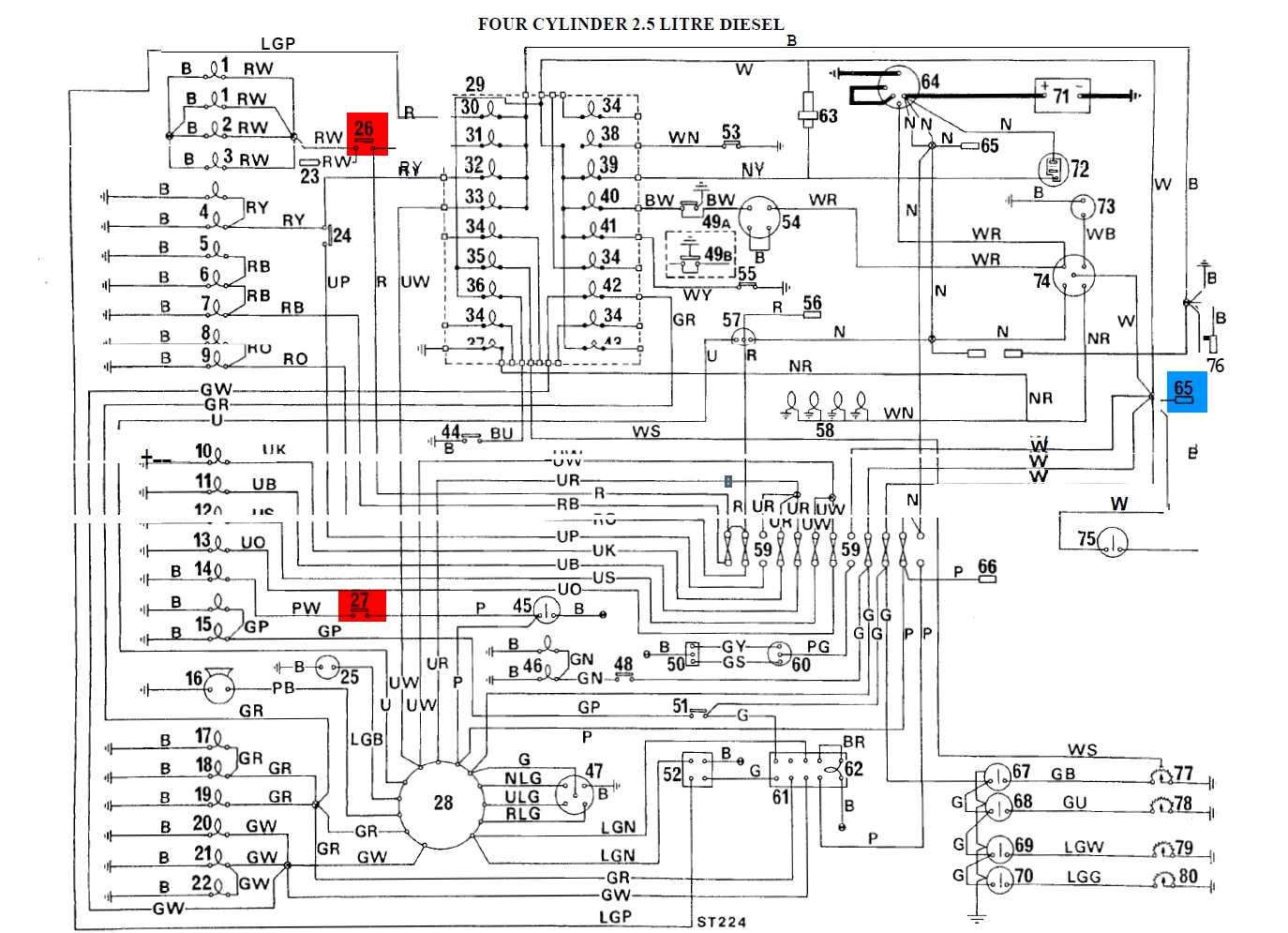
Pour les schémas, il ne sont pas très clair mais bon cela peut aidé en particulier pour les couleurs des fils et leurs destinations. Certes, ce qui peut paraitre déroutant, c'est que les deux interrupteurs sont représentés séparément, alors qu'il n'y en a qu'un seul, et a trois positions. On retrouve bien sur le connecteur, les couleurs avec leur liseré qui correspondent au schéma.
2 position extinction de l’éclairage du tableau de bord, mais pas des autres voyants: veilleuses; phare; huile...
3 position extinction de l’éclairage tableau de bord et allumage du plafonnier.
L'éclairage du tableau de bord, ne s'allume qu'avec les veilleuses allumé, le fil violet est un +12V permanent protégé par fusible, c'est certainement lui qui te ramène l'éclairage au tableau de bord, soit suite a un défaut de câblage, soit un défaut de bouton.
Ouvre ton tableau de voyant, et récupère une ampoule de voyant qui ne sert à rien si cela n'a pas déjà été fait, prend celui de la ceinture ou autre.
Je pense, que c'est un connecteur de réserve, utilisé quand tu as un land County, pour câbler l'essuie glace arrière, ou le dégivrage AR, c'est ce qui est appelé point de connexion libre sur le fil blanc (W) en bleu sur le schéma.
Il faut que tu le protèges en l'isolant dans un connecteur de 4,7mm femelle isolé, si tu en as, ou bien avec un bout de gaine thermorétractable, ou que tu l'utilises pour une option de ton choix alimentée par un +12v après contact. Vois les 5 liens du bas de cette inter : Recherche Photos moteur 2,5TD.
A+
Oui effectivement, il y a du rab de fil
Pour les schémas, il ne sont pas très clair mais bon cela peut aidé en particulier pour les couleurs des fils et leurs destinations. Certes, ce qui peut paraitre déroutant, c'est que les deux interrupteurs sont représentés séparément, alors qu'il n'y en a qu'un seul, et a trois positions. On retrouve bien sur le connecteur, les couleurs avec leur liseré qui correspondent au schéma.
1 position éclairage du tableau de bordLe voyant des veilleuses ne fonctionne pas et quand je met l'interrupteur en position intermédiaire, le tableau de bord s'illumine et reste tout le temps allumé. Normalement, il doit s'allumer qu'avec les veilleuses non?
2 position extinction de l’éclairage du tableau de bord, mais pas des autres voyants: veilleuses; phare; huile...
3 position extinction de l’éclairage tableau de bord et allumage du plafonnier.
L'éclairage du tableau de bord, ne s'allume qu'avec les veilleuses allumé, le fil violet est un +12V permanent protégé par fusible, c'est certainement lui qui te ramène l'éclairage au tableau de bord, soit suite a un défaut de câblage, soit un défaut de bouton.
Ouvre ton tableau de voyant, et récupère une ampoule de voyant qui ne sert à rien si cela n'a pas déjà été fait, prend celui de la ceinture ou autre.
Les fils blancs, sont toujours des +12V après contact, protégés par fusibles, il ne va pas avec un fil marron, qui sont des + 12V avant contact et souvent non protégé par un fusible. Le fonctionnement que tu décrit est donc normal si tu fait ce branchement, tu ramènes du 12V sur le +12V après contact.Un autre sujet
Je pense, que c'est un connecteur de réserve, utilisé quand tu as un land County, pour câbler l'essuie glace arrière, ou le dégivrage AR, c'est ce qui est appelé point de connexion libre sur le fil blanc (W) en bleu sur le schéma.
Il faut que tu le protèges en l'isolant dans un connecteur de 4,7mm femelle isolé, si tu en as, ou bien avec un bout de gaine thermorétractable, ou que tu l'utilises pour une option de ton choix alimentée par un +12v après contact. Vois les 5 liens du bas de cette inter : Recherche Photos moteur 2,5TD.
A+
2 solutions: la bonne et l'Anglaise
LUCAS: Il n'y a pas de contact où il le faut et il y en a un où il ne faut pas
On ne peut aller loin en amitié, si on n'est pas disposé à se pardonner les uns aux autres les petits défauts.
www.eternal-vehicles.fr
LUCAS: Il n'y a pas de contact où il le faut et il y en a un où il ne faut pas
On ne peut aller loin en amitié, si on n'est pas disposé à se pardonner les uns aux autres les petits défauts.
www.eternal-vehicles.fr
-
Titeuf44
- Habitué
- Messages : 83
- Enregistré le : 08/06/2015 21:26
- Localisation : Savenay - Loire Atlantique
Re: Remise en état circuit électrique Land Rover 90
J'ai déjà ce schéma de câblage mais ce qui me dérangeait, c'est que dans la position 1, on ferme bien le contact 26, en position 3, on ferme bien le contact 27 seulement en position centrale, on ne se contente pas d'ouvrir ces deux contacts, on met ensemble les fils RW et PW mais avec la photo du connecteur tour est clair. Je vais remettre ça d'équerre ce soir et je vous tiens au jus.
Pour ce qui est du connecteur mâle blanc, j'avais vu aussi cette borne de réserve sur le schéma mais toutes les autres sont femelles du coup ça m'a étonné d'en trouver une mâle.
Sur mon Land, j'avais l'essuie glace arrière mais il a été démonté par l'ancien proprio. J'ai toujours l'interrupteur au tableau de bord mais l'ancien proprio a modifié le câblage de cet interrupteur pour qu'il pilote les essuie glace avant à la place du comodo d'essuie glace d'origine: Je pense que ce connecteur est celui de l'ancien comodo.
J'ai trouvé un fubible 5A à la place de la résistance de 60ohms au tableau de bord. Celle d'origine n'existant plus, j'en ai fait une maison de 68Ohms 1W: Merci pour les infos!
Pour ce qui est du connecteur mâle blanc, j'avais vu aussi cette borne de réserve sur le schéma mais toutes les autres sont femelles du coup ça m'a étonné d'en trouver une mâle.
Sur mon Land, j'avais l'essuie glace arrière mais il a été démonté par l'ancien proprio. J'ai toujours l'interrupteur au tableau de bord mais l'ancien proprio a modifié le câblage de cet interrupteur pour qu'il pilote les essuie glace avant à la place du comodo d'essuie glace d'origine: Je pense que ce connecteur est celui de l'ancien comodo.
J'ai trouvé un fubible 5A à la place de la résistance de 60ohms au tableau de bord. Celle d'origine n'existant plus, j'en ai fait une maison de 68Ohms 1W: Merci pour les infos!
Modifié en dernier par Titeuf44 le 03/10/2016 18:08, modifié 1 fois.
- LØLØ
- Modérateur
- Messages : 6210
- Enregistré le : 30/07/2006 15:41
- Localisation : guainville (28 )
- Contact :
Re: Remise en état circuit électrique Land Rover 90
Ben oui, ne cherche pas plus loin, c'est ça.Sur mon Land, j'avais l'essuie glace arrière mais il a été démonté par l'ancien proprio.
Oui, vois ce thème où il est bien détaillé : Commodo essui glaceJe pense que ce connecteur est celui de l'ancien comodo.
Arg! j'en est mesurée une autre sur un faisceau d'occase ce week-end à Landelles, elle faisait 95 Ω. Je pense qu'un Watt c'est petit, elle risque de chauffer et de te fondre le support. Prévois a minima le double. La petite ampoule fait 2.2W donc tant quelle est là, c'est elle qui encaisse le courant, et vue sa valeur Ohmique (13 Ω) la résistance influe peu, il y a en gros un rapport de 10 entre les deux, avec P=RI² cela nous fait un courant de 441mA max possible dans le voyant (allumée). Donc si le voyant pète, c'est la résistance seule qui intervient dans ce cas tu te retrouves avec les 68 Ω 1 W le max de courant dans 1W est √(1/68)=121mA, autre remarque, lorsque tu es avec le contact, moteur arrêté, aux bornes de ta résistance tu as 12/68 ce qui nous donne du 176mA dans ta résistance, là, tu es limite avec 1 W qui ne t'autorise que 121mA. Une 2 W serait mieux, ou alors mets une 100 Ω. Il faudrait contrôler la valeur du courant nécessaire à l'amorçage de l'alternateur. D'instinct, je dirais une centaine de mA voir zéro si auto amorçage. Le voyant lui étant là pour visualiser un défaut. Lorsque le moteur tourne, c'est moins grave, car en gros une tension > 15 V ou < 11V allume le voyant, référencé par rapport a une tension batterie qui n'est jamais vraiment égale à 0V mais plutôt à une dizaine de volts en cas de gros malheur, on aura aux bornes de R 5 à 6 V au max, donc là ça va, mais bon 2W mini c'est mieux tout de même. Regarde, c'est une bobiné de puissance, la tienne c'est une couche carbone simple. A+J'ai trouvé un fubible 5A à la place de la résistance de 60ohms au tableau de bord. Celle d'origine n'existant plus, j'en ai fait une maison de 68Ohms 1W:
2 solutions: la bonne et l'Anglaise
LUCAS: Il n'y a pas de contact où il le faut et il y en a un où il ne faut pas
On ne peut aller loin en amitié, si on n'est pas disposé à se pardonner les uns aux autres les petits défauts.
www.eternal-vehicles.fr
LUCAS: Il n'y a pas de contact où il le faut et il y en a un où il ne faut pas
On ne peut aller loin en amitié, si on n'est pas disposé à se pardonner les uns aux autres les petits défauts.
www.eternal-vehicles.fr
-
Titeuf44
- Habitué
- Messages : 83
- Enregistré le : 08/06/2015 21:26
- Localisation : Savenay - Loire Atlantique
Re: Remise en état circuit électrique Land Rover 90
Pour l'interrupteur éclairage tableau de bord / plafonnier j'ai remis d'équerre par rapport au photos tout est OK (merci! L0L0 pour les photos). Le voyant de tableau de bord ne fonctionnait pas car les fils de l'interrupteur était mal câblés.
Il me reste l'interrupteur des warnings à recâbler. J'ai trouvé toute les infos dans le forum il faut que je trouve un connecteur pour l'interrupteur.
J'ai installé un commodo d'essuie glace neuf -> OK tout fonctionne nickel.
J'ai deux questions:
- Le connecteur gauche du tablier avant n'est pas connecté sur mon Land. Je sais que je vais y trouver le fil vert pour le contacteur de frein à main que je vais ajouter mais quels sont les signaux autres qui sont sur ce connecteur? Est-ce normal qu'il n'y a rien de connecté à part le contacteur de frein à main?
- Ma jauge à essence et ma jauge de température ne fonctionnent pas. J'ai trouvé d'où vient le problème: le fil vert qui doit ramener un + après contact ne ramène rien et pour cause, il va sur un connecteur non connecté derrière l'allume cigare: En fait il y a un fil coupé juste sur derrière le connecteur: Est ce normal que ce connecteur ne soit pas connecté?
C'est vraiment dommage que la doc ne détaille pas la localisation et les connexion des connecteurs
Merci
Il me reste l'interrupteur des warnings à recâbler. J'ai trouvé toute les infos dans le forum il faut que je trouve un connecteur pour l'interrupteur.
J'ai installé un commodo d'essuie glace neuf -> OK tout fonctionne nickel.
J'ai deux questions:
- Le connecteur gauche du tablier avant n'est pas connecté sur mon Land. Je sais que je vais y trouver le fil vert pour le contacteur de frein à main que je vais ajouter mais quels sont les signaux autres qui sont sur ce connecteur? Est-ce normal qu'il n'y a rien de connecté à part le contacteur de frein à main?
- Ma jauge à essence et ma jauge de température ne fonctionnent pas. J'ai trouvé d'où vient le problème: le fil vert qui doit ramener un + après contact ne ramène rien et pour cause, il va sur un connecteur non connecté derrière l'allume cigare: En fait il y a un fil coupé juste sur derrière le connecteur: Est ce normal que ce connecteur ne soit pas connecté?
C'est vraiment dommage que la doc ne détaille pas la localisation et les connexion des connecteurs
Merci
- LØLØ
- Modérateur
- Messages : 6210
- Enregistré le : 30/07/2006 15:41
- Localisation : guainville (28 )
- Contact :
Re: Remise en état circuit électrique Land Rover 90
Salut,Titeuf44 a écrit : C'est vraiment dommage que la doc ne détaille pas la localisation et les connexion des connecteurs
ça c'est sûr. Tu as tous les détails possibles à partir du 300tdi sur le RAVE, aussi bien pour les schémas détaillés et en couleurs, la localisation des éléments et des connecteurs, et les explications fonctionnelles détaillées...
Avant ça rien, des schémas partiels, et simplifiés à mort , que si tu n'es pas un grand gourous, tu as du mal à les comprendre, et basta. De nos jours, tu as l’immense avantage des forums qui n'existaient pas il y a 20ans et où il fallait se démerder avec le multimètre et les fils dans les mains, pour découvrir au fur et à mesure de quoi il en retournait.
Un autre schéma où apparait le connecteur du moins un bout de ce connecteur me semble-t-il, (excuse moi pour l'état du scanne).
1) Les légendes.
2)
Là je ne déduis pas bien de quel connecteur tu parles. Le 1; 2 ou 3 ?- Le connecteur gauche du tablier avant n'est pas connecté sur mon Land.
3) Voir aucun de ceux là, si tu parles de celui là ?
4)
Le contacteur de frein à main, est venu que très tardivement, et le fil n'est pas vert mais blanc liseré jaune (WY), que tu peux trouver sur le connecteur repéré 3 photo 3)Je sais que je vais y trouver le fil vert pour le contacteur de frein à main que je vais ajouter ...Est-ce normal qu'il n'y a rien de connecté à part le contacteur de frein à main?
5) Essais de faire une seul question par phrase: car une questions, avec deux points d'interrogations, il n'en faut pas plus pour me perdre. d'autant qu'il y en a une troisième
Ayant un doute sur le connecteur gauche au vue de tes photos coté intérieur du connecteur, et que les connecteurs de tablier dans le compartiment moteur sont situés à droite, visiblement tu cherches à nous embrouiller.mais quels sont les signaux autres qui sont sur ce connecteur?
Donc, si il s'agit du connecteur intérieur du faisceau que tu nous montre sur tes photos. Le fil vert clair blanc LGW on le retrouve sur le premier schéma du 15/06 pour : 79 mano de pression d'huile, a ne pas confondre avec le fil vert (pas clair) liseré blanc qui sert aux clignotants droits.
6) Le connecteur de tablier 6 broches dans le compartiment moteur à droite dans le sens de la marche du land ou coté gauche contre le tablier quand on est debout face au moteur.
7) Le connecteur 10 broches sous le tableau de bord, nous donne un bel exemple des nuances de vert utilisées dans un faisceau de land. Les couleurs sont toujours repérées avec la lettre de la couleur principale en premier; le liserè en second; et la lettre L pour Light c'est à dire clair, et il n'y a que le vert qui peut être Clair jusqu'au TD5. Exemple avec vert liseré noir, cela donne GB pour Green et Black. On peut voir donc que ce fil LGW relie les trois connecteurs entre eux, on voit en bas a droite du premier schémas le manomètre en option à laquelle il est destiné, mais le détail de ces trois connecteurs par lesquels pas l'information pression. Ce pré-câblage n'est mentionné nul part.
Schéma lave glace et lunette arrière chauffante.
9) Schéma lave phare, allume cigare et symboles utilisés dans les anciens schémas.
10) Une option que l'on retrouve que sur les land anglais qui permet de passer progressivement de code en phare ou inversement, un peu comme leurs feus rouges qui passent par le feu orange, à la monté et à la descente.
11) Allez un petit dernier, pour que tu puisses mesurer la quantité d'options possibles et les raisons pour lesquelles, il y a plein de bornes inutilisées avec des fil, tout vert ou tout blanc pour les +12V après contact les fils violet pour des +12V permanent protégé par fusible et des +12 V permanents tout marrons non protégé par fusible, danger avec ceux là.
12) A+
2 solutions: la bonne et l'Anglaise
LUCAS: Il n'y a pas de contact où il le faut et il y en a un où il ne faut pas
On ne peut aller loin en amitié, si on n'est pas disposé à se pardonner les uns aux autres les petits défauts.
www.eternal-vehicles.fr
LUCAS: Il n'y a pas de contact où il le faut et il y en a un où il ne faut pas
On ne peut aller loin en amitié, si on n'est pas disposé à se pardonner les uns aux autres les petits défauts.
www.eternal-vehicles.fr
-
Titeuf44
- Habitué
- Messages : 83
- Enregistré le : 08/06/2015 21:26
- Localisation : Savenay - Loire Atlantique
Re: Remise en état circuit électrique Land Rover 90
Désolé je n'ai pas été assez clair, je parle bien de deux connecteurs différent, le premier du connecteur numéroté 1 sur ta photo 3) et je me suis trompé je parlais du fil vert qui part sur mon contact de marche arrière et pas du frein à main. Je m'étonne de n'avoir qu'un fil qui part de ce connecteur.L0L0 a écrit :Là je ne déduis pas bien de quel connecteur tu parles. Le 1; 2 ou 3 ?
3)
Pour le deuxième c'est bien celui de la photo 4) Merci pour l'info, j'ai pu voir que le fils vert qui est ponté a été coupé sur le mien. Je l'ai rajouté tout est OK mes jauges fonctionnent.
J'avais acheté le petit switch pour le frein à main mais je ne peux pas le monter, il n'y a pas de trous prévu et je n'ai pas non plus la petite patte qui l'actionne (qu'on voit bien sur ta photo en 5). -> Je laisse tomber cette option.
Une dernière question:
Le ventilateur d'habitable a bien 2 vitesses ? Le mien ne fonctionne qu'en grande à première vue.
Merci pour ces infos.
- LØLØ
- Modérateur
- Messages : 6210
- Enregistré le : 30/07/2006 15:41
- Localisation : guainville (28 )
- Contact :
Re: Remise en état circuit électrique Land Rover 90
Salut,Titeuf44 a écrit :... le premier du connecteur numéroté 1 sur ta photo 3) et je me suis trompé je parlais du fil vert qui part sur mon contact de marche arrière et pas du frein à main. Je m'étonne de n'avoir qu'un fil qui part de ce connecteur.
T'es sûr ? Le connecteur 1) photo3), c'est le connecteur du faisceau du compartiment moteur, et il n'y a pas de fil vert, et encore moins quoique ce soit qui aille au contacteur de marche arrière au départ de ce connecteur.
Bon, on va disséqué ce connecteur, bien que je sache maintenant qu'après, tu vas me dire : Désolé,
Pour une fois que l'on a un schéma clair pour un connecteur, et avec un petit montage photo, tout est plus simple.
OK, il a beaucoup été bidouillé ton land, on dirait.Pour le deuxième c'est bien celui de la photo 4) .../... Je l'ai rajouté tout est OK mes jauges fonctionnent.
Ben , si tu va dans les brocante land, tu chercheras un levier de frein à main de 300 tdi ou TD5 avec le petit switch et le dispositif pour l'actionner, ensuite ce n'est plus qu'un fil a ramener au faisceau. D'ici là, commande des garnitures de frein à main d'avance, car tu ne calculeras plus le nombre de fois ou tu l’oublieras (vécu).J'avais acheté le petit switch pour le frein à main mais je ne peux pas le monter, il n'y a pas de trous prévu et je n'ai pas non plus la petite patte qui l'actionne (qu'on voit bien sur ta photo en 5). -> Je laisse tomber cette option.
Menteur!Une dernière question:
Oui, il y a bien deux vitesses, le système à largement été étudier ici, vois ces thèmes:Le ventilateur d'habitable a bien 2 vitesses ? Le mien ne fonctionne qu'en grande à première vue.
Commande de soufflerie sur defender.
Defender : réfection du radiateur de chauffage
Bon courage avec ton plat de nouilles...
A+
2 solutions: la bonne et l'Anglaise
LUCAS: Il n'y a pas de contact où il le faut et il y en a un où il ne faut pas
On ne peut aller loin en amitié, si on n'est pas disposé à se pardonner les uns aux autres les petits défauts.
www.eternal-vehicles.fr
LUCAS: Il n'y a pas de contact où il le faut et il y en a un où il ne faut pas
On ne peut aller loin en amitié, si on n'est pas disposé à se pardonner les uns aux autres les petits défauts.
www.eternal-vehicles.fr
-
Titeuf44
- Habitué
- Messages : 83
- Enregistré le : 08/06/2015 21:26
- Localisation : Savenay - Loire Atlantique
Re: Remise en état circuit électrique Land Rover 90
Je viens d'aller voir en fait il s'agit du connecteur de droite sur ta photo: le 3 sur la photo 3) je croyait que ta photo était prise tel que monté dans le compartiment moteur mais en fait c'est inversé. Tu as déjà tout détaillé en 7) ce n'est que pour des options dont le frein a main et c'est sur ce connecteur que je vais connecter le fil vert pour aller au contacteur de marche AR.L0L0 a écrit :T'es sûr ? Le connecteur 1) photo3), c'est le connecteur du faisceau du compartiment moteur, et il n'y a pas de fil vert, et encore moins quoique ce soit qui aille au contacteur de marche arrière au départ de ce connecteur.
Pour le ventilateur d'habitacle, j'avais cherché sur le forum en vain mais avec le mot clé qui va bien ça va beaucoup mieux: soufflerie!
Merci pour toutes ces infos détaillés!!
- LØLØ
- Modérateur
- Messages : 6210
- Enregistré le : 30/07/2006 15:41
- Localisation : guainville (28 )
- Contact :
Re: Remise en état circuit électrique Land Rover 90
Salut,Titeuf44 a écrit :Tu as déjà tout détaillé en 7) ce n'est que pour des options dont le frein a main et c'est sur ce connecteur que je vais connecter le fil vert pour aller au contacteur de marche AR.
Pour le feu de recul, vois ce thème: contacteur feux de recul Tu peux directement aller à la page 4 pour gagner du temps si tu es pressé. Elle bel exemple d’abandon par forfait de la part de pich, on ne sais pas ce qu'il advient de la panne de son feu de recul.
A+
2 solutions: la bonne et l'Anglaise
LUCAS: Il n'y a pas de contact où il le faut et il y en a un où il ne faut pas
On ne peut aller loin en amitié, si on n'est pas disposé à se pardonner les uns aux autres les petits défauts.
www.eternal-vehicles.fr
LUCAS: Il n'y a pas de contact où il le faut et il y en a un où il ne faut pas
On ne peut aller loin en amitié, si on n'est pas disposé à se pardonner les uns aux autres les petits défauts.
www.eternal-vehicles.fr
-
Titeuf44
- Habitué
- Messages : 83
- Enregistré le : 08/06/2015 21:26
- Localisation : Savenay - Loire Atlantique
Re: Remise en état circuit électrique Land Rover 90
J'ai remonté un switch neuf sur la boîte pour le feu de recul et retiré deux câbles neufs jusqu'au compartiment moteur. J'attends ma commande de cosses pour les raccorder. Pour mon ventilo, j'ai fait les essais petite et grande vitesse comme expliqué sur le forum la PV ne fonctionne pas cela viens du moteur. Je vais passer le contrôle technique (j'ai acheté ce Land sans CT depuis plus d'un an!) pour voir si j'ai loupé des choses. Je reviendrai ensuite sur le ventilo.
- LØLØ
- Modérateur
- Messages : 6210
- Enregistré le : 30/07/2006 15:41
- Localisation : guainville (28 )
- Contact :
Re: Remise en état circuit électrique Land Rover 90
Salut,Titeuf44 a écrit : la PV ne fonctionne pas cela viens du moteur.
Non le moteur n'a pas de problème, cela vient soit du levier de commande, soit de la gros résistance.
A+
2 solutions: la bonne et l'Anglaise
LUCAS: Il n'y a pas de contact où il le faut et il y en a un où il ne faut pas
On ne peut aller loin en amitié, si on n'est pas disposé à se pardonner les uns aux autres les petits défauts.
www.eternal-vehicles.fr
LUCAS: Il n'y a pas de contact où il le faut et il y en a un où il ne faut pas
On ne peut aller loin en amitié, si on n'est pas disposé à se pardonner les uns aux autres les petits défauts.
www.eternal-vehicles.fr
-
Titeuf44
- Habitué
- Messages : 83
- Enregistré le : 08/06/2015 21:26
- Localisation : Savenay - Loire Atlantique
Re: Remise en état circuit électrique Land Rover 90
Je vais jeter un coup d'oeil à cette petite...
Merci!
Merci!
-
Titeuf44
- Habitué
- Messages : 83
- Enregistré le : 08/06/2015 21:26
- Localisation : Savenay - Loire Atlantique
Re: Remise en état circuit électrique Land Rover 90
Je suis passé au plan B une résistance de 68 ohms 10W:L0L0 a écrit :Arg! j'en est mesurée une autre sur un faisceau d'occase ce week-end à Landelles, elle faisait 95 Ω. Je pense qu'un Watt c'est petit, elle risque de chauffer et de te fondre le support.
- LØLØ
- Modérateur
- Messages : 6210
- Enregistré le : 30/07/2006 15:41
- Localisation : guainville (28 )
- Contact :
Re: Remise en état circuit électrique Land Rover 90
Salut,Titeuf44 a écrit :Je suis passé au plan B une résistance de 68 ohms 10W:L0L0 a écrit :Arg! j'en est mesurée une autre sur un faisceau d'occase ce week-end à Landelles, elle faisait 95 Ω. Je pense qu'un Watt c'est petit, elle risque de chauffer et de te fondre le support.
Ah ouais! Bon là plus de problème.
Est ce que ton voyant de charge fonctionne correctement ?
La tension aux bornes de la batterie moteur tournant est de combien ?
A+
2 solutions: la bonne et l'Anglaise
LUCAS: Il n'y a pas de contact où il le faut et il y en a un où il ne faut pas
On ne peut aller loin en amitié, si on n'est pas disposé à se pardonner les uns aux autres les petits défauts.
www.eternal-vehicles.fr
LUCAS: Il n'y a pas de contact où il le faut et il y en a un où il ne faut pas
On ne peut aller loin en amitié, si on n'est pas disposé à se pardonner les uns aux autres les petits défauts.
www.eternal-vehicles.fr
-
Titeuf44
- Habitué
- Messages : 83
- Enregistré le : 08/06/2015 21:26
- Localisation : Savenay - Loire Atlantique
Re: Remise en état circuit électrique Land Rover 90
Je n'ai pas encore démarré le moteur car j'ai enlevé le bouchon que j'ai trouvé à la place de la sonde de température d'eau montée sur la culasse. Le moteur est donc hors d'eau. Je n'arrive pas à trouver le foutu adaptateur pour la sonde j'ai essayé chez 2 revendeurs de pièces land + chez LR à chaque fois l'adaptateur proposé ne va pas. On ma proposé un de 2,5TD mais il ne va pas (pas le même filetage) puis un de Série 3 qui ne va pas non plus. J’abandonne, je vais faire fabriquer cet adaptateur. Je vous ferai un retour quand au valeur relevés.
- LØLØ
- Modérateur
- Messages : 6210
- Enregistré le : 30/07/2006 15:41
- Localisation : guainville (28 )
- Contact :
Re: Remise en état circuit électrique Land Rover 90
Salur,
Vas au rayon plomberie et bouche le trou avec un bouchon, c'est du standard plomberie au moins pour faire les essais.
A+
Vas au rayon plomberie et bouche le trou avec un bouchon, c'est du standard plomberie au moins pour faire les essais.
A+
2 solutions: la bonne et l'Anglaise
LUCAS: Il n'y a pas de contact où il le faut et il y en a un où il ne faut pas
On ne peut aller loin en amitié, si on n'est pas disposé à se pardonner les uns aux autres les petits défauts.
www.eternal-vehicles.fr
LUCAS: Il n'y a pas de contact où il le faut et il y en a un où il ne faut pas
On ne peut aller loin en amitié, si on n'est pas disposé à se pardonner les uns aux autres les petits défauts.
www.eternal-vehicles.fr
-
Titeuf44
- Habitué
- Messages : 83
- Enregistré le : 08/06/2015 21:26
- Localisation : Savenay - Loire Atlantique
Re: Remise en état circuit électrique Land Rover 90
J'ai démarré le moteur hier. Tout fonctionne parfaitement! J'ai eau le problème suivant: Une fois le moteur en marche les jauges tombent à 0 et l'alternateur ne charge pas. Le problème venait du contacteur du neiman. Il faut l'accompagner en arrière en position 1. J'ai fait un essai routier aussi (le premier depuis l'acquisition). ça à l'air OK. Je vais refaire un tour ce soir et vérifier le serrage de mes roulements de roue (car j'ai démonté les roulements arrière et remplacé l'ensemble fusée roulement à l'avant). J'ai une fuite d'huile au niveau du filtre à huile. Je dois faire la vidange de toute façon... Prochaine étape: Le contrôle technique!