relais de démarreur Disco 200tdi
Règles du forum
En naviguant sur le site http://www.landroverfaq.com vous reconnaissez avoir lu ses Conditions d’Utilisation, vous déclarez les comprendre et vous acceptez d’y être lié de manière inconditionnelle. Si tel n'est pas le cas, merci de quitter immédiatement ce site.
Vous pouvez joindre autant d'images que nécessaire à vos messages A LA CONDITION EXPRESSE d'utiliser l'hébergement fourni par le site.
L'administrateur effacera systématiquement tout message contenant des photos hébergées chez Imageschack, Casimage, Wistiti ou tout autre hébergeur tiers sans sommation ni justification.
En naviguant sur le site http://www.landroverfaq.com vous reconnaissez avoir lu ses Conditions d’Utilisation, vous déclarez les comprendre et vous acceptez d’y être lié de manière inconditionnelle. Si tel n'est pas le cas, merci de quitter immédiatement ce site.
Vous pouvez joindre autant d'images que nécessaire à vos messages A LA CONDITION EXPRESSE d'utiliser l'hébergement fourni par le site.
L'administrateur effacera systématiquement tout message contenant des photos hébergées chez Imageschack, Casimage, Wistiti ou tout autre hébergeur tiers sans sommation ni justification.
relais de démarreur Disco 200tdi
bonjour
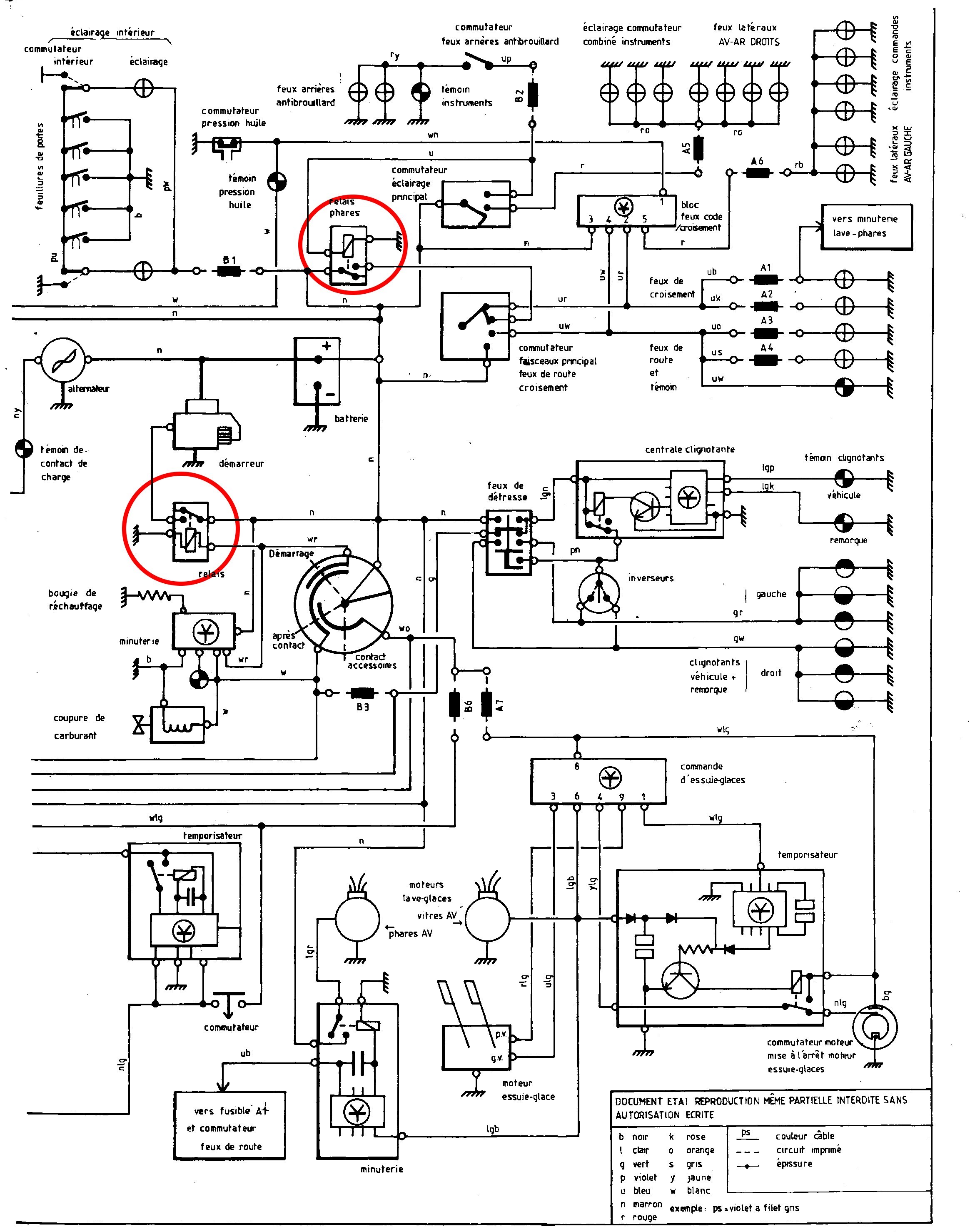
j'ai un soucis de démarrage sur mon disco 200 tdi de 1990 , je soupçonne le relais de démarreur , j'ai regardé derrière le boitier de fusibles je ne trouve qu'un seul relais (HELLA TBB 45 / 2+(6) x 21 W 12 V ) est-ce celui là ou sont les autres ? (pour le préchauffage il est sur le tablier côté moteur )
merci
109
j'ai un soucis de démarrage sur mon disco 200 tdi de 1990 , je soupçonne le relais de démarreur , j'ai regardé derrière le boitier de fusibles je ne trouve qu'un seul relais (HELLA TBB 45 / 2+(6) x 21 W 12 V ) est-ce celui là ou sont les autres ? (pour le préchauffage il est sur le tablier côté moteur )
merci
109
- LØLØ
- Modérateur
- Messages : 6210
- Enregistré le : 30/07/2006 15:41
- Localisation : guainville (28 )
- Contact :
Re: relais de démarreur Disco 200tdi
Salut,109 a écrit :bonjour
j'ai un soucis de démarrage sur mon disco 200 tdi de 1990 , je soupçonne le relais de démarreur , j'ai regardé derrière le boitier de fusibles je ne trouve qu'un seul relais (HELLA TBB 45 / 2+(6) x 21 W 12 V ) est-ce celui là ou sont les autres ?
Non, c'est la centrale clignotante.
Les autres relais sont en bas à gauche dans les pieds du chauffeur, derrière la garniture de l'aile, me semble t-il, les amateurs de disco te répondront plus précisément.
Peut-être, mais en attendant plus de précision, c'est le même que celui là, il est identique sur les def 200tdi. A+(pour le préchauffage il est sur le tablier côté moteur )
2 solutions: la bonne et l'Anglaise
LUCAS: Il n'y a pas de contact où il le faut et il y en a un où il ne faut pas
On ne peut aller loin en amitié, si on n'est pas disposé à se pardonner les uns aux autres les petits défauts.
www.eternal-vehicles.fr
LUCAS: Il n'y a pas de contact où il le faut et il y en a un où il ne faut pas
On ne peut aller loin en amitié, si on n'est pas disposé à se pardonner les uns aux autres les petits défauts.
www.eternal-vehicles.fr
Re: relais de démarreur Disco 200tdi
merci pour l'info
a+
109
a+
109
Modifié en dernier par 109 le 21/07/2016 10:05, modifié 1 fois.
Re: relais de démarreur Disco 200tdi
hello
je viens de regarder et les relais sont bien ou tu m'a indiqué par contre je ne sais pas à quoi ils correspondent : j'en ai 3 identiques ref: 12V 33375j et un ref : PRC6864 quelqu'un a t'il l'info
merci
109
je viens de regarder et les relais sont bien ou tu m'a indiqué par contre je ne sais pas à quoi ils correspondent : j'en ai 3 identiques ref: 12V 33375j et un ref : PRC6864 quelqu'un a t'il l'info
merci
109
Re: relais de démarreur Disco 200tdi
Bonjour,
Sur mon disco, le relais de préchauffage claque dans les pieds du passager. C'est derrière la mème garniture, symétriquement. C'est les pieds du conducteur au pays des Land, en fait.
C'est le relais de préchauffage, et comme je suis pas doué en électricité auto, je ne sais pas si ca va beaucoup te servir pour ton soucis.
Sur mon disco, le relais de préchauffage claque dans les pieds du passager. C'est derrière la mème garniture, symétriquement. C'est les pieds du conducteur au pays des Land, en fait.
C'est le relais de préchauffage, et comme je suis pas doué en électricité auto, je ne sais pas si ca va beaucoup te servir pour ton soucis.
Gemini Powered.
- LØLØ
- Modérateur
- Messages : 6210
- Enregistré le : 30/07/2006 15:41
- Localisation : guainville (28 )
- Contact :
Re: relais de démarreur Disco 200tdi
Salut,109 a écrit :hello
je viens de regarder et les relais sont bien ou tu m'a indiqué par contre je ne sais pas à quoi ils correspondent : j'en ai 3 identiques ref: 12V 33375j
C'est un de ceux la je pense, tu peux les intervertir pour en avoir le cœur net, et tester la fonction qu'il commande respectivement. Un pour la soufflerie de chauffage, un pour les phares, un pour le démarreur. Pour être sûr de tes relais, allume tes phares, enlève le relais qui les commande. Tu le reconnaitra en l'entendant et en mettant les doigts dessus si tu passe de la position veilleuse à phare.
Puis tu tests les deux autres relais sur son emplacement en commutant tes feux pour contrôler leur fonctionnement. Si il est effectivement il y a un en panne, tu mets le relais de soufflerie à la place.
Lui, c'est la temporisation qui permet l'intermittence du balayage des essuies glace. Mais voilà, le plus souvent, pour le genre de symptome que tu exposes, c'est soit le neiman, soit le démarreur, soit les cosses batterie oxydées ou mal serrées. Et bien sûr, il faut vérifier la partie non visible des connexions batterie, c'est à dire sur le démarreur lui même et sur les tresses de masse de la caisse; du châssis et du bloc moteur ( voir liaison entre la boite de transfert et le châssis ); donc démontage ( vis de 13) toilage, graissage, et après on en reparle.et un ref : PRC6864 quelqu'un a t'il l'info
A+
2 solutions: la bonne et l'Anglaise
LUCAS: Il n'y a pas de contact où il le faut et il y en a un où il ne faut pas
On ne peut aller loin en amitié, si on n'est pas disposé à se pardonner les uns aux autres les petits défauts.
www.eternal-vehicles.fr
LUCAS: Il n'y a pas de contact où il le faut et il y en a un où il ne faut pas
On ne peut aller loin en amitié, si on n'est pas disposé à se pardonner les uns aux autres les petits défauts.
www.eternal-vehicles.fr
Re: relais de démarreur Disco 200tdi
bonsoir
j'avais déjà contrôlé les masses , le neiman et le démarreur et c'était toujours pareil , je n'ai pas touché aux relais mais j'ai juste frotté à la toile émeri les gros fusibles 25 et 30 ampères ( ils semblaient être légèrement oxydés et depuis plus de soucis : pourvu que ça dure !!!!!!!!!!!!
a+
109
j'avais déjà contrôlé les masses , le neiman et le démarreur et c'était toujours pareil , je n'ai pas touché aux relais mais j'ai juste frotté à la toile émeri les gros fusibles 25 et 30 ampères ( ils semblaient être légèrement oxydés et depuis plus de soucis : pourvu que ça dure !!!!!!!!!!!!
a+
109