[DEF TD4 2008] Warnings permanents après un choc...(Résolu)

Bidouillages électriques, codes d'erreur ECU...

Modérateurs : The Pater, LØLØ

Règles du forum
En naviguant sur le site http://www.landroverfaq.com vous reconnaissez avoir lu ses Conditions d’Utilisation, vous déclarez les comprendre et vous acceptez d’y être lié de manière inconditionnelle. Si tel n'est pas le cas, merci de quitter immédiatement ce site.

Vous pouvez joindre autant d'images que nécessaire à vos messages A LA CONDITION EXPRESSE d'utiliser l'hébergement fourni par le site.

L'administrateur effacera systématiquement tout message contenant des photos hébergées chez Imageschack, Casimage, Wistiti ou tout autre hébergeur tiers sans sommation ni justification.
Répondre
Avatar du membre
Bougnat-110
Habitué
Messages : 243
Enregistré le : 20/06/2011 21:25
Localisation : ben...Auvergne :-p

[DEF TD4 2008] Warnings permanents après un choc...(Résolu)

Message non lu par Bougnat-110 »

Bonjour les gens,

Bon.... :sm1: :sm1: :sm1: ..ça, c'est fait.

L'histoire : aujourd'hui, grande journée de plantage de piquets dans un pré. Tout se passe bien. On fini le boulot, je repars dans le pré pour ramasser les piquets surnuméraires. je passe à travers un bosquet de grande herbes....qui cachaient un :sm4: de :mouche: de :evil: de rocher, avec un beau trou en même temps. Bref, le DEF tape violemment. Et là...les warnings qui se mettent en marche tout seuls. Je précise que j'avais ma remorque attelée et branchée. POur info : le def a tapé juste au niveau de la traverse qui passe sous la boite de tranfert. Elle est BIEN tordue (pliée, mais ne touche pas la BT - ou BV ?)
Le bouton de commandes des warnings reste inopérant (ça les active et ça met un peu la panique, c'est tout). Je débranche la remorque : idem.
J'arrête le moteur : les warnings restent.
Je tente de verrouiller le véhicule à la télécommande : rien à faire (rien ne se passe)
Je débranche la batterie une mn ou deux. Je rebranche : une impulsion dans les moteurs de serrures de portières, et les warnings se remettent en route (en fait, si j'ai verrouillé les portières manuellement, ça me les re-ouvrent toutes)
Je redémarre le DEF sans problèmes. LEs autres feux fonctionnent normalement (sauf si je met un clignot à D ou à G : ça allume le clignot en permamence : en fait, il clignote faiblement sur un simple changement d'intensité lumineuse).
J'ai roulé avec depuis sans soucis (mais avec les warnings), et je suis obligé de refermer à la clé (mécaniquement) la portière (en fait....toutes les portières). + Chaque fois que je me gare quelque part, je dois débrancher la batterie si je veux pas vider la batterie.

Je n'ai pas osé faire le code mécanique de l'antidémarrage (car je peux démarrer sans problèmes). faut-il tenter ?

J'ai vérifié que les fusibles étaient bien tous engagés (le choc aurait pu en faire descendre un) : RAS (sous le siège passage et sous le tableau de bord).

Je pige pas le lien entre le choc et le soucis électrique, mais ça a été quasi-simultané. Je n'ai pas vu de faisceau électrique à proximité de la traverse qui a mangé du rocher.

Donc, gentil forum, je m'en remet à ton expertise.
J'ai prévu d'aller direct chez LR demain (car après je suis coincé tous les jours). Mais j'aimerai éviter le coup de fusil. Ce def est mon véhicule de tous les jours. :(
Merci de votre aide.

:sm6:
Modifié en dernier par Bougnat-110 le 06/09/2016 0:45, modifié 1 fois.
Comme le dit si bien Victor Urgo : "Qui pense...ment !" :lol:
Avatar du membre
LØLØ
Modérateur
Messages : 6210
Enregistré le : 30/07/2006 15:41
Localisation : guainville (28 )
Contact :

Re: [DEF TD4 2008] Warnings permanents après un choc...

Message non lu par LØLØ »

Salut,
Est ce que ton alarme fonctionne normalement ? C'est à dire est ce que la sirène sonne normalement, ou a t-elle été neutralisé par le passé ?
Peut-être qu'un capteur d'ouvrant ( capot ou porte ), ou volumétrique décroché, ou transpondeur de clef suite au choc active l'alarme.
Je ne pense pas qu'il y ai un rapport avec, mais le capteur a inertie ne s'est pas déclenché ?
Je pense plus à un problème lié au système d'alarme, plutôt qu'un problème lié au circuit des clignotants qui comprend le commodo; le bouton de warning et la centrale.
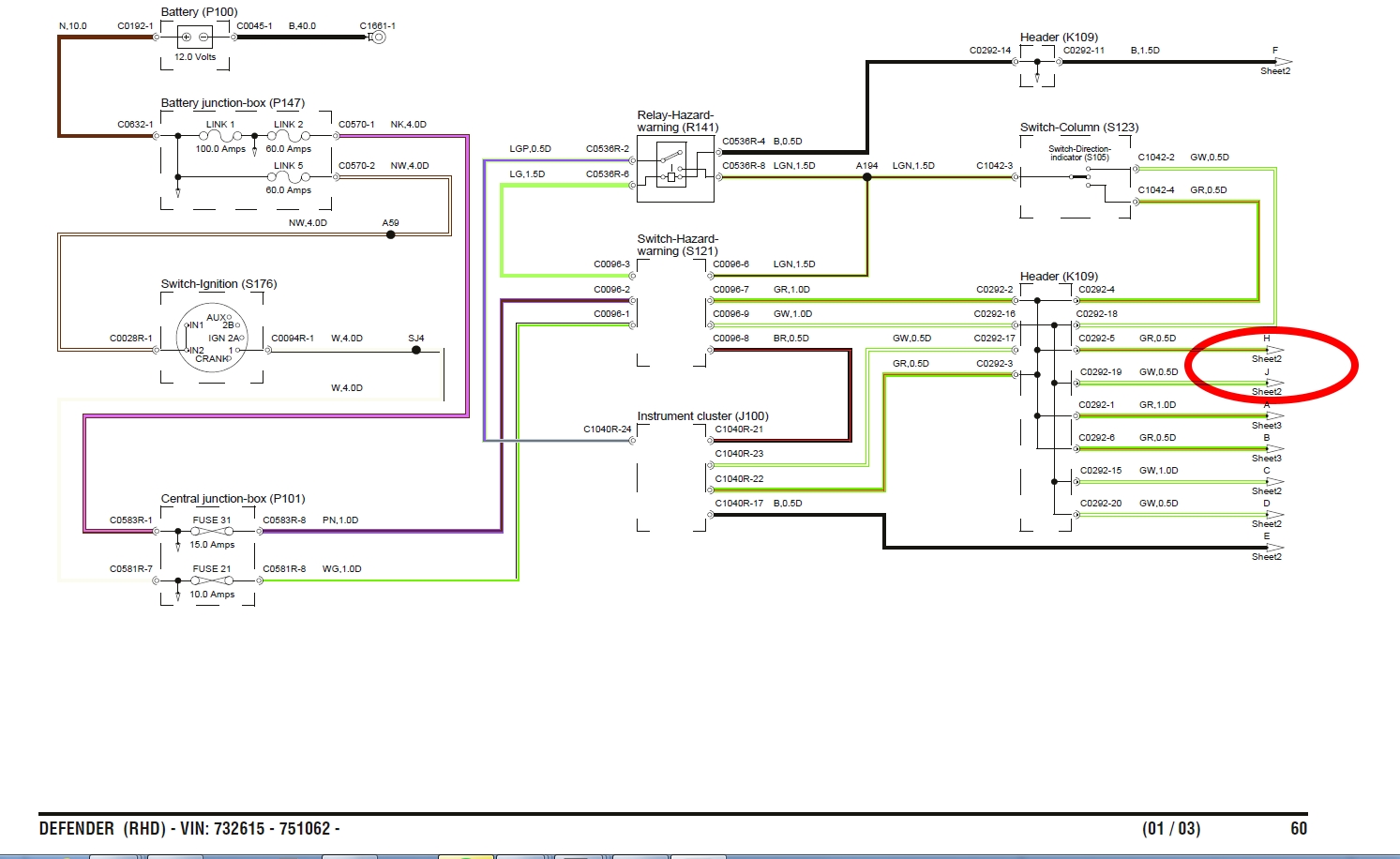
Comme tu peux le voir sur le schéma des clignotants, l'alarme les commande aussi, et comme lorsque tu touches l'un des éléments de commande cela à une influence, j'en déduit que c'est l'alarme qui a défaut car la double commande rend aberrent le clignotement des feux.
commande clignotant alarme colombin.jpg
commande clignotement alarme TD4 colombin.jpg
Comme tu peux le voir, sur le schéma de l'alarme, c'est elle qui commande le clignotement indépendamment de la centrale, et pas à la même cadence d’ailleurs. Cette commande est séparée pour le coté gauche et le droit, pas besoin du bouton de warning pour les réunir donc. Si les deux coté clignote sans activer le bouton de warning, c'est bien la centrale qui délire, pour une raison ou une autre. Connecteurs, problème sur l'un de ses capteurs... Essais d'ouvrir et fermer tous les portes et le capot.
Comment réagi l'extinction automatique retardé des plafonniers ?
Comment fonctionne l'ouverture centralisée ?
Les schémas de l'alarme pour nous aider à trouver éventuellement, un élément susceptible d'être défectueux suite à un choc .
alarme TD4 01_03.jpg
alarme TD4 02_03.jpg
alarme TD4 03_03.jpg
A+
2 solutions: la bonne et l'Anglaise
LUCAS: Il n'y a pas de contact où il le faut et il y en a un où il ne faut pas
On ne peut aller loin en amitié, si on n'est pas disposé à se pardonner les uns aux autres les petits défauts.
www.eternal-vehicles.fr
Avatar du membre
Bougnat-110
Habitué
Messages : 243
Enregistré le : 20/06/2011 21:25
Localisation : ben...Auvergne :-p

Re: [DEF TD4 2008] Warnings permanents après un choc...

Message non lu par Bougnat-110 »

Salut Lolo,
Merci de ta première réponse.
Mon alarme fonctionne normalement (pas de neutralisation).
POur l'instant, je n'ai que la fermeture centralise qui ne marche pas (et les warnings qui, eux, fonctionnent en permanence par contre). Mais quand je coupe la batterie, et que je rebranche, les moteurs des 5 portes fonctionnent car si j'ai verrouillé mécaniquement, le retour du courant réouvre toutes les portes (et active les warnings).

Quand j'active les warnings avec le bouton central du tableau de bord, il me SEMBLE que c'est une autre centrale qui s'active (le tic-tic). Mais pas sûr à 100%.

Demain lundi je controle le capot (pas pensé, mais effectivement avec le choc il a pu rebondir), et les plafonniers. Je reposte demain au plus tôt.
:D
Comme le dit si bien Victor Urgo : "Qui pense...ment !" :lol:
Avatar du membre
torero
Habitué
Messages : 2521
Enregistré le : 26/07/2004 14:49
Localisation : Poulx 30

Re: [DEF TD4 2008] Warnings permanents après un choc...

Message non lu par torero »

Essaye quand même de ré-armer le contacteur à inertie. J'avais eu exactement la même chose sur mon Td5, mais tout était rentré dans l'ordre après quelques minutes contact coupé.
" Quand le sage montre la lune; l'idiot regarde son doigt "
Avatar du membre
Bougnat-110
Habitué
Messages : 243
Enregistré le : 20/06/2011 21:25
Localisation : ben...Auvergne :-p

Re: [DEF TD4 2008] Warnings permanents après un choc...

Message non lu par Bougnat-110 »

C'est quoi réarmer le contacteur à inertie ? rentrer le code alarme à la clé de contact ?
*
Edit : ok j'ai lu un peu sur le web. Mais je le trouve pas (rien vu de ressemblant sur le tablier, ni sous le siège passager). Sur le TD4, où est-ce qu'ils l'ont planqué ? La concession que j'ai eue au téléphone (et qui ne peut pas me prendre même pour passer un coup de valise...) a évoqué un contacteur intégré au boitier alarme.
Comme le dit si bien Victor Urgo : "Qui pense...ment !" :lol:
Avatar du membre
Bougnat-110
Habitué
Messages : 243
Enregistré le : 20/06/2011 21:25
Localisation : ben...Auvergne :-p

Re: [DEF TD4 2008] Warnings permanents après un choc...

Message non lu par Bougnat-110 »

Des nouvelles :
En mettant mon boitier EML (sur la prise ODB) pour voir les éventuels codes (mon boitier n'a rien détecté mais il ne va pas loin dans la lecture des codes), la manipulation du contacteur a stoppé le clignotement des feux de position (!!??).
Le moteur démarre toujours, mais je n'ai toujours pas de verrouillage centralisé (au plip ou à la clé sur la serrure chauffeur). Autre chose aussi : le témoin de l'alarme au tableau de bord reste désormais éteint (donc je pense que l'alarme s'est mise "off", mais du coup me laisse sans verouillage centralisé).
J'ai rdv chez mon garagiste habituel pour passer un coup de valise, sauf si d'ici là ça évolue encore (news sur ce forum, ou changements sur le def que je vais aller tester en roulant un peu).

A+
Comme le dit si bien Victor Urgo : "Qui pense...ment !" :lol:
Avatar du membre
Bougnat-110
Habitué
Messages : 243
Enregistré le : 20/06/2011 21:25
Localisation : ben...Auvergne :-p

Re: [DEF TD4 2008] Warnings permanents après un choc...

Message non lu par Bougnat-110 »

Bon...on ne saura pas ce qu'il s'est passé.
Par acquis de conscience, je suis allé faire un tour. Au cours des 800m que j'ai fait, j'ai passé un ralentisseur (volontairement à vitesse un peu "soutenue"). De retour, tout marche normalement (plus de warnings et le verouillage centralisé fonctionne normalement, voyant d'alarme à nouveau actif).

C'est susceptible ces petites bêtes.... :roll:

En tous cas merci pour tout, à tous. :sm6:
LOLO, j'ai encore glané grâce à toi quelques infos sur mon circuit électrique :wink: .

Si j'ai plus d'info un jour sur ce qui a pu se passer, je reviendrais le préciser ici.
:)
Comme le dit si bien Victor Urgo : "Qui pense...ment !" :lol:
Avatar du membre
LØLØ
Modérateur
Messages : 6210
Enregistré le : 30/07/2006 15:41
Localisation : guainville (28 )
Contact :

Re: [DEF TD4 2008] Warnings permanents après un choc...

Message non lu par LØLØ »

Salut,
Au cas où cela se reproduise, tu peux toujours essayer d'effectuer un hard reset, en reliant les deux cosses de batterie entre elles 1 mn , batterie déconnecter bien sûr.
Un court-circuit momentané avec le choc ou capteur dans le lot et qui a fait "beuguer" informatiquement le boitier d'alarme:
boitier d'alarme TD4 détail.jpg
A+
2 solutions: la bonne et l'Anglaise
LUCAS: Il n'y a pas de contact où il le faut et il y en a un où il ne faut pas
On ne peut aller loin en amitié, si on n'est pas disposé à se pardonner les uns aux autres les petits défauts.
www.eternal-vehicles.fr
Avatar du membre
Bougnat-110
Habitué
Messages : 243
Enregistré le : 20/06/2011 21:25
Localisation : ben...Auvergne :-p

Re: [DEF TD4 2008] Warnings permanents après un choc...

Message non lu par Bougnat-110 »

Ok. Merci LOLO. :P
Comme le dit si bien Victor Urgo : "Qui pense...ment !" :lol:
Avatar du membre
Carbu
Habitué
Messages : 1010
Enregistré le : 24/09/2004 8:33
Localisation : BW (Belgique)

Re: [DEF TD4 2008] Warnings permanents après un choc...(Réso

Message non lu par Carbu »

J'ai eu exactement la même chose sur mon td5 l'année dernière... (bruit différent entre les warning, et les clignotements permanents)

Loin de chez moi, pas osé jouer avec le Nanocom...
J'ai manipulé le bouton à inertie quelques fois, sans vraiment de succès... puis à un moment tout est rentré dans l'ordre !!! :sm1:
RR (ab)user ;-)
Avatar du membre
LØLØ
Modérateur
Messages : 6210
Enregistré le : 30/07/2006 15:41
Localisation : guainville (28 )
Contact :

Re: [DEF TD4 2008] Warnings permanents après un choc...(Réso

Message non lu par LØLØ »

Salut, sur le TD5, il y a le bouton à inertie contre le tablier coté moteur, par contre sur les TD4 de première génération, ils l'ont supprimé, puis remis sur les derniers. En fait sur les TD4 le "Tilt" si je puis dire serait dans le boitier d'alarme vert. Si tu le démonte avec la batterie branchée, en le manipulant, tu peux déclencher les warnings, mais suivant un rythme légèrement différent de celui de la centrale clignotante.
De la à dire que c'est "résolu", c'est un bien grand mot, ou alors, on coupe les deux fils, vert liseré blanc et vert liseré rouge respectivement sur la broche 1 et 6 du connecteur vert de la centrale, et le tour est joué, cela ne clignotera plus jamais de façon intempestive.
A+
2 solutions: la bonne et l'Anglaise
LUCAS: Il n'y a pas de contact où il le faut et il y en a un où il ne faut pas
On ne peut aller loin en amitié, si on n'est pas disposé à se pardonner les uns aux autres les petits défauts.
www.eternal-vehicles.fr
Avatar du membre
Bougnat-110
Habitué
Messages : 243
Enregistré le : 20/06/2011 21:25
Localisation : ben...Auvergne :-p

Re: [DEF TD4 2008] Warnings permanents après un choc...(Réso

Message non lu par Bougnat-110 »

Oui quand je dis "résolu" c'est pour ne pas focaliser sur ce topic. C'est sûr qu'en cas de choc similaire ça peut se reproduire.
Dans le cas présent, je n'avais pas que les warnings, mais aussi plus de verrouillage centralisé et aussi plus d'alarme du tout à un moment donné.
J'ai eu de la chance que l'antidémarrage ne se retrouve pas activé dans le lot !

Je note la manip des fils à couper. pas de risque de fâcher l'alarme et de bloquer l'antidémarrage actif en faisant ça ? (je suppose que tu as épluché les plans ! :mrgreen: )

encore merci :D

EDIT : sur le boitier : quelqu'un sait-il si on peut l'ouvrir (je vois des clips sur la photo de LOLO) et réactiver le capteur à inertie à l'intérieur ?
Comme le dit si bien Victor Urgo : "Qui pense...ment !" :lol:
Avatar du membre
LØLØ
Modérateur
Messages : 6210
Enregistré le : 30/07/2006 15:41
Localisation : guainville (28 )
Contact :

Re: [DEF TD4 2008] Warnings permanents après un choc...(Réso

Message non lu par LØLØ »

Bougnat-110 a écrit :Oui quand je dis "résolu" c'est pour ne pas focaliser sur ce topic.
Salut,
Souvent on a un même effet pour des causes différentes.
Je note la manip des fils à couper. pas de risque de fâcher l'alarme et de bloquer l'antidémarrage actif en faisant ça ?
Dans le temps, sur les premiers systèmes d'alarme, les voleurs court-circuitaient une ampoule de clignotant, puis déclenchaient l'alarme, et le boitier grillait. :mrgreen:
Donc limite tu te protèges, tu peux mettre une lampe ou un gyrophare sur le toit du land commandé par ces broches si tu tiens a une localisation visuelle d'activation ou de vol.
sur le boitier : quelqu'un sait-il si on peut l'ouvrir (je vois des clips sur la photo de LOLO) et réactiver le capteur à inertie à l'intérieur ?
Non, ce n'est pas la peine, c'est un composant qui se réarme électroniquement, genre mma7361 ou autre, la preuve ton problème est passé, après plusieurs manipulation électrique.
A+
2 solutions: la bonne et l'Anglaise
LUCAS: Il n'y a pas de contact où il le faut et il y en a un où il ne faut pas
On ne peut aller loin en amitié, si on n'est pas disposé à se pardonner les uns aux autres les petits défauts.
www.eternal-vehicles.fr
Répondre

Retourner vers « Electricité • Electronique »