Problème Land Rover Discovery 1 de 1997

Tout ce qui touche à l'alimentation en carburant, réservoir, pompe à essence...

Modérateurs : The Pater, LØLØ

Règles du forum
En naviguant sur le site http://www.landroverfaq.com vous reconnaissez avoir lu ses Conditions d’Utilisation, vous déclarez les comprendre et vous acceptez d’y être lié de manière inconditionnelle. Si tel n'est pas le cas, merci de quitter immédiatement ce site.

Vous pouvez joindre autant d'images que nécessaire à vos messages A LA CONDITION EXPRESSE d'utiliser l'hébergement fourni par le site.

L'administrateur effacera systématiquement tout message contenant des photos hébergées chez Imageschack, Casimage, Wistiti ou tout autre hébergeur tiers sans sommation ni justification.
Romy
Messages : 11
Enregistré le : 14/10/2016 11:17

Problème Land Rover Discovery 1 de 1997

Message non lu par Romy »

Bonjour à tous,

Je poste cet article avec l'espoir que quelqu'un chez vous saura m'aider à trouver la solution à mon problème!

Voici l’historique de mon problème.

J'achète en septembre 2014 un Discovery 1 de 1997, conduite à droite. Véhicule très propre, toutes options, je suis content :)

Il y a plusieurs mois, la voiture a calée sur la route et le moteur repartait mais quand j'essayais d'accélérer en passant la vitesse, elle n'avançait plus.... j'ai attendu 15 minutes pour laisser refroidir et j'ai pu la ramener à la maison (à 100 mètres du lieu de la panne)... Depuis je ne l'ai plus retouché et hier j'ai décidé de voir et elle tourne normalement et les vitesses passent bien.. j'ai fait plusieurs tours de mon champs, la voiture n'a pas calée mais je sais que si je fais de la distance, elle va caler à nouveau .... On m'a parlé d'embrayage mais c'est peu probable car la pédale est bien dure et les rapports passent tranquillement .... d'autres me disent que le calage moteur à chaud pourrait être dû a l'injection ( injecteur ? pompe injection ? pompe gavage?turbo? prise d'air ? ...etc )
- non prise de la vitesse pourtant enclenché > t boite différentiel ?

Etant tombé en panne à plusieurs reprises (le véhicule perd en puissance, il ne monte pas dans les tours et cale.

J'ai donc amené mon Land dans un garage spécialisé (ALL ROAD VILLAGE) prés de Marseille.

Ils sont tombés plusieurs fois en panne et ne comprenaient pas, remplaçant tous les filtres, faisant la vidange, changeant la pompe d'alimentation gasoil mais le problème revenait... la voiture roulait puis perte de puissance, ne monte plus dans le tours et cale... Ils sont devenus fous (ils l'ont gardé 2 mois)...

Au final, ils ont regardé du coté du réservoir... il y avait un bout de chatterton qui, semble t'il, obstruait le passage... Ils l'ont retiré (le réservoir semblait propre dans l'ensemble) puis le problème s'est résolu de lui-même. J'ai été surpris qu'un simple bout de chatterton (d'à peine 1 cm soit à l'origine du problème)... j'ai récupéré la voiture, j'ai fait 1000 kms avec (je roule peu), autoroute etc: NICKEL.... puis vendredi dernier, je rentre la nuit du resto avec ma femme et en arrivant sur mon chemin de campagne qui monte chez moi (j'avais fait 100 kms dans la journée et la voiture garée près du resto a eu donc le temps de bien refroidir pendant 2 heures), le véhicule perd de la puissance sur la montée et ne veut plus monter dans les tours.... En revanche, contrairement à avant, il ne cale pas. Je suis devenu dingue! Impossible de le faire monter.... j'ai mis une marche arrière, il a trouvé la puissance pour reculer (bizarre) et je me suis garé sur le bas côté.... Le lendemain matin, je prends la voiture et à froid elle marche nickel! J'ai pu la garer chez moi...

Du coup, depuis, j'ai fait des tas de tours de champs avec pour voir s'il allait à nouveau caler et plus rien... mais j'ai peur de le reprendre sur route ou autoroute car s'il me fait la même chose que sur mon chemin l'autre nuit, ça peut être dangereux et je ne veux pas me faire tamponner par des voitures derrière moi.... J'ai appelé le garage, j'ai bien gueulé mais ils ont l'air complètement dépassé... j'ai contacté 3 garages, personne ne sait ce que ca peut être... c'est du domaine du mystère! .... Certains me disent: ca peut être une bulle d'air... ca peut être le filtre encrassé (je l'ai changé il y a un mois), ca peut être le réservoir qui est sale (on l'avait controlé)... à moins qu'il y ait eu d'autres débris dans la cuve du reservoir? A noter que j'étais au 3/4 du plein, donc très étrange... Cela peut il être la pompe à injection?..prise d'air, quelque chose qui obstrue? y a t’il un décanteur? s’il n’a pas été nettoyé ca peut être ça me dit on?

Je n'y comprends plus rien.. j'ai mis 2000 euros de révision et le problème est revenu. Je suis fou! Quelqu'un peut il me venir en aide.. les garages ne sont là que pour prendre du fric et ne savent pas quel est le problème... j'ai pas envie de me faire prendre encore du fric pour rien... d'avance merci à tous pour votre aide.

Je suis limite à vouloir mettre la voiture contre un arbre.
phelippeau patrice
Habitué
Messages : 181
Enregistré le : 21/09/2012 19:30
Localisation : Charente maritime

Re: Problème Land Rover Discovery 1 de 1997

Message non lu par phelippeau patrice »

Salut
tu n'as pas un pre filtre a la sortie du reservoir ?
disco 200 tdi >270mkns
Romy
Messages : 11
Enregistré le : 14/10/2016 11:17

Re: Problème Land Rover Discovery 1 de 1997

Message non lu par Romy »

Aucune idée!
disco daidy
Habitué
Messages : 130
Enregistré le : 24/10/2009 16:55
Localisation : ex DISCO TD5 BVA 02 et disco TD5 BVM prépa ballade TT de 00 17137 Nieul sur Mer

Re: Problème Land Rover Discovery 1 de 1997

Message non lu par disco daidy »

je serai de toi j'irai voir l'intérieur de mon réservoir, pour la simple et bonne raison que j'ai un copain qui sur un def 130 td5 a eu le meme cas, il faisait 7-8 kms à froid comme à chaud et le véhicule calait avec perte de puissance, il l'a emmené chez un copain mécano, aprés plusieurs essais et filtre GO changé il recommençait, sur le td5 c'est une pompe électrique, à chaque fois aprés calage, on avait l'impression qu'elle forçait, on a démonté toute la tuyauterie, support de filtre et rien! par contre quand on a sortie le réservoir et la pompe au fond du réservoir sur 1 cms de hauteur une espèce de boue visqueuse noire comme du goudron devait obstrué le tamis de la pompe!
on a tout nettoyé, au diluant, soufflé les durites, filtre GO neuf et le def aujourd'hui tourne comme une horloge!!!!!
Romy
Messages : 11
Enregistré le : 14/10/2016 11:17

Re: Problème Land Rover Discovery 1 de 1997

Message non lu par Romy »

Merci beaucoup pour le conseil! On m'a recommandé un petit artisan spécialisé dans les Land qui a l'air sympa. Je vais lui soumettre l'idée... je te tiendrai au courant, en espérant que ce soit ça...
Avatar du membre
mgf92
Habitué
Messages : 79
Enregistré le : 01/02/2009 15:07

Re: Problème Land Rover Discovery 1 de 1997

Message non lu par mgf92 »

J'ai eu un peu le même soucis, le disco s'effondrait au bout de 100 ou 200 m...J'ai changé la pompe de gavage (pompe manuelle) qui n'a tenue que 10 000 km. ensuite nickel

Alex
Romy
Messages : 11
Enregistré le : 14/10/2016 11:17

Re: Problème Land Rover Discovery 1 de 1997

Message non lu par Romy »

Comment savoir si c'est la pompe de gavage?
Avatar du membre
The Pater
Modérateur
Messages : 13982
Enregistré le : 25/08/2004 8:19
Localisation : 06°27'46"E 45°50'29"N

Re: Problème Land Rover Discovery 1 de 1997

Message non lu par The Pater »

Romy a écrit :Comment savoir si c'est la pompe de gavage?
Tu peux dévisser la vis de purge sur le filtre à gasoil et essayer d'actionner la pompe de gavage manuellement.
Note, si tu as l'impression que cela ne marche pas, tourne le vilebrequin du moteur. Si après deux tours elle ne permets pas d'avoir un petit jet de gasoil, alors elle est peut être la cause.

Autre point à regarder : l'état interne de la durite entre l'intercooler et le collecteur d'admission.
Dans certains cas, la "surface" interne se décolle et bloque l'arrivée d'air.

A+
Ingénieur :
Personne faisant un travail divinatoire de précision basé sur des informations peu fiables données par des personnes peu qualifiées, voire ignorantes.
=>, magicien, devin, sorcier
Romy
Messages : 11
Enregistré le : 14/10/2016 11:17

Re: Problème Land Rover Discovery 1 de 1997

Message non lu par Romy »

Merci!
tippie
Habitué
Messages : 98
Enregistré le : 10/03/2009 22:28

Re: Problème Land Rover Discovery 1 de 1997

Message non lu par tippie »

Salut a tous
Normalement sur le disco tu as un pré filtre sur le châssis a l’arrière droit s"il n'a jamais été nettoyé commence par ça .
Cordialement
Romy
Messages : 11
Enregistré le : 14/10/2016 11:17

Re: Problème Land Rover Discovery 1 de 1997

Message non lu par Romy »

merci à tous!
Avatar du membre
nanard833
Habitué
Messages : 3989
Enregistré le : 10/10/2009 20:18
Localisation : disco 300TDI 431000 bornes

Re: Problème Land Rover Discovery 1 de 1997

Message non lu par nanard833 »

Romy a écrit :changeant la pompe d'alimentation gasoil mais le problème revenait...
Romy a écrit :Comment savoir si c'est la pompe de gavage?
Salut,
Au final, elle a été changé ou pas cette pompe? :wink:

as tu regardé sous la voiture, côté droit, devant le réservoir, entre le châssis et le Aframe si tu as le décanteur ?
Photo0651.jpg
Photo0648M.jpg
Photo0644.jpg
Photo0642.jpg
Photo0638.jpg
Tu peux trouver pas mal de choses dans ce truc, eau, merdouilles en tout genre.

Dans un premier temps, il suffit de desserrer le bouchon blanc en plastoc mais il peut être grippé et casser si tu y forces trop dessus...

Quand tu desserres le bouchon du réservoir, entends tu une aspiration ? Dans ce cas ta mise à l'air du bouchon est bouchée :mrgreen: tu peux le desserrer un peu et rouler comme ça en attendant d'en trouver un neuf.

A+
Gratter la botte ne soulage guère quand ça démange à l'intérieur (proverbe chinois)
Romy
Messages : 11
Enregistré le : 14/10/2016 11:17

Re: Problème Land Rover Discovery 1 de 1997

Message non lu par Romy »

Merci beaucoup les gars. Vous êtes vraiment des bons! Je vais transmettre toutes vos suggestions au garagiste qui va prendre en mains ma voiture (je ne bricole pas pour un sous) et je vous dirai ce que c'était au final. En tout cas vous m'avez donné pas mal de pistes. On devrait pouvoir ENFIN résoudre le problème à présent. Merci vous êtes trop forts!!! merci vraiment.

PS: une question toutefois...pourquoi le véhicule ne voulait plus monter dans les tours et le lendemain matin, nickel comme si de rien n'était?.
Avatar du membre
nanard833
Habitué
Messages : 3989
Enregistré le : 10/10/2009 20:18
Localisation : disco 300TDI 431000 bornes

Re: Problème Land Rover Discovery 1 de 1997

Message non lu par nanard833 »

Romy a écrit :PS: une question toutefois...pourquoi le véhicule ne voulait plus monter dans les tours et le lendemain matin, nickel comme si de rien n'était?.
Les 2 seuls problèmes d'alimentation que j'ai pu avoir sur mon disco se résume à la prise d'air du réservoir de gazole (bouchon remplacé) et à cette pompe de gavage fichue dont voici quelques photos:

la pompe de gavage en pièces
DSCF1225.JPG
le petit clapet qui s'est barré mais pas d'un seul coup ce qui pourrait coller avec ton cas ou le pb ne se manifeste qu'à certains moment puis tout redevient normal
DSCF1226.JPG
l'emplacement du clapet ....
DSCF1227.JPG
le tamis encrassé et les embouts qui peuvent avoir du jeu et créer une prise d'air...
DSCF12331.jpg
Parfois, la membrane est percée, laissant passer le gazole dans le bloc moteur :mrgreen: si c'est le cas chez toi, tu devrais constater une augmentation du niveau d'huile...

si tu changes cette pompe tu résous ces problèmes il te reste le décanteur et la mise à l'air.

Tu peux aussi avoir du jeu dans le palier bronze de l'axe de commande de la pompe à injection qui se traduit par une fuite de gazole mais je n'ai pas constaté de perte de puissance car remplacé à temps dans mon cas, mais tout dépend du taux d'usure, s'il est vraiment usé, ça peut perturber l'alimentation:
Image 065 [800x600].JPG
Gratter la botte ne soulage guère quand ça démange à l'intérieur (proverbe chinois)
Romy
Messages : 11
Enregistré le : 14/10/2016 11:17

Re: Problème Land Rover Discovery 1 de 1997

Message non lu par Romy »

Merci beaucoup!
Avatar du membre
nanard833
Habitué
Messages : 3989
Enregistré le : 10/10/2009 20:18
Localisation : disco 300TDI 431000 bornes

Re: Problème Land Rover Discovery 1 de 1997

Message non lu par nanard833 »

tiens un peu de lecture ici
et là
Gratter la botte ne soulage guère quand ça démange à l'intérieur (proverbe chinois)
CptStarck
Habitué
Messages : 63
Enregistré le : 16/04/2010 10:24

Re: Problème Land Rover Discovery 1 de 1997

Message non lu par CptStarck »

Un problème de mise à l'air du réservoir peut-être...
Avatar du membre
nanard833
Habitué
Messages : 3989
Enregistré le : 10/10/2009 20:18
Localisation : disco 300TDI 431000 bornes

Re: Problème Land Rover Discovery 1 de 1997

Message non lu par nanard833 »

CptStarck a écrit :Un problème de mise à l'air du réservoir peut-être...
déjà évoqué plus haut merci :wink:

A+
Gratter la botte ne soulage guère quand ça démange à l'intérieur (proverbe chinois)
Romy
Messages : 11
Enregistré le : 14/10/2016 11:17

Re: Problème Land Rover Discovery 1 de 1997

Message non lu par Romy »

Ma voiture part chez un spécialiste à Lambesc samedi..Je lui ai transmis tous vos messages, on verra bien ce que c'est ... J'espère juste pouvoir après ENFIN PROFITER de mon Land car pour le moment je suis plus écoeuré par cette voiture qu'autre chose... Merci à vous tous en tout cas, vous êtes vraiment au top!
Avatar du membre
nanard833
Habitué
Messages : 3989
Enregistré le : 10/10/2009 20:18
Localisation : disco 300TDI 431000 bornes

Re: Problème Land Rover Discovery 1 de 1997

Message non lu par nanard833 »

Encore quelques petites idées de vérification:

- les durites d'amener de gazole entre le réservoir et la pompe de gavage peuvent parfois se pincer quand l'aspiration est trop forte (mise à l'air du réservoir bouchée ou décanteur colmaté) LØLØ en avait parlé quelque part, ce problème pouvant éventuellement se rajouter à celui de la mise à l'air contenue dans le bouchon lui-même.

- Je n'ai jamais déposé le truc sur mon disco mais je te joins une photo ou la mise à l'air est visible sur un range
100_1780.JPG


D'1 côté on distingue une durite repiquée sur la descente de remplissage qui remonte assez haut dans l'aile et se termine par un bocal (filtre?) Je pense qu'elle favorise le dégazage lors du remplissage de gazole.


De l'autre on distingue une boite en plastique en forme de labyrinthe raccordée à une durite qui part vers le réservoir et se raccorde probablement au dessus de ce dernier au niveau de la crépine/jauge à carburant.

On peut aisément comprendre que de la merdouille puisse perturber l'alimentation de la PI si elle venait à boucher tout ça :mrgreen:

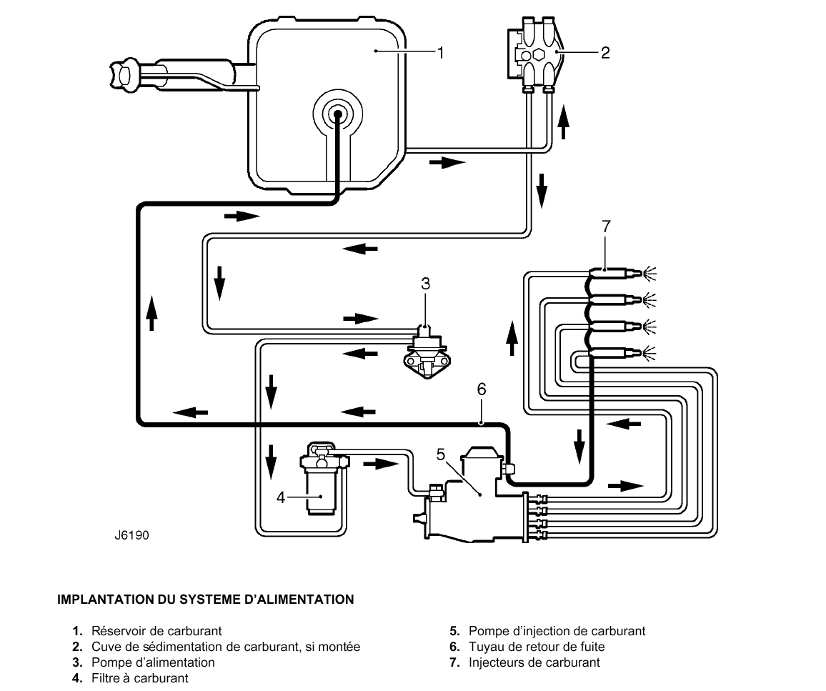
Un petit plan du circuit d'alimentation sur nos cubes où la mise à l'air n'est pas très détaillée
circuit%20de%20gasoil.jpg
hier, une autre idée m'est venue :mrgreen: c'est en parcourant un post de Bricofoy icirepris en partie et majestueusement adapté à nos lands (aspect de la LDA pour nos turbos notamment) par notre ami teuneu :mrgreen: bien connu sur la faqici qu'un détail a retenu mon attention: Le régulateur de pression de la pompe de transfert (partie basse pression de la PI)
régulateur pression transfert PI VE bosh.jpg
.
Il n'est pas totalement illogique de penser à vérifier le tarage/fonctionnement de cette soupape de régulation qui pourrait éventuellement te pourrir la vie compte tenu du fait que pas mal de personnes se sont déjà penché sur ton problème sans le solutionner.

Garder peut-être à l'esprit que même si elles sont très fiables, ces PI peuvent présenter un défaut de fonctionnement, (ressorts, masselottes, clapets, ) et qu'une révision peut s'avérer indispensable si rien d'anormal n'est détecté par ailleurs....

Bon courage et merci de nous tenir au courant
Gratter la botte ne soulage guère quand ça démange à l'intérieur (proverbe chinois)
Répondre

Retourner vers « Alimentation »