La purge ne se fait pas : surchauffe ?!?!?
Règles du forum
En naviguant sur le site http://www.landroverfaq.com vous reconnaissez avoir lu ses Conditions d’Utilisation, vous déclarez les comprendre et vous acceptez d’y être lié de manière inconditionnelle. Si tel n'est pas le cas, merci de quitter immédiatement ce site.
Vous pouvez joindre autant d'images que nécessaire à vos messages A LA CONDITION EXPRESSE d'utiliser l'hébergement fourni par le site.
L'administrateur effacera systématiquement tout message contenant des photos hébergées chez Imageschack, Casimage, Wistiti ou tout autre hébergeur tiers sans sommation ni justification.
En naviguant sur le site http://www.landroverfaq.com vous reconnaissez avoir lu ses Conditions d’Utilisation, vous déclarez les comprendre et vous acceptez d’y être lié de manière inconditionnelle. Si tel n'est pas le cas, merci de quitter immédiatement ce site.
Vous pouvez joindre autant d'images que nécessaire à vos messages A LA CONDITION EXPRESSE d'utiliser l'hébergement fourni par le site.
L'administrateur effacera systématiquement tout message contenant des photos hébergées chez Imageschack, Casimage, Wistiti ou tout autre hébergeur tiers sans sommation ni justification.
La purge ne se fait pas : surchauffe ?!?!?
Salut à tous,
J'ai un gros problème avec mon 300Tdi.
Voici l'histoire : j'avais une fuite au joint pistolet, dont j'ai parlé dans un autre sujet, j'ai donc changé tout ça, y compris la pompe à eau qui suintait un peu.
Le moteur est un bloc neuf (30000 km) qui n'avait jamais chauffé, et la fuite venait très probablement du fait que je n'avais pas connaissance de la "modif Kebir31". Chose corrigée depuis. J'ai aussi soufflé dans le raccord en Y de la purge auto, et il ne semble pas obstrué (30000 km lui aussi...)
J'ai rempli en suivant la procédure du manuel d'atelier (j'ai d'ailleurs trouvé que le liquide "passait mal" au remplissage : c'était lent et je ne me rappelais pas de ça), avec un bon litre en plus dans le vase à la fin et je regarde où en est le niveau.
Petit tour sur la route (une vingtaine de bornes), pas de chauffe à priori, mais, à l'arrêt, lorsque j'ai ouvert le vase, ça a débordé un peu. A froid le lendemain, le niveau n'avait pas baissé par rapport au niveau après remplissage. Je suis un peu étonné, mais bon. Je retire un peu de liquide pour éviter un nouveau débordement, à 1cm au-dessus de la soudure et c'est les congés, fêtes et tout et tout...
Aujourd'hui, je me dis que je vais aller faire un tour pour contrôler cette purge. Départ tranquille, tout est ok a priori. Au bout de 8-10 km, alors que je jette un oeil à la jauge, je la vois en butée à droite !!!!
Grosse panique, obligé de rouler un peu plus (voie unique bordée, du monde derrière) et dès que je peux, arrêt au bord de la route. J'avais un thermomètre laser avec moi, j'ai pris des mesures un peu partout sur le bloc et la culasse, mais je n'ai pas trouvé de températures extérieures supérieures à 95°C (sauf sur le collecteur d'échappement et le turbo, bien sûr). J'ouvre le vase d'expansion et ça déborde encore (pas énorme, mais ça coule). Les durites supérieures ont l'air pleines d'air. J'ouvre le bouchon du boitier de thermostat : vide ! De l'air d'abord, puis du LDR qui arrive un peu du vase. Bon, remorquage jusqu'à la maison pour pas aggraver la situation et, sur le retour, contact mis, la jauge de température d'eau reste bloquée à fond. Elle y est encore, contact mis, moteur froid...
Maintenant, les questions :
- comment savoir si le bloc a souffert ?
- que se passe-t-il ?
- Que dois-je faire avant de tenter une remise en route ?
Je suis un peu perdu, là...
A+, et bonne année à tous !
J'ai un gros problème avec mon 300Tdi.
Voici l'histoire : j'avais une fuite au joint pistolet, dont j'ai parlé dans un autre sujet, j'ai donc changé tout ça, y compris la pompe à eau qui suintait un peu.
Le moteur est un bloc neuf (30000 km) qui n'avait jamais chauffé, et la fuite venait très probablement du fait que je n'avais pas connaissance de la "modif Kebir31". Chose corrigée depuis. J'ai aussi soufflé dans le raccord en Y de la purge auto, et il ne semble pas obstrué (30000 km lui aussi...)
J'ai rempli en suivant la procédure du manuel d'atelier (j'ai d'ailleurs trouvé que le liquide "passait mal" au remplissage : c'était lent et je ne me rappelais pas de ça), avec un bon litre en plus dans le vase à la fin et je regarde où en est le niveau.
Petit tour sur la route (une vingtaine de bornes), pas de chauffe à priori, mais, à l'arrêt, lorsque j'ai ouvert le vase, ça a débordé un peu. A froid le lendemain, le niveau n'avait pas baissé par rapport au niveau après remplissage. Je suis un peu étonné, mais bon. Je retire un peu de liquide pour éviter un nouveau débordement, à 1cm au-dessus de la soudure et c'est les congés, fêtes et tout et tout...
Aujourd'hui, je me dis que je vais aller faire un tour pour contrôler cette purge. Départ tranquille, tout est ok a priori. Au bout de 8-10 km, alors que je jette un oeil à la jauge, je la vois en butée à droite !!!!
Grosse panique, obligé de rouler un peu plus (voie unique bordée, du monde derrière) et dès que je peux, arrêt au bord de la route. J'avais un thermomètre laser avec moi, j'ai pris des mesures un peu partout sur le bloc et la culasse, mais je n'ai pas trouvé de températures extérieures supérieures à 95°C (sauf sur le collecteur d'échappement et le turbo, bien sûr). J'ouvre le vase d'expansion et ça déborde encore (pas énorme, mais ça coule). Les durites supérieures ont l'air pleines d'air. J'ouvre le bouchon du boitier de thermostat : vide ! De l'air d'abord, puis du LDR qui arrive un peu du vase. Bon, remorquage jusqu'à la maison pour pas aggraver la situation et, sur le retour, contact mis, la jauge de température d'eau reste bloquée à fond. Elle y est encore, contact mis, moteur froid...
Maintenant, les questions :
- comment savoir si le bloc a souffert ?
- que se passe-t-il ?
- Que dois-je faire avant de tenter une remise en route ?
Je suis un peu perdu, là...
A+, et bonne année à tous !
- The Pater
- Modérateur
- Messages : 13982
- Enregistré le : 25/08/2004 8:19
- Localisation : 06°27'46"E 45°50'29"N
Re: La purge ne se fait pas : surchauffe ?!?!?
1) Quand tu as remplis par le vase d'expansion, tu avais bien les bouchons du radiateur et du logement du thermostat enlevés ?
2) Si la jauge reste à droite quand le moteur est froid, alors il se peut très bien que tu n'ais jamais eu de surchauffe. c'est peut être qu'un problème électrique de sonde ou de jauge.
A+
2) Si la jauge reste à droite quand le moteur est froid, alors il se peut très bien que tu n'ais jamais eu de surchauffe. c'est peut être qu'un problème électrique de sonde ou de jauge.
A+
Ingénieur :
Personne faisant un travail divinatoire de précision basé sur des informations peu fiables données par des personnes peu qualifiées, voire ignorantes.
=>, magicien, devin, sorcier
Personne faisant un travail divinatoire de précision basé sur des informations peu fiables données par des personnes peu qualifiées, voire ignorantes.
=>, magicien, devin, sorcier
Re: La purge ne se fait pas : surchauffe ?!?!?
Salut Pater,
En fait, le problème principal est le vase qui déborde, et le niveau qui n'a jamais baissé, alors qu'il aurait dû le faire lors du premier redémarrage.
La dilatation du LDR peut être une raison de l'augmentation de volume, mais en temps normal, le niveau ne devrait pas déborder à l'ouverture du vase, non ?
Pourquoi la purge ne se fait-elle pas cette fois ? (à la mise en service du bloc, je n'avais eu aucun soucis...)
A+
Oui, tout comme dit dans le manuel, même si j'ai trouvé que le radiateur ne se remplissait pas bien vite...The Pater a écrit :1) Quand tu as remplis par le vase d'expansion, tu avais bien les bouchons du radiateur et du logement du thermostat enlevés ?
C'est ce que j'espère, mais comment en être sûr ?The Pater a écrit :2) Si la jauge reste à droite quand le moteur est froid, alors il se peut très bien que tu n'ais jamais eu de surchauffe. c'est peut être qu'un problème électrique de sonde ou de jauge.
En fait, le problème principal est le vase qui déborde, et le niveau qui n'a jamais baissé, alors qu'il aurait dû le faire lors du premier redémarrage.
La dilatation du LDR peut être une raison de l'augmentation de volume, mais en temps normal, le niveau ne devrait pas déborder à l'ouverture du vase, non ?
Pourquoi la purge ne se fait-elle pas cette fois ? (à la mise en service du bloc, je n'avais eu aucun soucis...)
A+
- The Pater
- Modérateur
- Messages : 13982
- Enregistré le : 25/08/2004 8:19
- Localisation : 06°27'46"E 45°50'29"N
Re: La purge ne se fait pas : surchauffe ?!?!?
Le radiateur doit normalement se remplir aussi vite que le bloc moteur car la durite principale sous le vase d'expansion va directement se raccorder sur la grosse durite entre le bas du radiateur et la pompe à eau.
Si le radiateur se remplit lentement par rapport au bloc moteur, ou lentement alors que le bloc moteur a déjà partiellement remplit, que tu vois le liquide de refroidissement au niveau du thermostat et pas dans le radiateur, ou un peu après, c'est que ton radiateur est bouché.
Note bien que la purge "automatique" ne se fait pas sur une dizaine de km, mais bien plus.
Pour l'histoire, lors de mon premier remplacement partiel de liquide de refroidissement, le fait d'aller cherche le pain (12 km AR) n'avait presque eu aucun effet sur le niveau dans le vase d'expansion (certes, le liquide s'était dilaté....).
Le jour suivant, après 60 km, moteur froid, il manquait bien 1 litre dans le vase d'expansion. Sueurs froides, j'ai d'abord cru à une fuite.
Les premières actions que je recommenderai :
1) Vidange le radiateur et nettoie au jet d'eau par le haut et vérifiant que le débit de sorti est bon.
2) Pour le remplissage :
Tous les bouchons enlevés, remplir par le haut du radiateur jusqu'à ce qu'il soit remplit à ras bord. Normalement, le vase d'expansion est à niveau ou proche quand le radiateur est rempli complétement.
Mettre les bouchons de vase d'expansion et de radiateur.
Remplir à ras bord le logement du thermostat et mettre le bouchon.Tu seras sûr que la sonde est dans le liquide.
Faire le niveau dans le vase d'expansion si nécessaire, mais ne pas remplir plus.
3) Trouves la raison du fait que la jauge de température reste à droite. Corrige le défaut.
A+
Si le radiateur se remplit lentement par rapport au bloc moteur, ou lentement alors que le bloc moteur a déjà partiellement remplit, que tu vois le liquide de refroidissement au niveau du thermostat et pas dans le radiateur, ou un peu après, c'est que ton radiateur est bouché.
Note bien que la purge "automatique" ne se fait pas sur une dizaine de km, mais bien plus.
Pour l'histoire, lors de mon premier remplacement partiel de liquide de refroidissement, le fait d'aller cherche le pain (12 km AR) n'avait presque eu aucun effet sur le niveau dans le vase d'expansion (certes, le liquide s'était dilaté....).
Le jour suivant, après 60 km, moteur froid, il manquait bien 1 litre dans le vase d'expansion. Sueurs froides, j'ai d'abord cru à une fuite.
Les premières actions que je recommenderai :
1) Vidange le radiateur et nettoie au jet d'eau par le haut et vérifiant que le débit de sorti est bon.
2) Pour le remplissage :
Tous les bouchons enlevés, remplir par le haut du radiateur jusqu'à ce qu'il soit remplit à ras bord. Normalement, le vase d'expansion est à niveau ou proche quand le radiateur est rempli complétement.
Mettre les bouchons de vase d'expansion et de radiateur.
Remplir à ras bord le logement du thermostat et mettre le bouchon.Tu seras sûr que la sonde est dans le liquide.
Faire le niveau dans le vase d'expansion si nécessaire, mais ne pas remplir plus.
3) Trouves la raison du fait que la jauge de température reste à droite. Corrige le défaut.
A+
Ingénieur :
Personne faisant un travail divinatoire de précision basé sur des informations peu fiables données par des personnes peu qualifiées, voire ignorantes.
=>, magicien, devin, sorcier
Personne faisant un travail divinatoire de précision basé sur des informations peu fiables données par des personnes peu qualifiées, voire ignorantes.
=>, magicien, devin, sorcier
Re: La purge ne se fait pas : surchauffe ?!?!?
Ok, je vais essayer comme ça.
Pour la sonde, je vais chercher les valeurs de résistance, mais j'ai aussi retrouvé une inter de Feub, dans un autre thème :
Bon, du travail pour ce WE en perspective...
A+
Pour la sonde, je vais chercher les valeurs de résistance, mais j'ai aussi retrouvé une inter de Feub, dans un autre thème :
C'est peut-être ce qui s'est passé : une mise à la masse quelque part...Feub a écrit : Pour la température, tu peux contrôler le cablage et l'indicateur dans le tableau de bord en mettant le fil de la sonde à la masse (il suffit de toucher le moteur à un endroit conducteur) si ok, avec le contact l'aiguille monte a fond en température.
Bon, du travail pour ce WE en perspective...
A+
- LØLØ
- Modérateur
- Messages : 6210
- Enregistré le : 30/07/2006 15:41
- Localisation : guainville (28 )
- Contact :
Re: La purge ne se fait pas : surchauffe ?!?!?
Salut,The Pater a écrit : 3) Trouves la raison du fait que la jauge de température reste à droite. Corrige le défaut.
Dans un premier temps, tu peux contrôler la valeur Ohmique de la sonde, vois ce thème pour les valeurs: Sonde de température 2.5D
Ensuite, tu peux contrôler la mise à la masse du manomètre de température et le manomètre de température lui même, vois ce thème :
A droite toute mano de jauge à carburant def 200 et plus précisément >là< pour des mesures sur le mano de temperature d'eau
A+
2 solutions: la bonne et l'Anglaise
LUCAS: Il n'y a pas de contact où il le faut et il y en a un où il ne faut pas
On ne peut aller loin en amitié, si on n'est pas disposé à se pardonner les uns aux autres les petits défauts.
www.eternal-vehicles.fr
LUCAS: Il n'y a pas de contact où il le faut et il y en a un où il ne faut pas
On ne peut aller loin en amitié, si on n'est pas disposé à se pardonner les uns aux autres les petits défauts.
www.eternal-vehicles.fr
Re: La purge ne se fait pas : surchauffe ?!?!?
Merci LØLØ pour ces liens, surtout pour les valeurs de résistance car j'ai épluché mes docs et j'ai rien trouvé...
Tant qu'on y est, une question :
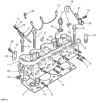
La sonde de température d'eau est la ref AMR3321, pièce n°10 sur le schéma ci-dessous : Correct ?
Alors quelle est l'utilité de la sonde ref ERR2081, pièce n°31 sur ce schéma : C'est aussi une sonde de température d'après les vendeurs du net. Elle sert pour l'EGR ?
(la recherche sur la FAQ ignore les mots de trois caractères apparemment, "EGR" est donc rejeté...)
A+
Tant qu'on y est, une question :
La sonde de température d'eau est la ref AMR3321, pièce n°10 sur le schéma ci-dessous : Correct ?
Alors quelle est l'utilité de la sonde ref ERR2081, pièce n°31 sur ce schéma : C'est aussi une sonde de température d'après les vendeurs du net. Elle sert pour l'EGR ?
(la recherche sur la FAQ ignore les mots de trois caractères apparemment, "EGR" est donc rejeté...)
A+
-
jerome38
- Habitué
- Messages : 725
- Enregistré le : 03/06/2004 10:45
- Localisation : Uriage, Region grenobloise
Re: La purge ne se fait pas : surchauffe ?!?!?
ouipascal30 a écrit : Elle sert pour l'EGR ?
A+
- LØLØ
- Modérateur
- Messages : 6210
- Enregistré le : 30/07/2006 15:41
- Localisation : guainville (28 )
- Contact :
Re: La purge ne se fait pas : surchauffe ?!?!?
Salutjerome38 a écrit :ouipascal30 a écrit : Elle sert pour l'EGR ?
A+
On en avait parlé, mais, il y a longtemps dans ce thème et c'était un peu par hasard: sonde température hs? affichage temperature nul
A+
2 solutions: la bonne et l'Anglaise
LUCAS: Il n'y a pas de contact où il le faut et il y en a un où il ne faut pas
On ne peut aller loin en amitié, si on n'est pas disposé à se pardonner les uns aux autres les petits défauts.
www.eternal-vehicles.fr
LUCAS: Il n'y a pas de contact où il le faut et il y en a un où il ne faut pas
On ne peut aller loin en amitié, si on n'est pas disposé à se pardonner les uns aux autres les petits défauts.
www.eternal-vehicles.fr
Re: La purge ne se fait pas : surchauffe ?!?!?
Merci pour ces renseignements.
J'avais fait une recherche, mais rien trouvé de probant.
Comme je n'ai plus d'EGR, elle ne me sert donc à rien...
Je n'ai pas de peigne pour faire la mesure, mais quelqu'un connait-il le filetage de cette sonde (celle pour l'EGR) ?
A+
J'avais fait une recherche, mais rien trouvé de probant.
Comme je n'ai plus d'EGR, elle ne me sert donc à rien...
Je n'ai pas de peigne pour faire la mesure, mais quelqu'un connait-il le filetage de cette sonde (celle pour l'EGR) ?
A+
- LØLØ
- Modérateur
- Messages : 6210
- Enregistré le : 30/07/2006 15:41
- Localisation : guainville (28 )
- Contact :
Re: La purge ne se fait pas : surchauffe ?!?!?
Salut,pascal30 a écrit :
Je n'ai pas de peigne pour faire la mesure, mais quelqu'un connait-il le filetage de cette sonde (celle pour l'EGR) ?
C'est du M12 au pas de 150 ou 1,5 selon les marquages, ce qui n'est pas très courant, les tiges fileté en 12mm, ont un pas de 1,75. Mais pour les sondes c'est relativement courant et assimilable à un pas fin pour du 12mm de diamètre. Il existe un bouchon Ref ETC5577, placé à la place lorsque le moteur n'est pas équipé d'origine avec la vanne EGR. A+
2 solutions: la bonne et l'Anglaise
LUCAS: Il n'y a pas de contact où il le faut et il y en a un où il ne faut pas
On ne peut aller loin en amitié, si on n'est pas disposé à se pardonner les uns aux autres les petits défauts.
www.eternal-vehicles.fr
LUCAS: Il n'y a pas de contact où il le faut et il y en a un où il ne faut pas
On ne peut aller loin en amitié, si on n'est pas disposé à se pardonner les uns aux autres les petits défauts.
www.eternal-vehicles.fr
Re: La purge ne se fait pas : surchauffe ?!?!?
Merci LØLØ !
En fait, je pensais plutôt ajouter un autre ensemble sonde-mano (ou témoin), dans un principe de redondance ou de contrôle de l'info on pourrait dire...
C'est mon véhicule "de voyage", et ce genre de blague loin de la maison, c'est bof bof....
Je vais voir ce qu'il existe sur le marché...
Sinon, j'ai eu le temps de prendre la mesure de la résistance de ma sonde : 0 Ohm ! HS donc...
Du fil de la sonde à la masse (un point du moteur), je mesure 450 Ohms, j'en déduit que le mano semble encore bon pour le service, non ? (la valeur est un peu plus élevée que celle de ton post, mais le circuit est aussi plus "long").
Sinon, j'ai du LDR qui coule entre le bloc et la culasse, au niveau de la flèche rouge sur la photo ci-dessous (prise sur le web, désolé pour la qualité, pas d'appareil sous la main aujourd'hui) J'ose croire que ça vient du joint du boitier de thermostat, mais y a-t-il un risque que ce soit le joint de culasse ?
Il ne me semble pas, après avoir cherché des photos de culasse, qu'il y ait un passage de LDR dans ce coin du joint, mais c'est difficile à voir sur les images et j'ai jamais déculassé en vrai...
A+
En fait, je pensais plutôt ajouter un autre ensemble sonde-mano (ou témoin), dans un principe de redondance ou de contrôle de l'info on pourrait dire...
C'est mon véhicule "de voyage", et ce genre de blague loin de la maison, c'est bof bof....
Je vais voir ce qu'il existe sur le marché...
Sinon, j'ai eu le temps de prendre la mesure de la résistance de ma sonde : 0 Ohm ! HS donc...
Du fil de la sonde à la masse (un point du moteur), je mesure 450 Ohms, j'en déduit que le mano semble encore bon pour le service, non ? (la valeur est un peu plus élevée que celle de ton post, mais le circuit est aussi plus "long").
Sinon, j'ai du LDR qui coule entre le bloc et la culasse, au niveau de la flèche rouge sur la photo ci-dessous (prise sur le web, désolé pour la qualité, pas d'appareil sous la main aujourd'hui) J'ose croire que ça vient du joint du boitier de thermostat, mais y a-t-il un risque que ce soit le joint de culasse ?
Il ne me semble pas, après avoir cherché des photos de culasse, qu'il y ait un passage de LDR dans ce coin du joint, mais c'est difficile à voir sur les images et j'ai jamais déculassé en vrai...
A+
-
RR VM 1992
Re: La purge ne se fait pas : surchauffe ?!?!?
Ou bien le joint pistolet ?pascal30 a écrit :..../.... Sinon, j'ai du LDR qui coule entre le bloc et la culasse, au niveau de la flèche rouge sur la photo ci-dessous (prise sur le web, désolé pour la qualité, pas d'appareil sous la main aujourd'hui)
fuite.jpg
J'ose croire que ça vient du joint du boitier de thermostat, mais y a-t-il un risque que ce soit le joint de culasse ?
Il ne me semble pas, après avoir cherché des photos de culasse, qu'il y ait un passage de LDR dans ce coin du joint, mais c'est difficile à voir sur les images et j'ai jamais déculassé en vrai...
A+
Si c'est le cas on en parle là :
https://www.landroverfaq.com/viewtopic. ... let#p97936
Re: La purge ne se fait pas : surchauffe ?!?!?
Je ne pense pas, d'abord parce que c'est au-dessus de ce joint pistolet (ça coule au niveau du JDC) et, ensuite, parce que tout ça, c'est parti du changement de ce joint, il va au moins tenir quelques kmsRR VM 1992 a écrit : Ou bien le joint pistolet ?![]()
J'espère le joint du boitier, mais j'aimerai éliminer la possibilité d'une fuite du JDC. Elle serait d'ailleurs assez importante, la fuite : mine de rien, ça coule....
A+
-
RR VM 1992
Re: La purge ne se fait pas : surchauffe ?!?!?
Bonsoir,
Je vais également faire mon JDC dès qu'il fera beau (j'ai depuis peu un Disco 300 TDI de 1997) et j'ai déjà reçu les pièces d’Angleterre (dont une culasse "ShitParts" neuve indienne équipée de chez Paddock) je ferai donc un thème sur la FAQ.
http://www.paddockspares.com/ldf500180c ... 00tdi.html
Nota : j'ai pris par défaut un joint épais 3 trous ; on verra s'il convient ou pas après la mesure du dépassement des pistons.
Autrefois ma hantise pour le bon serrage des culasses c'était de l'huile ou du LDR résiduel au fond des filetages et je les soufflait à l'air comprimé ; mais j'avais quand même des suintements de LDR au refroidissement moteur qui disparaissait peu à peu notamment lors du resserrage après 25 000 km.

Je vais également faire mon JDC dès qu'il fera beau (j'ai depuis peu un Disco 300 TDI de 1997) et j'ai déjà reçu les pièces d’Angleterre (dont une culasse "ShitParts" neuve indienne équipée de chez Paddock) je ferai donc un thème sur la FAQ.
http://www.paddockspares.com/ldf500180c ... 00tdi.html
Nota : j'ai pris par défaut un joint épais 3 trous ; on verra s'il convient ou pas après la mesure du dépassement des pistons.
Autrefois ma hantise pour le bon serrage des culasses c'était de l'huile ou du LDR résiduel au fond des filetages et je les soufflait à l'air comprimé ; mais j'avais quand même des suintements de LDR au refroidissement moteur qui disparaissait peu à peu notamment lors du resserrage après 25 000 km.
Re: La purge ne se fait pas : surchauffe ?!?!?
Salut,
Pour ce qui concerne la purge qui ne serait pas complète, as-tu vérifié l'état de propreté interne de la capsule qui fait le Y entre le radiateur, la culasse et le vase d'expansion? Les passages sont de faible diamètre, et finissent par se boucher.
Sinon concernant ta surchauffe, j'ai eu le même souci une fois, il m'a fallu longtemps pour trouver qu'il s'agissait du bouchon du vase d'expansion: il laissait s'échapper un tout petit peu de vapeur, c'était invisible, mais suffisant pour faire bouillir au bout de quelques dizaines de km d'autoroute. Si tu as un deuxième véhicule sous le coude, ça peut être un truc très facile à vérifier en échangeant les bouchons.
Si tu soupçonnes une fuite, trouve-toi un endroit très calme (l'intérieur de ton garage, la nuit), va faire un tour pour chauffer le moteur, puis stoppe le moteur dans cet endroit calme, pour écouter par où sort la vapeur, tu peux t'aider d'un tuyau souple dont tu places une extrémité contre ton oreille, pour mieux entendre.
Oliver.
Pour ce qui concerne la purge qui ne serait pas complète, as-tu vérifié l'état de propreté interne de la capsule qui fait le Y entre le radiateur, la culasse et le vase d'expansion? Les passages sont de faible diamètre, et finissent par se boucher.
Sinon concernant ta surchauffe, j'ai eu le même souci une fois, il m'a fallu longtemps pour trouver qu'il s'agissait du bouchon du vase d'expansion: il laissait s'échapper un tout petit peu de vapeur, c'était invisible, mais suffisant pour faire bouillir au bout de quelques dizaines de km d'autoroute. Si tu as un deuxième véhicule sous le coude, ça peut être un truc très facile à vérifier en échangeant les bouchons.
Si tu soupçonnes une fuite, trouve-toi un endroit très calme (l'intérieur de ton garage, la nuit), va faire un tour pour chauffer le moteur, puis stoppe le moteur dans cet endroit calme, pour écouter par où sort la vapeur, tu peux t'aider d'un tuyau souple dont tu places une extrémité contre ton oreille, pour mieux entendre.
Oliver.
This manual should be used to find out where the water is leaking from. Due to the nature of the design and construction of the Defender this can prove to fairly difficult. The fact that water moves in seemingly random directions also adds to the problem
- The Pater
- Modérateur
- Messages : 13982
- Enregistré le : 25/08/2004 8:19
- Localisation : 06°27'46"E 45°50'29"N
Re: La purge ne se fait pas : surchauffe ?!?!?
Si tu as le moteur devant les yeux, tu peux voir le nombre de trous du joint de culasse et commander un joint de même épaisseur.RR VM 1992 a écrit : Nota : j'ai pris par défaut un joint épais 3 trous ; on verra s'il convient ou pas après la mesure du dépassement des pistons.
A+
Ingénieur :
Personne faisant un travail divinatoire de précision basé sur des informations peu fiables données par des personnes peu qualifiées, voire ignorantes.
=>, magicien, devin, sorcier
Personne faisant un travail divinatoire de précision basé sur des informations peu fiables données par des personnes peu qualifiées, voire ignorantes.
=>, magicien, devin, sorcier
Re: La purge ne se fait pas : surchauffe ?!?!?
Oui, j'avais soufflé dedans après le changement du joint pistolet, juste avant de remplir le circuit : le passage semblait bien libre. De toute façon, j'ai ajouté à ma commande un nouveau raccord Y, donc il va être remplacé, ça peut pas faire de mal.kebir31 a écrit :Pour ce qui concerne la purge qui ne serait pas complète, as-tu vérifié l'état de propreté interne de la capsule qui fait le Y entre le radiateur, la culasse et le vase d'expansion? Les passages sont de faible diamètre, et finissent par se boucher.
Malheureusement, je n'ai pas de garage dispo, c'est de la méca en plein air !kebir31 a écrit :Si tu soupçonnes une fuite, trouve-toi un endroit très calme (l'intérieur de ton garage, la nuit), va faire un tour pour chauffer le moteur, puis stoppe le moteur dans cet endroit calme, pour écouter par où sort la vapeur, tu peux t'aider d'un tuyau souple dont tu places une extrémité contre ton oreille, pour mieux entendre.
En plus, pour l'instant, le def ne roule plus. Je dois changer ma sonde, vérifier l'état de mon radiateur (qui lui est d'origine) et corriger cette fuite de LDR.
D'où ma question : est-il possible qu'il y ait une fuite de LDR par le joint de culasse à cet endroit ?
J'ai nettoyé hier soir, et ce matin, je retrouve ça : Ca commence même à couler de l'autre côté du bloc Pour moi, ça vient du joint du boitier de thermostat, mais je commence à en avoir marre de remplacer des trucs si ça fuit à côté... Donc, si il y a un risque que ça vienne du JDC, et qu'il me faut faire des "investigations plus poussées", autant le faire maintenant !
A+
Re: La purge ne se fait pas : surchauffe ?!?!?
Bonjour à tous
A-t_on des retours sur des culasses achetés chez Paddock ?
- Nombres de KMS depuis le changement ?
- Eventuels problèmes ?
- ETC .........
CDT
A-t_on des retours sur des culasses achetés chez Paddock ?
- Nombres de KMS depuis le changement ?
- Eventuels problèmes ?
- ETC .........
CDT
-
RR VM 1992
Re: La purge ne se fait pas : surchauffe ?!?!?
RAS pour moi après 2000 km d'autoroute très très (trop ?) chargé (850 kg...) : j'ai mi une culasse Paddock équipée sur mon Disco de 1997 :tippie a écrit :Bonjour à tous
A-t_on des retours sur des culasses achetés chez Paddock ?
- Nombres de KMS depuis le changement ?
- Eventuels problèmes ?
- ETC .........
CDT
http://www.paddockspares.com/ldf500180c ... 00tdi.html
avec son joint métal :
http://www.paddockspares.com/lvb500220- ... style.html
toutefois les pneus AR gonflés à 3 Kg (des BFG-AT) chaulaient au point de pas pouvoir poser la main sur la bande de roulement (donc + de 60°C) en respectant les vitesses suivantes :
- chaussée mouillée : 95 - 105 Km/h
- chaussée sèche : 110 - 125 Km/h
PS : la clim du Disco était en marche sur ce trajet