Land 90 2.5 d demarrage bougies ?
Règles du forum
En naviguant sur le site http://www.landroverfaq.com vous reconnaissez avoir lu ses Conditions d’Utilisation, vous déclarez les comprendre et vous acceptez d’y être lié de manière inconditionnelle. Si tel n'est pas le cas, merci de quitter immédiatement ce site.
Vous pouvez joindre autant d'images que nécessaire à vos messages A LA CONDITION EXPRESSE d'utiliser l'hébergement fourni par le site.
L'administrateur effacera systématiquement tout message contenant des photos hébergées chez Imageschack, Casimage, Wistiti ou tout autre hébergeur tiers sans sommation ni justification.
En naviguant sur le site http://www.landroverfaq.com vous reconnaissez avoir lu ses Conditions d’Utilisation, vous déclarez les comprendre et vous acceptez d’y être lié de manière inconditionnelle. Si tel n'est pas le cas, merci de quitter immédiatement ce site.
Vous pouvez joindre autant d'images que nécessaire à vos messages A LA CONDITION EXPRESSE d'utiliser l'hébergement fourni par le site.
L'administrateur effacera systématiquement tout message contenant des photos hébergées chez Imageschack, Casimage, Wistiti ou tout autre hébergeur tiers sans sommation ni justification.
-
Lando maroko
- Habitué
- Messages : 17
- Enregistré le : 05/07/2016 22:58
- Localisation : grenoble
Land 90 2.5 d demarrage bougies ?
Bonjour a tous.
Voila mon probleme, avant de demarrer je mets la clé sur position contact, tous les voyants s allument, j attends environ 10 secondes et là le demarreur doit tourner au moins 10 secondes avant de se mettre en route.
Meme si je laisse le prechauffage plus longtemps cela ne change rien.
Est ce normal ou dois je changer de bougies.
Une fois chaude aucun probleme.
Voila mon probleme, avant de demarrer je mets la clé sur position contact, tous les voyants s allument, j attends environ 10 secondes et là le demarreur doit tourner au moins 10 secondes avant de se mettre en route.
Meme si je laisse le prechauffage plus longtemps cela ne change rien.
Est ce normal ou dois je changer de bougies.
Une fois chaude aucun probleme.
Re: Land 90 2.5 d demarrage bougies ?
Le voyant de pré-chauffage aussi?...Lando maroko a écrit : tous les voyants s allument,
" Quand le sage montre la lune; l'idiot regarde son doigt "
-
Lando maroko
- Habitué
- Messages : 17
- Enregistré le : 05/07/2016 22:58
- Localisation : grenoble
Re: Land 90 2.5 d demarrage bougies ?
Il n y a pas de temoin de prechauffage sur les 2.5 d atmo et turbo
Re: Land 90 2.5 d demarrage bougies ?
Si, il y a un témoin qui doit s'allumer quand les bougies sont alimentées. Peut être que ton ampoule est grillée?
Les bougies ne sont pas alimentées sur la position "contact", mais sur une position entre la position "contact" et la position "démarrage".
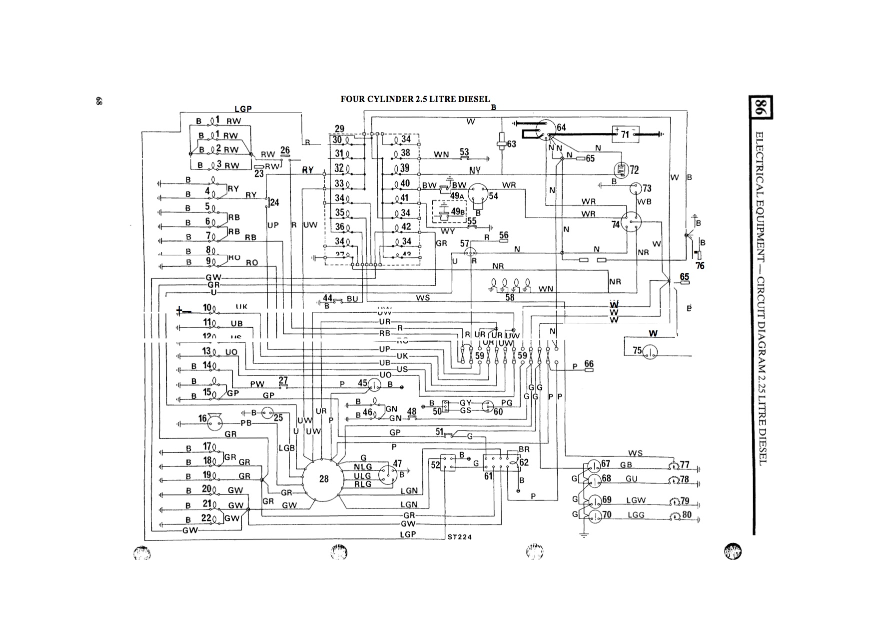
voir le schéma ci dessous
Le Neiman c'est le N°74, les bougies en 58, le voyant en 37 (en bas de la colonne gauche des voyants).
Les bougies ne sont pas alimentées sur la position "contact", mais sur une position entre la position "contact" et la position "démarrage".
voir le schéma ci dessous
Le Neiman c'est le N°74, les bougies en 58, le voyant en 37 (en bas de la colonne gauche des voyants).
" Quand le sage montre la lune; l'idiot regarde son doigt "
- LØLØ
- Modérateur
- Messages : 6210
- Enregistré le : 30/07/2006 15:41
- Localisation : guainville (28 )
- Contact :
Re: Land 90 2.5 d demarrage bougies ?
Salut,
Le fait est que sans préchauffage correct le 2.5D à du mal a fonctionner.
Le fil du voyant est facile à repérer sur le onnecteur des voyants du tableau de bord, vois si le 12V arrive bien lorsque tu places la clef en position préchauffage, sinon cela pourrait dire que tu as un problème de neiman ou de fiche mal sertie ou décroché au cul de la cartouche électrique. Vois ce thème sur le sujet du préchauffage: Problème préchauffage 2.5L
A+
Le fait est que sans préchauffage correct le 2.5D à du mal a fonctionner.
Le fil du voyant est facile à repérer sur le onnecteur des voyants du tableau de bord, vois si le 12V arrive bien lorsque tu places la clef en position préchauffage, sinon cela pourrait dire que tu as un problème de neiman ou de fiche mal sertie ou décroché au cul de la cartouche électrique. Vois ce thème sur le sujet du préchauffage: Problème préchauffage 2.5L
A+
2 solutions: la bonne et l'Anglaise
LUCAS: Il n'y a pas de contact où il le faut et il y en a un où il ne faut pas
On ne peut aller loin en amitié, si on n'est pas disposé à se pardonner les uns aux autres les petits défauts.
www.eternal-vehicles.fr
LUCAS: Il n'y a pas de contact où il le faut et il y en a un où il ne faut pas
On ne peut aller loin en amitié, si on n'est pas disposé à se pardonner les uns aux autres les petits défauts.
www.eternal-vehicles.fr
-
Lando maroko
- Habitué
- Messages : 17
- Enregistré le : 05/07/2016 22:58
- Localisation : grenoble
Re: Land 90 2.5 d demarrage bougies ?
Merci pour ces infos.
J'ai regardé, je n'ai pas de témoin de préchauffage hormis un témoin qui me semble et celui du starter comme il y a sur les vieilles essences et celui s allume quand le démarreur s'actionne. J ai essayé sur la position intermédiaire mais le démarrage n'est pas meilleur.
J'ai regardé, je n'ai pas de témoin de préchauffage hormis un témoin qui me semble et celui du starter comme il y a sur les vieilles essences et celui s allume quand le démarreur s'actionne. J ai essayé sur la position intermédiaire mais le démarrage n'est pas meilleur.
- LØLØ
- Modérateur
- Messages : 6210
- Enregistré le : 30/07/2006 15:41
- Localisation : guainville (28 )
- Contact :
Re: Land 90 2.5 d demarrage bougies ?
Salut,Lando maroko a écrit : J'ai regardé, je n'ai pas de témoin de préchauffage hormis un témoin qui me semble et celui du starter comme il y a sur les vieilles essences et celui s allume quand le démarreur s'actionne. J ai essayé sur la position intermédiaire mais le démarrage n'est pas meilleur.
Oui c'est ça le témoin de préchauffage, il est le même que celui du starter, il est orange et représente un papillon, LR ne c'est pas forcement embêté avec ce genre de détail.
Effectivement il est situé juste sur la position avant de lancer le démarreur. Il faut que tu maintiennes la position qui allume le voyant, et que tu la tiennes en comptant jusqu’à 10 lentement et seulement après tu tournes la clef à fond pour démarrer.
Tu n'es pas le seul a ne pas cerner le fonctionnement du préchauffage sur les vieux lands, vois ce thème: minuterie A+
2 solutions: la bonne et l'Anglaise
LUCAS: Il n'y a pas de contact où il le faut et il y en a un où il ne faut pas
On ne peut aller loin en amitié, si on n'est pas disposé à se pardonner les uns aux autres les petits défauts.
www.eternal-vehicles.fr
LUCAS: Il n'y a pas de contact où il le faut et il y en a un où il ne faut pas
On ne peut aller loin en amitié, si on n'est pas disposé à se pardonner les uns aux autres les petits défauts.
www.eternal-vehicles.fr
-
Lando maroko
- Habitué
- Messages : 17
- Enregistré le : 05/07/2016 22:58
- Localisation : grenoble
Re: Land 90 2.5 d demarrage bougies ?
Le temoin ne s allume qu une fois que le demarreur tourne.
- nomansland
- Habitué
- Messages : 1745
- Enregistré le : 08/12/2006 10:58
- Localisation : sud 77
Re: Land 90 2.5 d demarrage bougies ?
Salut Dans ce cas tu dois avoir un mauvais cablage sur le neyman !!??
a+Stef
a+Stef
- LØLØ
- Modérateur
- Messages : 6210
- Enregistré le : 30/07/2006 15:41
- Localisation : guainville (28 )
- Contact :
Re: Land 90 2.5 d demarrage bougies ?
Salut,
Si tu n'arrives pas à allumer le témoin, juste sur une position maintenue qui précède le lancement, cela pourrait être plusieurs défauts possibles:
1) problème de câblage de la cartouche électrique au cul du neiman
2) problème de contact dans la cartouche de neiman.
3) problème de sertissage des rivets des fiches de raccordement sur la cartouche du neiman.
3) usure du logement plastique de l'entretoise dans la cartouche du neiman.
4) le mauvais modèle de cartouche de neiman essence vs diesel.
5) ...
Vois ce thème et les liens associés pour les détails Problème préchauffage 2.5L. Toi normalement, tu as la cartouche à 5 plots de raccordement électrique séparés en bakélite marron, de marque LUCAS avec un plot deux rivets en 3. Attention les deux modèles, essence et diesel, ont le même marquage "162SA"... Salopard d'Anglais...
A+
Si tu n'arrives pas à allumer le témoin, juste sur une position maintenue qui précède le lancement, cela pourrait être plusieurs défauts possibles:
1) problème de câblage de la cartouche électrique au cul du neiman
2) problème de contact dans la cartouche de neiman.
3) problème de sertissage des rivets des fiches de raccordement sur la cartouche du neiman.
3) usure du logement plastique de l'entretoise dans la cartouche du neiman.
4) le mauvais modèle de cartouche de neiman essence vs diesel.
5) ...
Vois ce thème et les liens associés pour les détails Problème préchauffage 2.5L. Toi normalement, tu as la cartouche à 5 plots de raccordement électrique séparés en bakélite marron, de marque LUCAS avec un plot deux rivets en 3. Attention les deux modèles, essence et diesel, ont le même marquage "162SA"... Salopard d'Anglais...
A+
2 solutions: la bonne et l'Anglaise
LUCAS: Il n'y a pas de contact où il le faut et il y en a un où il ne faut pas
On ne peut aller loin en amitié, si on n'est pas disposé à se pardonner les uns aux autres les petits défauts.
www.eternal-vehicles.fr
LUCAS: Il n'y a pas de contact où il le faut et il y en a un où il ne faut pas
On ne peut aller loin en amitié, si on n'est pas disposé à se pardonner les uns aux autres les petits défauts.
www.eternal-vehicles.fr
Re: Land 90 2.5 d demarrage bougies ?
Bonsoir à tous,
Voila mon problème, moi depuis ce matin , le témoin de préchauffage ne s'allume plus sur mon Def 2,5 TD
Vous pensez que je doit commencer par regarder si l'ampoule n'est pas grillée?
Est ce qu'il y a un fusible pour ce témoin?
merci d'avance
Voila mon problème, moi depuis ce matin , le témoin de préchauffage ne s'allume plus sur mon Def 2,5 TD
Vous pensez que je doit commencer par regarder si l'ampoule n'est pas grillée?
Est ce qu'il y a un fusible pour ce témoin?
merci d'avance