Eclairage plafonniers Def 300Tdi SW (1997)

Bidouillages électriques, codes d'erreur ECU...

Modérateurs : The Pater, LØLØ

Règles du forum
En naviguant sur le site http://www.landroverfaq.com vous reconnaissez avoir lu ses Conditions d’Utilisation, vous déclarez les comprendre et vous acceptez d’y être lié de manière inconditionnelle. Si tel n'est pas le cas, merci de quitter immédiatement ce site.

Vous pouvez joindre autant d'images que nécessaire à vos messages A LA CONDITION EXPRESSE d'utiliser l'hébergement fourni par le site.

L'administrateur effacera systématiquement tout message contenant des photos hébergées chez Imageschack, Casimage, Wistiti ou tout autre hébergeur tiers sans sommation ni justification.
Avatar du membre
LØLØ
Modérateur
Messages : 6210
Enregistré le : 30/07/2006 15:41
Localisation : guainville (28 )
Contact :

Re: Eclairage plafonniers Def 300Tdi SW (1997)

Message non lu par LØLØ »

Frédéric_Dept79 a écrit :Et démonter tout le bazar serait pas plus simple ?????
Salut,
Voir démonter et améliorer ou palier aux défauts. :wink:
A+
2 solutions: la bonne et l'Anglaise
LUCAS: Il n'y a pas de contact où il le faut et il y en a un où il ne faut pas
On ne peut aller loin en amitié, si on n'est pas disposé à se pardonner les uns aux autres les petits défauts.
www.eternal-vehicles.fr
Avatar du membre
Frédéric_Dept79
Habitué
Messages : 2396
Enregistré le : 03/06/2004 16:49
Localisation : Niort (79) - France

Re: Eclairage plafonniers Def 300Tdi SW (1997)

Message non lu par Frédéric_Dept79 »

LØLØ a écrit :
Frédéric_Dept79 a écrit :Et démonter tout le bazar serait pas plus simple ?????
Salut,
Voir démonter et améliorer ou palier aux défauts. :wink:
A+
Oui des trucs qui s'allument quand tu ouvres les portes et qui s'éteint quand tu les fermes, 4 contacts de feuillure et.... un plafonnier avec une ampoule, ca marchait très bien avant de rajouter tout ce merdier dans les Def :)
(I was)Always in a Land Rover (1995-2012) Ayé il est parti :)
Save the Planet, Kill an Ecologist
Avatar du membre
RIC
Habitué
Messages : 91
Enregistré le : 10/11/2010 21:30
Localisation : 40

Re: Eclairage plafonniers Def 300Tdi SW (1997)

Message non lu par RIC »

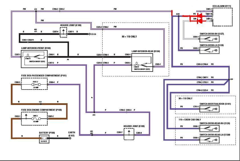
Voici deux schémas qui doivent fonctionner.

n°1: Le plus simple, mais on ne fait plus la distinction entre la portière conducteur et les 4 autres.
Proposition n°1
Proposition n°1

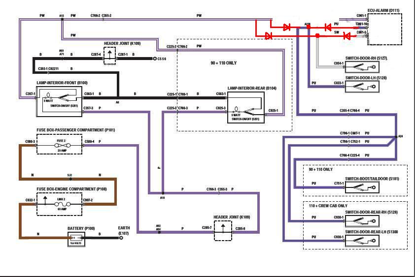
n°2 : On garde la configuration d'origine, mais ça fait usine à gaz !. ça ne va pas dans le sens de la simplification.
Proposition n°2
Proposition n°2
Modifié en dernier par RIC le 16/12/2011 21:32, modifié 1 fois.
Avatar du membre
LØLØ
Modérateur
Messages : 6210
Enregistré le : 30/07/2006 15:41
Localisation : guainville (28 )
Contact :

Re: Eclairage plafonniers Def 300Tdi SW (1997)

Message non lu par LØLØ »

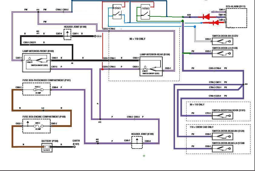
Salut, le schéma 1 peut faire l'affaire, effectivement tel qu’il est tu ne différencies pas les contacteurs. Il faudrait peut-être mieux les mettre comme ça:
schema plafonnier SW 97 + diode.jpg
Par contre ce qui ne va pas du tout ici, dans le schéma 1 c'est le logo méca-passion. Ces schémas ont un copyright LR .Un extrait peut-être toléré sur un site non mercantile. Tu peux vérifier, ici zéro pub, ni pour des cafetières, ni pour des pseudos partenaires automobiles ou autres, donc bien aucune fin de revenue ou de commerce sous quelques forme que se soit. Après avoir tapé méca-passion sur google, j'ai eu le vertige et j'ai fuit tous ces sites pour cause de pub. Ici on est sur un site de vrais passionnés de mécanique land, solidaires les un des autres. J'ai retrouvé des photos et un petits films perso sur des sites de lands japonais ou coréen et c'est tend mieux, un peu d’altruisme ne fait pas de mal de nos jours. Comme la si bien dit Philippe Bouvard: "L’explication est le summum de l’altruisme intellectuel puisqu’en essayant de faire comprendre quelque choses à quelqu’un on renonce du même coup à une supériorité". Donc s'il te plais enlève ton schéma palot N°1 en éditant ton message et remplace le par un autre, merci pour nous et l'avenir de la faq. Lis ca, c'est pas trop long: Conditions d'Utilisation du Site :wink:
A+
2 solutions: la bonne et l'Anglaise
LUCAS: Il n'y a pas de contact où il le faut et il y en a un où il ne faut pas
On ne peut aller loin en amitié, si on n'est pas disposé à se pardonner les uns aux autres les petits défauts.
www.eternal-vehicles.fr
Avatar du membre
RIC
Habitué
Messages : 91
Enregistré le : 10/11/2010 21:30
Localisation : 40

Re: Eclairage plafonniers Def 300Tdi SW (1997)

Message non lu par RIC »

Bonsoir,
LØLØ a écrit :Par contre ce qui ne va pas du tout ici, dans le schéma 1 c'est le logo méca-........
Désolé pour cette pub gratuite et involontaire.L'erreur est rectifiée.

Pour en revenir au schéma électrique, ta version est la bonne pour différencier les contacts de portes.Je n'y avais pas pensé !
Par contre ne sachant pas si les entrées de l'Ecu peuvent accepter une tension de 12 volts, je rajouterais deux autres diodes pour éviter le passage du 12 volts depuis le plafonnier (cas ou les portières sont fermées);
Eclairage plafonnier.JPG
Avatar du membre
LØLØ
Modérateur
Messages : 6210
Enregistré le : 30/07/2006 15:41
Localisation : guainville (28 )
Contact :

Re: Eclairage plafonniers Def 300Tdi SW (1997)

Message non lu par LØLØ »

RIC a écrit : Désolé pour cette pub gratuite et involontaire.L'erreur est rectifiée.
Salut,
merci pour nous :wink:
RIC a écrit : Par contre ne sachant pas si les entrées de l'Ecu peuvent accepter une tension de 12 volts, je rajouterais deux autres diodes pour éviter le passage du 12 volts depuis le plafonnier (cas ou les portières sont fermées);
Oui il y aurait eu un problème. Car pour éteindre le plafonnier vu qu'il y a un 12 permanent de l'autre coté de l'ampoule du plafonnier, le moyen qu'a l'ECU pour l'éteindre progressivement, c'est de renvoyer à la place de la masse une tension croissante lentement de 0 jusqu’à 12V par C 061-1. Donc il faut a tout prix couper ce fil, car sinon, il y a risque de renvoyer cette tension évolutive directement sur la masse via le contacteur d'une porte ouverte.
Par contre le seuil des deux diodes en plus, peuvent peut-être gêner la détection par l'ECU d'une porte ouverte.
Dans le descriptif du fonctionnement LR nous indique:
L’ECU d’alarme commande également l’éclairage intérieur. L’ECU (C061-1) alimente le module d’éclairage des plafonniers (C357-1) par un fil violet/blanc. Cela donne l’ordre au module d’éclairage d’éteindre les plafonniers. Lorsque la tension de l’ECU d’alarme vers le module d’éclairage est réduite, il allume les plafonniers.
Donc il envoie bien +12V sur C061-1 pour éteindre et il ( l'ECU) la réduit pour allumer les plafonnier.
schema plafonnier SW 97 + diode.jpg
Prévois des diodes qui supportent au moins 2 A en direct; si on compte 20W pour les deux ampoules de plafonnier, cela fait mini 20/12=1,66A donc une 1N4007 risque de chauffer.
Contrôle le petit mécanisme de tes plafonniers, c'est peut-être ça qui a dégagé le transistor de sortie, ou des ampoules trop fortes.
A+
2 solutions: la bonne et l'Anglaise
LUCAS: Il n'y a pas de contact où il le faut et il y en a un où il ne faut pas
On ne peut aller loin en amitié, si on n'est pas disposé à se pardonner les uns aux autres les petits défauts.
www.eternal-vehicles.fr
Répondre

Retourner vers « Electricité • Electronique »