Discovery II : modulateur ABS hors service
Règles du forum
En naviguant sur le site http://www.landroverfaq.com vous reconnaissez avoir lu ses Conditions d’Utilisation, vous déclarez les comprendre et vous acceptez d’y être lié de manière inconditionnelle. Si tel n'est pas le cas, merci de quitter immédiatement ce site.
Vous pouvez joindre autant d'images que nécessaire à vos messages A LA CONDITION EXPRESSE d'utiliser l'hébergement fourni par le site.
L'administrateur effacera systématiquement tout message contenant des photos hébergées chez Imageschack, Casimage, Wistiti ou tout autre hébergeur tiers sans sommation ni justification.
En naviguant sur le site http://www.landroverfaq.com vous reconnaissez avoir lu ses Conditions d’Utilisation, vous déclarez les comprendre et vous acceptez d’y être lié de manière inconditionnelle. Si tel n'est pas le cas, merci de quitter immédiatement ce site.
Vous pouvez joindre autant d'images que nécessaire à vos messages A LA CONDITION EXPRESSE d'utiliser l'hébergement fourni par le site.
L'administrateur effacera systématiquement tout message contenant des photos hébergées chez Imageschack, Casimage, Wistiti ou tout autre hébergeur tiers sans sommation ni justification.
Re: Discovery II : modulateur ABS hors service
Comment "reamorcer" Le bloc ABS svp ?
Amicalement Laurent
Re: Discovery II : modulateur ABS hors service
Nouveau problème:
La télécommande n'ouvre plus les portes,
et n'arrête plus l'alarme quand j'ouvre avec la clef,
j'ai changé la pile, et la LED rouge s'allume
La télécommande n'ouvre plus les portes,
et n'arrête plus l'alarme quand j'ouvre avec la clef,
j'ai changé la pile, et la LED rouge s'allume
Amicalement Laurent
- disco2magoliv
- Habitué
- Messages : 608
- Enregistré le : 01/05/2010 16:50
- Localisation : 06420 dans le sud mais loin de la foule
- Contact :
Re: Discovery II : modulateur ABS hors service
J'ai eu ce problème une fois, j'ai ouvert avec la clé avec l'alarme qui hurle et j'ai mis la clé dans le Neiman la led c'est éteinte et il a démarré.laudisco a écrit : 17/12/2023 17:27 Nouveau problème:
La télécommande n'ouvre plus les portes,
et n'arrête plus l'alarme quand j'ouvre avec la clef,
j'ai changé la pile, et la LED rouge s'allume![]()
Puis tout est rentré dans l'ordre après ça, j'ai mis ce problème sur le dos d'un perturbateur extérieur dans le coin ou j'étais garé ce jour là, mais sans en avoir la confirmation.
Teste avec l'autre clé si tu l'as.
Si non il te faudra faire la procédure avec le code EKA sur la porte conducteur.
Ciao
Pascal.
Pascal.
Re: Discovery II : modulateur ABS hors service
Merci du tuyau, j'essayerais demain
Amicalement Laurent
- Normand 1400
- Habitué
- Messages : 2048
- Enregistré le : 12/01/2006 13:16
- Localisation : Pays de Caux profond
Re: Discovery II : modulateur ABS hors service
+1disco2magoliv a écrit :C'est toi qui bosse, nous on ne fait que lire tes "aventures"..........
Effectivement, vu l'allure des pièces, notamment la taille du ressort, l'hypothèse du grippage ne me semble pas très vraisemblable...
Ce joint, c'était quoi? Vu d'avion, on croirait un manchon :
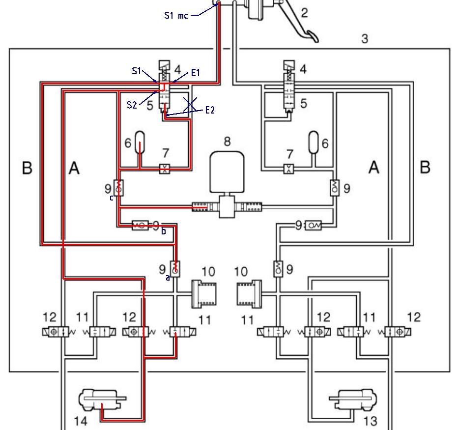
Je te propose, pour l'instant, de procéder comme pour un circuit hydraulique de freinage sans ABS, à savoir purge en croix en commençant par la roue la plus éloignée du maître cylindre : sans doute arrière-droit, avant-gauche, puis arrière-gauche, avant-droit. Un à la pédale et l'autre à l'ouverture/fermeture de la vis de purge à l'étrier de frein.laudisco a écrit :Comment "reamorcer" Le bloc ABS svp ?
Ceux qui connaissent le disco rectifieront si je me trompe dans l'architecture du circuit.
Si la synchro entre les deux opérateurs est bonne (fermeture de la vis de purge AVANT le relâchement de la pédale) il n'est pas nécessaire de plonger l'extrémité du tube de purge dans du liquide.
ATTENTION : ce faisant, seul le circuit principal sera (et encore, en partie seulement car il restera de l'air dans le tronçon E2, 7, 6 et 9c au moins) purgé, parce que :
E2, 9c, 9b, 9a et 11 restent fermés, donc seuls le circuit A — et, dans une très faible mesure, B, si le petit accumulateur 6 autorise une faible circulation du liquide — seront le siège de la circulation du liquide nécessaire à l'évacuation de l'air.
L'accumulateur et la pompe, ainsi que tous les circuits les desservant, conserveront leurs bulles.
Ce qui signifie que si l'une des trois fonctions (ABS, TC, HDC) s'active, de l'air va se retrouver dans le circuit principal — ou des bulles vont servir d'accumulateur de pression dans les circuits en butée liquide. Dans les deux cas, la pédale va se retrouver au plancher et la pression s'effondrer.
En clair, tu n'auras plus de freins.
Par contre, le circuit sera probablement un minimum fonctionnel pour réaliser l'essai des navettes. Mais si toutefois la pédale reste vraiment molle, il faudra actionner la pompe via le Nano pour purger le tronçon E2/8, mais j'espère qu'à ce stade, on peut encore s'en dispenser.
C'est bon?
Re: Discovery II : modulateur ABS hors service
Deja il faut resoudre le problème de l'alarme qui se met a kouinee sans que j'arrive à l'arrêter 
Amicalement Laurent
- disco2magoliv
- Habitué
- Messages : 608
- Enregistré le : 01/05/2010 16:50
- Localisation : 06420 dans le sud mais loin de la foule
- Contact :
Re: Discovery II : modulateur ABS hors service
C'est AVD puis AVG, ARD et enfin ARG, j'ai toujours fait dans cet ordre comme le préconise le manuel d'atelier pour une CAG.Normand 1400 a écrit : 18/12/2023 7:37
Ceux qui connaissent le disco rectifieront si je me trompe dans l'architecture du circuit.
Pour le bloc ABS le "TestBook" est préconisé, mais le Nano le fait aussi.
Sans plus d'info que ça sur le sujet, j'ai fait une première purge à la pédale (on était deux).
Puis sans avoir la procédure j'ai donc utilisé le nano pour faire la purge du bloc, j'ai fait la "purge de puissance", en suite la "purge du modulateur" sans rien ouvrir ( j'imagine avoir pousser les bulles hors du bloc).
Et enfin les roues dans le même ordre (celui du Nano comme celui préconisé ) et en ouvrant sur chaque étrier correspondant. Puis après une autre purge simple à la pédale histoire de voir si je n'avais plus de bulle d'air.
Et tout ça en utilisant un bocal pour la purge.
Ciao
Pascal.
Pascal.
Re: Discovery II : modulateur ABS hors service
Merci Pascal,j'appliquerais ta procedure
tout est remonté, est-ce très important, si oui, je redémonte 
Ce joint, c'était quoi? Vu d'avion, on croirait un manchon :
Amicalement Laurent
- disco2magoliv
- Habitué
- Messages : 608
- Enregistré le : 01/05/2010 16:50
- Localisation : 06420 dans le sud mais loin de la foule
- Contact :
Re: Discovery II : modulateur ABS hors service
Mon Disco freine normalement......Mais si quelqu'un du forum a la bonne procédure avec le nano, c'est mieux
Ciao
Pascal.
Pascal.
- Normand 1400
- Habitué
- Messages : 2048
- Enregistré le : 12/01/2006 13:16
- Localisation : Pays de Caux profond
Re: Discovery II : modulateur ABS hors service
Ne t'embête pas avec ça, c'était juste une question en passant!laudisco a écrit :tout est remonté, est-ce très important, si oui, je redémonte
Pour la purge, le problème est qu'on ne sait pas vraiment comment la procédure automatique prévue par le Nano se déroule dans le détail. De mon point de vue — je n'ai rien inventé, il découle de l'analyse du schéma — tout ne peut pas être fait de manière entièrement automatique car il est nécessaire d'ouvrir les vis de purge des étriers à un moment précis tout en ouvrant — manuellement toujours, mais via le Nano — également une des vannes de régulation afin qu'une circulation franche de liquide s'établisse dans le circuit de régulation afin de bien renouveler le liquide qu'il contient.
Sinon, il reste une bulle vers l'accumulateur, source potentielle de corrosion.
Il est probable que le constructeur ait fait l'impasse sur ce détail qui ne modifie pas fondamentalement le fonctionnement de l'accumulateur, sachant en prime que le gaz finit par être absorbé par le liquide ; en d'autres termes, un compromis a dû être imaginé, puis testé.
Et lorsque je vois les procédures de sauvage pour les berlines (usage systématique d'appareils à dépression histoire de gagner du temps et souvent aucune action à la valise) j'en conclus que tout le monde s'en fout un peu vu que c'est l’électronique qui se démerdera avec les finitions !
D'ailleurs la manière dont tu t'y es pris, Pascal, ne me choque pas plus que ça. Si la réparation donne les résultats escomptés, on verra si on se fait un baroud final avec la purge mais, sans vouloir pourrir l'ambiance, je pense que nous n'en sommes pas encore tout à fait là...
-
Mathieugirand
- Messages : 2
- Enregistré le : 18/12/2023 9:03
Re: Discovery II : modulateur ABS hors service
Tu as réussi à t'en sortir ?
En espérant qu'il commencera mieux l'année 2024 qu'il la termine
En espérant qu'il commencera mieux l'année 2024 qu'il la termine
Re: Discovery II : modulateur ABS hors service
Toujours vivant,
mais toujours avec mon problème de télécommande 'plip)qui ne désactive plus l'alarme
code EKA rentré=pareil,la télécommande n'arrête pas l'alarme
mais toujours avec mon problème de télécommande 'plip)qui ne désactive plus l'alarme
Testé aves l'autre clef = pareilTeste avec l'autre clé si tu l'as.
Si non il te faudra faire la procédure avec le code EKA sur la porte conducteur.
code EKA rentré=pareil,la télécommande n'arrête pas l'alarme
Amicalement Laurent
- disco2magoliv
- Habitué
- Messages : 608
- Enregistré le : 01/05/2010 16:50
- Localisation : 06420 dans le sud mais loin de la foule
- Contact :
Re: Discovery II : modulateur ABS hors service
L'alarme sonne, mais avec le code EKA tu désactives ou pas l'immobilisation ?
Si ce n'est pas le cas, alors ce n'est pas une très bonne nouvelle
Ciao
Pascal.
Pascal.
Re: Discovery II : modulateur ABS hors service
OUIL'alarme sonne, mais avec le code EKA tu désactives ou pas l'immobilisation ?
Par contre reprogrammer la clef je n'y arrive pas
Vu sur un autre endroit, faut vérifier la version du Nano...
je vois celà demain
Amicalement Laurent
- disco2magoliv
- Habitué
- Messages : 608
- Enregistré le : 01/05/2010 16:50
- Localisation : 06420 dans le sud mais loin de la foule
- Contact :
Re: Discovery II : modulateur ABS hors service
Si tu peux désactiver l'immobilisation c'est déjà une bonne chose, car tu peux démarrer le moteur.
Avec le Nano as tu réussi de lire les codes clé, pour vérifier qu'ils sont toujours présent ?
Possible que le récepteur RF ai un problème, si les codes sont bien présents. Bon courrage
Avec le Nano as tu réussi de lire les codes clé, pour vérifier qu'ils sont toujours présent ?
Possible que le récepteur RF ai un problème, si les codes sont bien présents. Bon courrage
Ciao
Pascal.
Pascal.
- disco2magoliv
- Habitué
- Messages : 608
- Enregistré le : 01/05/2010 16:50
- Localisation : 06420 dans le sud mais loin de la foule
- Contact :
Re: Discovery II : modulateur ABS hors service
Alors peut-être que le récepteur RF a un problème....
Ciao
Pascal.
Pascal.
Re: Discovery II : modulateur ABS hors service
Bonsoir la communauté, et non, je ne suis pas mort,
Je vous passe les détails de ma vie
j'ai pu tout remonter,
purger au pied : RAS
mais lors de la purge au Nano, il est apparu qu'aucune pression n'arrivait à l'AVD et l'ARG
Voili voilou
Bonne soirée
Je vous passe les détails de ma vie
j'ai pu tout remonter,
purger au pied : RAS
mais lors de la purge au Nano, il est apparu qu'aucune pression n'arrivait à l'AVD et l'ARG
Voili voilou
Bonne soirée
Amicalement Laurent
- Normand 1400
- Habitué
- Messages : 2048
- Enregistré le : 12/01/2006 13:16
- Localisation : Pays de Caux profond
Re: Discovery II : modulateur ABS hors service
T'en as d'autres, des comme ça?laudisco a écrit :Bonsoir la communauté, et non, je ne suis pas mort![]()
Du coup, si je comprends bien, les affaires peuvent reprendre : ça aurait été dommage de ne pas explorer davantage ce passionnant sujet!
On va attendre l'avis de Pascal qui a une certaine expérience du montage, mais au vu du schéma hydraulique et de la manière dont on peut l'exploiter pour purger le bloc (Note 1), ton constat ne me perturbe pas plus que ça. Surtout si, comme je le pense, les canalisations alimentant les étriers AVD et ARG sont les plus longues ou les plus tortueuses.laudisco a écrit :mais lors de la purge au Nano, il est apparu qu'aucune pression n'arrivait à l'AVD et l'ARG
Une âme charitable peut-elle confirmer ce qu'il en est?
Je suppose que tu attends la confirmation que la purge a été efficace pour reprendre les essais?
Note 1 : cela dit, je reste toujours dubitatif quant à la purge « automatique » des accumulateurs 10, mais on verra plus tard s'il y a lieu de creuser ce point.
- disco2magoliv
- Habitué
- Messages : 608
- Enregistré le : 01/05/2010 16:50
- Localisation : 06420 dans le sud mais loin de la foule
- Contact :
Re: Discovery II : modulateur ABS hors service
Ma purge prioritaire se fait toujours à la pédale, et même pour remplacer périodiquement le liquide de frein.
L'utilisation du Nano, j'avais fait ça surtout pour purger le bloc et pousser les éventuelles bulle dans les tubes vers les roues, et une purge à la pédale ensuite histoire de faire sortir les éventuelles bulles échappées du bloc.
Depuis je ne fait que celle à la pédale qui me satisfait ( et oui je me contente de peu
) et n'utilise pas le Nano pour cette opération.
En ce qui concerne le Nano, je n'ai aucune certitude sur l'ouverture des électrovannes, j'ai imaginé que ça faisait correctement le job.
Mais pour le manque de pression sur l'AVD et l'ARG il ne me semble pas l'avoir constaté.
L'utilisation du Nano, j'avais fait ça surtout pour purger le bloc et pousser les éventuelles bulle dans les tubes vers les roues, et une purge à la pédale ensuite histoire de faire sortir les éventuelles bulles échappées du bloc.
Depuis je ne fait que celle à la pédale qui me satisfait ( et oui je me contente de peu
En ce qui concerne le Nano, je n'ai aucune certitude sur l'ouverture des électrovannes, j'ai imaginé que ça faisait correctement le job.
Mais pour le manque de pression sur l'AVD et l'ARG il ne me semble pas l'avoir constaté.
Ciao
Pascal.
Pascal.