branchement comodo essuie glace def 2.5 d
Règles du forum
En naviguant sur le site http://www.landroverfaq.com vous reconnaissez avoir lu ses Conditions d’Utilisation, vous déclarez les comprendre et vous acceptez d’y être lié de manière inconditionnelle. Si tel n'est pas le cas, merci de quitter immédiatement ce site.
Vous pouvez joindre autant d'images que nécessaire à vos messages A LA CONDITION EXPRESSE d'utiliser l'hébergement fourni par le site.
L'administrateur effacera systématiquement tout message contenant des photos hébergées chez Imageschack, Casimage, Wistiti ou tout autre hébergeur tiers sans sommation ni justification.
En naviguant sur le site http://www.landroverfaq.com vous reconnaissez avoir lu ses Conditions d’Utilisation, vous déclarez les comprendre et vous acceptez d’y être lié de manière inconditionnelle. Si tel n'est pas le cas, merci de quitter immédiatement ce site.
Vous pouvez joindre autant d'images que nécessaire à vos messages A LA CONDITION EXPRESSE d'utiliser l'hébergement fourni par le site.
L'administrateur effacera systématiquement tout message contenant des photos hébergées chez Imageschack, Casimage, Wistiti ou tout autre hébergeur tiers sans sommation ni justification.
branchement comodo essuie glace def 2.5 d
bonjour a tous
je cherche la correspondance des couleur de fil sur un comodo d'essuie glace sur un land 90 2.5 d de 1983
l'un de vous pourrait il me dire a quoi corresponde les cinq fil du commodo
Merci par avance pour vos reponse
je cherche la correspondance des couleur de fil sur un comodo d'essuie glace sur un land 90 2.5 d de 1983
l'un de vous pourrait il me dire a quoi corresponde les cinq fil du commodo
Merci par avance pour vos reponse
- LØLØ
- Modérateur
- Messages : 6210
- Enregistré le : 30/07/2006 15:41
- Localisation : guainville (28 )
- Contact :
Re: branchement comodo essuie glece def 2.5 d
Salut bienvenue,
Il faut que tu apprennes à utiliser le moteur de recherche avant d'ouvrir un nouveau thème: Je pense que le tour de ce problème a été largement abordé, bien sur, on est pas a l'abris de nouveau cas mais dans ce cas, continues un thème existant, c'est plus sympa pour le faqueux de tout regrouper sous un même thème plutôt que de fouiller des bouts de thème à l'infini sans forcément y trouver une réponse.
D'autre liens:
Problème de Comodo
Essuies glace et phares pour le 300 il y a la position intermittente en plus.
Allez, on te mets sur la piste, les renseignements que tu cherches sont sur ce commodo, le vert foncé c'est le +12V après contact. Il faut bien distingué le vert (G) du vert claire (LG) mais aussi la couleur principale et le liseré. Les autres fils du commodo sont à base de vert clair ou à liseré vert clair. Peux nous exposer la raison de cette recherche?
A+
Il faut que tu apprennes à utiliser le moteur de recherche avant d'ouvrir un nouveau thème: Je pense que le tour de ce problème a été largement abordé, bien sur, on est pas a l'abris de nouveau cas mais dans ce cas, continues un thème existant, c'est plus sympa pour le faqueux de tout regrouper sous un même thème plutôt que de fouiller des bouts de thème à l'infini sans forcément y trouver une réponse.
C'était en réponse à un thème sur la perte des feux, comme tu peux le constater, du coup pour toi ce n'est pas évident à retrouver.LØLØ a écrit : Salut,
Pour les essuies glace, il y a vraiment beaucoup de chose sur la faq:
Essuie glace
Moteur d'essuie glace de def 83/98 voir 01
Disfonctionnement essui glace avant
De préférence, continues des thèmes existant pour la jauge et les essuie glace, le titre de ton thème étant: perte des feux, il sera difficile pour les autres ayant des problèmes similaires de retrouver des informations utiles.
L'une des causes possible de non fonctionnement de ta jauge de température à été évoqué dans ce thème précédemment, mais tu n'as pas répondu aux questions posées, donc je ne sais pas où tu en es exactement, cherche aussi sur la faq avec quelques mots clefs comme: jauge; température; manomètre; capteur; etc, tu trouveras certainement.
A+
D'autre liens:
Problème de Comodo
Essuies glace et phares pour le 300 il y a la position intermittente en plus.
Allez, on te mets sur la piste, les renseignements que tu cherches sont sur ce commodo, le vert foncé c'est le +12V après contact. Il faut bien distingué le vert (G) du vert claire (LG) mais aussi la couleur principale et le liseré. Les autres fils du commodo sont à base de vert clair ou à liseré vert clair. Peux nous exposer la raison de cette recherche?
A+
2 solutions: la bonne et l'Anglaise
LUCAS: Il n'y a pas de contact où il le faut et il y en a un où il ne faut pas
On ne peut aller loin en amitié, si on n'est pas disposé à se pardonner les uns aux autres les petits défauts.
www.eternal-vehicles.fr
LUCAS: Il n'y a pas de contact où il le faut et il y en a un où il ne faut pas
On ne peut aller loin en amitié, si on n'est pas disposé à se pardonner les uns aux autres les petits défauts.
www.eternal-vehicles.fr
Re: branchement comodo essuie glece def 2.5 d
toute mes excuses je n'ai pas l'habitude dans la recherche j'ai chercher mais pas trouver
je pose cette question parce que j'ai a raccorder un comodo d'essuie glace de def 90 2.5d de 1983
sur un faisceau de disco 200TDI de 1993
et j'avais des doute
je pose cette question parce que j'ai a raccorder un comodo d'essuie glace de def 90 2.5d de 1983
sur un faisceau de disco 200TDI de 1993
et j'avais des doute
Re: branchement comodo essuie glece def 2.5 d
désolé LØLØ mais je n'ai pas trouver mon bonheur dans tout ce que tu m'as indiqué
sur le comodo essuie glace du 2.5d il n'y a pas de fil pour l'intermitence
et sur celui du 200TDI il y en a un blanc vert clair
avec quel fil je dois le reccorder sur le commodo du 2.5d
sur le comodo essuie glace du 2.5d il n'y a pas de fil pour l'intermitence
et sur celui du 200TDI il y en a un blanc vert clair
avec quel fil je dois le reccorder sur le commodo du 2.5d
- LØLØ
- Modérateur
- Messages : 6210
- Enregistré le : 30/07/2006 15:41
- Localisation : guainville (28 )
- Contact :
Re: branchement comodo essuie glece def 2.5 d
Salut, là tu es coincé, car tu perds la fonction de la commande du relais de l'intermittence avec le commodo du 2,5D car il n'y a que deux positions 0-1-2 et un fil de moins blanc liseré vert clair.
Les schémas du 300 et du 200 sont identiques pour ce qui est des essuie glaces, même éléments et même couleur pour les fils, ce qui change c'est juste la forme du connecteur de commodo entre le 200 (noir)et le 300 (blanc).
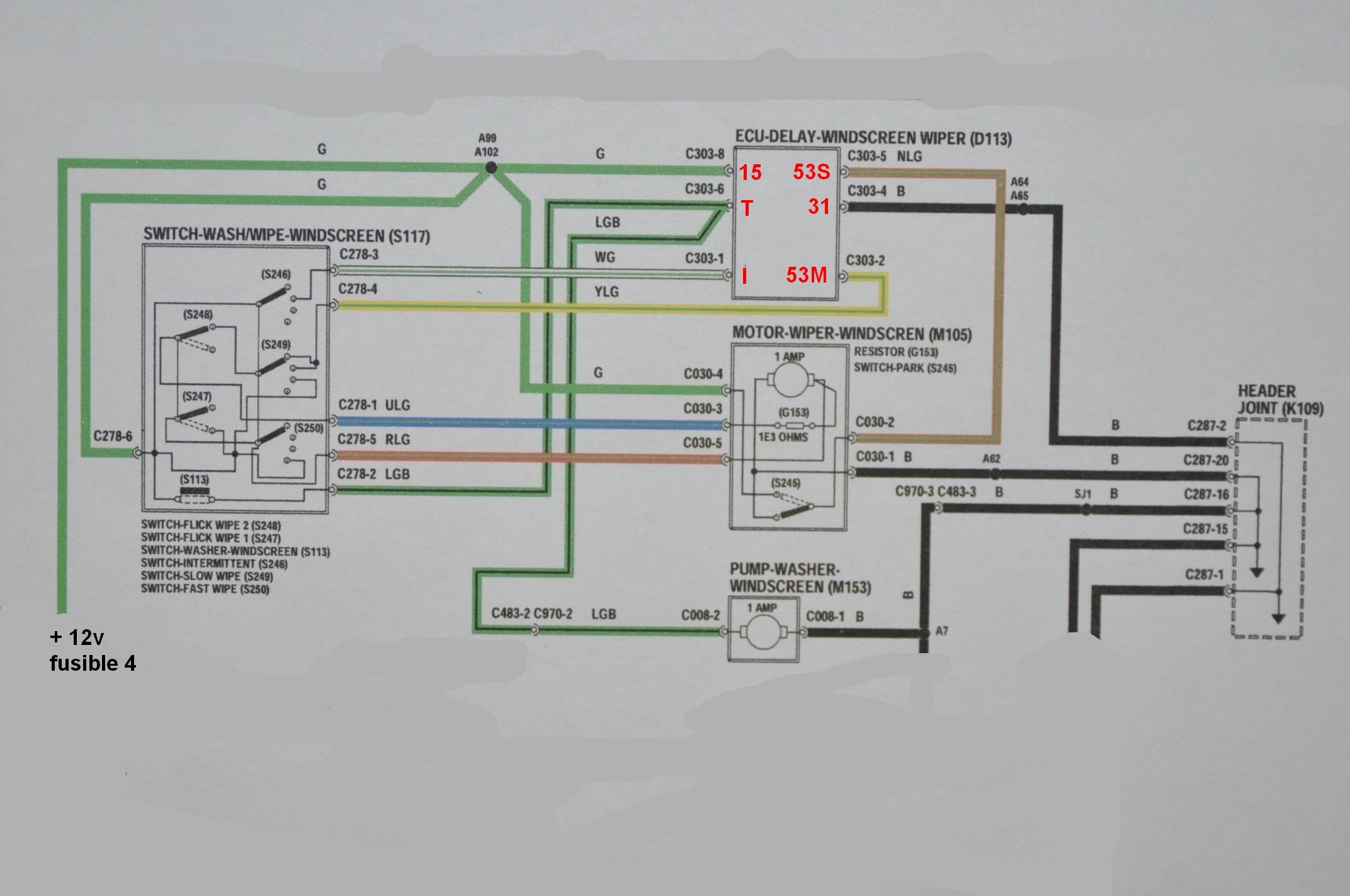
Donc le schéma est ici sur la faq.
Sur le schéma, tu as le détail du commodo avec la couleur des fils.
Le relais de temporisation qui du coup ne sert plus. Tu peux le neutralisé, photo 4 ici
Le moteur d’essuie glace avec ses deux vitesses.
Sur le commodo du 200, tu as les mêmes couleurs que sur celui du 2,5D, que tu retrouve sur le schéma du 300: Vert sans liseré = +12V après contact donc l'alimentation.
Blanc liseré vert = commande du Relais d’intermittence. Non présent sur le commodo du 2,5D
Bleu liseré vert clair = Vitesse lente.
Rouge liseré vert clair = vitesse rapide.
Vert clair liseré noir = pompe de lave glace.
Marron liseré vert clair = retour automatique sur le commodo du 2,5D
Jaune liseré vert claire retour automatique sur le commodo du 200 via le relais de tempo, c'est pour ça qu'il change de couleur.
Donc il faut que tu relis le fil marron liseré vert du commodo de 2,5D au fil jaune liseré vert clair du faisceau du 200, soit tu laisses le relais de tempo en place si il est OK le contact est fait à l’intérieur pour le retour automatique, soit tu remplace le relais de tempo par un fil qui fera la liaison entre jaune liseré vert clair et le fil marron liseré vert clair
A+
Merde
en relisant le thème, je viens de réaliser que tout ça c'était pour un disco si j'avais su...
C'est bien parce que tu mets un bout de land dessus
Mais je pense que pour le disco c'est le même principe.
Un extrait de schéma, pas terrible mais suffisant pour s'y retrouver apparemment c'est OK, il y a juste une différence de couleur de fil pour l'alimentation Blanc liseré vert clair pour le disco, (il me semble qu'il y a une erreur dans le schéma du disco car il n'est pas possible qu'il y est la même couleur de fil pour l'alimentation et le fil de la commande d’intermittence) correspond au fil vert sur le faisceau du land 2.5D. Vérifies juste qu'il y a bien du +12 V lorsque tu mets le contact sur ce fil. On peut voir aussi sur le schéma que la fonction retour automatique passe par le contact repos du relais de temporisation qui effectue bien la liaison entre les fils marron vert clair et jaune vert clair donc le marron vert clair du commodo de land 2,5D tu le relies au fil jaune vert clair du faisceau de disco . Les pro du disco te dirons où il est.
Essais de trouver un commodo de 300 ou de 200 pour exploiter la fonction intermittence.
Re A+
Les schémas du 300 et du 200 sont identiques pour ce qui est des essuie glaces, même éléments et même couleur pour les fils, ce qui change c'est juste la forme du connecteur de commodo entre le 200 (noir)et le 300 (blanc).
Donc le schéma est ici sur la faq.
Sur le schéma, tu as le détail du commodo avec la couleur des fils.
Le relais de temporisation qui du coup ne sert plus. Tu peux le neutralisé, photo 4 ici
Le moteur d’essuie glace avec ses deux vitesses.
Sur le commodo du 200, tu as les mêmes couleurs que sur celui du 2,5D, que tu retrouve sur le schéma du 300: Vert sans liseré = +12V après contact donc l'alimentation.
Blanc liseré vert = commande du Relais d’intermittence. Non présent sur le commodo du 2,5D
Bleu liseré vert clair = Vitesse lente.
Rouge liseré vert clair = vitesse rapide.
Vert clair liseré noir = pompe de lave glace.
Marron liseré vert clair = retour automatique sur le commodo du 2,5D
Jaune liseré vert claire retour automatique sur le commodo du 200 via le relais de tempo, c'est pour ça qu'il change de couleur.
Donc il faut que tu relis le fil marron liseré vert du commodo de 2,5D au fil jaune liseré vert clair du faisceau du 200, soit tu laisses le relais de tempo en place si il est OK le contact est fait à l’intérieur pour le retour automatique, soit tu remplace le relais de tempo par un fil qui fera la liaison entre jaune liseré vert clair et le fil marron liseré vert clair
A+
C'est bien parce que tu mets un bout de land dessus
Mais je pense que pour le disco c'est le même principe.
Un extrait de schéma, pas terrible mais suffisant pour s'y retrouver apparemment c'est OK, il y a juste une différence de couleur de fil pour l'alimentation Blanc liseré vert clair pour le disco, (il me semble qu'il y a une erreur dans le schéma du disco car il n'est pas possible qu'il y est la même couleur de fil pour l'alimentation et le fil de la commande d’intermittence) correspond au fil vert sur le faisceau du land 2.5D. Vérifies juste qu'il y a bien du +12 V lorsque tu mets le contact sur ce fil. On peut voir aussi sur le schéma que la fonction retour automatique passe par le contact repos du relais de temporisation qui effectue bien la liaison entre les fils marron vert clair et jaune vert clair donc le marron vert clair du commodo de land 2,5D tu le relies au fil jaune vert clair du faisceau de disco . Les pro du disco te dirons où il est.
Essais de trouver un commodo de 300 ou de 200 pour exploiter la fonction intermittence.
Re A+
Modifié en dernier par LØLØ le 13/12/2012 22:46, modifié 1 fois.
2 solutions: la bonne et l'Anglaise
LUCAS: Il n'y a pas de contact où il le faut et il y en a un où il ne faut pas
On ne peut aller loin en amitié, si on n'est pas disposé à se pardonner les uns aux autres les petits défauts.
www.eternal-vehicles.fr
LUCAS: Il n'y a pas de contact où il le faut et il y en a un où il ne faut pas
On ne peut aller loin en amitié, si on n'est pas disposé à se pardonner les uns aux autres les petits défauts.
www.eternal-vehicles.fr
Re: branchement comodo essuie glece def 2.5 d
LØLØ Un tres grand merci pour ta reponse super complete
pour tout te dire avec mon fils nous realisons un LAND 100pouces
ayant pour base un chassis et moteur de disco 200TDI et une caisse de LAND 90 D
mais je pense que tu a raisn on va voir pour utiliser un comodo de 200 ou 300
Merci encor a plus
pour tout te dire avec mon fils nous realisons un LAND 100pouces
ayant pour base un chassis et moteur de disco 200TDI et une caisse de LAND 90 D
mais je pense que tu a raisn on va voir pour utiliser un comodo de 200 ou 300
Merci encor a plus
Re: branchement comodo essuie glece def 2.5 d
Salut, j'ai l’intermittence sur mon def TD4 de 2008 qui ne fonctionne plus
peux tu m’éclairer sur cette panne.
Merci
peux tu m’éclairer sur cette panne.
Merci
- LØLØ
- Modérateur
- Messages : 6210
- Enregistré le : 30/07/2006 15:41
- Localisation : guainville (28 )
- Contact :
Re: branchement comodo essuie glece def 2.5 d
Salut,
Il faut bien commencer par quelques chose.
Ton problème, c'est sur, il est par là!
Un schéma du système d'essuie glace du TD4, pour s’apercevoir que depuis le 200tdi, toujours les mêmes ingrédients et la même recette, ou comme dirait un pote toubib le même ADN.
Une première approche simple, les commodos sont toujours les mêmes, donc vérifies que le commodo commute correctement le relais de temporisation. C'est à dire dans un premier temps que le fil jaune liseré vert clair, ne soit pas déconnecté au niveau du commodo lui même. (Flèche rouge, sur la photo du commodo de TD4)
Ensuite, il me semble que tu as plusieurs land sous la main, donc tu cherches dans l'un d'eux un relais de temporisation celui du disco 200 peut très bien faire l'affaire, puisque tu n'en as plus l'usage pour le quart d'heure. Son aspect un de ceux là, souvent c'est le rouge LUCAS PRC 6864, mais les autres font l'affaire aussi, contrôle le nombre de broches et leurs repérages.
Il me semble que sur le TD4, il est au dessus tu tableau de fusible. Vérifies lorsque tu l'enlèves l’état d'oxydation des connexions.
Questions:
Quel est le VIN de ton land TD4, les 6 ou 7 derniers chiffres seulement ?
Est ce que, lorsque tu appuis sur le lave glace, les essuie glaces se mettent en route automatiquement pour 4 ou 5 balayages ?
A+
Il faut bien commencer par quelques chose.
Ton problème, c'est sur, il est par là!
Quel est le VIN de ton land TD4, les 6 ou 7 derniers chiffres seulement ?
Est ce que, lorsque tu appuis sur le lave glace, les essuie glaces se mettent en route automatiquement pour 4 ou 5 balayages ?
A+
2 solutions: la bonne et l'Anglaise
LUCAS: Il n'y a pas de contact où il le faut et il y en a un où il ne faut pas
On ne peut aller loin en amitié, si on n'est pas disposé à se pardonner les uns aux autres les petits défauts.
www.eternal-vehicles.fr
LUCAS: Il n'y a pas de contact où il le faut et il y en a un où il ne faut pas
On ne peut aller loin en amitié, si on n'est pas disposé à se pardonner les uns aux autres les petits défauts.
www.eternal-vehicles.fr
Re: branchement comodo essuie glece def 2.5 d
Bonjour,
je relance le sujet où il s'est arrêté ! Def td4 90
car vous vous en doutez j'ai un soucis similaire : la temporisation des essuies glaces ne fonctionne plus (meme fonctionnement que la petite vitesse...).
J'ai, je pense tout verifié : branchement au commodo, changement du relais par un neuf....
De temps en temps, au debut du problème, les essuies glaces s'arretaient mais n'importe où ! le lave glace lance les essuies glaces pour 3 coups...
Aidez moi s'il vous plait ... c'est pas grave mais c'est chiant.
je relance le sujet où il s'est arrêté ! Def td4 90
car vous vous en doutez j'ai un soucis similaire : la temporisation des essuies glaces ne fonctionne plus (meme fonctionnement que la petite vitesse...).
J'ai, je pense tout verifié : branchement au commodo, changement du relais par un neuf....
De temps en temps, au debut du problème, les essuies glaces s'arretaient mais n'importe où ! le lave glace lance les essuies glaces pour 3 coups...
Aidez moi s'il vous plait ... c'est pas grave mais c'est chiant.
- LØLØ
- Modérateur
- Messages : 6210
- Enregistré le : 30/07/2006 15:41
- Localisation : guainville (28 )
- Contact :
Re: branchement comodo essuie glece def 2.5 d
Salut, bienvenue,
Il faut que tu contrôles le contacteur de fin de course sur le moteur d'essuie glace lui même.
Vois ce thème : Moteur d'essuie glace de def 83/98 voir 01, c'est arrivè à ThePater vers la fin de la première page.
A+
Il faut que tu contrôles le contacteur de fin de course sur le moteur d'essuie glace lui même.
Vois ce thème : Moteur d'essuie glace de def 83/98 voir 01, c'est arrivè à ThePater vers la fin de la première page.
A+
2 solutions: la bonne et l'Anglaise
LUCAS: Il n'y a pas de contact où il le faut et il y en a un où il ne faut pas
On ne peut aller loin en amitié, si on n'est pas disposé à se pardonner les uns aux autres les petits défauts.
www.eternal-vehicles.fr
LUCAS: Il n'y a pas de contact où il le faut et il y en a un où il ne faut pas
On ne peut aller loin en amitié, si on n'est pas disposé à se pardonner les uns aux autres les petits défauts.
www.eternal-vehicles.fr
Re: branchement comodo essuie glece def 2.5 d
Je vais regarder cela ce soir.
Merci encore !