Cheminement courroie clim sur 300tdi

Diagnostiquer un problème de refroidissement, remplacer un calorstat...

Modérateurs : The Pater, LØLØ

Règles du forum
En naviguant sur le site http://www.landroverfaq.com vous reconnaissez avoir lu ses Conditions d’Utilisation, vous déclarez les comprendre et vous acceptez d’y être lié de manière inconditionnelle. Si tel n'est pas le cas, merci de quitter immédiatement ce site.

Vous pouvez joindre autant d'images que nécessaire à vos messages A LA CONDITION EXPRESSE d'utiliser l'hébergement fourni par le site.

L'administrateur effacera systématiquement tout message contenant des photos hébergées chez Imageschack, Casimage, Wistiti ou tout autre hébergeur tiers sans sommation ni justification.
walidbk
Habitué
Messages : 392
Enregistré le : 15/01/2009 9:50
Localisation : 36°50'01.11''N 10°09'10.66''E

Cheminement courroie clim sur 300tdi

Message non lu par walidbk »

Bonjour,
en ce moment je suis en train de faire la transformation du compresseur de clim en compresseur d'air :) j'avance pas a pas mais là je bute sur un truc ! j'arrive pas a retrouver le bon cheminement de la courroie de clim :roll: j'ai essayé differentes possibilitées mais nada ! si qlq'un aurait un schema ou une foto montrant comment cette courroie passe par les differentes poulies d'un defender 300tdi .
Merci
Avatar du membre
nanard833
Habitué
Messages : 3989
Enregistré le : 10/10/2009 20:18
Localisation : disco 300TDI 431000 bornes

Re: Cheminement courroie clim

Message non lu par nanard833 »

Salut,
DISCOVERY_300TDI_DRIVE_BELT_MAP.jpg
IMG_20140811_124420.jpg
IMG_20140811_124320.jpg
IMG_20140811_124255.jpg

A+
Gratter la botte ne soulage guère quand ça démange à l'intérieur (proverbe chinois)
walidbk
Habitué
Messages : 392
Enregistré le : 15/01/2009 9:50
Localisation : 36°50'01.11''N 10°09'10.66''E

Re: Cheminement courroie clim

Message non lu par walidbk »

Merci bien nannard :wink:
Avatar du membre
nanard833
Habitué
Messages : 3989
Enregistré le : 10/10/2009 20:18
Localisation : disco 300TDI 431000 bornes

Re: Cheminement courroie clim

Message non lu par nanard833 »

:sm28:
Gratter la botte ne soulage guère quand ça démange à l'intérieur (proverbe chinois)
Avatar du membre
kebir31
Habitué
Messages : 2315
Enregistré le : 28/04/2008 7:28
Localisation : chez les pandas

Re: Cheminement courroie clim

Message non lu par kebir31 »

Si tu as un modèles sans clim, il te manquera les deux poulies.
C'était mon cas, et j'avais bricolé un support de compresseur que je pouvais déplacer de gauche à droite afin de tendre la courroie, et j'ai mis une courroie courte, qui part directement du vilebrequin.
Elle touche la poulie de ventilo mais ça ne gène pas le fonctionnement.
This manual should be used to find out where the water is leaking from. Due to the nature of the design and construction of the Defender this can prove to fairly difficult. The fact that water moves in seemingly random directions also adds to the problem
walidbk
Habitué
Messages : 392
Enregistré le : 15/01/2009 9:50
Localisation : 36°50'01.11''N 10°09'10.66''E

Re: Cheminement courroie clim

Message non lu par walidbk »

kebir31 a écrit :Si tu as un modèles sans clim, il te manquera les deux poulies.
C'était mon cas, et j'avais bricolé un support de compresseur que je pouvais déplacer de gauche à droite afin de tendre la courroie, et j'ai mis une courroie courte, qui part directement du vilebrequin.
Elle touche la poulie de ventilo mais ça ne gène pas le fonctionnement.
le defender ete pourvu d'une clim a l'achat mais non fonctionnelle.. c'est ce qui m'a poussé a la modifier en compresseur d'air
Kev
Messages : 1
Enregistré le : 04/01/2016 14:32

Re: Cheminement courroie clim

Message non lu par Kev »

Salut tout le monde je ss en possession d'un def 300 tdi et je voudrais rajouter tout le système de climatisation dessus je voudrais de vos conseils pour le démontage étant donné qu'un amis me Donne le system complet qui est toujours sur le sien merci pour vos conseils et techniques
:D
Avatar du membre
LØLØ
Modérateur
Messages : 6210
Enregistré le : 30/07/2006 15:41
Localisation : guainville (28 )
Contact :

Re: Cheminement courroie clim

Message non lu par LØLØ »

Salut, bienvenue,
Récupérer un système de clim, pas simple l'histoire car elle est bien; infiltrée; incrustée; imbriquée... je ne sais quel adjectif employer pour faire entrevoir l’ampleur de la tâche.
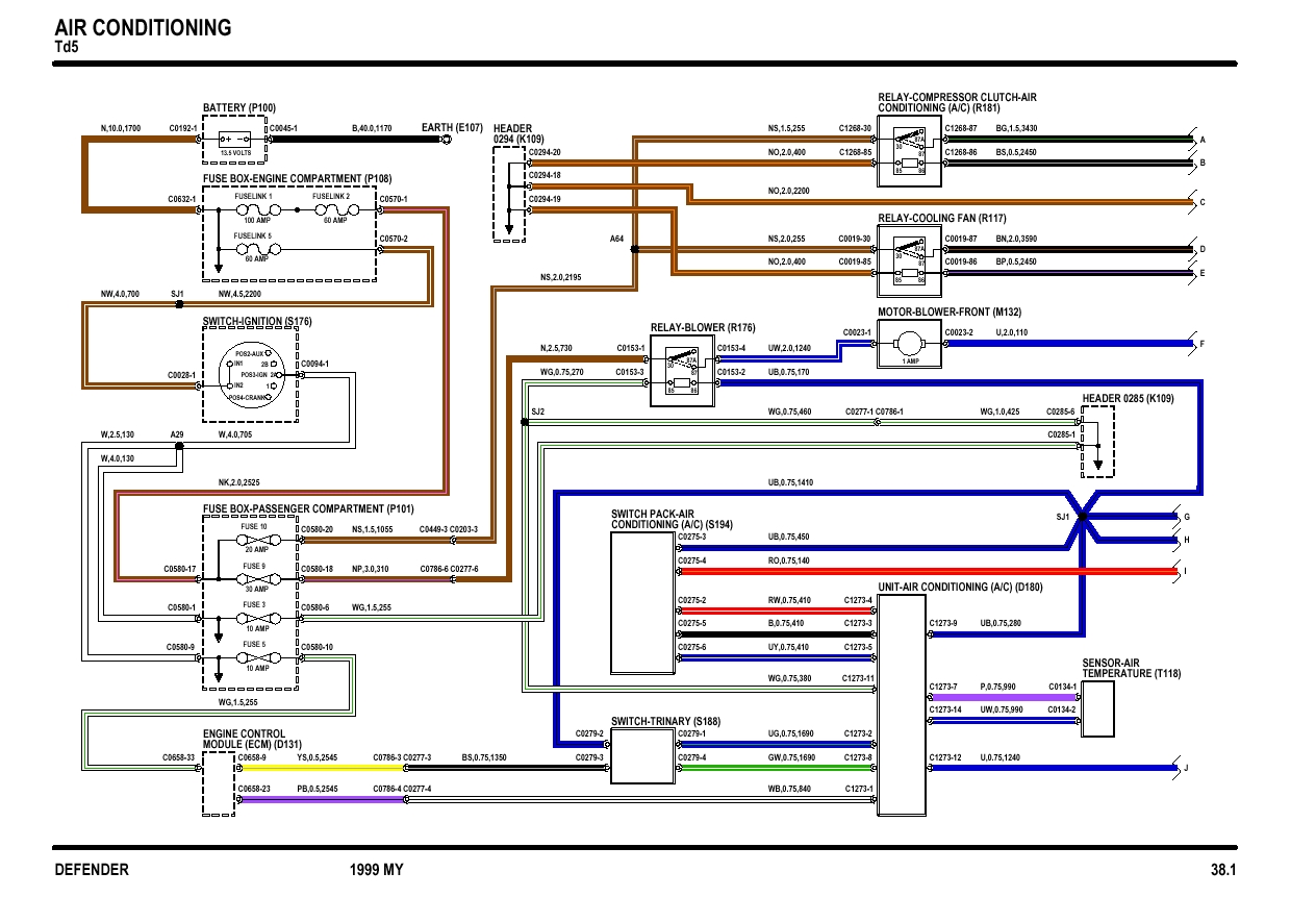
Tiens, deux petits schémas, déjà, cela commence, tout ne tient pas sur un seul , je n'en ai pas trouvé pour un Def 300, mais cela ne doit pas être trop différent sur les premiers TD5. Cela permet d'identifier les organes électriques à prélever.
schéma clim TD5 1999 01.jpg
schéma clim TD5 1999 02.jpg
legendes schéma clim TD5.jpg
Il y a bien sur, ce qui est évident du genre radiateur de clim avec ventilateur.
radiateur clim.jpg
Mais le moins évident, c'est de démonter la calandre spécifique du copain pour cacher tout ça.
excroissance calandre td5.jpg
Pas évident non plus de récupérer le faisceau fusible relais et les divers support, l'intérieur qui est dans les genoux du passager etc...
A+
2 solutions: la bonne et l'Anglaise
LUCAS: Il n'y a pas de contact où il le faut et il y en a un où il ne faut pas
On ne peut aller loin en amitié, si on n'est pas disposé à se pardonner les uns aux autres les petits défauts.
www.eternal-vehicles.fr
jerome38
Habitué
Messages : 725
Enregistré le : 03/06/2004 10:45
Localisation : Uriage, Region grenobloise

Re: Cheminement courroie clim sur 300tdi

Message non lu par jerome38 »

Salut a tous,
je remonte le sujet car je viens de récuperer un ensemble compresseur et ses 2 poulies pour faire un ensemble compresseur d'air que je vais monter sur mon def 300.

Je n'arrive pas à voir sur les photos précédentes comment sont montés les galets, et s'il me faut des pièces d'assemblage que je n'ai pas (j'ai un galet simple et un tendeur monté sur un bras)==> est ce que quelqu'un a une photo ou un eclaté du montage ?

Pour la sortie air du compresseur, avez vous une idée de comment je peux me raccorder dans les trous existants, sachant que je n'ai rien des flexibles d'origine (ni flexible, ni leur fixation que j'imagine comme une bride) ?
RR VM 1992

Re: Cheminement courroie clim sur 300tdi

Message non lu par RR VM 1992 »

Et sur les forums anglais tu as regardé ?

Le cheminement théorique permet d'envisager la manip :
ERR5911B.jpg
Pour les pièces concernées on en a une idée là :

https://www.britishautoparts.com.au/dri ... y_1_300tdi
Avatar du membre
kebir31
Habitué
Messages : 2315
Enregistré le : 28/04/2008 7:28
Localisation : chez les pandas

Re: Cheminement courroie clim sur 300tdi

Message non lu par kebir31 »

jerome38 a écrit : 26/11/2021 14:47 Je n'arrive pas à voir sur les photos précédentes comment sont montés les galets, et s'il me faut des pièces d'assemblage que je n'ai pas (j'ai un galet simple et un tendeur monté sur un bras)==> est ce que quelqu'un a une photo ou un eclaté du montage ?
poste des photos de ce que tu as, ça incitera les gens à aller voir sur leur véhicule s'il y a des pièces en plus ou pas
jerome38 a écrit : 26/11/2021 14:47 Pour la sortie air du compresseur, avez vous une idée de comment je peux me raccorder dans les trous existants, sachant que je n'ai rien des flexibles d'origine (ni flexible, ni leur fixation que j'imagine comme une bride) ?
là encore, poste des photos des raccords que tu as sur ton compresseur, ça sera plus simple pour te répondre au lieu de perdre du temps à taper dans le vide ...
:wink:
This manual should be used to find out where the water is leaking from. Due to the nature of the design and construction of the Defender this can prove to fairly difficult. The fact that water moves in seemingly random directions also adds to the problem
jerome38
Habitué
Messages : 725
Enregistré le : 03/06/2004 10:45
Localisation : Uriage, Region grenobloise

Re: Cheminement courroie clim sur 300tdi

Message non lu par jerome38 »

alors voila les photos de ce que j'ai à disposition pour le montage:

Le compresseur:
compresseur_01.JPG
Les points de branchement:
raccords_01.JPG
le galet tendeur et enrouleur:
galets_01.JPG
La question la plus importante est la connexion des sorties du compresseur, car n'ayant rien pu récupérer d'autre, je ne sais pas comment s'est monté d'origine, et ne vois pas trop le genre d'adaptation possible.
jerome38
Habitué
Messages : 725
Enregistré le : 03/06/2004 10:45
Localisation : Uriage, Region grenobloise

Re: Cheminement courroie clim sur 300tdi

Message non lu par jerome38 »

N'ayant pu trouver de pièces d'origine pour me brancher sur le compresseur, je me suis décidé à les fabriquer moi-meme. Donc, de la barre en alu Ø25, le tour, et c'est parti:

Tournage de l'adaptateur pour l'aspiration:
tournage aspiration_01.JPG
Diamètre extérieur 19.95 mm pour se prendre sur un tuyau inox de 20mm intérieu (récupération d'un échappement de chauffage stationnaire webasto récupéré sur un autre véhicule).

Etancheité avec le compresseur par un joint torique pris dans le chanfrein d'entrée du compresseur. Ce n'est pas un montage académique, mais pour l'aspiration cela devrait aller, d'autant que le jeu est faible entre les 2 pièces (environ 1-2 centièmes, ça glisse tout juste :mrgreen: )




La sortie pression aprés le meme traitement:
sortie pression_01.JPG
Etancheité par joint torique dans l'alésage du compresseur. Un raccord 1/2" sortie sur 8mm rilsan. J'espère que ça ne bridera pas le débit. au cas ou, je démonte et passe en plus gros...




En position sur le compresseur
en position_01.JPG




Bridage par une plaque en alu
ensemble bridé(_01.JPG
vissée dans les filetages d'origine en M6. J'ai mis des entretoises sous les vis pour ne pas trop flechir la plaque.

Reste à mettre en position sur le véhicule (et prévoir la filtration de l'air et la lub du compresseur), et raccorder à une réserve et au circuit déja en place sur le véhicule (commande des blocages ARB).

A suivre donc.
Avatar du membre
The Pater
Modérateur
Messages : 13988
Enregistré le : 25/08/2004 8:19
Localisation : 06°27'46"E 45°50'29"N

Re: Cheminement courroie clim sur 300tdi

Message non lu par The Pater »

Bon travail.
Ingénieur :
Personne faisant un travail divinatoire de précision basé sur des informations peu fiables données par des personnes peu qualifiées, voire ignorantes.
=>, magicien, devin, sorcier
Avatar du membre
nanard833
Habitué
Messages : 3989
Enregistré le : 10/10/2009 20:18
Localisation : disco 300TDI 431000 bornes

Re: Cheminement courroie clim sur 300tdi

Message non lu par nanard833 »

Salut,
du travail de pro :sm28:
jerome38 a écrit : 04/12/2021 20:37 et la lub du compresseur


il ne contient pas sa propre huile? D'autant que l'huile des compresseurs est spécifique non? Tu va devoir créer une petite bâche?

A+
Gratter la botte ne soulage guère quand ça démange à l'intérieur (proverbe chinois)
Avatar du membre
kebir31
Habitué
Messages : 2315
Enregistré le : 28/04/2008 7:28
Localisation : chez les pandas

Re: Cheminement courroie clim sur 300tdi

Message non lu par kebir31 »

La lubrification des circuits de clim est assurée par de l'huile qui circule dans le circuit, mélangée au fréon (donc re-circulée en permanence, puisque circuit fermé)
Dans le cas d'un circuit ouvert (entrée et sortie de l'air), il faut lubrifier en entrée et récupérer l'huile en sortie.
This manual should be used to find out where the water is leaking from. Due to the nature of the design and construction of the Defender this can prove to fairly difficult. The fact that water moves in seemingly random directions also adds to the problem
jerome38
Habitué
Messages : 725
Enregistré le : 03/06/2004 10:45
Localisation : Uriage, Region grenobloise

Re: Cheminement courroie clim sur 300tdi

Message non lu par jerome38 »

Pour la lubrification, je vais faire le systeme répandu auprés de ce qui font cette conversion: insertion d'un lubrificateur à l'entrée et d'un filtre séparateur en sortie; le transfert de l'huile entre les 2 composants se fera à la main.

On trouve trés facilement et à bon prix ce genre de produit, mais en 1/4", ce qui me fais craindre une restriction du débit (mais j'ignore si c'est significatif...?).

Le lubrificateur que je compte installer:
lubrificateur ks tool.jpg
La question sur ce genre de produit: c'est fait pour fonctionner sur un circuit en pression, qu'est ce que ca va donner sur un circuit en dépression (aspiration aprés un filtre à air) ?


Pour la filtration pour éliminer l'huile, je pense partir sur un truc du genre, mais la encore, c'est du 1/4":
separateur huile.jpg
Avatar du membre
kebir31
Habitué
Messages : 2315
Enregistré le : 28/04/2008 7:28
Localisation : chez les pandas

Re: Cheminement courroie clim sur 300tdi

Message non lu par kebir31 »

pour mon premier montage en 1998, j'avais utilisé un huileur comme celui que tu montres. je n'ai pas constaté de problème de débit: ne pas oublier que le débit du compresseur n'est pas très élevé
Depuis le 21ième siècle :mrgreen: , je prélève mon air "frais" sur la tubulure du reniflard d'huile du moteur, sans huileur supplémentaire.

C'est pas forcément la meilleure huile pour le compresseur, mais vu l'utilisation plus que sporadique de ce dernier, il fonctionne toujours ... en plus, ça permet de s'affranchir d'un filtre à air supplémentaire.

En sortie, un déshuileur comme sur ta photo
This manual should be used to find out where the water is leaking from. Due to the nature of the design and construction of the Defender this can prove to fairly difficult. The fact that water moves in seemingly random directions also adds to the problem
jerome38
Habitué
Messages : 725
Enregistré le : 03/06/2004 10:45
Localisation : Uriage, Region grenobloise

Re: Cheminement courroie clim sur 300tdi

Message non lu par jerome38 »

kebir31 a écrit : 07/12/2021 8:44 pour mon premier montage en 1998, j'avais utilisé un huileur comme celui que tu montres. je n'ai pas constaté de problème de débit: ne pas oublier que le débit du compresseur n'est pas très élevé
Depuis le 21ième siècle :mrgreen: , je prélève mon air "frais" sur la tubulure du reniflard d'huile du moteur, sans huileur supplémentaire.

C'est pas forcément la meilleure huile pour le compresseur, mais vu l'utilisation plus que sporadique de ce dernier, il fonctionne toujours ... en plus, ça permet de s'affranchir d'un filtre à air supplémentaire.
J'avais vu que ce montage existait, mais alimenter le compresseur en air à 85°, qu'il va s'empresser de chauffer encore par la compression, ca va finir en décapeur thermique, non ...? Mais c'est vrai que c'est tentant, de l'air déja chargé en vapeurs d'huile et filtré...C'est malin, maintenant j'hesite. Tu t'es repiqué ou ? Sur la tubulure entre culasse et carter ou sur la tubulure qui va à l'aspiration moteur, aprés le reniflard ?
Avatar du membre
kebir31
Habitué
Messages : 2315
Enregistré le : 28/04/2008 7:28
Localisation : chez les pandas

Re: Cheminement courroie clim sur 300tdi

Message non lu par kebir31 »

j'ai rajouté un té sous le séparateur d'huile, sur le tuyau de retour vers le moteur, pour piquer l'air.
c'est certes plus chaud que dans la tubulure d'admission, mais comme mon moteur ne consomme pas d'huile, ça m'a semblé plus raisonnable pour ce qui est de la lubrification
WeChat Image_20211207134124 (Large).jpg
(le compresseur se trouve en bas à droite sur la photo)
This manual should be used to find out where the water is leaking from. Due to the nature of the design and construction of the Defender this can prove to fairly difficult. The fact that water moves in seemingly random directions also adds to the problem
Répondre

Retourner vers « Refroidissement • Chauffage • Climatisation »