Problème de charge
Règles du forum
En naviguant sur le site http://www.landroverfaq.com vous reconnaissez avoir lu ses Conditions d’Utilisation, vous déclarez les comprendre et vous acceptez d’y être lié de manière inconditionnelle. Si tel n'est pas le cas, merci de quitter immédiatement ce site.
Vous pouvez joindre autant d'images que nécessaire à vos messages A LA CONDITION EXPRESSE d'utiliser l'hébergement fourni par le site.
L'administrateur effacera systématiquement tout message contenant des photos hébergées chez Imageschack, Casimage, Wistiti ou tout autre hébergeur tiers sans sommation ni justification.
En naviguant sur le site http://www.landroverfaq.com vous reconnaissez avoir lu ses Conditions d’Utilisation, vous déclarez les comprendre et vous acceptez d’y être lié de manière inconditionnelle. Si tel n'est pas le cas, merci de quitter immédiatement ce site.
Vous pouvez joindre autant d'images que nécessaire à vos messages A LA CONDITION EXPRESSE d'utiliser l'hébergement fourni par le site.
L'administrateur effacera systématiquement tout message contenant des photos hébergées chez Imageschack, Casimage, Wistiti ou tout autre hébergeur tiers sans sommation ni justification.
Problème de charge
Salut à tous!
Le boitier de mon régulateur crame au bout de 15 secondes moteur tournant et je ne sais pas pourquoi. Cet alternateur était monté sur ce véhicule auparavant avec le même montage (sur un 3,5 carbu) et fonctionnait bien. Avec le 3,9 efi tout va bien pendant 15 s et puis le voyant de charge s'allume. Après vérifications, effectivement l'alternateur ne débite plus. J'ai déjà cramé 2 boitiers sans comprendre pourquoi. Ici on voit le gros câble qui est relié au (+) sur le démarreur, le fil rouge n'est connecté à rien pour l'instant (borne W), et le fil jaune qui vient éteindre (ou allumer) le voyant de charge, le moteur est à la masse par plusieurs tresses entre le châssis et le bloc.
Cet après midi, j'ai monté un coupe circuit et je me suis aperçu que la masse qui relie le châssis à la batterie n'était pas très serrée bien rouillée. Ceci peut-il expliquer la panne, alors que les voyants et jauges fonctionnent bien ainsi que le démarreur...?
Le boitier de mon régulateur crame au bout de 15 secondes moteur tournant et je ne sais pas pourquoi. Cet alternateur était monté sur ce véhicule auparavant avec le même montage (sur un 3,5 carbu) et fonctionnait bien. Avec le 3,9 efi tout va bien pendant 15 s et puis le voyant de charge s'allume. Après vérifications, effectivement l'alternateur ne débite plus. J'ai déjà cramé 2 boitiers sans comprendre pourquoi. Ici on voit le gros câble qui est relié au (+) sur le démarreur, le fil rouge n'est connecté à rien pour l'instant (borne W), et le fil jaune qui vient éteindre (ou allumer) le voyant de charge, le moteur est à la masse par plusieurs tresses entre le châssis et le bloc.
Cet après midi, j'ai monté un coupe circuit et je me suis aperçu que la masse qui relie le châssis à la batterie n'était pas très serrée bien rouillée. Ceci peut-il expliquer la panne, alors que les voyants et jauges fonctionnent bien ainsi que le démarreur...?
" Quand le sage montre la lune; l'idiot regarde son doigt "
- nanard833
- Habitué
- Messages : 3989
- Enregistré le : 10/10/2009 20:18
- Localisation : disco 300TDI 431000 bornes
Re: Problème de charge
Salut,
ta batterie est-elle chaude? mais bon en 15 sec....
A+
ta batterie est-elle chaude? mais bon en 15 sec....
A+
Modifié en dernier par nanard833 le 05/06/2015 23:23, modifié 1 fois.
Gratter la botte ne soulage guère quand ça démange à l'intérieur (proverbe chinois)
Re: Problème de charge
Non, la batterie n'est pas chaude et bien chargée. Elle n'est pas en court circuit, si c'est ce à quoi tu penses.
" Quand le sage montre la lune; l'idiot regarde son doigt "
- nanard833
- Habitué
- Messages : 3989
- Enregistré le : 10/10/2009 20:18
- Localisation : disco 300TDI 431000 bornes
Re: Problème de charge
il y a les mêmes rapports de poulies entre le montage sur le 3.5 et le 3.9 ?
Gratter la botte ne soulage guère quand ça démange à l'intérieur (proverbe chinois)
- LØLØ
- Modérateur
- Messages : 6210
- Enregistré le : 30/07/2006 15:41
- Localisation : guainville (28 )
- Contact :
Re: Problème de charge
Salut,
Ce qui peux provoquer un claquage du régulateur, c'est une mauvaise liaison sur le gros fil donc il débite sur rien.
Contrôle le gros fil monté sur le démarreur, vérifie le serrage des cosses, y compris a l’intérieur de l'alternateur, la qualité des sertissages, la continuité du fil, coupé quelque part sous l'isolant.
Ensuite tu peux contrôler le pont de diode à l'intérieur de l'alternateur, voir si il n'y a pas eu un coup de chaud.
A+
Ce qui peux provoquer un claquage du régulateur, c'est une mauvaise liaison sur le gros fil donc il débite sur rien.
Contrôle le gros fil monté sur le démarreur, vérifie le serrage des cosses, y compris a l’intérieur de l'alternateur, la qualité des sertissages, la continuité du fil, coupé quelque part sous l'isolant.
Ensuite tu peux contrôler le pont de diode à l'intérieur de l'alternateur, voir si il n'y a pas eu un coup de chaud.
A+
2 solutions: la bonne et l'Anglaise
LUCAS: Il n'y a pas de contact où il le faut et il y en a un où il ne faut pas
On ne peut aller loin en amitié, si on n'est pas disposé à se pardonner les uns aux autres les petits défauts.
www.eternal-vehicles.fr
LUCAS: Il n'y a pas de contact où il le faut et il y en a un où il ne faut pas
On ne peut aller loin en amitié, si on n'est pas disposé à se pardonner les uns aux autres les petits défauts.
www.eternal-vehicles.fr
Re: Problème de charge
Merci LØLØ, je vais tester le fil et les connections. L'alternateur a été acheté neuf il y a 3 ans et n'a pas dû rouler plus de 1000 km...LØLØ a écrit :Salut,
Ce qui peux provoquer un claquage du régulateur, c'est une mauvaise liaison sur le gros fil donc il débite sur rien.
Contrôle le gros fil monté sur le démarreur, vérifie le serrage des cosses, y compris a l’intérieur de l'alternateur, la qualité des sertissages, la continuité du fil, coupé quelque part sous l'isolant.
Ensuite tu peux contrôler le pont de diode à l'intérieur de l'alternateur, voir si il n'y a pas eu un coup de chaud.
A+
" Quand le sage montre la lune; l'idiot regarde son doigt "
Re: Problème de charge
Salut!
J'ai testé le fil, mais il est dans un état proche du neuf. Les connections sont très propres et la continuité est bonne (ce qui est la moindre des choses pour du 6 mm).
J'ai démonté l'alternateur et dessoudé la platine pour tester les diodes. Les 9 diodes sont en bon état et les enroulements du rotor et du stator aussi. Pas de soucis non plus sur les connections.
J'ai comparé mes mesures avec un autre alternateur dont le collecteur est HS mais dont je sais que le fonctionnement est bon, et je n'ai pas trouvé de différence (excepté sur les valeurs des diodes, mais ça n'explique pas la panne).
Pour faire court, là, je sèche.
En remontant dans mes souvenirs, je sais maintenant pourquoi l'alternateur ne fonctionne plus. J'avais mis le contact afin d'effectuer le repérage de quelques fils des différentes sondes. J'ai ensuite voulu vérifier le calage initial et j'ai tourné le moteur à la main d'un demi tour dans le mauvais sens avec le contact que j'avais oublier de couper. J'ai entendu alors une sorte de crissement et il se pourrait bien que ce bruit provenait de l'alternateur.
J'ai testé le fil, mais il est dans un état proche du neuf. Les connections sont très propres et la continuité est bonne (ce qui est la moindre des choses pour du 6 mm).
J'ai démonté l'alternateur et dessoudé la platine pour tester les diodes. Les 9 diodes sont en bon état et les enroulements du rotor et du stator aussi. Pas de soucis non plus sur les connections.
J'ai comparé mes mesures avec un autre alternateur dont le collecteur est HS mais dont je sais que le fonctionnement est bon, et je n'ai pas trouvé de différence (excepté sur les valeurs des diodes, mais ça n'explique pas la panne).
Pour faire court, là, je sèche.
En remontant dans mes souvenirs, je sais maintenant pourquoi l'alternateur ne fonctionne plus. J'avais mis le contact afin d'effectuer le repérage de quelques fils des différentes sondes. J'ai ensuite voulu vérifier le calage initial et j'ai tourné le moteur à la main d'un demi tour dans le mauvais sens avec le contact que j'avais oublier de couper. J'ai entendu alors une sorte de crissement et il se pourrait bien que ce bruit provenait de l'alternateur.
" Quand le sage montre la lune; l'idiot regarde son doigt "
- LØLØ
- Modérateur
- Messages : 6210
- Enregistré le : 30/07/2006 15:41
- Localisation : guainville (28 )
- Contact :
Re: Problème de charge
Pour tester correctement une diode, il faut dessouder un des cotés,et c'est peut-être bien ça qui expliquerait le claquage à répétition des régulateurs.torero a écrit : J'ai démonté l'alternateur et dessoudé la platine pour tester les diodes. Les 9 diodes sont en bon état et les enroulements du rotor et du stator aussi. Pas de soucis non plus sur les connections.
J'ai comparé mes mesures avec un autre alternateur dont le collecteur est HS mais dont je sais que le fonctionnement est bon, et je n'ai pas trouvé de différence (excepté sur les valeurs des diodes, mais ça n'explique pas la panne).
Pont de diode HS.
A+
2 solutions: la bonne et l'Anglaise
LUCAS: Il n'y a pas de contact où il le faut et il y en a un où il ne faut pas
On ne peut aller loin en amitié, si on n'est pas disposé à se pardonner les uns aux autres les petits défauts.
www.eternal-vehicles.fr
LUCAS: Il n'y a pas de contact où il le faut et il y en a un où il ne faut pas
On ne peut aller loin en amitié, si on n'est pas disposé à se pardonner les uns aux autres les petits défauts.
www.eternal-vehicles.fr
Re: Problème de charge
Un pote me file un alternateur de 3,5 carbu, je vais bien voir si ça fonctionne. Si il claque aussi, là je me fais moine... 
" Quand le sage montre la lune; l'idiot regarde son doigt "
- LØLØ
- Modérateur
- Messages : 6210
- Enregistré le : 30/07/2006 15:41
- Localisation : guainville (28 )
- Contact :
Re: Problème de charge
Salut,
Tu as confiance dans ton démarreur, ne te collerait-il pas une consommation excessive par un défaut sur le solénoïde ? Ou un treuil peut-être ?
A+
Tu as confiance dans ton démarreur, ne te collerait-il pas une consommation excessive par un défaut sur le solénoïde ? Ou un treuil peut-être ?
A+
2 solutions: la bonne et l'Anglaise
LUCAS: Il n'y a pas de contact où il le faut et il y en a un où il ne faut pas
On ne peut aller loin en amitié, si on n'est pas disposé à se pardonner les uns aux autres les petits défauts.
www.eternal-vehicles.fr
LUCAS: Il n'y a pas de contact où il le faut et il y en a un où il ne faut pas
On ne peut aller loin en amitié, si on n'est pas disposé à se pardonner les uns aux autres les petits défauts.
www.eternal-vehicles.fr
Re: Problème de charge
Ca y est, tout fonctionne bien avec le nouvel alternateur, donc c'était bien lui qui était naze. Par contre c'est un A133, la poulie est plus grosse et pas interchangeable avec le A127, du coup ma courroie est un peu courte.Je vais récupérer le pont de diodes sur un vieux A127 que j'ai et je le monterai en remplacement de celui qui est HS. Je vais aussi acheter un régulateur neuf et tout devrait rentrer dans l'ordre.
Je dessouderais au passage les diodes de celui qui est HS pour les tester une à une.
Je dessouderais au passage les diodes de celui qui est HS pour les tester une à une.
" Quand le sage montre la lune; l'idiot regarde son doigt "
Re: Problème de charge
J'ai entièrement révisé le démarreur, il est en super état. De plus, il est démultiplié donc demande moins de puissance contrairement à l'ancien qui était un démarreur de série 3.LØLØ a écrit :Salut,
Tu as confiance dans ton démarreur, ne te collerait-il pas une consommation excessive par un défaut sur le solénoïde ? Ou un treuil peut-être ?
A+
Je viens de dessouder les diodes, et elles sont toutes en bon état...Je les ai même testées avec une lampe témoin et elle ne fonctionnent que dans un sens. Ici c'est le pont de diodes pour la connection du voyant et du fil qui part au régulateur (3 entrées une sortie). Là aussi tout fonctionne.
" Quand le sage montre la lune; l'idiot regarde son doigt "
- LØLØ
- Modérateur
- Messages : 6210
- Enregistré le : 30/07/2006 15:41
- Localisation : guainville (28 )
- Contact :
Re: Problème de charge
Salut,
mais est ce que cela ne pourrait pas provenir, d'un défaut d'isolation sur l'une des connexions serties ou vissées. J'ai déjà eu le cas sur un alternateur neuf, une histoire de dingue, il aura fallu 7 ou 8 montages et démontages, pour cerner le problème qui était aléatoire, car des fois une cosse interne touchait et des fois pas. Symptômes, voyant allumé, tension de batterie à 12V moteur tournant. Bon achat d'un alternateur neuf, s'était sur un SIII d'un copain, donc pas ruineux. Montage même symptôme ? Zut, serait ce le faisceau qui déconne on dépiaute tout rien, démontage de mon alternateur ( même land), montage sur son land OK, montage du neuf sur le mien OK; remontage du neuf sur le sien pas OK
. Ouverture de l'alternateur neuf, découverte que la cosse d'un fil faisait contact avec la carcasse, repositionnement et remontage et là OK, depuis, je me méfie même de ce qui est neuf.
A+
Les petites diodes excitation.torero a écrit : Ici c'est le pont de diodes pour la connection du voyant et du fil qui part au régulateur (3 entrées une sortie).
Tu vas me trouvé têtu,Là aussi tout fonctionne.
A+
2 solutions: la bonne et l'Anglaise
LUCAS: Il n'y a pas de contact où il le faut et il y en a un où il ne faut pas
On ne peut aller loin en amitié, si on n'est pas disposé à se pardonner les uns aux autres les petits défauts.
www.eternal-vehicles.fr
LUCAS: Il n'y a pas de contact où il le faut et il y en a un où il ne faut pas
On ne peut aller loin en amitié, si on n'est pas disposé à se pardonner les uns aux autres les petits défauts.
www.eternal-vehicles.fr
Re: Problème de charge
J'y ai pensé, et j'ai donc bien regardé que tout soit bien isolé. Je vais remonter ce pont de diodes (puisque tout est bon) et je regarderai de plus près, peut-être que je trouverais quelque chose...
J'ai remonté l'alternateur avec le pont de diodes d'un autre et j'attends un nouveau régulateur. Je verrais bien après...
L'alternateur que j'ai monté en provisoire et qui fonctionne est "ignition sense", c'est un A133. Mis à part qu'il faut tirer un fil + après contact pour l'excitation, quelle différence y a-t-il avec un "battery sense"? Se pourrait-il qu'il y aie une incompatibilité de mon véhicule et/ou câblage avec un "battery sense"?
J'ai remonté l'alternateur avec le pont de diodes d'un autre et j'attends un nouveau régulateur. Je verrais bien après...
L'alternateur que j'ai monté en provisoire et qui fonctionne est "ignition sense", c'est un A133. Mis à part qu'il faut tirer un fil + après contact pour l'excitation, quelle différence y a-t-il avec un "battery sense"? Se pourrait-il qu'il y aie une incompatibilité de mon véhicule et/ou câblage avec un "battery sense"?
" Quand le sage montre la lune; l'idiot regarde son doigt "
- LØLØ
- Modérateur
- Messages : 6210
- Enregistré le : 30/07/2006 15:41
- Localisation : guainville (28 )
- Contact :
Re: Problème de charge
Salut,
Il y en a un qui est auto amorçable, et l'autre il lui faut un +12V après contact.
Un truc qui peut être différent des fois , c'est la valeur en Watt de la petite ampoule témoin au tableau de bord. Et puis sur les land, il y a une petite résistance de 60Ω en parallèle sur le voyant de batterie, de façon, je pense, a ce que il y est quand même excitation si l'ampoule est claquée.
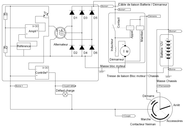
Sur les vieux def, la résistance est planquée dans une espèce de porte fusible. Tu reconnais bien le petit fil marron liseré jaune, que l'on retrouve au cul de l'alternateur broche WL pour Warning Lampe sur les LUCAS. Sur les TD5 le même principe mais là, il y a 3 résistances de 200Ω CMS en parallèles, planquées dans sur la platine des voyants. Le bilan des 3 trois résistances en parallèle fait 66Ω, ils en ont mis 3 en parallèles pour une histoire de courant. Un petit schéma concernant les def 300tdi. Histoire d'avoir les idées claires sur le système, j'ai viré tout ce qui concernait le démarrage, pour ne conserver que ce qui concerne la charge. Tiens je m’aperçois, qu'il y a une diode en série dans le circuit du voyant, et la résistance apparait bien. Par contre pas de détail de la structure interne de l'alternateur, même pas une symbolique. Pour le schéma du TD5, la résistance de 60Ω ou sont équivalent, n'apparait pas. On peut noter qu'il y a un +12V après contact en plus du voyant, et qu'ils ont réunis les deux à l’intérieur de l'alternateur, bizarre. Là pas de diode non plus existe-elle ?
Il faudrait chercher dans le faisceau ou la platine des voyants. Pour le TD4...
Bon OK, j’arrête de vous saouler
A+
Il y en a un qui est auto amorçable, et l'autre il lui faut un +12V après contact.
Un truc qui peut être différent des fois , c'est la valeur en Watt de la petite ampoule témoin au tableau de bord. Et puis sur les land, il y a une petite résistance de 60Ω en parallèle sur le voyant de batterie, de façon, je pense, a ce que il y est quand même excitation si l'ampoule est claquée.
Sur les vieux def, la résistance est planquée dans une espèce de porte fusible. Tu reconnais bien le petit fil marron liseré jaune, que l'on retrouve au cul de l'alternateur broche WL pour Warning Lampe sur les LUCAS. Sur les TD5 le même principe mais là, il y a 3 résistances de 200Ω CMS en parallèles, planquées dans sur la platine des voyants. Le bilan des 3 trois résistances en parallèle fait 66Ω, ils en ont mis 3 en parallèles pour une histoire de courant. Un petit schéma concernant les def 300tdi. Histoire d'avoir les idées claires sur le système, j'ai viré tout ce qui concernait le démarrage, pour ne conserver que ce qui concerne la charge. Tiens je m’aperçois, qu'il y a une diode en série dans le circuit du voyant, et la résistance apparait bien. Par contre pas de détail de la structure interne de l'alternateur, même pas une symbolique. Pour le schéma du TD5, la résistance de 60Ω ou sont équivalent, n'apparait pas. On peut noter qu'il y a un +12V après contact en plus du voyant, et qu'ils ont réunis les deux à l’intérieur de l'alternateur, bizarre. Là pas de diode non plus existe-elle ?
Il faudrait chercher dans le faisceau ou la platine des voyants. Pour le TD4...
A+
2 solutions: la bonne et l'Anglaise
LUCAS: Il n'y a pas de contact où il le faut et il y en a un où il ne faut pas
On ne peut aller loin en amitié, si on n'est pas disposé à se pardonner les uns aux autres les petits défauts.
www.eternal-vehicles.fr
LUCAS: Il n'y a pas de contact où il le faut et il y en a un où il ne faut pas
On ne peut aller loin en amitié, si on n'est pas disposé à se pardonner les uns aux autres les petits défauts.
www.eternal-vehicles.fr
Re: Problème de charge
Merci pour ces infos!
J'avais remarqué cette résistance dans le circuit, mais je n'avais aucune idée de son rôle.
J'avais remarqué cette résistance dans le circuit, mais je n'avais aucune idée de son rôle.
" Quand le sage montre la lune; l'idiot regarde son doigt "