bouchon de purge ldr culasse td5

Diagnostiquer un problème de refroidissement, remplacer un calorstat...

Modérateurs : The Pater, LØLØ

Règles du forum
En naviguant sur le site http://www.landroverfaq.com vous reconnaissez avoir lu ses Conditions d’Utilisation, vous déclarez les comprendre et vous acceptez d’y être lié de manière inconditionnelle. Si tel n'est pas le cas, merci de quitter immédiatement ce site.

Vous pouvez joindre autant d'images que nécessaire à vos messages A LA CONDITION EXPRESSE d'utiliser l'hébergement fourni par le site.

L'administrateur effacera systématiquement tout message contenant des photos hébergées chez Imageschack, Casimage, Wistiti ou tout autre hébergeur tiers sans sommation ni justification.
Répondre
discostep
Habitué
Messages : 39
Enregistré le : 28/12/2015 15:40
Localisation : 93360 neuily plaisance

bouchon de purge ldr culasse td5

Message non lu par discostep »

salut a tous
vendredi j'attaque le servicing complet de mon disco TD5 de 1999
filtre GO , liquide de frein , de direction assistée , vidange moteur, niveau boite et ponts ,remplacement des joints de régulateur carburant , et de collecteur d'échappement ( avec les goujons ) et remplacement du LDR
j'ai acheté un produit nettoyant pour mon circuit de refroidissement et pour ma vidange je n'arrive pas a trouver dans ma doc atelier et sur le net l'emplacement du bouchon de purge de la culasse ...
une ame charitable pourrait elle me poster une photo ou une vue de l'endroit ou se trouve ce bouchon de purge sur le TD5 ?

merci :sm6:

jerome
Avatar du membre
LØLØ
Modérateur
Messages : 6210
Enregistré le : 30/07/2006 15:41
Localisation : guainville (28 )
Contact :

Re: bouchon de purge ldr culasse td5

Message non lu par LØLØ »

Salut,
Rien sur la culasse :
doc circuit de refroidissement TD5 01.jpg
procédure :
doc vidange remplissage TD5 02.jpg
Pourquoi faire compliqué quand on peut faire simple . :wink:
vis de purge TD5.jpg
A+
2 solutions: la bonne et l'Anglaise
LUCAS: Il n'y a pas de contact où il le faut et il y en a un où il ne faut pas
On ne peut aller loin en amitié, si on n'est pas disposé à se pardonner les uns aux autres les petits défauts.
www.eternal-vehicles.fr
discostep
Habitué
Messages : 39
Enregistré le : 28/12/2015 15:40
Localisation : 93360 neuily plaisance

Re: bouchon de purge ldr culasse td5

Message non lu par discostep »

Oupsss ... sorry je ne sais pas pourquoi j'etais persuadé qu'il y avait un bouchon de vidange sur le bloc :oops: le fait qu'il n'y est rien de mentionné sur le manuel d'atelier aurais du me mettre la puce a l'oreille

en tout cas merci beaucoup pour ta réponse LØLØ
Avatar du membre
torero
Habitué
Messages : 2521
Enregistré le : 26/07/2004 14:49
Localisation : Poulx 30

Re: bouchon de purge ldr culasse td5

Message non lu par torero »

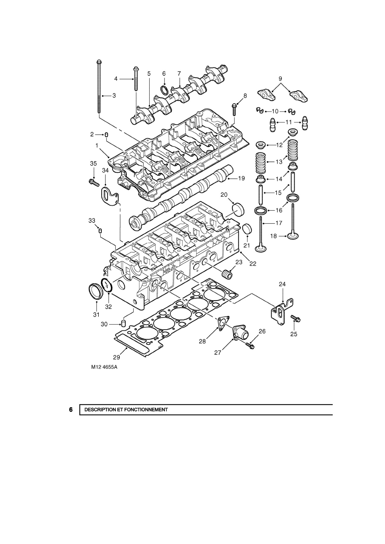
Dans la doc, LR annonce 13 litres de ldr. Mais quand on vidange par la durite inférieure du radiateur,( il y a un bouchon de vidange prévu sur la durite) on obtient seulement 8 à 10 litres. Il existe 2 bouchons, un sur le bloc et un sur la culasse qui permettent de vidanger complètement le circuit.
culasse.jpg
Le repère 23 pour la culasse.
bloc.jpg
Le repère 47 pour le bloc.
" Quand le sage montre la lune; l'idiot regarde son doigt "
Avatar du membre
JTHIE
Habitué
Messages : 89
Enregistré le : 01/03/2012 12:52
Localisation : UTM 58K 064-753 avec mon 90sw Td5 et mon 110pu 300Tdi

Re: bouchon de purge ldr culasse td5

Message non lu par JTHIE »

discostep a écrit :Oupsss ... sorry je ne sais pas pourquoi j'etais persuadé qu'il y avait un bouchon de vidange sur le bloc :oops: le fait qu'il n'y est rien de mentionné sur le manuel d'atelier aurais du me mettre la puce a l'oreille

en tout cas merci beaucoup pour ta réponse LØLØ

Salut
Attention au bouchon de la culasse il faut le collé car il a pas de joint, et en plus il te faut démonter le collecteur d'échappement en premier, Je préfère utiliser la purge du haut ! Le mien c'était mis à fuir tous seul et j'ai dû mettre un liquide stop fuite dans le circuit car trop dure à dévisser... Et celui du bloc il est très difficile d’accès mais il permet de vider l’intérieur du bloc !
Avatar du membre
The Pater
Modérateur
Messages : 13985
Enregistré le : 25/08/2004 8:19
Localisation : 06°27'46"E 45°50'29"N

Re: bouchon de purge ldr culasse td5

Message non lu par The Pater »

JTHIE a écrit : Attention au bouchon de la culasse il faut le collé car il a pas de joint,
Et la prochaine fois, tu fais comment pour le dévisser ?

Ce n'est pas de la colle qu'il faut mettre mais de la pâte à joint tenant la température.

A+
Ingénieur :
Personne faisant un travail divinatoire de précision basé sur des informations peu fiables données par des personnes peu qualifiées, voire ignorantes.
=>, magicien, devin, sorcier
discostep
Habitué
Messages : 39
Enregistré le : 28/12/2015 15:40
Localisation : 93360 neuily plaisance

Re: bouchon de purge ldr culasse td5

Message non lu par discostep »

ok
merci pour vos réponses c'est cool etrange qu'il ne soit mention d'aucun des bouchon de purge dans le manuel d'atelier ... :roll: , de toute manière le collecteur je le démonte pour remplacer le joint , donc j'aurais accès au bouchon , je mettrais un coup de RTV haute température pour l'étanchéité , mais en règle général si il n'y a pas de joint d'origine , c'est qu'il n'y en a pas besoin ( montage conique )

merci a vous

jerome
Avatar du membre
Gabach
Habitué
Messages : 1180
Enregistré le : 20/07/2004 17:12
Localisation : Grands Causses, Pays Templier

Re: bouchon de purge ldr culasse td5

Message non lu par Gabach »

torero a écrit :Dans la doc, LR annonce 13 litres de ldr. Mais quand on vidange par la durite inférieure du radiateur,( il y a un bouchon de vidange prévu sur la durite) on obtient seulement 8 à 10 litres. Il existe 2 bouchons, un sur le bloc et un sur la culasse qui permettent de vidanger complètement le circuit.

Le repère 23 pour la culasse.

Le repère 47 pour le bloc.
Bonjour à tous, ça fait un moment que je n'étais pas passé par la Fac :oops:
Merci Torero pour ces infos, j'ai consommé plus que d'habitude dernièrement, je commence donc à faire le tour du sujet...
Qui veut faire de grandes choses doit penser fortement au détail ... " Paul Valéry
discostep
Habitué
Messages : 39
Enregistré le : 28/12/2015 15:40
Localisation : 93360 neuily plaisance

Re: bouchon de purge ldr culasse td5

Message non lu par discostep »

finalement je n'ai pas ouvert , c'est vraiment pas facile d'accès ...
j'ai mis un produit nettoyant , effectué un bon rinçage au tuyau et c'est nickel

sinon pour le reste de mon entretien
ma fuite au régulateur se revele être une fuite de la membrane ( je me suis tapé les joints pour rien j'ai plus qu'a tout redémonter pour remplacer le regulateur )
et la grosse grosse galere c'est la purge du circuit d'embrayage , je n'ai jamais autant galèré , en plus le circuit est incompréhensible et énorme ( plus de 2 mètres de tuyauterie )
sans outillage je déconseillerais de se lancer la dedans ...

mais je suis content mon petit disco est comme neuf
liquide de refroidissement
liquide de frein
liquide d'embrayage
filtre a huile
filtre centrifuge ( les deux taraudages étaient chiér , j'ai du percer et mettre des vis + ecrous )
filtre gasoil
niveau boite et ponts
graissage des croisillons
Répondre

Retourner vers « Refroidissement • Chauffage • Climatisation »