Bonjour ! je cherche désespérément le manocontact de pression d'huile sur mon disco td5 !
Mon voyant ne s'allume plus !
Si qq pouvait me dire où se trouve t'il ce serait super !
Merci d'avance
Capteur pression d'huile td5
Règles du forum
En naviguant sur le site http://www.landroverfaq.com vous reconnaissez avoir lu ses Conditions d’Utilisation, vous déclarez les comprendre et vous acceptez d’y être lié de manière inconditionnelle. Si tel n'est pas le cas, merci de quitter immédiatement ce site.
Vous pouvez joindre autant d'images que nécessaire à vos messages A LA CONDITION EXPRESSE d'utiliser l'hébergement fourni par le site.
L'administrateur effacera systématiquement tout message contenant des photos hébergées chez Imageschack, Casimage, Wistiti ou tout autre hébergeur tiers sans sommation ni justification.
En naviguant sur le site http://www.landroverfaq.com vous reconnaissez avoir lu ses Conditions d’Utilisation, vous déclarez les comprendre et vous acceptez d’y être lié de manière inconditionnelle. Si tel n'est pas le cas, merci de quitter immédiatement ce site.
Vous pouvez joindre autant d'images que nécessaire à vos messages A LA CONDITION EXPRESSE d'utiliser l'hébergement fourni par le site.
L'administrateur effacera systématiquement tout message contenant des photos hébergées chez Imageschack, Casimage, Wistiti ou tout autre hébergeur tiers sans sommation ni justification.
-
samland
- Habitué
- Messages : 158
- Enregistré le : 22/07/2012 23:33
- Localisation : l'Isle sur la Sorgue 84
Capteur pression d'huile td5
A la base nous sommes conducteur ... Puis on achète un Land ... Puis on devient mécanicien...
Aaaaah ......la passion .....
Aaaaah ......la passion .....
Re: Capteur pression d'huile td5
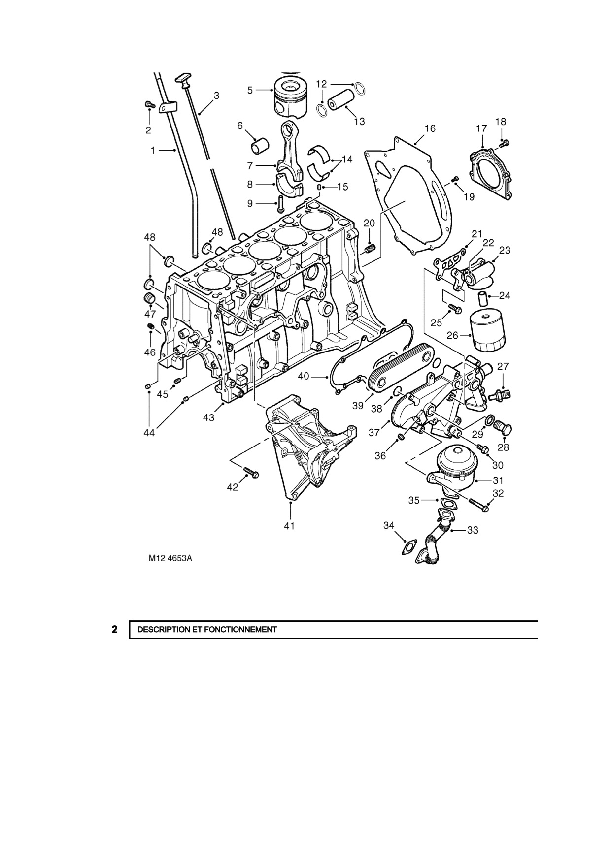
C'est le repère 27. Il est derrière le turbo vers l'arrière du moteur.
" Quand le sage montre la lune; l'idiot regarde son doigt "
- LØLØ
- Modérateur
- Messages : 6208
- Enregistré le : 30/07/2006 15:41
- Localisation : guainville (28 )
- Contact :
Re: Capteur pression d'huile td5
Salut,
Au bout de la flèche rouge.
Soit le NUC10003 de plus prêt, toujours au bout de la flèche rouge.
A+
Au bout de la flèche rouge.
2 solutions: la bonne et l'Anglaise
LUCAS: Il n'y a pas de contact où il le faut et il y en a un où il ne faut pas
On ne peut aller loin en amitié, si on n'est pas disposé à se pardonner les uns aux autres les petits défauts.
www.eternal-vehicles.fr
LUCAS: Il n'y a pas de contact où il le faut et il y en a un où il ne faut pas
On ne peut aller loin en amitié, si on n'est pas disposé à se pardonner les uns aux autres les petits défauts.
www.eternal-vehicles.fr
-
samland
- Habitué
- Messages : 158
- Enregistré le : 22/07/2012 23:33
- Localisation : l'Isle sur la Sorgue 84
Re: Capteur pression d'huile td5
Merci !Trouvé ! Ben le fil était cassé à plusieurs endroits ! 
Merci à celui qui a fait l'embrayage.....
Merci à celui qui a fait l'embrayage.....
A la base nous sommes conducteur ... Puis on achète un Land ... Puis on devient mécanicien...
Aaaaah ......la passion .....
Aaaaah ......la passion .....