plus aucun compteur fonctionnel sur td4
Règles du forum
En naviguant sur le site http://www.landroverfaq.com vous reconnaissez avoir lu ses Conditions d’Utilisation, vous déclarez les comprendre et vous acceptez d’y être lié de manière inconditionnelle. Si tel n'est pas le cas, merci de quitter immédiatement ce site.
Vous pouvez joindre autant d'images que nécessaire à vos messages A LA CONDITION EXPRESSE d'utiliser l'hébergement fourni par le site.
L'administrateur effacera systématiquement tout message contenant des photos hébergées chez Imageschack, Casimage, Wistiti ou tout autre hébergeur tiers sans sommation ni justification.
En naviguant sur le site http://www.landroverfaq.com vous reconnaissez avoir lu ses Conditions d’Utilisation, vous déclarez les comprendre et vous acceptez d’y être lié de manière inconditionnelle. Si tel n'est pas le cas, merci de quitter immédiatement ce site.
Vous pouvez joindre autant d'images que nécessaire à vos messages A LA CONDITION EXPRESSE d'utiliser l'hébergement fourni par le site.
L'administrateur effacera systématiquement tout message contenant des photos hébergées chez Imageschack, Casimage, Wistiti ou tout autre hébergeur tiers sans sommation ni justification.
plus aucun compteur fonctionnel sur td4
bonjour
passionné de la marque depuis plusieurs années j ai craqué récemment pour un def 90 td4 de 2008
utilisation uniquement le week end
hier samedi je mets le contact absence de témoin de préchauffage témoins de frein à main allumé
coup de clef, le def démarre sans problème mais aucun affichage : compte tours, vitesse, temp eau, jauge essence et indication kilométrique
feu, illumination tableau, vitre électrique chauffage no problème
le véhicule roule mais j ai l impression d avoir mois de puissance
problème de fusible?
merci de vos avis éclairés
jean
passionné de la marque depuis plusieurs années j ai craqué récemment pour un def 90 td4 de 2008
utilisation uniquement le week end
hier samedi je mets le contact absence de témoin de préchauffage témoins de frein à main allumé
coup de clef, le def démarre sans problème mais aucun affichage : compte tours, vitesse, temp eau, jauge essence et indication kilométrique
feu, illumination tableau, vitre électrique chauffage no problème
le véhicule roule mais j ai l impression d avoir mois de puissance
problème de fusible?
merci de vos avis éclairés
jean
-
RR VM 1992
Re: plus aucun compteur fonctionnel sur td4
Le schéma électrique potentiellement concerné :
- LØLØ
- Modérateur
- Messages : 6206
- Enregistré le : 30/07/2006 15:41
- Localisation : guainville (28 )
- Contact :
Re: plus aucun compteur fonctionnel sur td4
Salut, bienvenue,
Contrôle le fusible 15 et 30 ( 5 A ) de la console centrale. Un autre schéma pour le compteur de vitesse, car tu précise également qu'il ne fonctionne pas non plus. Sur les pictogrammes des fusibles : Sur les fusibles en vrais : Ce que je peux remarquer, c'est que sur le schéma de RR VM 92 il y a la valeur de 10 A pour le fusible 29, alors que l'équivalent sur le mien, est le fusible 30 qui fait 5 A qui correspond au pictogramme repérer 30, dont la valeur est bien de 10 A, donc même valeur donc que sur le schéma de RR VM 92 et au tableau de fusible en photo.
En résumer contrôle les fusibles 29 et 30 et dis nous dans quel cas tu te situes ?
Pour le fusible 20, il sert pour l'éclairage du tableau de bord et des boutons, là c'est OK, si j'ai bien compris ta phrase sans point ni majuscules.
Tu peux contrôler visuellement les fusibles, et en cas de doute, tu les branches à la place d'un autre fusible et tu fais marcher la fonction qu'il protège, prendre un ampérage équivalent. Au passage, contrôle que le support où se broche le fusible contrôlé ne soit pas oxydé.
A+
Contrôle le fusible 15 et 30 ( 5 A ) de la console centrale. Un autre schéma pour le compteur de vitesse, car tu précise également qu'il ne fonctionne pas non plus. Sur les pictogrammes des fusibles : Sur les fusibles en vrais : Ce que je peux remarquer, c'est que sur le schéma de RR VM 92 il y a la valeur de 10 A pour le fusible 29, alors que l'équivalent sur le mien, est le fusible 30 qui fait 5 A qui correspond au pictogramme repérer 30, dont la valeur est bien de 10 A, donc même valeur donc que sur le schéma de RR VM 92 et au tableau de fusible en photo.
En résumer contrôle les fusibles 29 et 30 et dis nous dans quel cas tu te situes ?
Pour le fusible 20, il sert pour l'éclairage du tableau de bord et des boutons, là c'est OK, si j'ai bien compris ta phrase sans point ni majuscules.
Tu peux contrôler visuellement les fusibles, et en cas de doute, tu les branches à la place d'un autre fusible et tu fais marcher la fonction qu'il protège, prendre un ampérage équivalent. Au passage, contrôle que le support où se broche le fusible contrôlé ne soit pas oxydé.
A+
2 solutions: la bonne et l'Anglaise
LUCAS: Il n'y a pas de contact où il le faut et il y en a un où il ne faut pas
On ne peut aller loin en amitié, si on n'est pas disposé à se pardonner les uns aux autres les petits défauts.
www.eternal-vehicles.fr
LUCAS: Il n'y a pas de contact où il le faut et il y en a un où il ne faut pas
On ne peut aller loin en amitié, si on n'est pas disposé à se pardonner les uns aux autres les petits défauts.
www.eternal-vehicles.fr
Re: plus aucun compteur fonctionnel sur td4
Merci pour vos réponses
Oui l éclairage du tableau de bord fonctionne
Ou se trouvent ces fusibles? Sous le siège avant droit, sous le tableau bord...?
J essaye de voir ça ce soir
Et encore merci pour votre aide
Jean
Oui l éclairage du tableau de bord fonctionne
Ou se trouvent ces fusibles? Sous le siège avant droit, sous le tableau bord...?
J essaye de voir ça ce soir
Et encore merci pour votre aide
Jean
- LØLØ
- Modérateur
- Messages : 6206
- Enregistré le : 30/07/2006 15:41
- Localisation : guainville (28 )
- Contact :
Re: plus aucun compteur fonctionnel sur td4
Salut,def54 a écrit : Ou se trouvent ces fusibles.../... sous le tableau bord...?
Derrière une petite trappe sous le volant en bas à droite de la colonne de direction : A+
2 solutions: la bonne et l'Anglaise
LUCAS: Il n'y a pas de contact où il le faut et il y en a un où il ne faut pas
On ne peut aller loin en amitié, si on n'est pas disposé à se pardonner les uns aux autres les petits défauts.
www.eternal-vehicles.fr
LUCAS: Il n'y a pas de contact où il le faut et il y en a un où il ne faut pas
On ne peut aller loin en amitié, si on n'est pas disposé à se pardonner les uns aux autres les petits défauts.
www.eternal-vehicles.fr
Re: plus aucun compteur fonctionnel sur td4
Voici des nouvelles
J attaque par le fusible 10A colonne de droite qui commande que le tableau de bord pictogramme
Le remplace par un autre ras. Le fusible est intact Mer.....
Sans conviction, je passe au fusible de gauche 10A sans conviction puisqu il commande notamment le plafonnier
Je l enleve, le plafonnier s éteindre. Le fusibles est intact. Je le repositionne.
Je remets le contact et miracle tout ré fonctionne jauge, compte tour, compteur, kilométrage....
Reinitialisation?
En tout cas merci à Lolo
J attaque par le fusible 10A colonne de droite qui commande que le tableau de bord pictogramme
Le remplace par un autre ras. Le fusible est intact Mer.....
Sans conviction, je passe au fusible de gauche 10A sans conviction puisqu il commande notamment le plafonnier
Je l enleve, le plafonnier s éteindre. Le fusibles est intact. Je le repositionne.
Je remets le contact et miracle tout ré fonctionne jauge, compte tour, compteur, kilométrage....
Reinitialisation?
En tout cas merci à Lolo
-
RR VM 1992
Re: plus aucun compteur fonctionnel sur td4
Bonsoir
Ci-dessous le schéma électrique des plafonniers et de leur fusible pour comprendre l'anomalie (problème de masse ? ) :
Par exemple j'ai du refaire le départ de la connectique de l'alarme sur le mien (car plus rien ne fonctionnait) avec ajout d'une rondelle en cuivre épaisse sur le plot fusible de la batterie
Ci-dessous le schéma électrique des plafonniers et de leur fusible pour comprendre l'anomalie (problème de masse ? ) :
Par exemple j'ai du refaire le départ de la connectique de l'alarme sur le mien (car plus rien ne fonctionnait) avec ajout d'une rondelle en cuivre épaisse sur le plot fusible de la batterie
- LØLØ
- Modérateur
- Messages : 6206
- Enregistré le : 30/07/2006 15:41
- Localisation : guainville (28 )
- Contact :
Re: plus aucun compteur fonctionnel sur td4
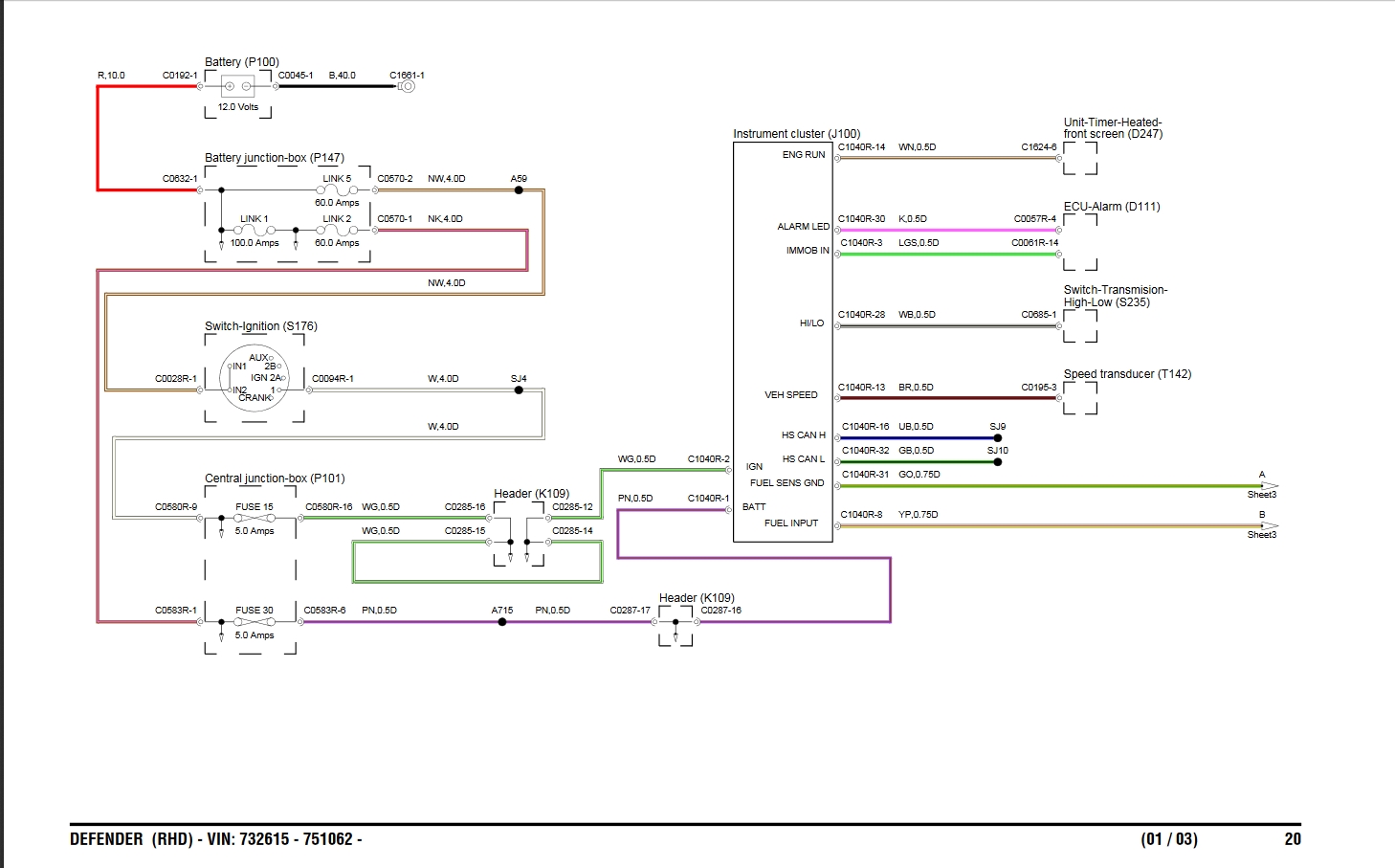
Salut,RR VM 1992 a écrit : Ci-dessous le schéma électrique des plafonniers et de leur fusible pour comprendre l'anomalie (problème de masse ? ) :
Non je ne pense pas à un problème de masse. Sur ton schéma, tu peux voir qu'il y a le header ou collecteur de raccordement K109 ou C0287 Il y une arrivée sur la broche 14 (ou 17 selon ton ou mon schéma donc les versions ou année) du fil PN ( violet liseré marron ) et 3 départs, dont un pour alimenter entre autre le bloc instrument par une tension permanent. Il est possible qu'il y est eu un "bug" électronique, qui s'est réinitialisé par la coupure de son alimentation. Car malgré un aspect simpliste, l'électronique d'un tableau de bord de TD4 est très complexe: A+
2 solutions: la bonne et l'Anglaise
LUCAS: Il n'y a pas de contact où il le faut et il y en a un où il ne faut pas
On ne peut aller loin en amitié, si on n'est pas disposé à se pardonner les uns aux autres les petits défauts.
www.eternal-vehicles.fr
LUCAS: Il n'y a pas de contact où il le faut et il y en a un où il ne faut pas
On ne peut aller loin en amitié, si on n'est pas disposé à se pardonner les uns aux autres les petits défauts.
www.eternal-vehicles.fr