Fonctionnement sieges chauffants pour instalation future

Bidouillages électriques, codes d'erreur ECU...

Modérateurs : The Pater, LØLØ

Règles du forum
En naviguant sur le site http://www.landroverfaq.com vous reconnaissez avoir lu ses Conditions d’Utilisation, vous déclarez les comprendre et vous acceptez d’y être lié de manière inconditionnelle. Si tel n'est pas le cas, merci de quitter immédiatement ce site.

Vous pouvez joindre autant d'images que nécessaire à vos messages A LA CONDITION EXPRESSE d'utiliser l'hébergement fourni par le site.

L'administrateur effacera systématiquement tout message contenant des photos hébergées chez Imageschack, Casimage, Wistiti ou tout autre hébergeur tiers sans sommation ni justification.
Répondre
quatra
Habitué
Messages : 125
Enregistré le : 06/03/2013 2:41

Fonctionnement sieges chauffants pour instalation future

Message non lu par quatra »

Salut tous,

La saison se pręte plus à étudier la clim mais bon,
J'aimerais savoir comment fonctionnent les sieges chauffants d'origine sur le td4 , quelle puissance ils absorbent pour choisir le relais et le fusible, combien de position (une seule ou un mode tiede et unchaud ? ) afin de choisir le bon bouton
Tout ça Dans le but d'en monter dans mon td5....si ça a deja été fait un coup de main via des shemas ou photos de votre instalation sont bienvenus !

En fait j'aurais pas été courir apres mais lors de mon dernier sejour en Ecosse j'avais repéré un gars qui vends des kits style exmoor pour refaire les sièges, mais celui là propose la version "premium" qui equipait certains td4 en option, surprise lors du retrait sur place (il n'envoie qu'au Royaume Uni) les kits ils sont equipés des résistances ........donc du coup pourquoi pas les brancher ! C'est là que j'ai besoin de vos lumières :mrgreen:

De retour a la maison j'ai un peu galéré pour trouver des sieges de td4 hs .....et j'aifini par trouver deux armatures nues d'un coté et deux assisesde l'autre, je récupèrerais mes rails !

Pour le visuel voila l'engin une foisle montage fait
0C542CBA-8AF4-4EB7-B9F2-5AF2AFB02A70.jpeg

Et voila le cablage qui correspond a ce qu'il y a d'origine sur td4
Fichiers joints
952F0E85-EB29-424B-9767-BCB533F7FE9F.jpeg
quatra
Habitué
Messages : 125
Enregistré le : 06/03/2013 2:41

Re: Fonctionnement sieges chauffants pour instalation future

Message non lu par quatra »

Personne n'a les sieges chauffants sur son td4 pour simplement me dire si ils ont une ou deux position de chaleur ? :roll:
Molusk
Habitué
Messages : 254
Enregistré le : 07/11/2008 12:08
Localisation : 45

Re: Fonctionnement sieges chauffants pour instalation future

Message non lu par Molusk »

Salut,
j'avais adapté des sieges de TD4 chauffant, dans mon 130 TD4 pas équipé.
C'est tres basique. Un interupteur on/off avec voyant, un relais et zou. Quand tu vois les fils d'origine qui sortent des coussins, tu comprends que niveau intensité c'est pas le pérou.
Def 110SW 200Tdi de 1992
quatra
Habitué
Messages : 125
Enregistré le : 06/03/2013 2:41

Re: Fonctionnement sieges chauffants pour instalation future

Message non lu par quatra »

C'est su4 que l'intensité doit pas être énnorme !
patric361
Habitué
Messages : 15
Enregistré le : 10/08/2015 20:49

Re: Fonctionnement sieges chauffants pour instalation future

Message non lu par patric361 »

Bonjour,
J'ai des sièges chauffant d'origine sur mon TD4, les boutons n'ont qu'une seule position, c'est ON/OFF, le fusible pour les 2 sièges est un 20 A, le relais je ne sait pas ou il est, le fil d'alimentation de l’assise (la seule partie chauffante) n'est effectivement pas très gros, en espérant aider ;)
quatra
Habitué
Messages : 125
Enregistré le : 06/03/2013 2:41

Re: Fonctionnement sieges chauffants pour instalation future

Message non lu par quatra »

Merci patric361 effectivement ça m'aide pour le choix du bouton et du fusible !
Pourle relais je vais utiliser un "basique"
Avatar du membre
LØLØ
Modérateur
Messages : 6210
Enregistré le : 30/07/2006 15:41
Localisation : guainville (28 )
Contact :

Re: Fonctionnement sieges chauffants pour instalation future

Message non lu par LØLØ »

Salut,
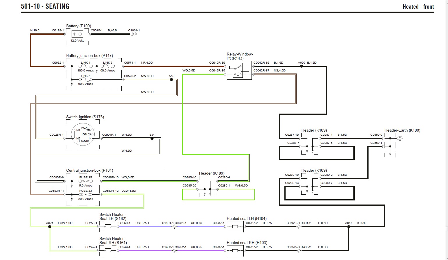
Apparemment, le schéma est vraiment simple, il n'y a pas de relais.
schema siège TD4.jpg
Comme tu peux le voir sur le schéma, un fusible, deux boutons, une résistance chauffante par siège, et c'est tout.
A+
2 solutions: la bonne et l'Anglaise
LUCAS: Il n'y a pas de contact où il le faut et il y en a un où il ne faut pas
On ne peut aller loin en amitié, si on n'est pas disposé à se pardonner les uns aux autres les petits défauts.
www.eternal-vehicles.fr
quatra
Habitué
Messages : 125
Enregistré le : 06/03/2013 2:41

Re: Fonctionnement sieges chauffants pour instalation future

Message non lu par quatra »

Super lolo, merci beaucoup :sm2:

Donc juste unfusible de 20 AMP ! ça vas grandement simplifier le montage :mrgreen:
En meme temps vu lataille des fils je suis pas étonné qu'il n'y ait pas de relais !

Plus qu'atrouverles bonnes fiches afin de faire un beau faisceau, ça serait con de couper les fils des sièges vu le prix des bestiaux :sm1:
Répondre

Retourner vers « Electricité • Electronique »