Embrayage HS

Entretenir une boite de vitesse, installer un différentiel autoblocant...

Modérateurs : The Pater, LØLØ

Règles du forum
En naviguant sur le site http://www.landroverfaq.com vous reconnaissez avoir lu ses Conditions d’Utilisation, vous déclarez les comprendre et vous acceptez d’y être lié de manière inconditionnelle. Si tel n'est pas le cas, merci de quitter immédiatement ce site.

Vous pouvez joindre autant d'images que nécessaire à vos messages A LA CONDITION EXPRESSE d'utiliser l'hébergement fourni par le site.

L'administrateur effacera systématiquement tout message contenant des photos hébergées chez Imageschack, Casimage, Wistiti ou tout autre hébergeur tiers sans sommation ni justification.
Répondre
mig38
Messages : 4
Enregistré le : 21/10/2019 17:15

Embrayage HS

Message non lu par mig38 »

Bonjour à tous,

Nouveau sur les forums et dans la mécanique des Land, voici mon souci:

Je suis en train d'essayer de remettre en route un range classic 2,4l VM de 1987. Il n'a plus tourné depuis 11 ans et avant toutes choses j'ai identifié 2 difficultés:
- démarrer le moteur mais j'hésite à acheter d'emblée les 2 batteries nécessaires si le mal est finalement trop important. Une tentative à partir d'une batterie de clio a bien fait faire un petit tour au moteur mais en fin de compte la surchauffe des pinces de connexion a mis fin aux essais :(
- faire fonctionner l'embrayage. Pédale molle, le réservoir de liquide était vide mais une fois rempli, idem. Tentative de purge mais rien ne sort et pas plus d'effort à la pédale. démontage du purgeur: rien ne sort en appuyant sur la pédale. démontage du tuyau de sortie de l'émetteur, le liquide ressort quand j'appuie sur la pédale. j'hésite à aller plus loin... (de tte façon, je peux pas l'engin est immobilisé devant chez moi! :sm11: )

A défaut de solutions, si quelqu'un a des idées...
Merci d'avance
Mig
Avatar du membre
nomansland
Habitué
Messages : 1745
Enregistré le : 08/12/2006 10:58
Localisation : sud 77

Re: Embrayage HS

Message non lu par nomansland »

Salut ; Tu peux ne mettre qu'une seule batterie , mais faut tout de mème au moins 85/90a/h en la branchant directement et pas avec des pinces qui ont en général de mauvaises connexions !
L'embrayage des range est très difficile a purger ; tu peux essayer avec une seringue depuis le recepteur en faisant remonter le liquide vers l'éméteur .
a+Stef
mig38
Messages : 4
Enregistré le : 21/10/2019 17:15

Re: Embrayage HS

Message non lu par mig38 »

Merci,

Je vais essayer...
mig38
Messages : 4
Enregistré le : 21/10/2019 17:15

Re: Embrayage HS

Message non lu par mig38 »

Bonjour,

Toujours dans ma remise en marche de l'engin, j'ai pu le démarrer et c'est une 1ère satisfaction car après 11 ans de stockage sans précautions, et bien (après contrôle des niveaux quand même...) il a démarré quasi au quart de tour! Et tourne comme une horloge! Seule interrogation, il reste en ralenti accéléré (13/1400 tr/mn environ) même un bon moment après, le moteur bien chaud... des idées?

Coté embrayage, l'effort sur la pédale est très faible (juste celui du au ressort de rappel?) j'ai démonté le récepteur: ras. j'ai démonté la tuyauterie: ras, elle est pas bouchée. le lockeed ne sort pas de l’émetteur quand on appuie sur la pédale et je me demande si elle ne se serait pas débrochée de la tige/piston de l'émetteur? Mais je ne vois rien ni évidemment coté moteur ni coté habitacle après démontage des caches sous le tableau de bord! Et impossible de trouver un schéma ou une photo de la liaison pédale/ émetteur. Quelqu'un aurait-il des infos?

Enfin, après nettoyage et inspection de la carrosserie, je découvre que le temps a hélas laissé quelques traces. La tôle de plancher coté passager est complètement bouffée par la rouille, devant, au niveau de la pliure. Idem pour le montant latéral droit sous le cache plastic. Savez vous s'il existe des kits de renforts à souder/mastiquer/coller sur l'existant? Savez vous aussi si ce type de corrosion est tolérée ou vraiment rédhibitoire au CT :sm11:

Merci à vous

PS pour la question corrosion, il y a peut être un forum plus approprié, je vais chercher...
RR VM 1992

Re: Embrayage HS

Message non lu par RR VM 1992 »

mig38 a écrit : 25/04/2020 11:14 .../....
Toujours dans ma remise en marche de l'engin, j'ai pu le démarrer et c'est une 1ère satisfaction car après 11 ans de stockage sans précautions, et bien (après contrôle des niveaux quand même...) il a démarré quasi au quart de tour! Et tourne comme une horloge! Seule interrogation, il reste en ralenti accéléré (13/1400 tr/mn environ) même un bon moment après, le moteur bien chaud... des idées?
.../.....
Tout à fait normal le ralenti accéléré pour un VM ; je pense que ta commande d'avance (voir photo de la bonbonne silicone) est grippée ou que le silicone s'est durci. Evidemment il te faut consulter le site web de "jf" le grand ''sorcier du VM 2,4/2,5l'' : https://www.cambouis.com/land-rover/Lan ... #moteur_VM
CIMG8739.JPG
mig38 a écrit : 25/04/2020 11:14 ...../.....
Coté embrayage, l'effort sur la pédale est très faible (juste celui du au ressort de rappel?) j'ai démonté le récepteur: ras. j'ai démonté la tuyauterie: ras, elle est pas bouchée. le lockeed ne sort pas de l’émetteur quand on appuie sur la pédale et je me demande si elle ne se serait pas débrochée de la tige/piston de l'émetteur? Mais je ne vois rien ni évidemment coté moteur ni coté habitacle après démontage des caches sous le tableau de bord! Et impossible de trouver un schéma ou une photo de la liaison pédale/ émetteur. Quelqu'un aurait-il des infos?
.../...
L'émetteur (AEU1714 ou ANR2186 selon année modèles) ou le récepteur (FTC5072) sont certainement fuyards ; c'est facile à remplacer mais plus difficile à purger ; idem voir le site de jf pour la procédure à suivre :

La vis de purge (flèche rouge - photo de jf) du récepteur :
DSCF0709.jpg
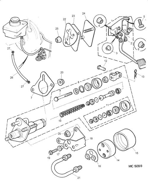
L'éclaté :
Eclaté.jpg
en vente là : https://www.paddockspares.com/ftc5072-c ... inder.html

https://www.paddockspares.com/aeu1714-c ... inder.html

https://www.paddockspares.com/anr2186-c ... inder.html

Une précision : sur les moteurs VM la fourchette d'embrayage est indestructible (pas comme celle des 300TDI....)
mig38 a écrit : 25/04/2020 11:14 ...../.....
Enfin, après nettoyage et inspection de la carrosserie, je découvre que le temps a hélas laissé quelques traces. La tôle de plancher coté passager est complètement bouffée par la rouille, devant, au niveau de la pliure. Idem pour le montant latéral droit sous le cache plastic. Savez vous s'il existe des kits de renforts à souder/mastiquer/coller sur l'existant? Savez vous aussi si ce type de corrosion est tolérée ou vraiment rédhibitoire au CT :sm11:
.../...
Facile à refaire au MIG fil fourré avec de la tôle électro-zinguée (type chutes de ferblantier) ; voir détails de la méthode LRFAQ ici :

viewtopic.php?f=17&t=7804&hilit=t%C3%B4 ... ngu%C3%A9e

et là sur un Range ou les points de corrosion sont multiples :

https://www.youtube.com/watch?v=bRs-4AXb9_U

Un poste MIG fil fourré (modèle CE-GSH MIG 100) c'est à 90 euros ici :

https://www.amazon.fr/Poste-Souder-Sans ... way&sr=8-4

disponible aussi sur ManoMano :

https://www.manomano.fr/p/soudeur-soude ... d=11334653
mig38
Messages : 4
Enregistré le : 21/10/2019 17:15

Re: Embrayage HS

Message non lu par mig38 »

Bonjour,

Le temps passe vite et le Range continue à dormir dans son appentis. Je n'ai pas pu m'en occuper et je me rends compte que je n'aurai jamais le temps. Je voudrais le mettre en vente, mais je n'ai pas su ou pu accéder au forum qui va bien. Quelqu'un sait-il comment faire?

Merci
Répondre

Retourner vers « Transmissions »